Products Our motto "Technology for Environmental Protection" has long been an inherent part of our product development philosophy and product range. We strive to improve the environment, to make processes which work with greater environmental compatibility and to avoid putting a strain on the environment. We offer you a multitude of innovative solutions, new products and smart concepts. More Informations Industries & Topics Industries & Topics Overview Fuel oil components Fuel oil components Overview Fast and clean oil filter change Avoiding fungal attacks in biofuel More performance with the sintered plastic sieve AFRISO Smart Home AFRISO Smart Home Overview Gateway HG 02 Products Products Overview AFRISOhome App Alexa Smart home applications Smart home applications Overview Leakage security Security Stand-alone applications Stand-alone applications Overview Getting started with AFRIShome Smart Home Craft 4.0 Craft 4.0 Overview OEM-Manifold systems Hydraulic Balancing Hydraulic Balancing Overview Vario-DP Tank conversion Hygienic processes AFRISO Smart Home AFRISO Smart Home offers innovative solutions for intelligent home automation. With modern sensors and actuators, you can easily and conveniently control your home. More Informations Service-Center Service-Center Overview Service Contact persons Data exchange formats Catalogs Service-Center Flexible, cost-aware, on schedule, solution-oriented and fast – the AFRISO team always provides the decisive added value. More Informations Training & Events Training & Events Overview Exhibitions Exhibitions Overview SHK+E 2026, Essen IFH Intherm 2026, Nuremberg GET Nord 2026, Hamburg Search Domestic technology Pressure measuring instruments for domestic technology 63927 HZ 50 0/4bar 1/4 m.PTFE ax exz Kl.2,5 Images 5 Back Bourdon tube pressure gauge HZ 50 ax | 63927 Bourdon tube pressure gauge HZ for heating/plumbing in-stock items Documents Benefits with self-sealing connection thread (NG 50 and 63) for fast mountingred maximum mark on dialadjustable red reference pointer and green operation segment on windowcorrosion-resistant housing Application For gaseous and liquid media which are not highly viscous, do not crystallise and do not attack copper alloys and EPDM.! For measuring gas or vapour, observe the table "Selection Criteria as per EN 837-2" (see appendix)! Technical data Technical drawings Downloads Technical data Nominal size50 - 50accuracy class (EN 837-1/6)2,5ranges0/4 barapplication areastatic load: ¾ x full scale valuedynamic load: ⅔ x full scale valueshort-term: Full scale valueOperating temperature rangeMedium: max. 60 °CAmbient: -20/+60 °CTemperature performanceIndication error when the temperature of the measuring system deviates from the normal temperature of 20 °C:bei Temperaturzunahme ca. ± 0,4 %/10 K,falling temperature approx. ± 0.4 %/10 Kvom jeweiligen SkalenendwertDegree of protectionIP 32 (EN 60529) Standard design ConnectionBrass, bottom backNG 50: G¼B, Self-sealing with PTFE sealing ringMeasuring elementBourdon tube, "C" type tubeCopper alloymovementBrassDialKunststoff, weißWith red mark at 3 bar and green sector from 1.5 to 3 barScaling blackPointerKunststoff, schwarzHousingKunststoff (ABS), schwarz, highly impact-resistant and corrosion-resistantwindowKunststoff, eingeclipstwith adjustable red reference pointer and green flag Technical drawings Click the corresponding image for detail views, additional information and dimension tables. HZ 50 – bottom back connection Dimensions (mm) NG b c e g G s SW 50 25,8 11,2 14 43 G¼B 3,8 14 Downloads Montage Manometer Manuals Industrial technology PDF Download Rohrfeder-, Kapselfeder-, Plattenfeder-, Membranfedermanometer für Differenzdruck Manuals Industrial technology PDF Ukrainian German German AFRISO_EU-KONFORMITAETSERKLAERUNG_DRUCKGERAETE_DE.PDF Industrial technology PDF Download Related products
AFRISO Smart Home AFRISO Smart Home offers innovative solutions for intelligent home automation. With modern sensors and actuators, you can easily and conveniently control your home. More Informations Service-Center Service-Center Overview Service Contact persons Data exchange formats Catalogs Service-Center Flexible, cost-aware, on schedule, solution-oriented and fast – the AFRISO team always provides the decisive added value. More Informations Training & Events Training & Events Overview Exhibitions Exhibitions Overview SHK+E 2026, Essen IFH Intherm 2026, Nuremberg GET Nord 2026, Hamburg Search
Service-Center Flexible, cost-aware, on schedule, solution-oriented and fast – the AFRISO team always provides the decisive added value. More Informations Training & Events Training & Events Overview Exhibitions Exhibitions Overview SHK+E 2026, Essen IFH Intherm 2026, Nuremberg GET Nord 2026, Hamburg Search
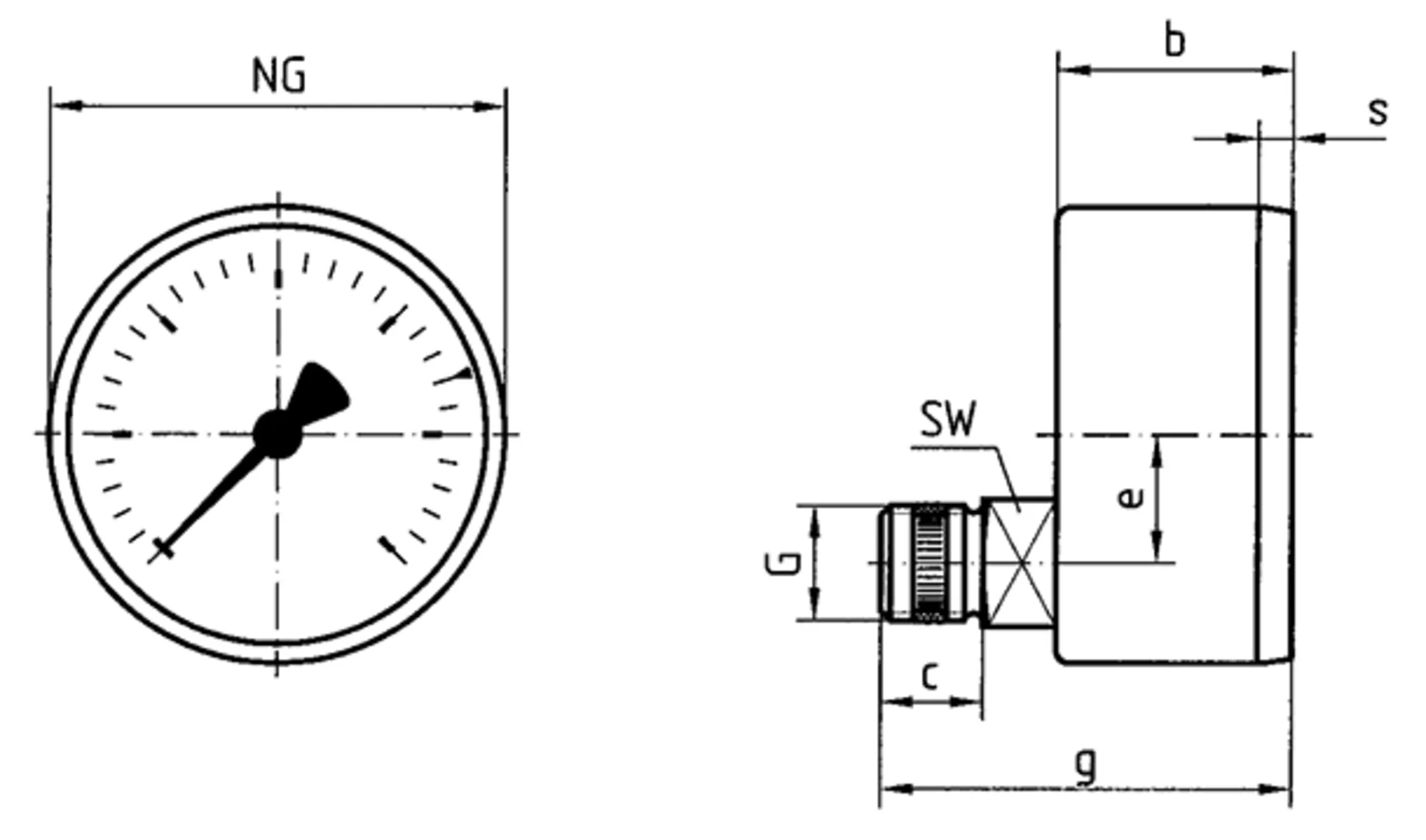
Images 5 Back Bourdon tube pressure gauge HZ 50 ax | 63927 Bourdon tube pressure gauge HZ for heating/plumbing in-stock items Documents Benefits with self-sealing connection thread (NG 50 and 63) for fast mountingred maximum mark on dialadjustable red reference pointer and green operation segment on windowcorrosion-resistant housing Application For gaseous and liquid media which are not highly viscous, do not crystallise and do not attack copper alloys and EPDM.! For measuring gas or vapour, observe the table "Selection Criteria as per EN 837-2" (see appendix)! Technical data Technical drawings Downloads Technical data Nominal size50 - 50accuracy class (EN 837-1/6)2,5ranges0/4 barapplication areastatic load: ¾ x full scale valuedynamic load: ⅔ x full scale valueshort-term: Full scale valueOperating temperature rangeMedium: max. 60 °CAmbient: -20/+60 °CTemperature performanceIndication error when the temperature of the measuring system deviates from the normal temperature of 20 °C:bei Temperaturzunahme ca. ± 0,4 %/10 K,falling temperature approx. ± 0.4 %/10 Kvom jeweiligen SkalenendwertDegree of protectionIP 32 (EN 60529) Standard design ConnectionBrass, bottom backNG 50: G¼B, Self-sealing with PTFE sealing ringMeasuring elementBourdon tube, "C" type tubeCopper alloymovementBrassDialKunststoff, weißWith red mark at 3 bar and green sector from 1.5 to 3 barScaling blackPointerKunststoff, schwarzHousingKunststoff (ABS), schwarz, highly impact-resistant and corrosion-resistantwindowKunststoff, eingeclipstwith adjustable red reference pointer and green flag Technical drawings Click the corresponding image for detail views, additional information and dimension tables. HZ 50 – bottom back connection Dimensions (mm) NG b c e g G s SW 50 25,8 11,2 14 43 G¼B 3,8 14 Downloads Montage Manometer Manuals Industrial technology PDF Download Rohrfeder-, Kapselfeder-, Plattenfeder-, Membranfedermanometer für Differenzdruck Manuals Industrial technology PDF Ukrainian German German AFRISO_EU-KONFORMITAETSERKLAERUNG_DRUCKGERAETE_DE.PDF Industrial technology PDF Download
Rohrfeder-, Kapselfeder-, Plattenfeder-, Membranfedermanometer für Differenzdruck Manuals Industrial technology PDF Ukrainian German German