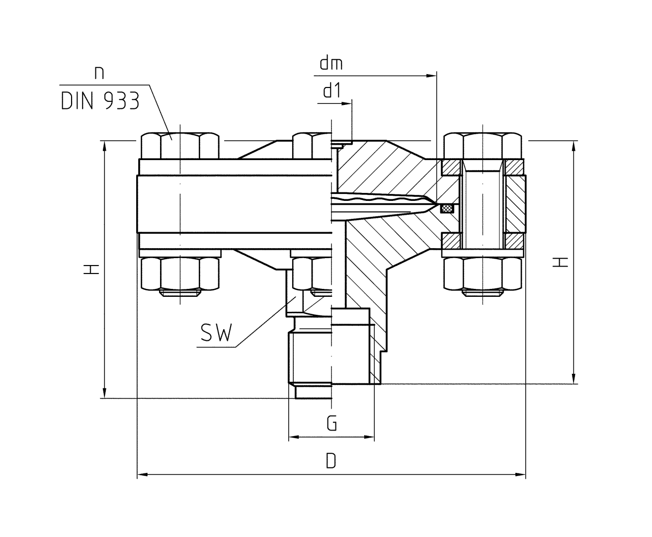
Products Our motto "Technology for Environmental Protection" has long been an inherent part of our product development philosophy and product range. We strive to improve the environment, to make processes which work with greater environmental compatibility and to avoid putting a strain on the environment. We offer you a multitude of innovative solutions, new products and smart concepts. More Informations Industries & Topics Industries & Topics Overview Fuel oil components Fuel oil components Overview Fast and clean oil filter change Avoiding fungal attacks in biofuel More performance with the sintered plastic sieve AFRISO Smart Home AFRISO Smart Home Overview Gateway HG 02 Products Products Overview AFRISOhome App Alexa Smart home applications Smart home applications Overview Leakage security Security Stand-alone applications Stand-alone applications Overview Getting started with AFRIShome Smart Home Craft 4.0 Craft 4.0 Overview OEM-Manifold systems Hydraulic Balancing Hydraulic Balancing Overview Vario-DP Tank conversion Hygienic processes AFRISO Smart Home AFRISO Smart Home offers innovative solutions for intelligent home automation. With modern sensors and actuators, you can easily and conveniently control your home. More Informations Service-Center Service-Center Overview Service Contact persons Data exchange formats Catalogs Service-Center Flexible, cost-aware, on schedule, solution-oriented and fast – the AFRISO team always provides the decisive added value. More Informations Training & Events Training & Events Overview Exhibitions Exhibitions Overview SHK+E 2026, Essen IFH Intherm 2026, Nuremberg GET Nord 2026, Hamburg Schulungen & Trainings Schulungen & Trainings Overview Heizen mit flüssigen Brennstoffen Inhouse-Schulung - Heizen mit flüssigen Brennstoffen Inhouse-Schulung Heizölverbraucheranlagen Smart Home Experte Search Industrial technology Process separators: chemical seals MD 30 Images 3 MD 30 Membrandruckmittler Standardausführung mit Gewindeanschluss Variants Documents Benefits can be disassembled and cleanedApplications up to 250 barwelded diaphragmmany process connections available Application For mounting to Bourdon tube pressure gauges, pressure transducers or pressure switches. For corrosive, viscous, polluted or hot media. Variants Technical data Technical drawings Downloads Variants process connection, standardProcess connectionInstrument connectionNominal diameterNominal pressureminimum range* (in bar) at nominal sizePart no.63100160DMUDMU 13 VarioG½BWelded connectionPN 250.6 bar0.6 bar0.6 bar0.6 bar0.6 bar31417WG½BWelded connectionPN 1000.6 bar0.6 bar0.6 bar0.6 bar0.6 bar31331WG½BWelded connectionPN 2500.6 bar0.6 bar0.6 bar0.6 bar0.6 bar31332W in-stock items manufactured goods Technical data Process connection/lower bodyStainless steel 316 LdiaphragmStainless steel 316 LSealFKM (Viton)Instrument connectionStainless steel 316 LWelded connectionretaining flangesStainless steel 316 LSpacer ringPN 25: pressure transmission liquidParaffin oil (FM 09), FDA-listedpressure rangesee overview of versionsNominal pressurePN 25 Technical drawings Click the corresponding image for detail views, additional information and dimension tables. Type MD 30 Gd1PNdmDHnSWG½10253695604xM1022G½B10253695634xM1022½-14NPT10253695634xM1022G½101003695604xM1022G½B101003695634xM1022½-14NPT101003695634xM1022G½102505695568xM1022G½B102505695798xM1022½-14NPT102505695768xM1022 Downloads Druckmittler PDF Italian English German Related products
AFRISO Smart Home AFRISO Smart Home offers innovative solutions for intelligent home automation. With modern sensors and actuators, you can easily and conveniently control your home. More Informations Service-Center Service-Center Overview Service Contact persons Data exchange formats Catalogs Service-Center Flexible, cost-aware, on schedule, solution-oriented and fast – the AFRISO team always provides the decisive added value. More Informations Training & Events Training & Events Overview Exhibitions Exhibitions Overview SHK+E 2026, Essen IFH Intherm 2026, Nuremberg GET Nord 2026, Hamburg Schulungen & Trainings Schulungen & Trainings Overview Heizen mit flüssigen Brennstoffen Inhouse-Schulung - Heizen mit flüssigen Brennstoffen Inhouse-Schulung Heizölverbraucheranlagen Smart Home Experte Search
Service-Center Flexible, cost-aware, on schedule, solution-oriented and fast – the AFRISO team always provides the decisive added value. More Informations Training & Events Training & Events Overview Exhibitions Exhibitions Overview SHK+E 2026, Essen IFH Intherm 2026, Nuremberg GET Nord 2026, Hamburg Schulungen & Trainings Schulungen & Trainings Overview Heizen mit flüssigen Brennstoffen Inhouse-Schulung - Heizen mit flüssigen Brennstoffen Inhouse-Schulung Heizölverbraucheranlagen Smart Home Experte Search
Images 3 MD 30 Membrandruckmittler Standardausführung mit Gewindeanschluss Variants Documents Benefits can be disassembled and cleanedApplications up to 250 barwelded diaphragmmany process connections available Application For mounting to Bourdon tube pressure gauges, pressure transducers or pressure switches. For corrosive, viscous, polluted or hot media. Variants Technical data Technical drawings Downloads Variants process connection, standardProcess connectionInstrument connectionNominal diameterNominal pressureminimum range* (in bar) at nominal sizePart no.63100160DMUDMU 13 VarioG½BWelded connectionPN 250.6 bar0.6 bar0.6 bar0.6 bar0.6 bar31417WG½BWelded connectionPN 1000.6 bar0.6 bar0.6 bar0.6 bar0.6 bar31331WG½BWelded connectionPN 2500.6 bar0.6 bar0.6 bar0.6 bar0.6 bar31332W in-stock items manufactured goods Technical data Process connection/lower bodyStainless steel 316 LdiaphragmStainless steel 316 LSealFKM (Viton)Instrument connectionStainless steel 316 LWelded connectionretaining flangesStainless steel 316 LSpacer ringPN 25: pressure transmission liquidParaffin oil (FM 09), FDA-listedpressure rangesee overview of versionsNominal pressurePN 25 Technical drawings Click the corresponding image for detail views, additional information and dimension tables. Type MD 30 Gd1PNdmDHnSWG½10253695604xM1022G½B10253695634xM1022½-14NPT10253695634xM1022G½101003695604xM1022G½B101003695634xM1022½-14NPT101003695634xM1022G½102505695568xM1022G½B102505695798xM1022½-14NPT102505695768xM1022 Downloads Druckmittler PDF Italian English German