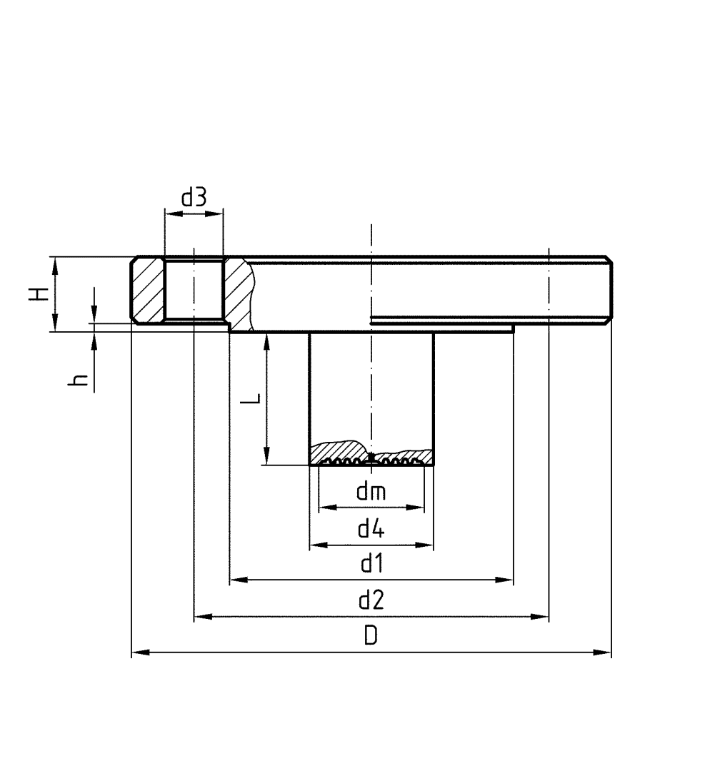
Products Our motto "Technology for Environmental Protection" has long been an inherent part of our product development philosophy and product range. We strive to improve the environment, to make processes which work with greater environmental compatibility and to avoid putting a strain on the environment. We offer you a multitude of innovative solutions, new products and smart concepts. More Informations Industries & Topics Industries & Topics Overview Fuel oil components Fuel oil components Overview Fast and clean oil filter change Avoiding fungal attacks in biofuel More performance with the sintered plastic sieve AFRISO Smart Home AFRISO Smart Home Overview Gateway HG 02 Products Products Overview AFRISOhome App Alexa Smart home applications Smart home applications Overview Leakage security Security Stand-alone applications Stand-alone applications Overview Getting started with AFRIShome Smart Home Craft 4.0 Craft 4.0 Overview OEM-Manifold systems Hydraulic Balancing Hydraulic Balancing Overview Vario-DP Tank conversion Hygienic processes AFRISO Smart Home AFRISO Smart Home offers innovative solutions for intelligent home automation. With modern sensors and actuators, you can easily and conveniently control your home. More Informations Service-Center Service-Center Overview Service Contact persons Data exchange formats Catalogs Service-Center Flexible, cost-aware, on schedule, solution-oriented and fast – the AFRISO team always provides the decisive added value. More Informations Training & Events Training & Events Overview Exhibitions Exhibitions Overview SHK+E 2026, Essen IFH Intherm 2026, Nuremberg GET Nord 2026, Hamburg Search Industrial technology Process separators: chemical seals MD 81 Images 3 MD 81 Membrandruckmittler Tubus-Flanschausführung Variants Documents Benefits for tanks with thick wallsfor higher block flanges and increased insulationConnection as per DIN or ASMETubus length can be adapted as required Application For mounting to Bourdon tube pressure gauges, pressure transducers or pressure switches. For corrosive, highly viscous, polluted, crystallising or hot media. Ideal for insulated or thick-walled tanks. Specially designed for use in the chemical and petrochemical industries, in refineries or power plant engineering. Variants Technical data Technical drawings Downloads Variants process connection, standardProcess connectionInstrument connectionNominal diameterNominal pressureminimum range* (in bar) at nominal sizePart no.63100160DMUDMU 13 Varioflange connection as per EN 1092-1 type B 1DN 50Welded connectionPN 401 bar2.5 bar1 barOn request31917Wflange connection as per EN 1092-1 type B 1DN 80Welded connectionPN 400.6 bar0.6 bar1 bar1 barOn request31921Wflange connection as per EN 1092-1 type B 1DN 100Welded connectionPN 400.6 bar0.6 bar1 bar1 barOn request31924W in-stock items manufactured goods Technical data Process connection/tubusStainless steel 316 Lflange connection as per EN 1092-1 type B 1Tubus length: 50 mmdiaphragmStainless steel 316 LSealing surfaceStainless steel 316 LInstrument connectionWelded connectionpressure transmission liquidParaffin oil (FM 09), FDA-listedpressure rangesee overview of versionsNominal pressurePN 40 Technical drawings Click the corresponding image for detail views, additional information and dimension tables. Type MD 81 – flange connection as per EN 1092-1 type B 1 DNPNDd1d2d3d4Hh50401651021254x184820380402001381608x1876243100402351621908x2294243 Downloads Membrandruckmittler MD 80/MD 81 Catalogue options Industrial technology PDF English German Druckmittler PDF Italian English German Related products
AFRISO Smart Home AFRISO Smart Home offers innovative solutions for intelligent home automation. With modern sensors and actuators, you can easily and conveniently control your home. More Informations Service-Center Service-Center Overview Service Contact persons Data exchange formats Catalogs Service-Center Flexible, cost-aware, on schedule, solution-oriented and fast – the AFRISO team always provides the decisive added value. More Informations Training & Events Training & Events Overview Exhibitions Exhibitions Overview SHK+E 2026, Essen IFH Intherm 2026, Nuremberg GET Nord 2026, Hamburg Search
Service-Center Flexible, cost-aware, on schedule, solution-oriented and fast – the AFRISO team always provides the decisive added value. More Informations Training & Events Training & Events Overview Exhibitions Exhibitions Overview SHK+E 2026, Essen IFH Intherm 2026, Nuremberg GET Nord 2026, Hamburg Search
Images 3 MD 81 Membrandruckmittler Tubus-Flanschausführung Variants Documents Benefits for tanks with thick wallsfor higher block flanges and increased insulationConnection as per DIN or ASMETubus length can be adapted as required Application For mounting to Bourdon tube pressure gauges, pressure transducers or pressure switches. For corrosive, highly viscous, polluted, crystallising or hot media. Ideal for insulated or thick-walled tanks. Specially designed for use in the chemical and petrochemical industries, in refineries or power plant engineering. Variants Technical data Technical drawings Downloads Variants process connection, standardProcess connectionInstrument connectionNominal diameterNominal pressureminimum range* (in bar) at nominal sizePart no.63100160DMUDMU 13 Varioflange connection as per EN 1092-1 type B 1DN 50Welded connectionPN 401 bar2.5 bar1 barOn request31917Wflange connection as per EN 1092-1 type B 1DN 80Welded connectionPN 400.6 bar0.6 bar1 bar1 barOn request31921Wflange connection as per EN 1092-1 type B 1DN 100Welded connectionPN 400.6 bar0.6 bar1 bar1 barOn request31924W in-stock items manufactured goods Technical data Process connection/tubusStainless steel 316 Lflange connection as per EN 1092-1 type B 1Tubus length: 50 mmdiaphragmStainless steel 316 LSealing surfaceStainless steel 316 LInstrument connectionWelded connectionpressure transmission liquidParaffin oil (FM 09), FDA-listedpressure rangesee overview of versionsNominal pressurePN 40 Technical drawings Click the corresponding image for detail views, additional information and dimension tables. Type MD 81 – flange connection as per EN 1092-1 type B 1 DNPNDd1d2d3d4Hh50401651021254x184820380402001381608x1876243100402351621908x2294243 Downloads Membrandruckmittler MD 80/MD 81 Catalogue options Industrial technology PDF English German Druckmittler PDF Italian English German