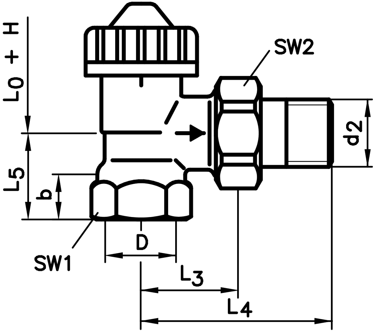
Products Our motto "Technology for Environmental Protection" has long been an inherent part of our product development philosophy and product range. We strive to improve the environment, to make processes which work with greater environmental compatibility and to avoid putting a strain on the environment. We offer you a multitude of innovative solutions, new products and smart concepts. More Informations Industries & Topics Industries & Topics Overview Fuel oil components Fuel oil components Overview Fast and clean oil filter change Avoiding fungal attacks in biofuel More performance with the sintered plastic sieve AFRISO Smart Home AFRISO Smart Home Overview Gateway HG 02 Products Products Overview AFRISOhome App Alexa Smart home applications Smart home applications Overview Leakage security Security Stand-alone applications Stand-alone applications Overview Getting started with AFRIShome Smart Home Craft 4.0 Craft 4.0 Overview OEM-Manifold systems Hydraulic Balancing Hydraulic Balancing Overview Vario-DP Tank conversion Hygienic processes AFRISO Smart Home AFRISO Smart Home offers innovative solutions for intelligent home automation. With modern sensors and actuators, you can easily and conveniently control your home. More Informations Service-Center Service-Center Overview Service Contact persons Data exchange formats Catalogs Service-Center Flexible, cost-aware, on schedule, solution-oriented and fast – the AFRISO team always provides the decisive added value. More Informations Training & Events Training & Events Overview Exhibitions Exhibitions Overview SHK+E 2026, Essen IFH Intherm 2026, Nuremberg GET Nord 2026, Hamburg Schulungen & Trainings Schulungen & Trainings Overview Heizen mit flüssigen Brennstoffen Inhouse-Schulung - Heizen mit flüssigen Brennstoffen Inhouse-Schulung Heizölverbraucheranlagen Smart Home Experte Search Domestic technology Equipment for hydraulic balancing Vario M E This product is not available in your country Marking Counter-mark Mark Images 2 Vario M E thermostat valve body Variants Benefits fully adjustablevalve insert can be replaced without system having to be drainedvarious versions and sizes for virtually any application Application Suitable for medium water volumes. For installation in dual-pipe central heating systems. Description Low-noise thermostat valve body with threaded connection M 30 x 1.5 mm for thermostat control heads and actuators. Mounting cap with valve shut-off function. Fully adjustable with ES-SV adjustment key. Valve spindle with double O ring seal. The valve insert can be replaced with the MGV mounting unit at operating pressure without the system having to be drained. Technical data Technical drawings Technical data System connectionsee ordering tableThermostat head/actuator connectionThreaded connection M 30 x 1.5 mmAdjustment range 12 − 250 l/hNominal pressuremax. 10 barNominal diameterDN 10Operating temperature rangeMedium: max. 120 °CHousingGunmetal, nickel-plated Technical drawings Click the corresponding image for detail views, additional information and dimension tables. Vario M – angled DNDd2SW1SW2bL0L1L2L3L4L510Rp⅜R⅜222710,123598526522215Rp½R½273013,223669529582620Rp¾R¾323714,52374106346629 H: Height control head H: Height control head Related products
AFRISO Smart Home AFRISO Smart Home offers innovative solutions for intelligent home automation. With modern sensors and actuators, you can easily and conveniently control your home. More Informations Service-Center Service-Center Overview Service Contact persons Data exchange formats Catalogs Service-Center Flexible, cost-aware, on schedule, solution-oriented and fast – the AFRISO team always provides the decisive added value. More Informations Training & Events Training & Events Overview Exhibitions Exhibitions Overview SHK+E 2026, Essen IFH Intherm 2026, Nuremberg GET Nord 2026, Hamburg Schulungen & Trainings Schulungen & Trainings Overview Heizen mit flüssigen Brennstoffen Inhouse-Schulung - Heizen mit flüssigen Brennstoffen Inhouse-Schulung Heizölverbraucheranlagen Smart Home Experte Search
Service-Center Flexible, cost-aware, on schedule, solution-oriented and fast – the AFRISO team always provides the decisive added value. More Informations Training & Events Training & Events Overview Exhibitions Exhibitions Overview SHK+E 2026, Essen IFH Intherm 2026, Nuremberg GET Nord 2026, Hamburg Schulungen & Trainings Schulungen & Trainings Overview Heizen mit flüssigen Brennstoffen Inhouse-Schulung - Heizen mit flüssigen Brennstoffen Inhouse-Schulung Heizölverbraucheranlagen Smart Home Experte Search
This product is not available in your country Marking Counter-mark Mark Images 2 Vario M E thermostat valve body Variants Benefits fully adjustablevalve insert can be replaced without system having to be drainedvarious versions and sizes for virtually any application Application Suitable for medium water volumes. For installation in dual-pipe central heating systems. Description Low-noise thermostat valve body with threaded connection M 30 x 1.5 mm for thermostat control heads and actuators. Mounting cap with valve shut-off function. Fully adjustable with ES-SV adjustment key. Valve spindle with double O ring seal. The valve insert can be replaced with the MGV mounting unit at operating pressure without the system having to be drained. Technical data Technical drawings Technical data System connectionsee ordering tableThermostat head/actuator connectionThreaded connection M 30 x 1.5 mmAdjustment range 12 − 250 l/hNominal pressuremax. 10 barNominal diameterDN 10Operating temperature rangeMedium: max. 120 °CHousingGunmetal, nickel-plated Technical drawings Click the corresponding image for detail views, additional information and dimension tables. Vario M – angled DNDd2SW1SW2bL0L1L2L3L4L510Rp⅜R⅜222710,123598526522215Rp½R½273013,223669529582620Rp¾R¾323714,52374106346629 H: Height control head H: Height control head