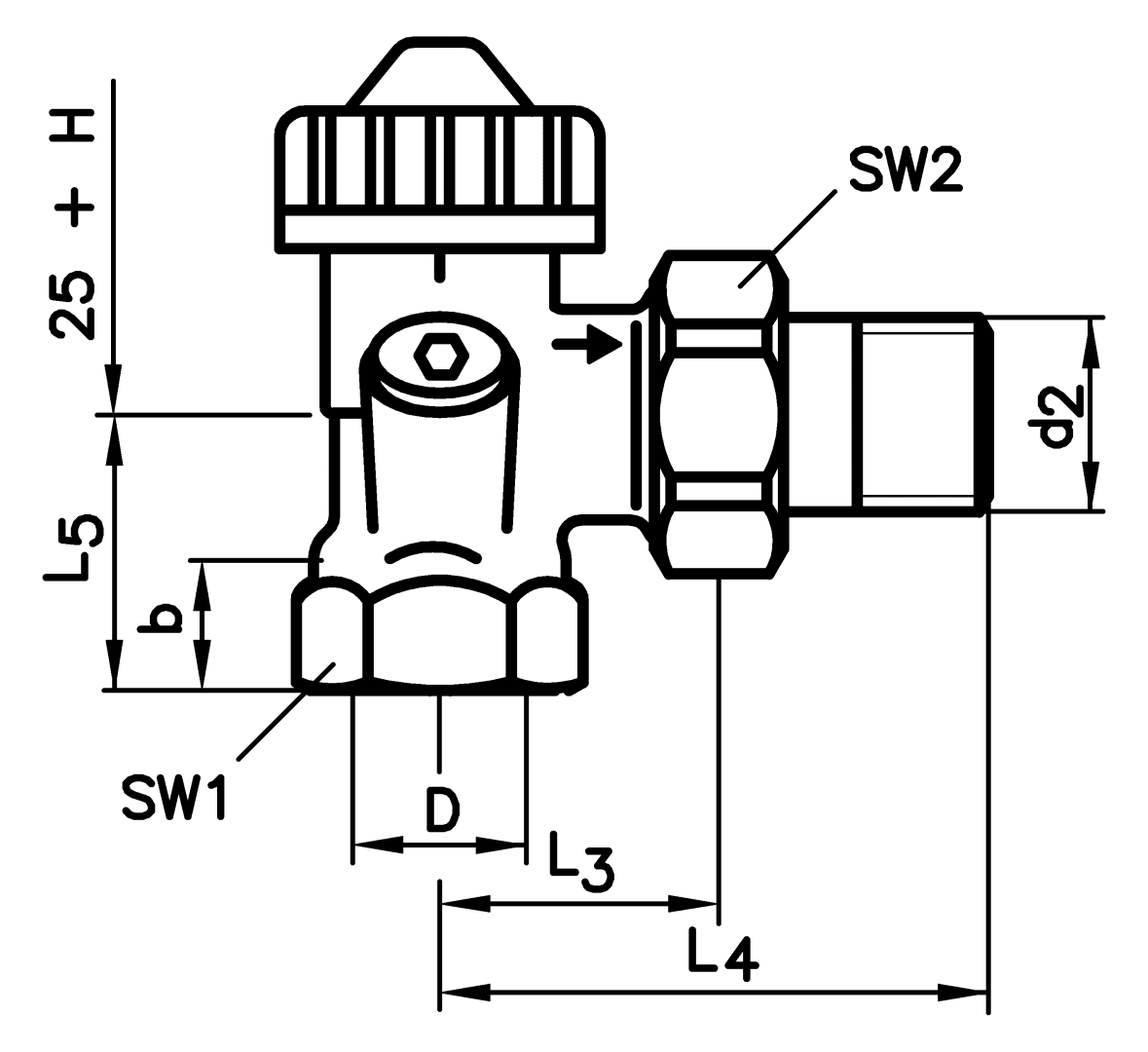
Products Our motto "Technology for Environmental Protection" has long been an inherent part of our product development philosophy and product range. We strive to improve the environment, to make processes which work with greater environmental compatibility and to avoid putting a strain on the environment. We offer you a multitude of innovative solutions, new products and smart concepts. More Informations Industries & Topics Industries & Topics Overview Fuel oil components Fuel oil components Overview Fast and clean oil filter change Avoiding fungal attacks in biofuel More performance with the sintered plastic sieve AFRISO Smart Home AFRISO Smart Home Overview Gateway HG 02 Products Products Overview AFRISOhome App Alexa Smart home applications Smart home applications Overview Leakage security Security Stand-alone applications Stand-alone applications Overview Getting started with AFRIShome Smart Home Craft 4.0 Craft 4.0 Overview OEM-Manifold systems Hydraulic Balancing Hydraulic Balancing Overview Vario-DP Tank conversion Hygienic processes AFRISO Smart Home AFRISO Smart Home offers innovative solutions for intelligent home automation. With modern sensors and actuators, you can easily and conveniently control your home. More Informations Service-Center Service-Center Overview Service Contact persons Data exchange formats Catalogs Service-Center Flexible, cost-aware, on schedule, solution-oriented and fast – the AFRISO team always provides the decisive added value. More Informations Training & Events Training & Events Overview Exhibitions Exhibitions Overview SHK+E 2026, Essen IFH Intherm 2026, Nuremberg GET Nord 2026, Hamburg Schulungen & Trainings Schulungen & Trainings Overview Heizen mit flüssigen Brennstoffen Inhouse-Schulung - Heizen mit flüssigen Brennstoffen Inhouse-Schulung Heizölverbraucheranlagen Smart Home Experte Search Domestic technology Equipment for hydraulic balancing VarioQ M E This product is not available in your country measuring point P2 downstream of measuring unit fixed, calibrated measuring unit measuring point P1 upstream of measuring unit Images 4 VarioQ M E thermostat valve body Variants Benefits fixed, calibrated measuring unit for accurate adjustment of the radiatorfully adjustablevalve insert can be replaced without system having to be drainedlightning-fast hydraulic balancing with CAPBs® set valve balancing Application For measuring and adjusting the volume flow directly at the valve, e.g. with the CAPBs® set valve balancing as measuring instrument for hydraulic balancing. Suitable for small, medium and large water volumes. For installation in dual-pipe heating systems. Design as per standard, therefore, installation in existing systems without changes to the connection pipes.In the case of axial version or angled-angled version (left/right), use valve body Vario (axial) or Vario angled-angled (left/right) with lockshield valve with measuring function 454Q. Description Patented, low-noise thermostat valve body with fixed, calibrated orifice plate for measuring and adjusting the volume flow directly at the valve. Mounting cap with valve shut-off function. Threaded connection M30 x 1.5 mm for thermostat control heads and actuators. Fully adjustable with ES-SV adjustment key. Valve spindle with double O ring seal. The valve insert can be replaced with the MGV mounting unit at operating pressure without the system having to be drained.VarioQ is a triple-stage hydraulic balancing system which allows for optimisation of the heating pipe system by means of calculation, measurement and adjustment. The CAPBs® set valve balancing (measuring instrument) measures the flow rate in litres per hour and the water volume can be easily set at the valve without conversion. Even minimum flow rates can be set with this system.VarioQ thermostat valves are fully adjustable by means of the ES-SV adjustment key, starting with the open position (8 = open); the numbers 1–8 are shown on the adjustment key. Mark and counter-mark are aligned. Each 1/8 of a turn corresponds to one flow characteristic, shown in a diagram (see operating instructions). Technical data Technical drawings Technical data System connectionsee ordering tableThermostat head/actuator connectionThreaded connection M 30 x 1.5 mmAdjustment rangeVarioQ M: 14 − 215 l/hNominal pressuremax. 10 barNominal diameterDN 10Operating temperature rangeMedium: max. 120 °CHousingBrass, nickel-platedOptionsversion PN 16 Technical drawings Click the corresponding image for detail views, additional information and dimension tables. VarioQ S, M, L – angled Types and dimensions as per EN 215, series DDNDd1d2SW1SW2bL1L2L3L4L510Rp⅜-R⅜222710,1598526522215Rp½G¾R½273013,2669529582620Rp¾-R¾323714,574106346629 H: Height control head H: Height control head Related products
AFRISO Smart Home AFRISO Smart Home offers innovative solutions for intelligent home automation. With modern sensors and actuators, you can easily and conveniently control your home. More Informations Service-Center Service-Center Overview Service Contact persons Data exchange formats Catalogs Service-Center Flexible, cost-aware, on schedule, solution-oriented and fast – the AFRISO team always provides the decisive added value. More Informations Training & Events Training & Events Overview Exhibitions Exhibitions Overview SHK+E 2026, Essen IFH Intherm 2026, Nuremberg GET Nord 2026, Hamburg Schulungen & Trainings Schulungen & Trainings Overview Heizen mit flüssigen Brennstoffen Inhouse-Schulung - Heizen mit flüssigen Brennstoffen Inhouse-Schulung Heizölverbraucheranlagen Smart Home Experte Search
Service-Center Flexible, cost-aware, on schedule, solution-oriented and fast – the AFRISO team always provides the decisive added value. More Informations Training & Events Training & Events Overview Exhibitions Exhibitions Overview SHK+E 2026, Essen IFH Intherm 2026, Nuremberg GET Nord 2026, Hamburg Schulungen & Trainings Schulungen & Trainings Overview Heizen mit flüssigen Brennstoffen Inhouse-Schulung - Heizen mit flüssigen Brennstoffen Inhouse-Schulung Heizölverbraucheranlagen Smart Home Experte Search
This product is not available in your country measuring point P2 downstream of measuring unit fixed, calibrated measuring unit measuring point P1 upstream of measuring unit Images 4 VarioQ M E thermostat valve body Variants Benefits fixed, calibrated measuring unit for accurate adjustment of the radiatorfully adjustablevalve insert can be replaced without system having to be drainedlightning-fast hydraulic balancing with CAPBs® set valve balancing Application For measuring and adjusting the volume flow directly at the valve, e.g. with the CAPBs® set valve balancing as measuring instrument for hydraulic balancing. Suitable for small, medium and large water volumes. For installation in dual-pipe heating systems. Design as per standard, therefore, installation in existing systems without changes to the connection pipes.In the case of axial version or angled-angled version (left/right), use valve body Vario (axial) or Vario angled-angled (left/right) with lockshield valve with measuring function 454Q. Description Patented, low-noise thermostat valve body with fixed, calibrated orifice plate for measuring and adjusting the volume flow directly at the valve. Mounting cap with valve shut-off function. Threaded connection M30 x 1.5 mm for thermostat control heads and actuators. Fully adjustable with ES-SV adjustment key. Valve spindle with double O ring seal. The valve insert can be replaced with the MGV mounting unit at operating pressure without the system having to be drained.VarioQ is a triple-stage hydraulic balancing system which allows for optimisation of the heating pipe system by means of calculation, measurement and adjustment. The CAPBs® set valve balancing (measuring instrument) measures the flow rate in litres per hour and the water volume can be easily set at the valve without conversion. Even minimum flow rates can be set with this system.VarioQ thermostat valves are fully adjustable by means of the ES-SV adjustment key, starting with the open position (8 = open); the numbers 1–8 are shown on the adjustment key. Mark and counter-mark are aligned. Each 1/8 of a turn corresponds to one flow characteristic, shown in a diagram (see operating instructions). Technical data Technical drawings Technical data System connectionsee ordering tableThermostat head/actuator connectionThreaded connection M 30 x 1.5 mmAdjustment rangeVarioQ M: 14 − 215 l/hNominal pressuremax. 10 barNominal diameterDN 10Operating temperature rangeMedium: max. 120 °CHousingBrass, nickel-platedOptionsversion PN 16 Technical drawings Click the corresponding image for detail views, additional information and dimension tables. VarioQ S, M, L – angled Types and dimensions as per EN 215, series DDNDd1d2SW1SW2bL1L2L3L4L510Rp⅜-R⅜222710,1598526522215Rp½G¾R½273013,2669529582620Rp¾-R¾323714,574106346629 H: Height control head H: Height control head