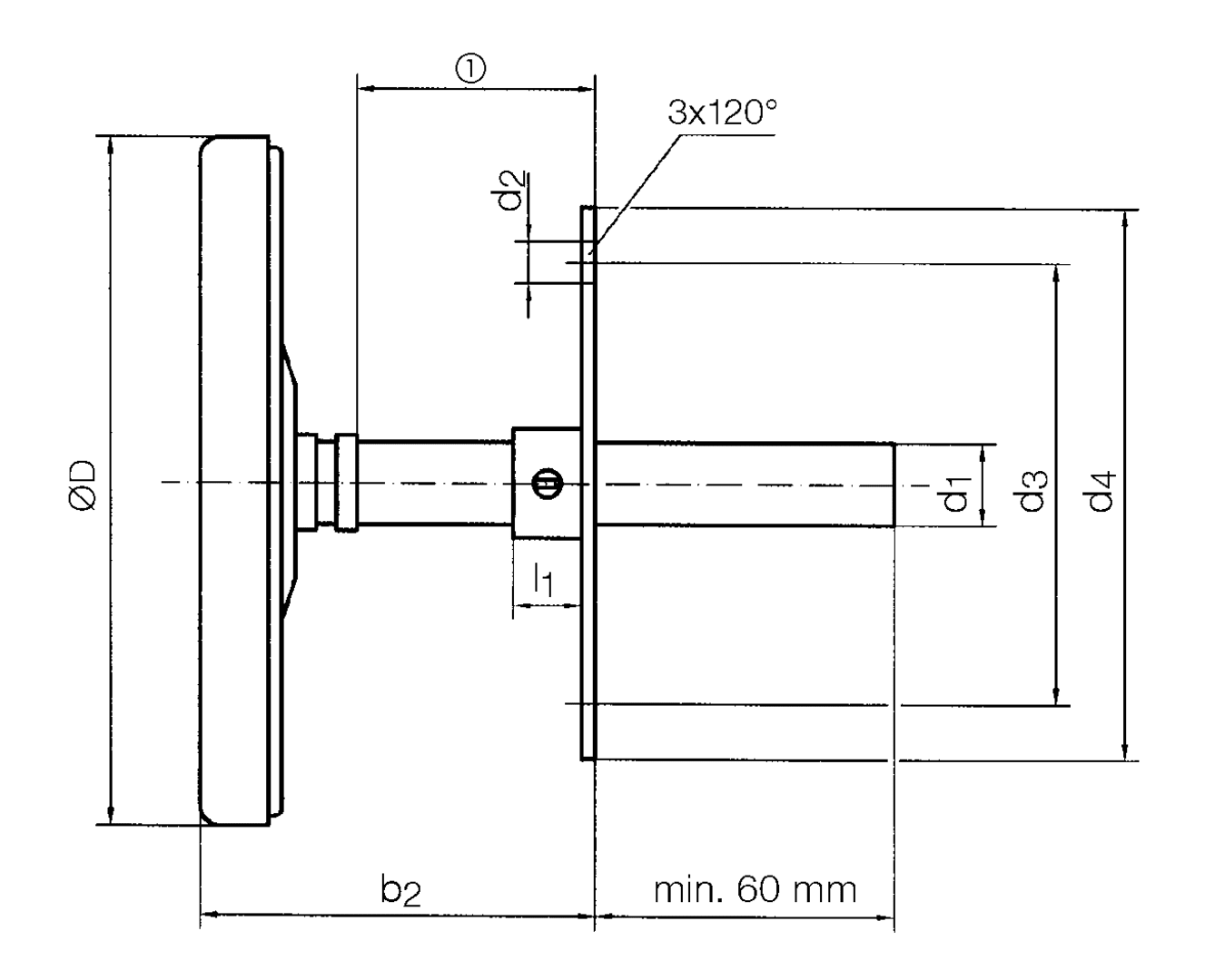
Products Our motto "Technology for Environmental Protection" has long been an inherent part of our product development philosophy and product range. We strive to improve the environment, to make processes which work with greater environmental compatibility and to avoid putting a strain on the environment. We offer you a multitude of innovative solutions, new products and smart concepts. More Informations Industries & Topics Industries & Topics Overview Fuel oil components Fuel oil components Overview Fast and clean oil filter change Avoiding fungal attacks in biofuel More performance with the sintered plastic sieve AFRISO Smart Home AFRISO Smart Home Overview Gateway HG 02 Products Products Overview AFRISOhome App Alexa Smart home applications Smart home applications Overview Leakage security Security Stand-alone applications Stand-alone applications Overview Getting started with AFRIShome Smart Home Craft 4.0 Craft 4.0 Overview OEM-Manifold systems Hydraulic Balancing Hydraulic Balancing Overview VarioQ Vario-DP Tank conversion Hygienic processes AFRISO Smart Home AFRISO Smart Home offers innovative solutions for intelligent home automation. With modern sensors and actuators, you can easily and conveniently control your home. More Informations Service-Center Service-Center Overview Service Contact persons Data exchange formats Catalogs Service-Center Flexible, cost-aware, on schedule, solution-oriented and fast – the AFRISO team always provides the decisive added value. More Informations Training & Events Training & Events Overview Exhibitions Exhibitions Overview SHK+E 2026, Essen IFH Intherm 2026, Nuremberg GET Nord 2026, Hamburg Schulungen & Trainings Schulungen & Trainings Overview Heizen mit flüssigen Brennstoffen Inhouse-Schulung - Heizen mit flüssigen Brennstoffen Inhouse-Schulung Heizölverbraucheranlagen Smart Home Experte Search Domestic technology Temperature measuring instruments for domestic technology BiTh 80 LKF D211 Images 4 BiTh 80 LKF D211 Bimetall-Luftkanalthermometer Variants Benefits ranges: -30/+50, -20/+60, -20/+40, 0/60 °Cbrass stemwith adjustable mounting flange (stainless steel) Application Air conditioning, ventilation Variants Technical data Technical drawings Variants Typehousing ⌀Stem lengthConnectionRangeStem lengthTypeTypePart no.BiTh 80 LKF D21180 mm100 mmMounting flange-30/+50 °CBiTh 80 LKFD21165713211BiTh 80 LKF D21180 mm150 mmMounting flange-30/+50 °CBiTh 80 LKFD21165714211BiTh 80 LKF D21180 mm200 mmMounting flange-30/+50 °CBiTh 80 LKFD21165715211 in-stock items manufactured goods Technical data TypeD2Nominal size80 - 80measuring elementBimetal helixaccuracy class2 (EN 13190)ranges °C-30/+50 °Capplication areaFull scale valueDegree of protectionIP 41 (EN 60529) Standard design ConnectionStem: Brass, ∅ 9 mmLKF: Mounting flange, Plastic, ∅ 60 mmmounting positioncentre backDialAluminium, weißScaling blackPointerKunststoff, schwarzHousingStahlblech, verzinktpush on bezelStahlblech, vernickeltwindowLKF: Kunststoff Technical drawings Click the corresponding image for detail views, additional information and dimension tables. LKF - centre back connection adjustable Dimensions (mm) NG D d1 d2 d3 d4 l1 63 63 9 12 51 60 10 80 80 9 12 51 60 10 100 100 9 12 51 60 10 Related products
AFRISO Smart Home AFRISO Smart Home offers innovative solutions for intelligent home automation. With modern sensors and actuators, you can easily and conveniently control your home. More Informations Service-Center Service-Center Overview Service Contact persons Data exchange formats Catalogs Service-Center Flexible, cost-aware, on schedule, solution-oriented and fast – the AFRISO team always provides the decisive added value. More Informations Training & Events Training & Events Overview Exhibitions Exhibitions Overview SHK+E 2026, Essen IFH Intherm 2026, Nuremberg GET Nord 2026, Hamburg Schulungen & Trainings Schulungen & Trainings Overview Heizen mit flüssigen Brennstoffen Inhouse-Schulung - Heizen mit flüssigen Brennstoffen Inhouse-Schulung Heizölverbraucheranlagen Smart Home Experte Search
Service-Center Flexible, cost-aware, on schedule, solution-oriented and fast – the AFRISO team always provides the decisive added value. More Informations Training & Events Training & Events Overview Exhibitions Exhibitions Overview SHK+E 2026, Essen IFH Intherm 2026, Nuremberg GET Nord 2026, Hamburg Schulungen & Trainings Schulungen & Trainings Overview Heizen mit flüssigen Brennstoffen Inhouse-Schulung - Heizen mit flüssigen Brennstoffen Inhouse-Schulung Heizölverbraucheranlagen Smart Home Experte Search
Images 4 BiTh 80 LKF D211 Bimetall-Luftkanalthermometer Variants Benefits ranges: -30/+50, -20/+60, -20/+40, 0/60 °Cbrass stemwith adjustable mounting flange (stainless steel) Application Air conditioning, ventilation Variants Technical data Technical drawings Variants Typehousing ⌀Stem lengthConnectionRangeStem lengthTypeTypePart no.BiTh 80 LKF D21180 mm100 mmMounting flange-30/+50 °CBiTh 80 LKFD21165713211BiTh 80 LKF D21180 mm150 mmMounting flange-30/+50 °CBiTh 80 LKFD21165714211BiTh 80 LKF D21180 mm200 mmMounting flange-30/+50 °CBiTh 80 LKFD21165715211 in-stock items manufactured goods Technical data TypeD2Nominal size80 - 80measuring elementBimetal helixaccuracy class2 (EN 13190)ranges °C-30/+50 °Capplication areaFull scale valueDegree of protectionIP 41 (EN 60529) Standard design ConnectionStem: Brass, ∅ 9 mmLKF: Mounting flange, Plastic, ∅ 60 mmmounting positioncentre backDialAluminium, weißScaling blackPointerKunststoff, schwarzHousingStahlblech, verzinktpush on bezelStahlblech, vernickeltwindowLKF: Kunststoff Technical drawings Click the corresponding image for detail views, additional information and dimension tables. LKF - centre back connection adjustable Dimensions (mm) NG D d1 d2 d3 d4 l1 63 63 9 12 51 60 10 80 80 9 12 51 60 10 100 100 9 12 51 60 10