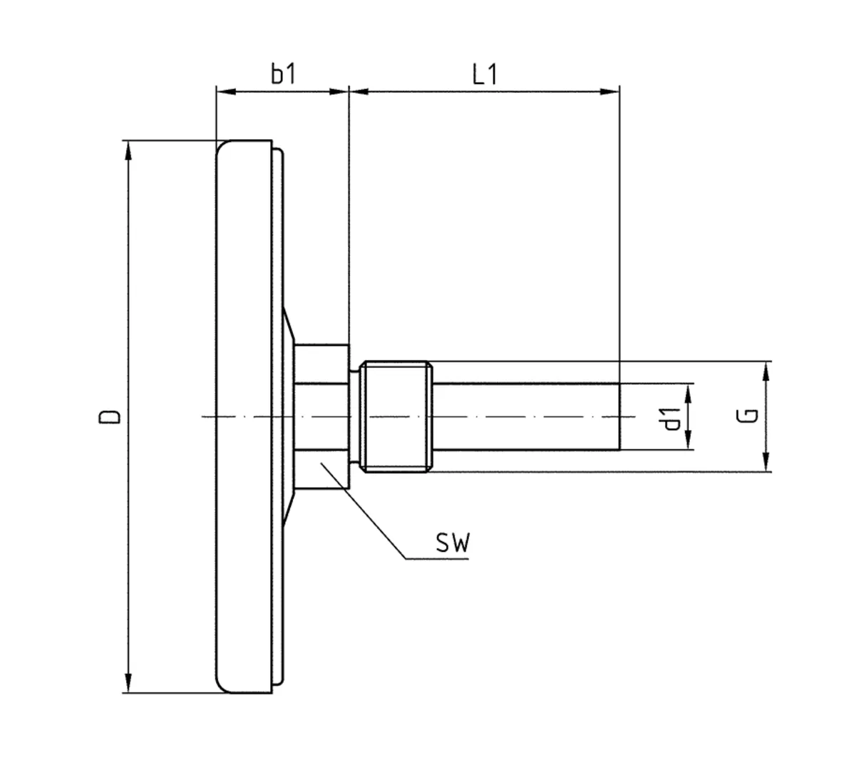
Products Our motto "Technology for Environmental Protection" has long been an inherent part of our product development philosophy and product range. We strive to improve the environment, to make processes which work with greater environmental compatibility and to avoid putting a strain on the environment. We offer you a multitude of innovative solutions, new products and smart concepts. More Informations Industries & Topics Industries & Topics Overview Fuel oil components Fuel oil components Overview Fast and clean oil filter change Avoiding fungal attacks in biofuel More performance with the sintered plastic sieve AFRISO Smart Home AFRISO Smart Home Overview Gateway HG 02 Products Products Overview AFRISOhome App Alexa Smart home applications Smart home applications Overview Leakage security Security Stand-alone applications Stand-alone applications Overview Getting started with AFRIShome Smart Home Craft 4.0 Craft 4.0 Overview OEM-Manifold systems Hydraulic Balancing Hydraulic Balancing Overview VarioQ Vario-DP Tank conversion Hygienic processes AFRISO Smart Home AFRISO Smart Home offers innovative solutions for intelligent home automation. With modern sensors and actuators, you can easily and conveniently control your home. More Informations Service-Center Service-Center Overview Service Contact persons Data exchange formats Catalogs Service-Center Flexible, cost-aware, on schedule, solution-oriented and fast – the AFRISO team always provides the decisive added value. More Informations Training & Events Training & Events Overview Exhibitions Exhibitions Overview SHK+E 2026, Essen IFH Intherm 2026, Nuremberg GET Nord 2026, Hamburg Schulungen & Trainings Schulungen & Trainings Overview Heizen mit flüssigen Brennstoffen Inhouse-Schulung - Heizen mit flüssigen Brennstoffen Inhouse-Schulung Heizölverbraucheranlagen Smart Home Experte Search Domestic technology Temperature measuring instruments for domestic technology BiTh 80 ST Images 4 BiTh 80 ST bimetal standard thermometer Variants Benefits ranges:-20/+60, 0/60, 0/120, 0/160 °Cbrass thermowellstem brass or aluminium Application Heating, plumbing Variants Technical data Technical drawings Variants Typehousing ⌀mounting positionRangeStem lengthTypeTypePart no.BiTh 80 ST80 mmcentre back-20/+60 °C40 mmBiTh 80 ST63955BiTh 80 ST80 mmcentre back-20/+60 °C63 mmBiTh 80 ST63956BiTh 80 ST80 mmcentre back-20/+60 °C100 mmBiTh 80 ST63957BiTh 80 ST80 mmcentre back-20/+60 °C150 mmBiTh 80 ST63958 in-stock items manufactured goods Technical data Nominal size80 - 80measuring elementBimetal helixaccuracy class2 (EN 13190)ranges °C-20/+60 °Capplication areaFull scale valueOperating pressure at thermowellmax. 6 bar Standard design ConnectionStem: brass or aluminium, ∅ 9 mmThermowell: G½B, brass or aluminium, ∅ 9 mmThermowell: (removable (with locking screw for 160 °C and higher))mounting positioncentre backDialUp to 120 °C: Plastic, white≥ 160 °C: Aluminium, whiteScaling blackPointerKunststoff, schwarzHousingStahlblech, verzinktpush on bezelStahlblech, vernickeltwindowKunststoff Technical drawings Click the corresponding image for detail views, additional information and dimension tables. Centre back connection Dimensions (mm) NG b1 D d1 G L1 SW 50 1850 12 G½B40 19/22 50 18 50 12 G½B 63 19/22 50 18 50 12 G½B 100 19/22 50 18 50 12 G½B 150 19/22 63 20 63 12 G½B 40 19/22 63 20 63 12 G½B 63 19/22 63 20 63 12 G½B 100 19/22 63 20 63 12 G½B 150 19/22 80 21 80 12 G½B 40 19/22 80 21 80 12 G½B 63 19/22 80 21 80 12 G½B 100 19/22 80 21 80 12 G½B 150 19/22 80 21 80 12 G½B 200 19/22 100 23,7 100 12 G½B 40 19/22 100 23,7 100 12 G½B 63 19/22 100 23,7 100 12 G½B 100 19/22 100 23,7 100 12 G½B 150 19/22 100 23,7 100 12 G½B 200 19/22 160 22 160 12 G½B 40 19/22 160 22 160 12 G½B 63 19/22 160 22 160 12 G½B 100 19/22 160 22 160 12 G½B 150 19/22 Related products
AFRISO Smart Home AFRISO Smart Home offers innovative solutions for intelligent home automation. With modern sensors and actuators, you can easily and conveniently control your home. More Informations Service-Center Service-Center Overview Service Contact persons Data exchange formats Catalogs Service-Center Flexible, cost-aware, on schedule, solution-oriented and fast – the AFRISO team always provides the decisive added value. More Informations Training & Events Training & Events Overview Exhibitions Exhibitions Overview SHK+E 2026, Essen IFH Intherm 2026, Nuremberg GET Nord 2026, Hamburg Schulungen & Trainings Schulungen & Trainings Overview Heizen mit flüssigen Brennstoffen Inhouse-Schulung - Heizen mit flüssigen Brennstoffen Inhouse-Schulung Heizölverbraucheranlagen Smart Home Experte Search
Service-Center Flexible, cost-aware, on schedule, solution-oriented and fast – the AFRISO team always provides the decisive added value. More Informations Training & Events Training & Events Overview Exhibitions Exhibitions Overview SHK+E 2026, Essen IFH Intherm 2026, Nuremberg GET Nord 2026, Hamburg Schulungen & Trainings Schulungen & Trainings Overview Heizen mit flüssigen Brennstoffen Inhouse-Schulung - Heizen mit flüssigen Brennstoffen Inhouse-Schulung Heizölverbraucheranlagen Smart Home Experte Search
Images 4 BiTh 80 ST bimetal standard thermometer Variants Benefits ranges:-20/+60, 0/60, 0/120, 0/160 °Cbrass thermowellstem brass or aluminium Application Heating, plumbing Variants Technical data Technical drawings Variants Typehousing ⌀mounting positionRangeStem lengthTypeTypePart no.BiTh 80 ST80 mmcentre back-20/+60 °C40 mmBiTh 80 ST63955BiTh 80 ST80 mmcentre back-20/+60 °C63 mmBiTh 80 ST63956BiTh 80 ST80 mmcentre back-20/+60 °C100 mmBiTh 80 ST63957BiTh 80 ST80 mmcentre back-20/+60 °C150 mmBiTh 80 ST63958 in-stock items manufactured goods Technical data Nominal size80 - 80measuring elementBimetal helixaccuracy class2 (EN 13190)ranges °C-20/+60 °Capplication areaFull scale valueOperating pressure at thermowellmax. 6 bar Standard design ConnectionStem: brass or aluminium, ∅ 9 mmThermowell: G½B, brass or aluminium, ∅ 9 mmThermowell: (removable (with locking screw for 160 °C and higher))mounting positioncentre backDialUp to 120 °C: Plastic, white≥ 160 °C: Aluminium, whiteScaling blackPointerKunststoff, schwarzHousingStahlblech, verzinktpush on bezelStahlblech, vernickeltwindowKunststoff Technical drawings Click the corresponding image for detail views, additional information and dimension tables. Centre back connection Dimensions (mm) NG b1 D d1 G L1 SW 50 1850 12 G½B40 19/22 50 18 50 12 G½B 63 19/22 50 18 50 12 G½B 100 19/22 50 18 50 12 G½B 150 19/22 63 20 63 12 G½B 40 19/22 63 20 63 12 G½B 63 19/22 63 20 63 12 G½B 100 19/22 63 20 63 12 G½B 150 19/22 80 21 80 12 G½B 40 19/22 80 21 80 12 G½B 63 19/22 80 21 80 12 G½B 100 19/22 80 21 80 12 G½B 150 19/22 80 21 80 12 G½B 200 19/22 100 23,7 100 12 G½B 40 19/22 100 23,7 100 12 G½B 63 19/22 100 23,7 100 12 G½B 100 19/22 100 23,7 100 12 G½B 150 19/22 100 23,7 100 12 G½B 200 19/22 160 22 160 12 G½B 40 19/22 160 22 160 12 G½B 63 19/22 160 22 160 12 G½B 100 19/22 160 22 160 12 G½B 150 19/22