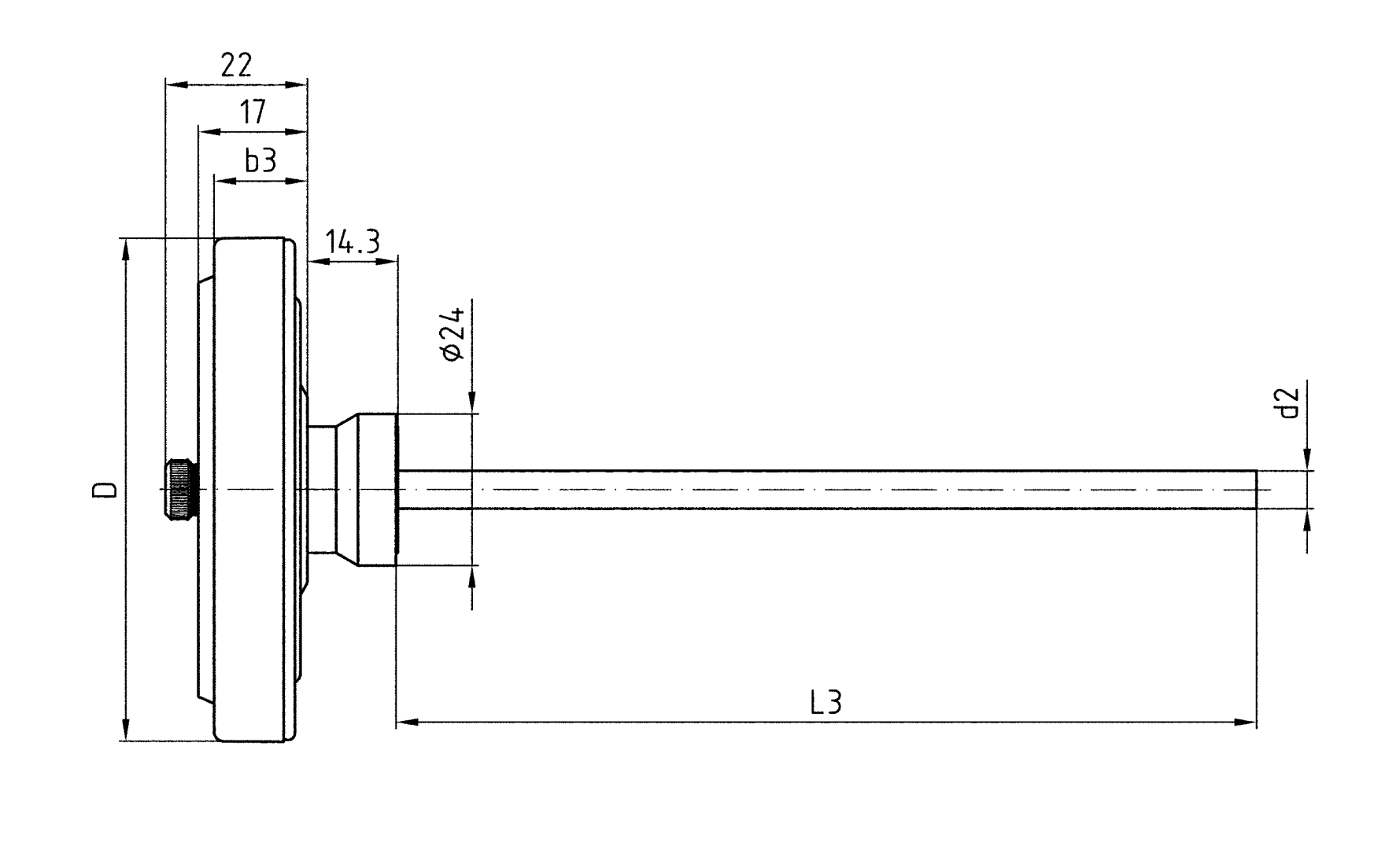
Products Our motto "Technology for Environmental Protection" has long been an inherent part of our product development philosophy and product range. We strive to improve the environment, to make processes which work with greater environmental compatibility and to avoid putting a strain on the environment. We offer you a multitude of innovative solutions, new products and smart concepts. More Informations Industries & Topics Industries & Topics Overview Fuel oil components Fuel oil components Overview Fast and clean oil filter change Avoiding fungal attacks in biofuel More performance with the sintered plastic sieve AFRISO Smart Home AFRISO Smart Home Overview Gateway HG 02 Products Products Overview AFRISOhome App Alexa Smart home applications Smart home applications Overview Leakage security Security Stand-alone applications Stand-alone applications Overview Getting started with AFRIShome Smart Home Craft 4.0 Craft 4.0 Overview OEM-Manifold systems Hydraulic Balancing Hydraulic Balancing Overview VarioQ Vario-DP Tank conversion Hygienic processes AFRISO Smart Home AFRISO Smart Home offers innovative solutions for intelligent home automation. With modern sensors and actuators, you can easily and conveniently control your home. More Informations Service-Center Service-Center Overview Service Contact persons Data exchange formats Catalogs Service-Center Flexible, cost-aware, on schedule, solution-oriented and fast – the AFRISO team always provides the decisive added value. More Informations Training & Events Training & Events Overview Exhibitions Exhibitions Overview SHK+E 2026, Essen IFH Intherm 2026, Nuremberg GET Nord 2026, Hamburg Schulungen & Trainings Schulungen & Trainings Overview Heizen mit flüssigen Brennstoffen Inhouse-Schulung - Heizen mit flüssigen Brennstoffen Inhouse-Schulung Heizölverbraucheranlagen Smart Home Experte Search Domestic technology Temperature measuring instruments for domestic technology RTC 80 Images 5 RTC 80 flue gas temperature controller Variants Application Flue gas temperature controller RTC for gas and oil-fired systems Variants Technical data Technical drawings Variants Typehousing ⌀RangeTypeTypePart no.RTC 8080 mm0/350 °CRTC 8063833RTC 8080 mm0/350 °CRTC 8063832 in-stock items manufactured goods Technical data Nominal size80 - 80measuring elementBimetal helixaccuracy class2 (EN 13190)Range0/350 °Capplication areaFull scale value Standard design ConnectionStem: Stainless steel 316 Lplain, with magnetic ring holdermounting positioncentre backDialAluminium, grauScaling blackwith green and red reference zonesPointerAluminium, schwarzwith additional maximum pointer, redHousingStahlblech, verzinktpush on bezelStahlblech, vernickeltwindowKunststoff Technical drawings Click the corresponding image for detail views, additional information and dimension tables. Centre back connection Dimensions (mm) NG b3 D d2 L3 80 15 80 6 86 80 15 80 6 136 Related products
AFRISO Smart Home AFRISO Smart Home offers innovative solutions for intelligent home automation. With modern sensors and actuators, you can easily and conveniently control your home. More Informations Service-Center Service-Center Overview Service Contact persons Data exchange formats Catalogs Service-Center Flexible, cost-aware, on schedule, solution-oriented and fast – the AFRISO team always provides the decisive added value. More Informations Training & Events Training & Events Overview Exhibitions Exhibitions Overview SHK+E 2026, Essen IFH Intherm 2026, Nuremberg GET Nord 2026, Hamburg Schulungen & Trainings Schulungen & Trainings Overview Heizen mit flüssigen Brennstoffen Inhouse-Schulung - Heizen mit flüssigen Brennstoffen Inhouse-Schulung Heizölverbraucheranlagen Smart Home Experte Search
Service-Center Flexible, cost-aware, on schedule, solution-oriented and fast – the AFRISO team always provides the decisive added value. More Informations Training & Events Training & Events Overview Exhibitions Exhibitions Overview SHK+E 2026, Essen IFH Intherm 2026, Nuremberg GET Nord 2026, Hamburg Schulungen & Trainings Schulungen & Trainings Overview Heizen mit flüssigen Brennstoffen Inhouse-Schulung - Heizen mit flüssigen Brennstoffen Inhouse-Schulung Heizölverbraucheranlagen Smart Home Experte Search
Images 5 RTC 80 flue gas temperature controller Variants Application Flue gas temperature controller RTC for gas and oil-fired systems Variants Technical data Technical drawings Variants Typehousing ⌀RangeTypeTypePart no.RTC 8080 mm0/350 °CRTC 8063833RTC 8080 mm0/350 °CRTC 8063832 in-stock items manufactured goods Technical data Nominal size80 - 80measuring elementBimetal helixaccuracy class2 (EN 13190)Range0/350 °Capplication areaFull scale value Standard design ConnectionStem: Stainless steel 316 Lplain, with magnetic ring holdermounting positioncentre backDialAluminium, grauScaling blackwith green and red reference zonesPointerAluminium, schwarzwith additional maximum pointer, redHousingStahlblech, verzinktpush on bezelStahlblech, vernickeltwindowKunststoff Technical drawings Click the corresponding image for detail views, additional information and dimension tables. Centre back connection Dimensions (mm) NG b3 D d2 L3 80 15 80 6 86 80 15 80 6 136