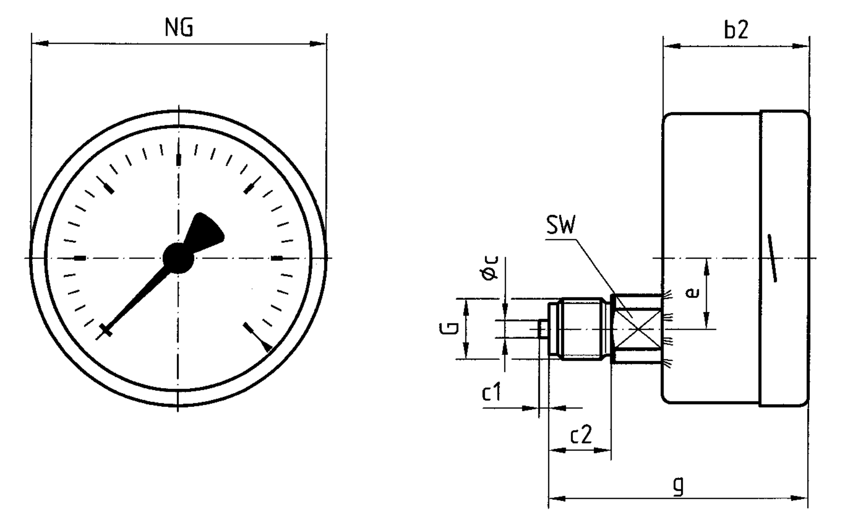
Products Our motto "Technology for Environmental Protection" has long been an inherent part of our product development philosophy and product range. We strive to improve the environment, to make processes which work with greater environmental compatibility and to avoid putting a strain on the environment. We offer you a multitude of innovative solutions, new products and smart concepts. More Informations Industries & Topics Industries & Topics Overview Fuel oil components Fuel oil components Overview Fast and clean oil filter change Avoiding fungal attacks in biofuel More performance with the sintered plastic sieve AFRISO Smart Home AFRISO Smart Home Overview Gateway HG 02 Products Products Overview AFRISOhome App Alexa Smart home applications Smart home applications Overview Leakage security Security Stand-alone applications Stand-alone applications Overview Getting started with AFRIShome Smart Home Craft 4.0 Craft 4.0 Overview OEM-Manifold systems Hydraulic Balancing Hydraulic Balancing Overview Vario-DP Tank conversion Hygienic processes AFRISO Smart Home AFRISO Smart Home offers innovative solutions for intelligent home automation. With modern sensors and actuators, you can easily and conveniently control your home. More Informations Service-Center Service-Center Overview Service Contact persons Data exchange formats Catalogs Service-Center Flexible, cost-aware, on schedule, solution-oriented and fast – the AFRISO team always provides the decisive added value. More Informations Training & Events Training & Events Overview Exhibitions Exhibitions Overview SHK+E 2026, Essen IFH Intherm 2026, Nuremberg GET Nord 2026, Hamburg Schulungen & Trainings Schulungen & Trainings Overview Heizen mit flüssigen Brennstoffen Inhouse-Schulung - Heizen mit flüssigen Brennstoffen Inhouse-Schulung Heizölverbraucheranlagen Smart Home Experte Search Industrial technology Mechanical pressure measuring instruments RF100Ch D412 Images 2 RF100Ch D412 Rohrfeder-Chemiemanometer Typ D4 Variants Documents Info housing ⌀ (nominal size)100 mmConnectionG½Balignmentbottom backaccuracy class1,0standardEN 837-1 Benefits for chemical and process engineering applicationsmeasuring system fully welded to housingextremely robust designfor temperatures of the medium of up to 200 °Ctightness-tested with heliumDNV- and GOSSTANDART-certifiedEx version (optional) Application For corrosive gaseous and liquid media which are not highly viscous and do not crystallise; suitable for corrosive environments.! For measuring gas or vapour, observe the table "Selection Criteria as per EN 837-2"! Variants Technical data Technical drawings Downloads Variants RangeMounting typeTypePart number-1/0 bardirectRF100Ch D41285201412-1/0.6 bardirectRF100Ch D41285202412-1/+1.5 bardirectRF100Ch D41285203412-1/+3 bardirectRF100Ch D41285204412-1/+5 bardirectRF100Ch D41285205412-1/+9 bardirectRF100Ch D41285206412-1/+15 bardirectRF100Ch D412852074120/0.6 bardirectRF100Ch D412852094120/1 bardirectRF100Ch D412852104120/1.6 bardirectRF100Ch D412852114120/2.5 bardirectRF100Ch D412852124120/4 bardirectRF100Ch D412852134120/6 bardirectRF100Ch D412852144120/10 bardirectRF100Ch D412852154120/16 bardirectRF100Ch D412852164120/25 bardirectRF100Ch D412852174120/40 bardirectRF100Ch D412852184120/60 bardirectRF100Ch D412852194120/100 bardirectRF100Ch D412852204120/160 bardirectRF100Ch D412852214120/250 bardirectRF100Ch D412852224120/400 bardirectRF100Ch D412852234120/600 bardirectRF100Ch D412852244120/1 000 bardirectRF100Ch D41285225412 in-stock items manufactured goods Technical data TypeD4Nominal size100 - 100accuracy class (EN 837-1/6)1,0ranges (EN 837-1/5)see ordering tableApplication area NG100/160static load≤ 600 bar: Full scale value> 600 bar: ¾ x full scale valuedynamic load≤ 600 bar: 0.9 x full scale value> 600 bar: ⅔ x full scale valueshort-term≤ 600 bar: 1.3 x full scale value> 600 bar: Full scale valueOperating temperature rangeMedium: max. 200 °CAmbient: -20/+60 °CTemperature performanceIndication error when the temperature of the measuring system deviates from the normal temperature of 20 °C:bei Temperaturzunahme ca. ± 0,4 %/10 K,falling temperature approx. ± 0.4 %/10 Kvom jeweiligen SkalenendwertDegree of protectionIP 54 (EN 60529) with housing vent (≤ 25 bar) Standard design ConnectionStainless steel 316 L, bottom backG½B, SW22 (EN 837-1/7.3)Measuring elementBourdon tube, stainless steel 316 Ti/316 L≤ 60 bar: "C" type tube> 60 bar: helical tubetightness-tested with heliummovementStainless steelDialAluminium, weißScaling blackPointerAluminium, schwarzHousingEdelstahl 304, with blow-outbayonet bezelEdelstahl 304windowSicherheitsverbundglas Technical drawings Click the corresponding image for detail views, additional information and dimension tables. bottom back connection Dimensions (mm) NG b2∅c c1 c2 e G g SW 10049 6 3 20 34,5 G½B 83 22 160 50 6 3 20 34,5 G½B 84 22 Downloads ATEX Bescheinigung Manometer Certificates / DIBt approvals Industrial technology PDF English German Rohrfeder-Manometer Catalogue options Domestic Technology PDF English German AFRISO_EU-KONFORMITAETSERKLAERUNG_DRUCKGERAETE_DE.PDF Industrial technology PDF Download Montage Manometer Manuals Industrial technology PDF Download Rohrfeder-, Kapselfeder-, Plattenfeder-, Membranfedermanometer für Differenzdruck Manuals Industrial technology PDF Ukrainian German German RF100CH_D412_852XX412.STP STEP 3D Modell Industrial technology STP Download Related products
AFRISO Smart Home AFRISO Smart Home offers innovative solutions for intelligent home automation. With modern sensors and actuators, you can easily and conveniently control your home. More Informations Service-Center Service-Center Overview Service Contact persons Data exchange formats Catalogs Service-Center Flexible, cost-aware, on schedule, solution-oriented and fast – the AFRISO team always provides the decisive added value. More Informations Training & Events Training & Events Overview Exhibitions Exhibitions Overview SHK+E 2026, Essen IFH Intherm 2026, Nuremberg GET Nord 2026, Hamburg Schulungen & Trainings Schulungen & Trainings Overview Heizen mit flüssigen Brennstoffen Inhouse-Schulung - Heizen mit flüssigen Brennstoffen Inhouse-Schulung Heizölverbraucheranlagen Smart Home Experte Search
Service-Center Flexible, cost-aware, on schedule, solution-oriented and fast – the AFRISO team always provides the decisive added value. More Informations Training & Events Training & Events Overview Exhibitions Exhibitions Overview SHK+E 2026, Essen IFH Intherm 2026, Nuremberg GET Nord 2026, Hamburg Schulungen & Trainings Schulungen & Trainings Overview Heizen mit flüssigen Brennstoffen Inhouse-Schulung - Heizen mit flüssigen Brennstoffen Inhouse-Schulung Heizölverbraucheranlagen Smart Home Experte Search
Images 2 RF100Ch D412 Rohrfeder-Chemiemanometer Typ D4 Variants Documents Info housing ⌀ (nominal size)100 mmConnectionG½Balignmentbottom backaccuracy class1,0standardEN 837-1 Benefits for chemical and process engineering applicationsmeasuring system fully welded to housingextremely robust designfor temperatures of the medium of up to 200 °Ctightness-tested with heliumDNV- and GOSSTANDART-certifiedEx version (optional) Application For corrosive gaseous and liquid media which are not highly viscous and do not crystallise; suitable for corrosive environments.! For measuring gas or vapour, observe the table "Selection Criteria as per EN 837-2"! Variants Technical data Technical drawings Downloads Variants RangeMounting typeTypePart number-1/0 bardirectRF100Ch D41285201412-1/0.6 bardirectRF100Ch D41285202412-1/+1.5 bardirectRF100Ch D41285203412-1/+3 bardirectRF100Ch D41285204412-1/+5 bardirectRF100Ch D41285205412-1/+9 bardirectRF100Ch D41285206412-1/+15 bardirectRF100Ch D412852074120/0.6 bardirectRF100Ch D412852094120/1 bardirectRF100Ch D412852104120/1.6 bardirectRF100Ch D412852114120/2.5 bardirectRF100Ch D412852124120/4 bardirectRF100Ch D412852134120/6 bardirectRF100Ch D412852144120/10 bardirectRF100Ch D412852154120/16 bardirectRF100Ch D412852164120/25 bardirectRF100Ch D412852174120/40 bardirectRF100Ch D412852184120/60 bardirectRF100Ch D412852194120/100 bardirectRF100Ch D412852204120/160 bardirectRF100Ch D412852214120/250 bardirectRF100Ch D412852224120/400 bardirectRF100Ch D412852234120/600 bardirectRF100Ch D412852244120/1 000 bardirectRF100Ch D41285225412 in-stock items manufactured goods Technical data TypeD4Nominal size100 - 100accuracy class (EN 837-1/6)1,0ranges (EN 837-1/5)see ordering tableApplication area NG100/160static load≤ 600 bar: Full scale value> 600 bar: ¾ x full scale valuedynamic load≤ 600 bar: 0.9 x full scale value> 600 bar: ⅔ x full scale valueshort-term≤ 600 bar: 1.3 x full scale value> 600 bar: Full scale valueOperating temperature rangeMedium: max. 200 °CAmbient: -20/+60 °CTemperature performanceIndication error when the temperature of the measuring system deviates from the normal temperature of 20 °C:bei Temperaturzunahme ca. ± 0,4 %/10 K,falling temperature approx. ± 0.4 %/10 Kvom jeweiligen SkalenendwertDegree of protectionIP 54 (EN 60529) with housing vent (≤ 25 bar) Standard design ConnectionStainless steel 316 L, bottom backG½B, SW22 (EN 837-1/7.3)Measuring elementBourdon tube, stainless steel 316 Ti/316 L≤ 60 bar: "C" type tube> 60 bar: helical tubetightness-tested with heliummovementStainless steelDialAluminium, weißScaling blackPointerAluminium, schwarzHousingEdelstahl 304, with blow-outbayonet bezelEdelstahl 304windowSicherheitsverbundglas Technical drawings Click the corresponding image for detail views, additional information and dimension tables. bottom back connection Dimensions (mm) NG b2∅c c1 c2 e G g SW 10049 6 3 20 34,5 G½B 83 22 160 50 6 3 20 34,5 G½B 84 22 Downloads ATEX Bescheinigung Manometer Certificates / DIBt approvals Industrial technology PDF English German Rohrfeder-Manometer Catalogue options Domestic Technology PDF English German AFRISO_EU-KONFORMITAETSERKLAERUNG_DRUCKGERAETE_DE.PDF Industrial technology PDF Download Montage Manometer Manuals Industrial technology PDF Download Rohrfeder-, Kapselfeder-, Plattenfeder-, Membranfedermanometer für Differenzdruck Manuals Industrial technology PDF Ukrainian German German RF100CH_D412_852XX412.STP STEP 3D Modell Industrial technology STP Download
Rohrfeder-, Kapselfeder-, Plattenfeder-, Membranfedermanometer für Differenzdruck Manuals Industrial technology PDF Ukrainian German German