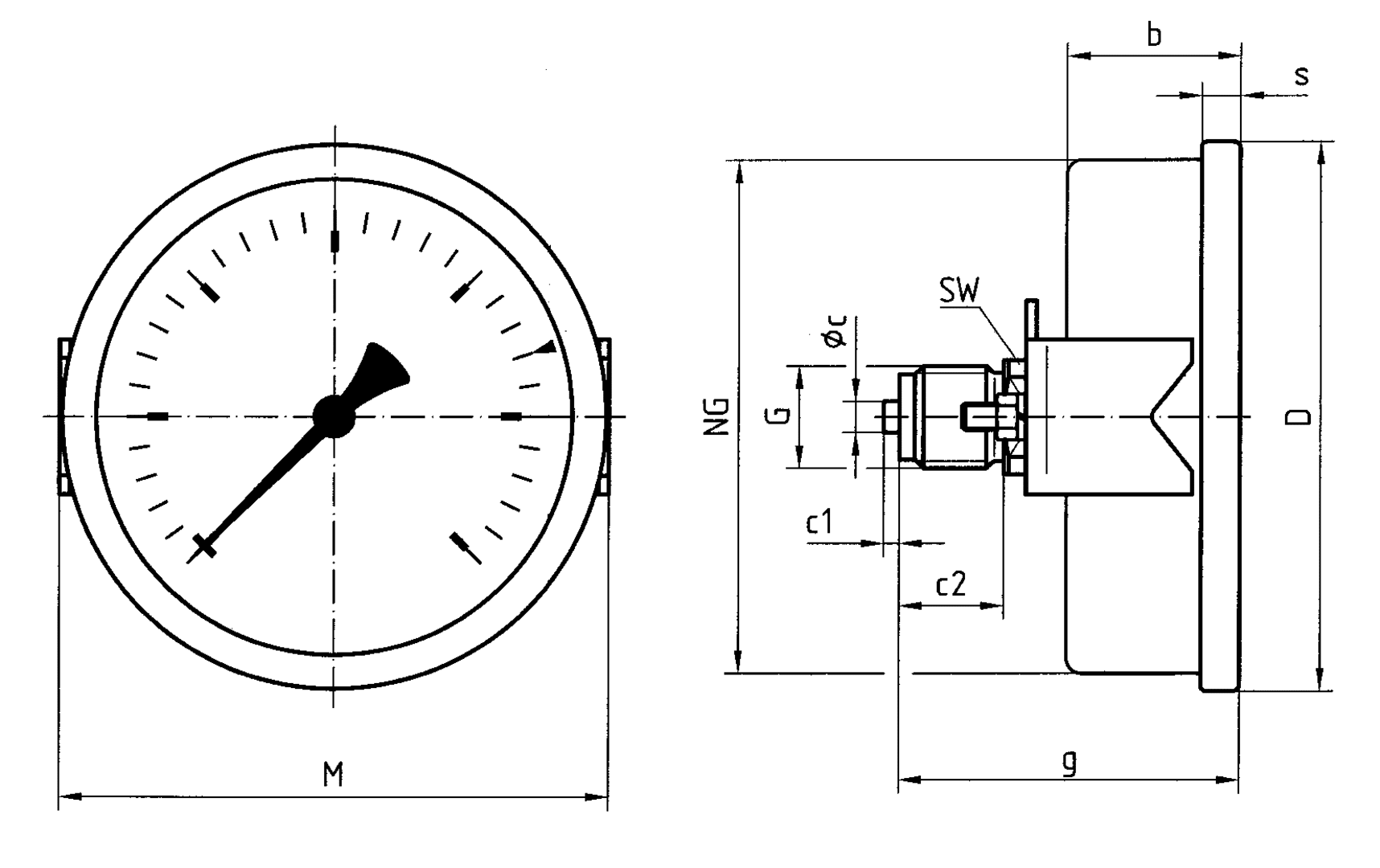
Products Our motto "Technology for Environmental Protection" has long been an inherent part of our product development philosophy and product range. We strive to improve the environment, to make processes which work with greater environmental compatibility and to avoid putting a strain on the environment. We offer you a multitude of innovative solutions, new products and smart concepts. More Informations Industries & Topics Industries & Topics Overview Fuel oil components Fuel oil components Overview Fast and clean oil filter change Avoiding fungal attacks in biofuel More performance with the sintered plastic sieve AFRISO Smart Home AFRISO Smart Home Overview Gateway HG 02 Products Products Overview AFRISOhome App Alexa Smart home applications Smart home applications Overview Leakage security Security Stand-alone applications Stand-alone applications Overview Getting started with AFRIShome Smart Home Craft 4.0 Craft 4.0 Overview OEM-Manifold systems Hydraulic Balancing Hydraulic Balancing Overview VarioQ Vario-DP Tank conversion Hygienic processes AFRISO Smart Home AFRISO Smart Home offers innovative solutions for intelligent home automation. With modern sensors and actuators, you can easily and conveniently control your home. More Informations Service-Center Service-Center Overview Service Contact persons Data exchange formats Catalogs Service-Center Flexible, cost-aware, on schedule, solution-oriented and fast – the AFRISO team always provides the decisive added value. More Informations Training & Events Training & Events Overview Exhibitions Exhibitions Overview SHK+E 2026, Essen IFH Intherm 2026, Nuremberg GET Nord 2026, Hamburg Schulungen & Trainings Schulungen & Trainings Overview Heizen mit flüssigen Brennstoffen Inhouse-Schulung - Heizen mit flüssigen Brennstoffen Inhouse-Schulung Heizölverbraucheranlagen Smart Home Experte Search Industrial technology Mechanical pressure measuring instruments RF100Gly D751 Images 6 RF100Gly D751 Rohrfeder-Glyzerinmanometer Typ D7 Variants Documents Info housing ⌀ (nominal size)100 mmConnectionG½Balignmentcentre backaccuracy class1,6standardEN 837-1 Benefits robust stainless steel housingcan be used in case of heavy vibrations and high, dynamic pressure loadslonger service life due to less wear and corrosion protection of the measuring systemNo steaming up of the inside of the window in case of outdoor applications Application For gaseous and liquid media which are not highly viscous, do not crystallise and do not attack copper alloys. For measurements in areas with high vibration levels and high, dynamic pressure loads. Variants Technical data Technical drawings Downloads Variants RangeMounting typeTypePart number-1/0 barclamp fixingRF100Gly D75185201751-1/0.6 barclamp fixingRF100Gly D75185202751-1/+1.5 barclamp fixingRF100Gly D75185203751-1/+3 barclamp fixingRF100Gly D75185204751-1/+5 barclamp fixingRF100Gly D75185205751-1/+9 barclamp fixingRF100Gly D75185206751-1/+15 barclamp fixingRF100Gly D751852077510/1 barclamp fixingRF100Gly D751852107510/1.6 barclamp fixingRF100Gly D751852117510/2.5 barclamp fixingRF100Gly D751852127510/4 barclamp fixingRF100Gly D751852137510/6 barclamp fixingRF100Gly D751852147510/10 barclamp fixingRF100Gly D751852157510/16 barclamp fixingRF100Gly D751852167510/25 barclamp fixingRF100Gly D751852177510/40 barclamp fixingRF100Gly D751852187510/60 barclamp fixingRF100Gly D751852197510/100 barclamp fixingRF100Gly D751852207510/160 barclamp fixingRF100Gly D751852217510/250 barclamp fixingRF100Gly D751852227510/400 barclamp fixingRF100Gly D75185223751 in-stock items manufactured goods Technical data TypeD7Nominal size100 - 100accuracy class (EN 837-1/6)1,6ranges (EN 837-1/5)see ordering tableapplication areastatic load: ¾ x full scale valuedynamic load: ⅔ x full scale valueshort-term: Full scale valueOperating temperature rangeMedium: max. 60 °CAmbient: -20/+60 °CDegree of protectionIP 54 (EN 60529) with housing vent (≤ 25 bar) Standard design ConnectionBrass, centre backMeasuring elementBourdon tube≤ 60 bar: "C" type tube> 60 bar: helical tubemovementBrassDialAluminium, weißScaling: blackRF100Gly: Aluminium, schwarzHousingEdelstahl 304, with blow-outcrimped bezelEdelstahl 304windowKunststofffilling liquidglycerine (99.5 %) Technical drawings Click the corresponding image for detail views, additional information and dimension tables. NG 100 – centre back connection, with clamp fixing Dimensions (mm) NG b∅c c1 c2 D g G M s SW 80 Ms ax 33,5 5 2 13 85 56,5 G¼B 82 7 14 80 VA ax 33,5 5 2 13 85 59 G¼B 82 7 14 100 Ms 33,5 6 3 20 106 65,5 G½B 106 7 22 100 VA 33,5 6 3 20 106 76,5 G½B 106 7 22 Downloads Rohrfeder-Manometer Domestic Technology PDF English German AFRISO_EU-KONFORMITAETSERKLAERUNG_DRUCKGERAETE_DE.PDF Industrial technology PDF Download Montage Manometer Manuals Industrial technology PDF Download Rohrfeder-, Kapselfeder-, Plattenfeder-, Membranfedermanometer für Differenzdruck Manuals Industrial technology PDF Ukrainian German German RF100GLY_D751_853XX751.STP STEP 3D Modell Industrial technology STP Download Related products
AFRISO Smart Home AFRISO Smart Home offers innovative solutions for intelligent home automation. With modern sensors and actuators, you can easily and conveniently control your home. More Informations Service-Center Service-Center Overview Service Contact persons Data exchange formats Catalogs Service-Center Flexible, cost-aware, on schedule, solution-oriented and fast – the AFRISO team always provides the decisive added value. More Informations Training & Events Training & Events Overview Exhibitions Exhibitions Overview SHK+E 2026, Essen IFH Intherm 2026, Nuremberg GET Nord 2026, Hamburg Schulungen & Trainings Schulungen & Trainings Overview Heizen mit flüssigen Brennstoffen Inhouse-Schulung - Heizen mit flüssigen Brennstoffen Inhouse-Schulung Heizölverbraucheranlagen Smart Home Experte Search
Service-Center Flexible, cost-aware, on schedule, solution-oriented and fast – the AFRISO team always provides the decisive added value. More Informations Training & Events Training & Events Overview Exhibitions Exhibitions Overview SHK+E 2026, Essen IFH Intherm 2026, Nuremberg GET Nord 2026, Hamburg Schulungen & Trainings Schulungen & Trainings Overview Heizen mit flüssigen Brennstoffen Inhouse-Schulung - Heizen mit flüssigen Brennstoffen Inhouse-Schulung Heizölverbraucheranlagen Smart Home Experte Search
Images 6 RF100Gly D751 Rohrfeder-Glyzerinmanometer Typ D7 Variants Documents Info housing ⌀ (nominal size)100 mmConnectionG½Balignmentcentre backaccuracy class1,6standardEN 837-1 Benefits robust stainless steel housingcan be used in case of heavy vibrations and high, dynamic pressure loadslonger service life due to less wear and corrosion protection of the measuring systemNo steaming up of the inside of the window in case of outdoor applications Application For gaseous and liquid media which are not highly viscous, do not crystallise and do not attack copper alloys. For measurements in areas with high vibration levels and high, dynamic pressure loads. Variants Technical data Technical drawings Downloads Variants RangeMounting typeTypePart number-1/0 barclamp fixingRF100Gly D75185201751-1/0.6 barclamp fixingRF100Gly D75185202751-1/+1.5 barclamp fixingRF100Gly D75185203751-1/+3 barclamp fixingRF100Gly D75185204751-1/+5 barclamp fixingRF100Gly D75185205751-1/+9 barclamp fixingRF100Gly D75185206751-1/+15 barclamp fixingRF100Gly D751852077510/1 barclamp fixingRF100Gly D751852107510/1.6 barclamp fixingRF100Gly D751852117510/2.5 barclamp fixingRF100Gly D751852127510/4 barclamp fixingRF100Gly D751852137510/6 barclamp fixingRF100Gly D751852147510/10 barclamp fixingRF100Gly D751852157510/16 barclamp fixingRF100Gly D751852167510/25 barclamp fixingRF100Gly D751852177510/40 barclamp fixingRF100Gly D751852187510/60 barclamp fixingRF100Gly D751852197510/100 barclamp fixingRF100Gly D751852207510/160 barclamp fixingRF100Gly D751852217510/250 barclamp fixingRF100Gly D751852227510/400 barclamp fixingRF100Gly D75185223751 in-stock items manufactured goods Technical data TypeD7Nominal size100 - 100accuracy class (EN 837-1/6)1,6ranges (EN 837-1/5)see ordering tableapplication areastatic load: ¾ x full scale valuedynamic load: ⅔ x full scale valueshort-term: Full scale valueOperating temperature rangeMedium: max. 60 °CAmbient: -20/+60 °CDegree of protectionIP 54 (EN 60529) with housing vent (≤ 25 bar) Standard design ConnectionBrass, centre backMeasuring elementBourdon tube≤ 60 bar: "C" type tube> 60 bar: helical tubemovementBrassDialAluminium, weißScaling: blackRF100Gly: Aluminium, schwarzHousingEdelstahl 304, with blow-outcrimped bezelEdelstahl 304windowKunststofffilling liquidglycerine (99.5 %) Technical drawings Click the corresponding image for detail views, additional information and dimension tables. NG 100 – centre back connection, with clamp fixing Dimensions (mm) NG b∅c c1 c2 D g G M s SW 80 Ms ax 33,5 5 2 13 85 56,5 G¼B 82 7 14 80 VA ax 33,5 5 2 13 85 59 G¼B 82 7 14 100 Ms 33,5 6 3 20 106 65,5 G½B 106 7 22 100 VA 33,5 6 3 20 106 76,5 G½B 106 7 22 Downloads Rohrfeder-Manometer Domestic Technology PDF English German AFRISO_EU-KONFORMITAETSERKLAERUNG_DRUCKGERAETE_DE.PDF Industrial technology PDF Download Montage Manometer Manuals Industrial technology PDF Download Rohrfeder-, Kapselfeder-, Plattenfeder-, Membranfedermanometer für Differenzdruck Manuals Industrial technology PDF Ukrainian German German RF100GLY_D751_853XX751.STP STEP 3D Modell Industrial technology STP Download
Rohrfeder-, Kapselfeder-, Plattenfeder-, Membranfedermanometer für Differenzdruck Manuals Industrial technology PDF Ukrainian German German