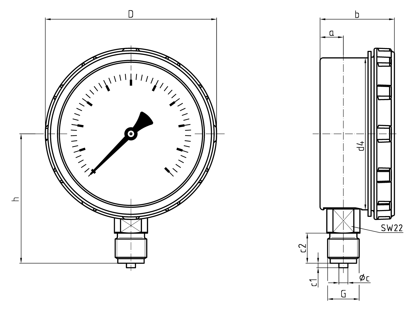
Products Our motto "Technology for Environmental Protection" has long been an inherent part of our product development philosophy and product range. We strive to improve the environment, to make processes which work with greater environmental compatibility and to avoid putting a strain on the environment. We offer you a multitude of innovative solutions, new products and smart concepts. More Informations Industries & Topics Industries & Topics Overview Fuel oil components Fuel oil components Overview Fast and clean oil filter change Avoiding fungal attacks in biofuel More performance with the sintered plastic sieve AFRISO Smart Home AFRISO Smart Home Overview Gateway HG 02 Products Products Overview AFRISOhome App Alexa Smart home applications Smart home applications Overview Leakage security Security Stand-alone applications Stand-alone applications Overview Getting started with AFRIShome Smart Home Craft 4.0 Craft 4.0 Overview OEM-Manifold systems Hydraulic Balancing Hydraulic Balancing Overview VarioQ Vario-DP Tank conversion Hygienic processes AFRISO Smart Home AFRISO Smart Home offers innovative solutions for intelligent home automation. With modern sensors and actuators, you can easily and conveniently control your home. More Informations Service-Center Service-Center Overview Service Contact persons Data exchange formats Catalogs Service-Center Flexible, cost-aware, on schedule, solution-oriented and fast – the AFRISO team always provides the decisive added value. More Informations Training & Events Training & Events Overview Exhibitions Exhibitions Overview SHK+E 2026, Essen IFH Intherm 2026, Nuremberg GET Nord 2026, Hamburg Schulungen & Trainings Schulungen & Trainings Overview Heizen mit flüssigen Brennstoffen Inhouse-Schulung - Heizen mit flüssigen Brennstoffen Inhouse-Schulung Heizölverbraucheranlagen Smart Home Experte Search Industrial technology Mechanical pressure measuring instruments RF100ISR D101 Images 5 RF100ISR D101 Rohrfeder-Manometer mit Schraubringgehäuse Typ D1 Variants Documents Info housing ⌀ (nominal size)100 mmConnectionG½Balignmentbottomaccuracy class1,0standardEN 837-1 Benefits for machine and plant engineeringextremely robust plastic housing (PA 6.6 GB30)laminated safety glass windowhigher accuracy class optional Application For gaseous and liquid media which are not highly viscous, do not crystallise and do not attack copper alloys. For high measuring accuracy.! For measuring gas or vapour, observe the table "Selection Criteria as per EN 837-2" Variants Technical data Technical drawings Downloads Variants RangeMounting typeTypePart number-1/0 bardirectRF100ISR D10185301101-1/0.6 bardirectRF100ISR D10185302101-1/+1.5 bardirectRF100ISR D10185303101-1/+3 bardirectRF100ISR D10185304101-1/+5 bardirectRF100ISR D10185305101-1/+9 bardirectRF100ISR D10185306101-1/+15 bardirectRF100ISR D101853071010/0.6 bardirectRF100ISR D101853091010/1 bardirectRF100ISR D101853101010/1.6 bardirectRF100ISR D101853111010/2.5 bardirectRF100ISR D101853121010/4 bardirectRF100ISR D101853131010/6 bardirectRF100ISR D101853141010/10 bardirectRF100ISR D101853151010/16 bardirectRF100ISR D101853161010/25 bardirectRF100ISR D101853171010/40 bardirectRF100ISR D101853181010/60 bardirectRF100ISR D101853191010/100 bardirectRF100ISR D101853201010/160 bardirectRF100ISR D101853211010/250 bardirectRF100ISR D101853221010/400 bardirectRF100ISR D101853231010/600 bardirectRF100ISR D101853241010/1 000 bardirectRF100ISR D10185325101 in-stock items manufactured goods Technical data TypeD1Nominal size100 - 100accuracy class (EN 837-1/6)1,0ranges (EN 837-1/5)see ordering tableapplication areastatic load≤ 600 bar: Full scale value> 600 bar: ¾ x full scale valuedynamic load≤ 600 bar: 0.9 x full scale value> 600 bar: ⅔ x full scale valueshort-term≤ 600 bar: 1.3 x full scale value> 600 bar: Full scale valueOperating temperature rangeMedium: max. 60 °CAmbient: -20/+60 °CTemperature performanceIndication error when the temperature of the measuring system deviates from the normal temperature of 20 °C:bei Temperaturzunahme ca. ± 0,4 %/10 K,falling temperature approx. ± 0.4 %/10 Kvom jeweiligen SkalenendwertDegree of protectionIP 54 (EN 60529) with housing vent (≤ 25 bar) Standard design ConnectionBrass, bottomMeasuring elementBourdon tube≤ 60 bar: "C" type tube, Copper alloy> 60 bar: helical tube, stainless steel 316 Ti/316 LmovementBrassDialAluminium, weißScaling blackPointerAluminium, schwarzHousingKunststoff (PA 6.6 GB30), with blow-outScrew type bezelKunststoff (PA 6.6 GB30)windowSicherheitsverbundglas Technical drawings Click the corresponding image for detail views, additional information and dimension tables. Bottom connection Dimensions (mm) NG a b∅c c1 c2 d4D G h 100 15,5 50 6 3 20 101 114 G½B 86 Downloads AFRISO_EU-KONFORMITAETSERKLAERUNG_DRUCKGERAETE_DE.PDF Industrial technology PDF Download Montage Manometer Manuals Industrial technology PDF Download Rohrfeder-, Kapselfeder-, Plattenfeder-, Membranfedermanometer für Differenzdruck Manuals Industrial technology PDF Ukrainian German German Related products
AFRISO Smart Home AFRISO Smart Home offers innovative solutions for intelligent home automation. With modern sensors and actuators, you can easily and conveniently control your home. More Informations Service-Center Service-Center Overview Service Contact persons Data exchange formats Catalogs Service-Center Flexible, cost-aware, on schedule, solution-oriented and fast – the AFRISO team always provides the decisive added value. More Informations Training & Events Training & Events Overview Exhibitions Exhibitions Overview SHK+E 2026, Essen IFH Intherm 2026, Nuremberg GET Nord 2026, Hamburg Schulungen & Trainings Schulungen & Trainings Overview Heizen mit flüssigen Brennstoffen Inhouse-Schulung - Heizen mit flüssigen Brennstoffen Inhouse-Schulung Heizölverbraucheranlagen Smart Home Experte Search
Service-Center Flexible, cost-aware, on schedule, solution-oriented and fast – the AFRISO team always provides the decisive added value. More Informations Training & Events Training & Events Overview Exhibitions Exhibitions Overview SHK+E 2026, Essen IFH Intherm 2026, Nuremberg GET Nord 2026, Hamburg Schulungen & Trainings Schulungen & Trainings Overview Heizen mit flüssigen Brennstoffen Inhouse-Schulung - Heizen mit flüssigen Brennstoffen Inhouse-Schulung Heizölverbraucheranlagen Smart Home Experte Search
Images 5 RF100ISR D101 Rohrfeder-Manometer mit Schraubringgehäuse Typ D1 Variants Documents Info housing ⌀ (nominal size)100 mmConnectionG½Balignmentbottomaccuracy class1,0standardEN 837-1 Benefits for machine and plant engineeringextremely robust plastic housing (PA 6.6 GB30)laminated safety glass windowhigher accuracy class optional Application For gaseous and liquid media which are not highly viscous, do not crystallise and do not attack copper alloys. For high measuring accuracy.! For measuring gas or vapour, observe the table "Selection Criteria as per EN 837-2" Variants Technical data Technical drawings Downloads Variants RangeMounting typeTypePart number-1/0 bardirectRF100ISR D10185301101-1/0.6 bardirectRF100ISR D10185302101-1/+1.5 bardirectRF100ISR D10185303101-1/+3 bardirectRF100ISR D10185304101-1/+5 bardirectRF100ISR D10185305101-1/+9 bardirectRF100ISR D10185306101-1/+15 bardirectRF100ISR D101853071010/0.6 bardirectRF100ISR D101853091010/1 bardirectRF100ISR D101853101010/1.6 bardirectRF100ISR D101853111010/2.5 bardirectRF100ISR D101853121010/4 bardirectRF100ISR D101853131010/6 bardirectRF100ISR D101853141010/10 bardirectRF100ISR D101853151010/16 bardirectRF100ISR D101853161010/25 bardirectRF100ISR D101853171010/40 bardirectRF100ISR D101853181010/60 bardirectRF100ISR D101853191010/100 bardirectRF100ISR D101853201010/160 bardirectRF100ISR D101853211010/250 bardirectRF100ISR D101853221010/400 bardirectRF100ISR D101853231010/600 bardirectRF100ISR D101853241010/1 000 bardirectRF100ISR D10185325101 in-stock items manufactured goods Technical data TypeD1Nominal size100 - 100accuracy class (EN 837-1/6)1,0ranges (EN 837-1/5)see ordering tableapplication areastatic load≤ 600 bar: Full scale value> 600 bar: ¾ x full scale valuedynamic load≤ 600 bar: 0.9 x full scale value> 600 bar: ⅔ x full scale valueshort-term≤ 600 bar: 1.3 x full scale value> 600 bar: Full scale valueOperating temperature rangeMedium: max. 60 °CAmbient: -20/+60 °CTemperature performanceIndication error when the temperature of the measuring system deviates from the normal temperature of 20 °C:bei Temperaturzunahme ca. ± 0,4 %/10 K,falling temperature approx. ± 0.4 %/10 Kvom jeweiligen SkalenendwertDegree of protectionIP 54 (EN 60529) with housing vent (≤ 25 bar) Standard design ConnectionBrass, bottomMeasuring elementBourdon tube≤ 60 bar: "C" type tube, Copper alloy> 60 bar: helical tube, stainless steel 316 Ti/316 LmovementBrassDialAluminium, weißScaling blackPointerAluminium, schwarzHousingKunststoff (PA 6.6 GB30), with blow-outScrew type bezelKunststoff (PA 6.6 GB30)windowSicherheitsverbundglas Technical drawings Click the corresponding image for detail views, additional information and dimension tables. Bottom connection Dimensions (mm) NG a b∅c c1 c2 d4D G h 100 15,5 50 6 3 20 101 114 G½B 86 Downloads AFRISO_EU-KONFORMITAETSERKLAERUNG_DRUCKGERAETE_DE.PDF Industrial technology PDF Download Montage Manometer Manuals Industrial technology PDF Download Rohrfeder-, Kapselfeder-, Plattenfeder-, Membranfedermanometer für Differenzdruck Manuals Industrial technology PDF Ukrainian German German
Rohrfeder-, Kapselfeder-, Plattenfeder-, Membranfedermanometer für Differenzdruck Manuals Industrial technology PDF Ukrainian German German