Products Our motto "Technology for Environmental Protection" has long been an inherent part of our product development philosophy and product range. We strive to improve the environment, to make processes which work with greater environmental compatibility and to avoid putting a strain on the environment. We offer you a multitude of innovative solutions, new products and smart concepts. More Informations Industries & Topics Industries & Topics Overview Fuel oil components Fuel oil components Overview Fast and clean oil filter change Avoiding fungal attacks in biofuel More performance with the sintered plastic sieve AFRISO Smart Home AFRISO Smart Home Overview Gateway HG 02 Products Products Overview AFRISOhome App Alexa Smart home applications Smart home applications Overview Leakage security Security Stand-alone applications Stand-alone applications Overview Getting started with AFRIShome Smart Home Craft 4.0 Craft 4.0 Overview OEM-Manifold systems Hydraulic Balancing Hydraulic Balancing Overview VarioQ Vario-DP Tank conversion Hygienic processes AFRISO Smart Home AFRISO Smart Home offers innovative solutions for intelligent home automation. With modern sensors and actuators, you can easily and conveniently control your home. More Informations Service-Center Service-Center Overview Service Contact persons Data exchange formats Catalogs Service-Center Flexible, cost-aware, on schedule, solution-oriented and fast – the AFRISO team always provides the decisive added value. More Informations Training & Events Training & Events Overview Exhibitions Exhibitions Overview SHK+E 2026, Essen IFH Intherm 2026, Nuremberg GET Nord 2026, Hamburg Schulungen & Trainings Schulungen & Trainings Overview Heizen mit flüssigen Brennstoffen Inhouse-Schulung - Heizen mit flüssigen Brennstoffen Inhouse-Schulung Heizölverbraucheranlagen Smart Home Experte Search Industrial technology Mechanical pressure measuring instruments RF160Ch D452 Images 2 RF160Ch D452 Rohrfeder-Chemiemanometer Typ D4 Variants Documents Info housing ⌀ (nominal size)160 mmConnectionG½Balignmentbottom backaccuracy class1,0standardEN 837-1 Benefits for chemical and process engineering applicationsmeasuring system fully welded to housingextremely robust designfor temperatures of the medium of up to 200 °Ctightness-tested with heliumDNV- and GOSSTANDART-certifiedEx version (optional) Application For corrosive gaseous and liquid media which are not highly viscous and do not crystallise; suitable for corrosive environments.! For measuring gas or vapour, observe the table "Selection Criteria as per EN 837-2"! Variants Technical data Technical drawings Downloads Variants RangeMounting typeTypePart number-1/0 barPanel mounting bezel, with clamp fixingRF160Ch D45285251452-1/0.6 barPanel mounting bezel, with clamp fixingRF160Ch D45285252452-1/+1.5 barPanel mounting bezel, with clamp fixingRF160Ch D45285253452-1/+3 barPanel mounting bezel, with clamp fixingRF160Ch D45285254452-1/+5 barPanel mounting bezel, with clamp fixingRF160Ch D45285255452-1/+9 barPanel mounting bezel, with clamp fixingRF160Ch D45285256452-1/+15 barPanel mounting bezel, with clamp fixingRF160Ch D452852574520/0.6 barPanel mounting bezel, with clamp fixingRF160Ch D452852594520/1 barPanel mounting bezel, with clamp fixingRF160Ch D452852604520/1.6 barPanel mounting bezel, with clamp fixingRF160Ch D452852614520/2.5 barPanel mounting bezel, with clamp fixingRF160Ch D452852624520/4 barPanel mounting bezel, with clamp fixingRF160Ch D452852634520/6 barPanel mounting bezel, with clamp fixingRF160Ch D452852644520/10 barPanel mounting bezel, with clamp fixingRF160Ch D452852654520/16 barPanel mounting bezel, with clamp fixingRF160Ch D452852664520/25 barPanel mounting bezel, with clamp fixingRF160Ch D452852674520/40 barPanel mounting bezel, with clamp fixingRF160Ch D452852684520/60 barPanel mounting bezel, with clamp fixingRF160Ch D452852694520/100 barPanel mounting bezel, with clamp fixingRF160Ch D452852704520/160 barPanel mounting bezel, with clamp fixingRF160Ch D452852714520/250 barPanel mounting bezel, with clamp fixingRF160Ch D452852724520/400 barPanel mounting bezel, with clamp fixingRF160Ch D452852734520/600 barPanel mounting bezel, with clamp fixingRF160Ch D452852744520/1 000 barPanel mounting bezel, with clamp fixingRF160Ch D452852754520/1 600 barPanel mounting bezel, with clamp fixingRF160Ch D45285276452 in-stock items manufactured goods Technical data TypeD4Nominal size160 - 160accuracy class (EN 837-1/6)1,0ranges (EN 837-1/5)see ordering tableApplication area NG100/160static load≤ 600 bar: Full scale value> 600 bar: ¾ x full scale valuedynamic load≤ 600 bar: 0.9 x full scale value> 600 bar: ⅔ x full scale valueshort-term≤ 600 bar: 1.3 x full scale value> 600 bar: Full scale valueOperating temperature rangeMedium: max. 200 °CAmbient: -20/+60 °CTemperature performanceIndication error when the temperature of the measuring system deviates from the normal temperature of 20 °C:bei Temperaturzunahme ca. ± 0,4 %/10 K,falling temperature approx. ± 0.4 %/10 Kvom jeweiligen SkalenendwertDegree of protectionIP 54 (EN 60529) with housing vent (≤ 25 bar) Standard design ConnectionStainless steel 316 L, bottom backG½B, SW22 (EN 837-1/7.3)Measuring elementBourdon tube, stainless steel 316 Ti/316 L≤ 60 bar: "C" type tube> 60 bar: helical tubetightness-tested with heliummovementStainless steelDialAluminium, weißScaling blackPointerAluminium, schwarzHousingEdelstahl 304, with blow-outbayonet bezelEdelstahl 304windowSicherheitsverbundglas Technical drawings Click the corresponding image for detail views, additional information and dimension tables. bottom back connection, panel mounting bezel with clamp fixing Dimensions (mm) NG b3∅c c1 c2 d5 d6 e G g1 s4 SW 100 49 6 3 20 107 101 34,5 G½B 83 4 22 160 52 6 3 20 167 161 34,5 G½B 86 4,5 22 Downloads ATEX Bescheinigung Manometer Certificates / DIBt approvals Industrial technology PDF English German Rohrfeder-Manometer Domestic Technology PDF English German AFRISO_EU-KONFORMITAETSERKLAERUNG_DRUCKGERAETE_DE.PDF Industrial technology PDF Download Montage Manometer Manuals Industrial technology PDF Download Rohrfeder-, Kapselfeder-, Plattenfeder-, Membranfedermanometer für Differenzdruck Manuals Industrial technology PDF Ukrainian German German RF160CH_D452_852XX452.STP STEP 3D Modell Industrial technology STP Download Related products
AFRISO Smart Home AFRISO Smart Home offers innovative solutions for intelligent home automation. With modern sensors and actuators, you can easily and conveniently control your home. More Informations Service-Center Service-Center Overview Service Contact persons Data exchange formats Catalogs Service-Center Flexible, cost-aware, on schedule, solution-oriented and fast – the AFRISO team always provides the decisive added value. More Informations Training & Events Training & Events Overview Exhibitions Exhibitions Overview SHK+E 2026, Essen IFH Intherm 2026, Nuremberg GET Nord 2026, Hamburg Schulungen & Trainings Schulungen & Trainings Overview Heizen mit flüssigen Brennstoffen Inhouse-Schulung - Heizen mit flüssigen Brennstoffen Inhouse-Schulung Heizölverbraucheranlagen Smart Home Experte Search
Service-Center Flexible, cost-aware, on schedule, solution-oriented and fast – the AFRISO team always provides the decisive added value. More Informations Training & Events Training & Events Overview Exhibitions Exhibitions Overview SHK+E 2026, Essen IFH Intherm 2026, Nuremberg GET Nord 2026, Hamburg Schulungen & Trainings Schulungen & Trainings Overview Heizen mit flüssigen Brennstoffen Inhouse-Schulung - Heizen mit flüssigen Brennstoffen Inhouse-Schulung Heizölverbraucheranlagen Smart Home Experte Search
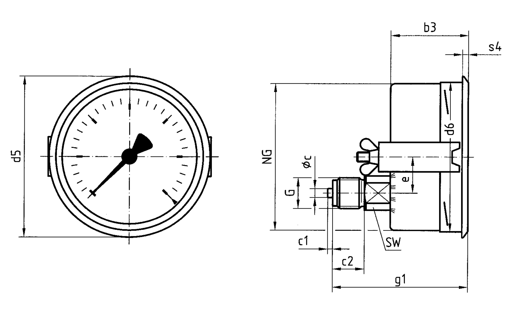
Images 2 RF160Ch D452 Rohrfeder-Chemiemanometer Typ D4 Variants Documents Info housing ⌀ (nominal size)160 mmConnectionG½Balignmentbottom backaccuracy class1,0standardEN 837-1 Benefits for chemical and process engineering applicationsmeasuring system fully welded to housingextremely robust designfor temperatures of the medium of up to 200 °Ctightness-tested with heliumDNV- and GOSSTANDART-certifiedEx version (optional) Application For corrosive gaseous and liquid media which are not highly viscous and do not crystallise; suitable for corrosive environments.! For measuring gas or vapour, observe the table "Selection Criteria as per EN 837-2"! Variants Technical data Technical drawings Downloads Variants RangeMounting typeTypePart number-1/0 barPanel mounting bezel, with clamp fixingRF160Ch D45285251452-1/0.6 barPanel mounting bezel, with clamp fixingRF160Ch D45285252452-1/+1.5 barPanel mounting bezel, with clamp fixingRF160Ch D45285253452-1/+3 barPanel mounting bezel, with clamp fixingRF160Ch D45285254452-1/+5 barPanel mounting bezel, with clamp fixingRF160Ch D45285255452-1/+9 barPanel mounting bezel, with clamp fixingRF160Ch D45285256452-1/+15 barPanel mounting bezel, with clamp fixingRF160Ch D452852574520/0.6 barPanel mounting bezel, with clamp fixingRF160Ch D452852594520/1 barPanel mounting bezel, with clamp fixingRF160Ch D452852604520/1.6 barPanel mounting bezel, with clamp fixingRF160Ch D452852614520/2.5 barPanel mounting bezel, with clamp fixingRF160Ch D452852624520/4 barPanel mounting bezel, with clamp fixingRF160Ch D452852634520/6 barPanel mounting bezel, with clamp fixingRF160Ch D452852644520/10 barPanel mounting bezel, with clamp fixingRF160Ch D452852654520/16 barPanel mounting bezel, with clamp fixingRF160Ch D452852664520/25 barPanel mounting bezel, with clamp fixingRF160Ch D452852674520/40 barPanel mounting bezel, with clamp fixingRF160Ch D452852684520/60 barPanel mounting bezel, with clamp fixingRF160Ch D452852694520/100 barPanel mounting bezel, with clamp fixingRF160Ch D452852704520/160 barPanel mounting bezel, with clamp fixingRF160Ch D452852714520/250 barPanel mounting bezel, with clamp fixingRF160Ch D452852724520/400 barPanel mounting bezel, with clamp fixingRF160Ch D452852734520/600 barPanel mounting bezel, with clamp fixingRF160Ch D452852744520/1 000 barPanel mounting bezel, with clamp fixingRF160Ch D452852754520/1 600 barPanel mounting bezel, with clamp fixingRF160Ch D45285276452 in-stock items manufactured goods Technical data TypeD4Nominal size160 - 160accuracy class (EN 837-1/6)1,0ranges (EN 837-1/5)see ordering tableApplication area NG100/160static load≤ 600 bar: Full scale value> 600 bar: ¾ x full scale valuedynamic load≤ 600 bar: 0.9 x full scale value> 600 bar: ⅔ x full scale valueshort-term≤ 600 bar: 1.3 x full scale value> 600 bar: Full scale valueOperating temperature rangeMedium: max. 200 °CAmbient: -20/+60 °CTemperature performanceIndication error when the temperature of the measuring system deviates from the normal temperature of 20 °C:bei Temperaturzunahme ca. ± 0,4 %/10 K,falling temperature approx. ± 0.4 %/10 Kvom jeweiligen SkalenendwertDegree of protectionIP 54 (EN 60529) with housing vent (≤ 25 bar) Standard design ConnectionStainless steel 316 L, bottom backG½B, SW22 (EN 837-1/7.3)Measuring elementBourdon tube, stainless steel 316 Ti/316 L≤ 60 bar: "C" type tube> 60 bar: helical tubetightness-tested with heliummovementStainless steelDialAluminium, weißScaling blackPointerAluminium, schwarzHousingEdelstahl 304, with blow-outbayonet bezelEdelstahl 304windowSicherheitsverbundglas Technical drawings Click the corresponding image for detail views, additional information and dimension tables. bottom back connection, panel mounting bezel with clamp fixing Dimensions (mm) NG b3∅c c1 c2 d5 d6 e G g1 s4 SW 100 49 6 3 20 107 101 34,5 G½B 83 4 22 160 52 6 3 20 167 161 34,5 G½B 86 4,5 22 Downloads ATEX Bescheinigung Manometer Certificates / DIBt approvals Industrial technology PDF English German Rohrfeder-Manometer Domestic Technology PDF English German AFRISO_EU-KONFORMITAETSERKLAERUNG_DRUCKGERAETE_DE.PDF Industrial technology PDF Download Montage Manometer Manuals Industrial technology PDF Download Rohrfeder-, Kapselfeder-, Plattenfeder-, Membranfedermanometer für Differenzdruck Manuals Industrial technology PDF Ukrainian German German RF160CH_D452_852XX452.STP STEP 3D Modell Industrial technology STP Download
Rohrfeder-, Kapselfeder-, Plattenfeder-, Membranfedermanometer für Differenzdruck Manuals Industrial technology PDF Ukrainian German German