Products Our motto "Technology for Environmental Protection" has long been an inherent part of our product development philosophy and product range. We strive to improve the environment, to make processes which work with greater environmental compatibility and to avoid putting a strain on the environment. We offer you a multitude of innovative solutions, new products and smart concepts. More Informations Industries & Topics Industries & Topics Overview Fuel oil components Fuel oil components Overview Fast and clean oil filter change Avoiding fungal attacks in biofuel More performance with the sintered plastic sieve AFRISO Smart Home AFRISO Smart Home Overview Gateway HG 02 Products Products Overview AFRISOhome App Alexa Smart home applications Smart home applications Overview Leakage security Security Stand-alone applications Stand-alone applications Overview Getting started with AFRIShome Smart Home Craft 4.0 Craft 4.0 Overview OEM-Manifold systems Hydraulic Balancing Hydraulic Balancing Overview VarioQ Vario-DP Tank conversion Hygienic processes AFRISO Smart Home AFRISO Smart Home offers innovative solutions for intelligent home automation. With modern sensors and actuators, you can easily and conveniently control your home. More Informations Service-Center Service-Center Overview Service Contact persons Data exchange formats Catalogs Service-Center Flexible, cost-aware, on schedule, solution-oriented and fast – the AFRISO team always provides the decisive added value. More Informations Training & Events Training & Events Overview Exhibitions Exhibitions Overview SHK+E 2026, Essen IFH Intherm 2026, Nuremberg GET Nord 2026, Hamburg Schulungen & Trainings Schulungen & Trainings Overview Heizen mit flüssigen Brennstoffen Inhouse-Schulung - Heizen mit flüssigen Brennstoffen Inhouse-Schulung Heizölverbraucheranlagen Smart Home Experte Search Industrial technology Mechanical pressure measuring instruments RF160ChGly D812 Images 1 RF160ChGly D812 Rohrfeder-Chemiemanometer Typ D8 mit Glyzerinfüllung Variants Documents Info housing ⌀ (nominal size)160 mmConnectionG½Balignmentbottom backaccuracy class1,0standardEN 837-1 Benefits for chemical and process engineering applicationsmeasuring system fully welded to housingextremely robust designcan be used in case of heavy vibrations and high, dynamic pressure loadstightness-tested with heliumDNV- and GOSSTANDART-certifiedEx version (optional) Application For corrosive gaseous and liquid media which are not highly viscous and do not crystallise; suitable for corrosive environments. For measurements in areas with high vibration levels and high, dynamic pressure loads.! For measuring gas or vapour, observe the table "Selection Criteria as per EN 837-2" (see appendix)! Variants Technical data Technical drawings Downloads Variants RangeMounting typeTypePart number-1/0 bardirectRF160ChGly D81285251812-1/0.6 bardirectRF160ChGly D81285252812-1/+1.5 bardirectRF160ChGly D81285253812-1/+3 bardirectRF160ChGly D81285254812-1/+5 bardirectRF160ChGly D81285255812-1/+9 bardirectRF160ChGly D81285256812-1/+15 bardirectRF160ChGly D812852578120/0.6 bardirectRF160ChGly D812852598120/1 bardirectRF160ChGly D812852608120/1.6 bardirectRF160ChGly D812852618120/2.5 bardirectRF160ChGly D812852628120/4 bardirectRF160ChGly D812852638120/6 bardirectRF160ChGly D812852648120/10 bardirectRF160ChGly D812852658120/16 bardirectRF160ChGly D812852668120/25 bardirectRF160ChGly D812852678120/40 bardirectRF160ChGly D812852688120/60 bardirectRF160ChGly D812852698120/100 bardirectRF160ChGly D812852708120/160 bardirectRF160ChGly D812852718120/250 bardirectRF160ChGly D812852728120/400 bardirectRF160ChGly D812852738120/600 bardirectRF160ChGly D812852748120/1 000 bardirectRF160ChGly D812852758120/1 600 bardirectRF160ChGly D81285276812 in-stock items manufactured goods Technical data TypeD8Nominal size160 - 160accuracy class (EN 837-1/6)1,0ranges (EN 837-1/5)see ordering tableapplication areastatic load≤ 600 bar: Full scale value> 600 bar: ¾ x full scale valuedynamic load≤ 600 bar: 0.9 x full scale value> 600 bar: ⅔ x full scale valueshort-term≤ 600 bar: 1.3 x full scale value> 600 bar: Full scale valueOperating temperature rangeMedium: max. 100 °CAmbient: -20/+60 °CTemperature performanceIndication error when the temperature of the measuring system deviates from the normal temperature of 20 °C:bei Temperaturzunahme ca. ± 0,4 %/10 K,falling temperature approx. ± 0.4 %/10 Kvom jeweiligen SkalenendwertDegree of protectionIP 54 (EN 60529) with housing vent (< 25 bar) Standard design Connectionstainless steel 316 Ti/316 L, bottom backMeasuring elementBourdon tube, stainless steel 316 Ti/316 L≤ 60 bar: "C" type tube> 60 bar: helical tubetightness-tested with heliummovementStainless steelDialAluminium, weißScaling blackPointerAluminium, schwarzHousingEdelstahl 304, with blow-outbayonet bezelEdelstahl 304windowSicherheitsverbundglasfilling liquidglycerine (99.5 %) Technical drawings Click the corresponding image for detail views, additional information and dimension tables. bottom back connection Dimensions (mm) NG b2∅c c1 c2 e G g SW 100 49 6 3 20 34,5 G½B 83 22 160 50 6 3 20 34,5 G½B 84 22 Downloads ATEX Bescheinigung Manometer Certificates / DIBt approvals Industrial technology PDF English German AFRISO_EU-KONFORMITAETSERKLAERUNG_DRUCKGERAETE_DE.PDF Industrial technology PDF Download Montage Manometer Manuals Industrial technology PDF Download Rohrfeder-, Kapselfeder-, Plattenfeder-, Membranfedermanometer für Differenzdruck Manuals Industrial technology PDF Ukrainian German German RF160CHGLY_D812_852XX812.STP STEP 3D Modell Industrial technology STP Download Related products
AFRISO Smart Home AFRISO Smart Home offers innovative solutions for intelligent home automation. With modern sensors and actuators, you can easily and conveniently control your home. More Informations Service-Center Service-Center Overview Service Contact persons Data exchange formats Catalogs Service-Center Flexible, cost-aware, on schedule, solution-oriented and fast – the AFRISO team always provides the decisive added value. More Informations Training & Events Training & Events Overview Exhibitions Exhibitions Overview SHK+E 2026, Essen IFH Intherm 2026, Nuremberg GET Nord 2026, Hamburg Schulungen & Trainings Schulungen & Trainings Overview Heizen mit flüssigen Brennstoffen Inhouse-Schulung - Heizen mit flüssigen Brennstoffen Inhouse-Schulung Heizölverbraucheranlagen Smart Home Experte Search
Service-Center Flexible, cost-aware, on schedule, solution-oriented and fast – the AFRISO team always provides the decisive added value. More Informations Training & Events Training & Events Overview Exhibitions Exhibitions Overview SHK+E 2026, Essen IFH Intherm 2026, Nuremberg GET Nord 2026, Hamburg Schulungen & Trainings Schulungen & Trainings Overview Heizen mit flüssigen Brennstoffen Inhouse-Schulung - Heizen mit flüssigen Brennstoffen Inhouse-Schulung Heizölverbraucheranlagen Smart Home Experte Search
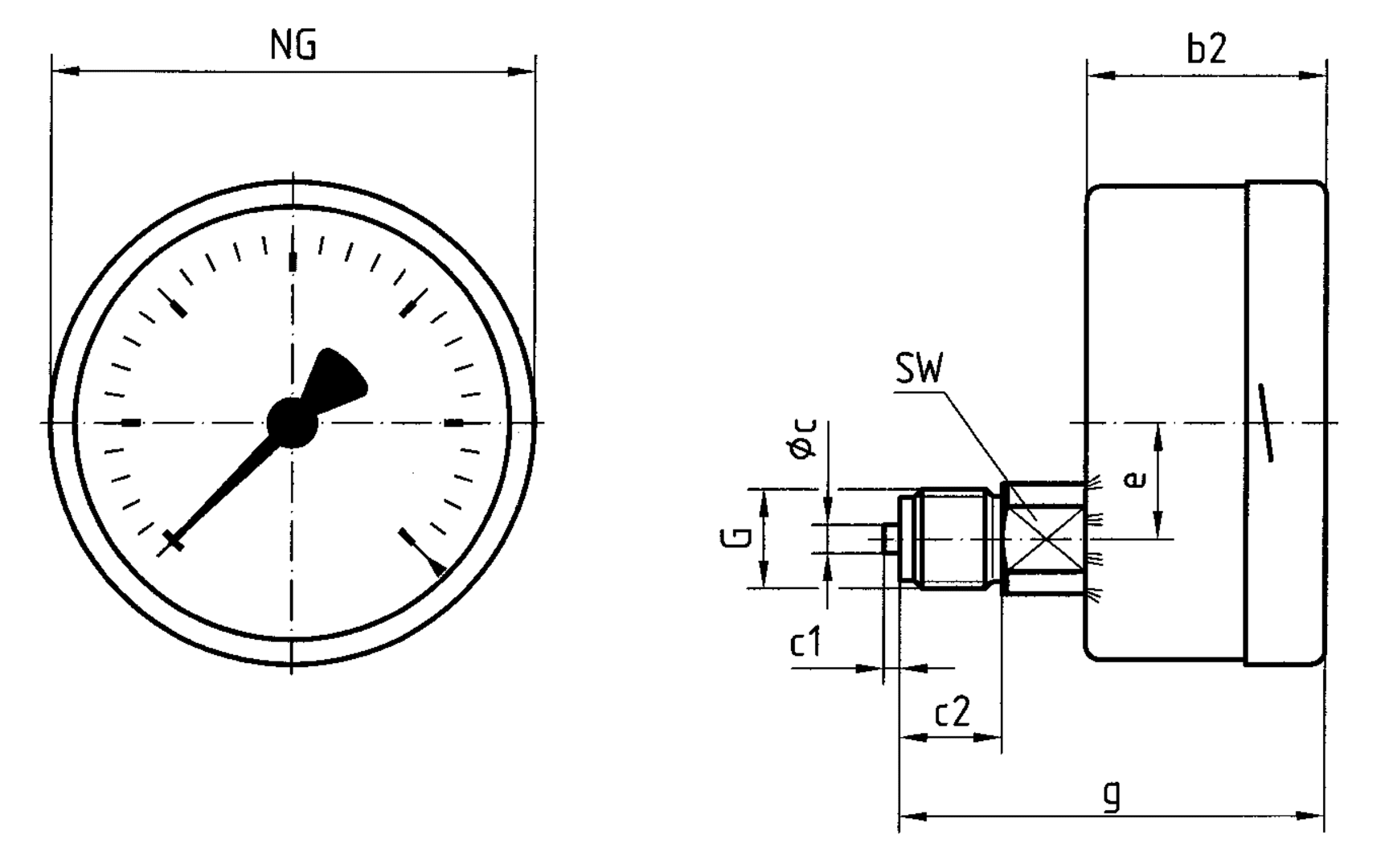
Images 1 RF160ChGly D812 Rohrfeder-Chemiemanometer Typ D8 mit Glyzerinfüllung Variants Documents Info housing ⌀ (nominal size)160 mmConnectionG½Balignmentbottom backaccuracy class1,0standardEN 837-1 Benefits for chemical and process engineering applicationsmeasuring system fully welded to housingextremely robust designcan be used in case of heavy vibrations and high, dynamic pressure loadstightness-tested with heliumDNV- and GOSSTANDART-certifiedEx version (optional) Application For corrosive gaseous and liquid media which are not highly viscous and do not crystallise; suitable for corrosive environments. For measurements in areas with high vibration levels and high, dynamic pressure loads.! For measuring gas or vapour, observe the table "Selection Criteria as per EN 837-2" (see appendix)! Variants Technical data Technical drawings Downloads Variants RangeMounting typeTypePart number-1/0 bardirectRF160ChGly D81285251812-1/0.6 bardirectRF160ChGly D81285252812-1/+1.5 bardirectRF160ChGly D81285253812-1/+3 bardirectRF160ChGly D81285254812-1/+5 bardirectRF160ChGly D81285255812-1/+9 bardirectRF160ChGly D81285256812-1/+15 bardirectRF160ChGly D812852578120/0.6 bardirectRF160ChGly D812852598120/1 bardirectRF160ChGly D812852608120/1.6 bardirectRF160ChGly D812852618120/2.5 bardirectRF160ChGly D812852628120/4 bardirectRF160ChGly D812852638120/6 bardirectRF160ChGly D812852648120/10 bardirectRF160ChGly D812852658120/16 bardirectRF160ChGly D812852668120/25 bardirectRF160ChGly D812852678120/40 bardirectRF160ChGly D812852688120/60 bardirectRF160ChGly D812852698120/100 bardirectRF160ChGly D812852708120/160 bardirectRF160ChGly D812852718120/250 bardirectRF160ChGly D812852728120/400 bardirectRF160ChGly D812852738120/600 bardirectRF160ChGly D812852748120/1 000 bardirectRF160ChGly D812852758120/1 600 bardirectRF160ChGly D81285276812 in-stock items manufactured goods Technical data TypeD8Nominal size160 - 160accuracy class (EN 837-1/6)1,0ranges (EN 837-1/5)see ordering tableapplication areastatic load≤ 600 bar: Full scale value> 600 bar: ¾ x full scale valuedynamic load≤ 600 bar: 0.9 x full scale value> 600 bar: ⅔ x full scale valueshort-term≤ 600 bar: 1.3 x full scale value> 600 bar: Full scale valueOperating temperature rangeMedium: max. 100 °CAmbient: -20/+60 °CTemperature performanceIndication error when the temperature of the measuring system deviates from the normal temperature of 20 °C:bei Temperaturzunahme ca. ± 0,4 %/10 K,falling temperature approx. ± 0.4 %/10 Kvom jeweiligen SkalenendwertDegree of protectionIP 54 (EN 60529) with housing vent (< 25 bar) Standard design Connectionstainless steel 316 Ti/316 L, bottom backMeasuring elementBourdon tube, stainless steel 316 Ti/316 L≤ 60 bar: "C" type tube> 60 bar: helical tubetightness-tested with heliummovementStainless steelDialAluminium, weißScaling blackPointerAluminium, schwarzHousingEdelstahl 304, with blow-outbayonet bezelEdelstahl 304windowSicherheitsverbundglasfilling liquidglycerine (99.5 %) Technical drawings Click the corresponding image for detail views, additional information and dimension tables. bottom back connection Dimensions (mm) NG b2∅c c1 c2 e G g SW 100 49 6 3 20 34,5 G½B 83 22 160 50 6 3 20 34,5 G½B 84 22 Downloads ATEX Bescheinigung Manometer Certificates / DIBt approvals Industrial technology PDF English German AFRISO_EU-KONFORMITAETSERKLAERUNG_DRUCKGERAETE_DE.PDF Industrial technology PDF Download Montage Manometer Manuals Industrial technology PDF Download Rohrfeder-, Kapselfeder-, Plattenfeder-, Membranfedermanometer für Differenzdruck Manuals Industrial technology PDF Ukrainian German German RF160CHGLY_D812_852XX812.STP STEP 3D Modell Industrial technology STP Download
Rohrfeder-, Kapselfeder-, Plattenfeder-, Membranfedermanometer für Differenzdruck Manuals Industrial technology PDF Ukrainian German German