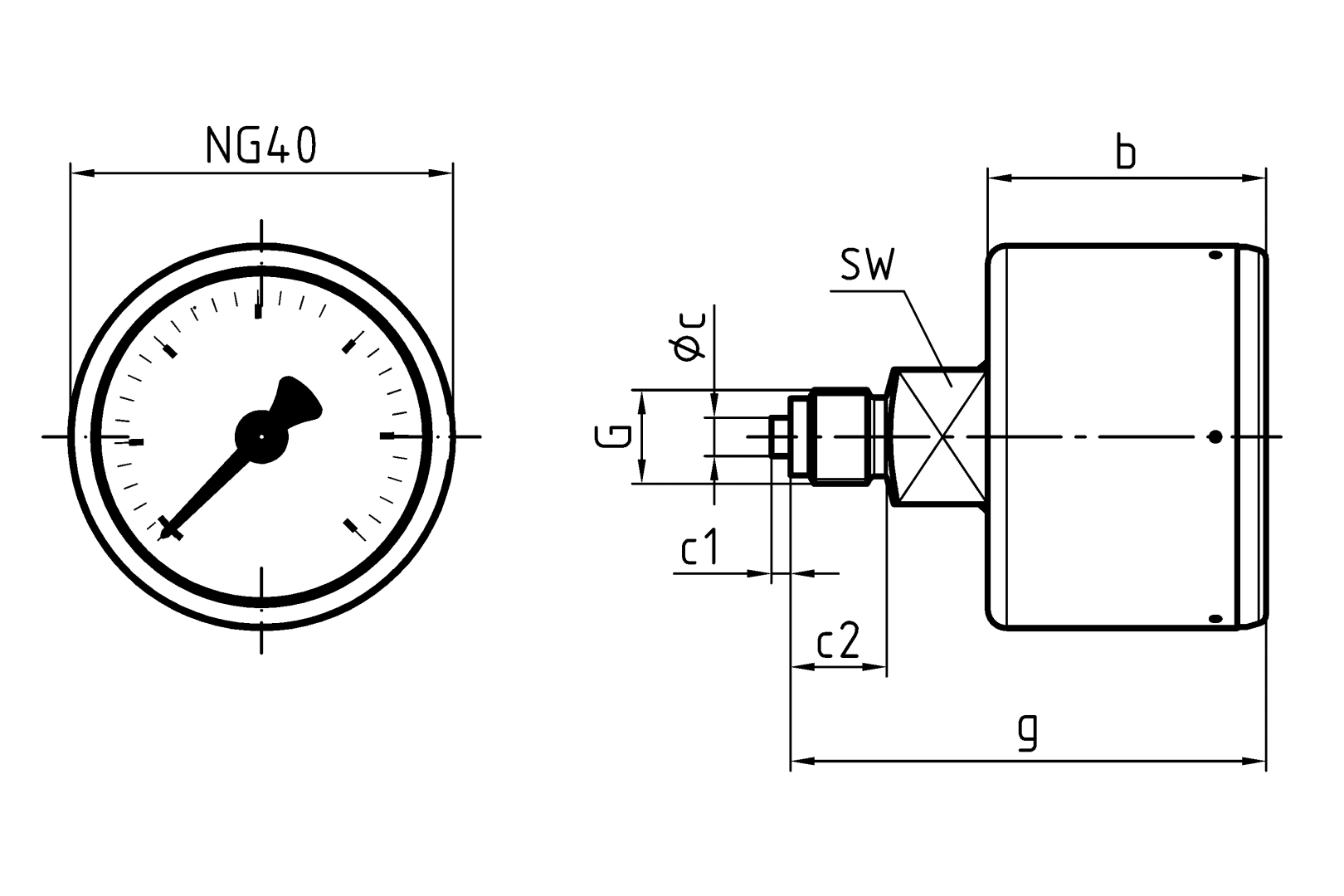
Products Our motto "Technology for Environmental Protection" has long been an inherent part of our product development philosophy and product range. We strive to improve the environment, to make processes which work with greater environmental compatibility and to avoid putting a strain on the environment. We offer you a multitude of innovative solutions, new products and smart concepts. More Informations Industries & Topics Industries & Topics Overview Fuel oil components Fuel oil components Overview Fast and clean oil filter change Avoiding fungal attacks in biofuel More performance with the sintered plastic sieve AFRISO Smart Home AFRISO Smart Home Overview Gateway HG 02 Products Products Overview AFRISOhome App Alexa Smart home applications Smart home applications Overview Leakage security Security Stand-alone applications Stand-alone applications Overview Getting started with AFRIShome Smart Home Craft 4.0 Craft 4.0 Overview OEM-Manifold systems Hydraulic Balancing Hydraulic Balancing Overview VarioQ Vario-DP Tank conversion Hygienic processes AFRISO Smart Home AFRISO Smart Home offers innovative solutions for intelligent home automation. With modern sensors and actuators, you can easily and conveniently control your home. More Informations Service-Center Service-Center Overview Service Contact persons Data exchange formats Catalogs Service-Center Flexible, cost-aware, on schedule, solution-oriented and fast – the AFRISO team always provides the decisive added value. More Informations Training & Events Training & Events Overview Exhibitions Exhibitions Overview SHK+E 2026, Essen IFH Intherm 2026, Nuremberg GET Nord 2026, Hamburg Schulungen & Trainings Schulungen & Trainings Overview Heizen mit flüssigen Brennstoffen Inhouse-Schulung - Heizen mit flüssigen Brennstoffen Inhouse-Schulung Heizölverbraucheranlagen Smart Home Experte Search Industrial technology Mechanical pressure measuring instruments RF40E D312 Images 6 RF40E D312 Rohrfeder-Edelstahlmanometer Typ D3 Variants Documents Info housing ⌀ (nominal size)40 mmConnectionG⅛Balignmentcentre backaccuracy class2,5standardEN 837-1 Benefits extremely compact designwetted parts and movement made of stainless steelPressure connection welded to housingoptional for control cabinet mountingtightness-tested with heliumGOSSTANDART-certified Application For corrosive gaseous and liquid media which are not highly viscous and do not crystallise.! For measuring gas or vapour, observe the table "Selection Criteria as per EN 837-2" (see appendix)! Variants Technical data Technical drawings Downloads Variants RangeMounting typeTypePart number0/1.6 bardirectRF40E D312850113120/2.5 bardirectRF40E D312850123120/4 bardirectRF40E D312850133120/6 bardirectRF40E D312850143120/10 bardirectRF40E D312850153120/16 bardirectRF40E D312850163120/25 bardirectRF40E D312850173120/40 bardirectRF40E D312850183120/60 bardirectRF40E D312850193120/100 bardirectRF40E D312850203120/160 bardirectRF40E D312850213120/250 bardirectRF40E D312850223120/400 bardirectRF40E D312850233120/600 bardirectRF40E D31285024312 in-stock items manufactured goods Technical data TypeD3Nominal size40 - 40accuracy class (EN 837-1/6)2,5ranges (EN 837-1/5)see ordering tableapplication areastatic load: ¾ x full scale valuedynamic load: ⅔ x full scale valueshort-term: Full scale valueOperating temperature rangeMedium: max. 100 °CAmbient: -20/+60 °CTemperature performanceIndication error when the temperature of the measuring system deviates from the normal temperature of 20 °C:bei Temperaturzunahme ca. ± 0,4 %/10 K,falling temperature approx. ± 0.4 %/10 Kvom jeweiligen SkalenendwertDegree of protectionIP 32 (EN 60529) Standard design ConnectionStainless steel 316 L, centre backMeasuring elementBourdon tube, Stainless steel 316 L≤ 60 bar: "C" type tube> 60 bar: helical tubetightness-tested with heliummovementStainless steelDialAluminium, weißScaling blackPointerAluminium, schwarzHousingEdelstahl 304windowKunststoff, eingeclipst Technical drawings Click the corresponding image for detail views, additional information and dimension tables. NG 40 – centre back connection G⅛ Dimensions (mm) NG b∅c c1 c2 G g SW 40 29 4 2 10 G⅛B 49,5 14 Downloads AFRISO_EU-KONFORMITAETSERKLAERUNG_DRUCKGERAETE_DE.PDF Industrial technology PDF Download Montage Manometer Manuals Industrial technology PDF Download Rohrfeder-, Kapselfeder-, Plattenfeder-, Membranfedermanometer für Differenzdruck Manuals Industrial technology PDF Ukrainian German German Related products
AFRISO Smart Home AFRISO Smart Home offers innovative solutions for intelligent home automation. With modern sensors and actuators, you can easily and conveniently control your home. More Informations Service-Center Service-Center Overview Service Contact persons Data exchange formats Catalogs Service-Center Flexible, cost-aware, on schedule, solution-oriented and fast – the AFRISO team always provides the decisive added value. More Informations Training & Events Training & Events Overview Exhibitions Exhibitions Overview SHK+E 2026, Essen IFH Intherm 2026, Nuremberg GET Nord 2026, Hamburg Schulungen & Trainings Schulungen & Trainings Overview Heizen mit flüssigen Brennstoffen Inhouse-Schulung - Heizen mit flüssigen Brennstoffen Inhouse-Schulung Heizölverbraucheranlagen Smart Home Experte Search
Service-Center Flexible, cost-aware, on schedule, solution-oriented and fast – the AFRISO team always provides the decisive added value. More Informations Training & Events Training & Events Overview Exhibitions Exhibitions Overview SHK+E 2026, Essen IFH Intherm 2026, Nuremberg GET Nord 2026, Hamburg Schulungen & Trainings Schulungen & Trainings Overview Heizen mit flüssigen Brennstoffen Inhouse-Schulung - Heizen mit flüssigen Brennstoffen Inhouse-Schulung Heizölverbraucheranlagen Smart Home Experte Search
Images 6 RF40E D312 Rohrfeder-Edelstahlmanometer Typ D3 Variants Documents Info housing ⌀ (nominal size)40 mmConnectionG⅛Balignmentcentre backaccuracy class2,5standardEN 837-1 Benefits extremely compact designwetted parts and movement made of stainless steelPressure connection welded to housingoptional for control cabinet mountingtightness-tested with heliumGOSSTANDART-certified Application For corrosive gaseous and liquid media which are not highly viscous and do not crystallise.! For measuring gas or vapour, observe the table "Selection Criteria as per EN 837-2" (see appendix)! Variants Technical data Technical drawings Downloads Variants RangeMounting typeTypePart number0/1.6 bardirectRF40E D312850113120/2.5 bardirectRF40E D312850123120/4 bardirectRF40E D312850133120/6 bardirectRF40E D312850143120/10 bardirectRF40E D312850153120/16 bardirectRF40E D312850163120/25 bardirectRF40E D312850173120/40 bardirectRF40E D312850183120/60 bardirectRF40E D312850193120/100 bardirectRF40E D312850203120/160 bardirectRF40E D312850213120/250 bardirectRF40E D312850223120/400 bardirectRF40E D312850233120/600 bardirectRF40E D31285024312 in-stock items manufactured goods Technical data TypeD3Nominal size40 - 40accuracy class (EN 837-1/6)2,5ranges (EN 837-1/5)see ordering tableapplication areastatic load: ¾ x full scale valuedynamic load: ⅔ x full scale valueshort-term: Full scale valueOperating temperature rangeMedium: max. 100 °CAmbient: -20/+60 °CTemperature performanceIndication error when the temperature of the measuring system deviates from the normal temperature of 20 °C:bei Temperaturzunahme ca. ± 0,4 %/10 K,falling temperature approx. ± 0.4 %/10 Kvom jeweiligen SkalenendwertDegree of protectionIP 32 (EN 60529) Standard design ConnectionStainless steel 316 L, centre backMeasuring elementBourdon tube, Stainless steel 316 L≤ 60 bar: "C" type tube> 60 bar: helical tubetightness-tested with heliummovementStainless steelDialAluminium, weißScaling blackPointerAluminium, schwarzHousingEdelstahl 304windowKunststoff, eingeclipst Technical drawings Click the corresponding image for detail views, additional information and dimension tables. NG 40 – centre back connection G⅛ Dimensions (mm) NG b∅c c1 c2 G g SW 40 29 4 2 10 G⅛B 49,5 14 Downloads AFRISO_EU-KONFORMITAETSERKLAERUNG_DRUCKGERAETE_DE.PDF Industrial technology PDF Download Montage Manometer Manuals Industrial technology PDF Download Rohrfeder-, Kapselfeder-, Plattenfeder-, Membranfedermanometer für Differenzdruck Manuals Industrial technology PDF Ukrainian German German
Rohrfeder-, Kapselfeder-, Plattenfeder-, Membranfedermanometer für Differenzdruck Manuals Industrial technology PDF Ukrainian German German