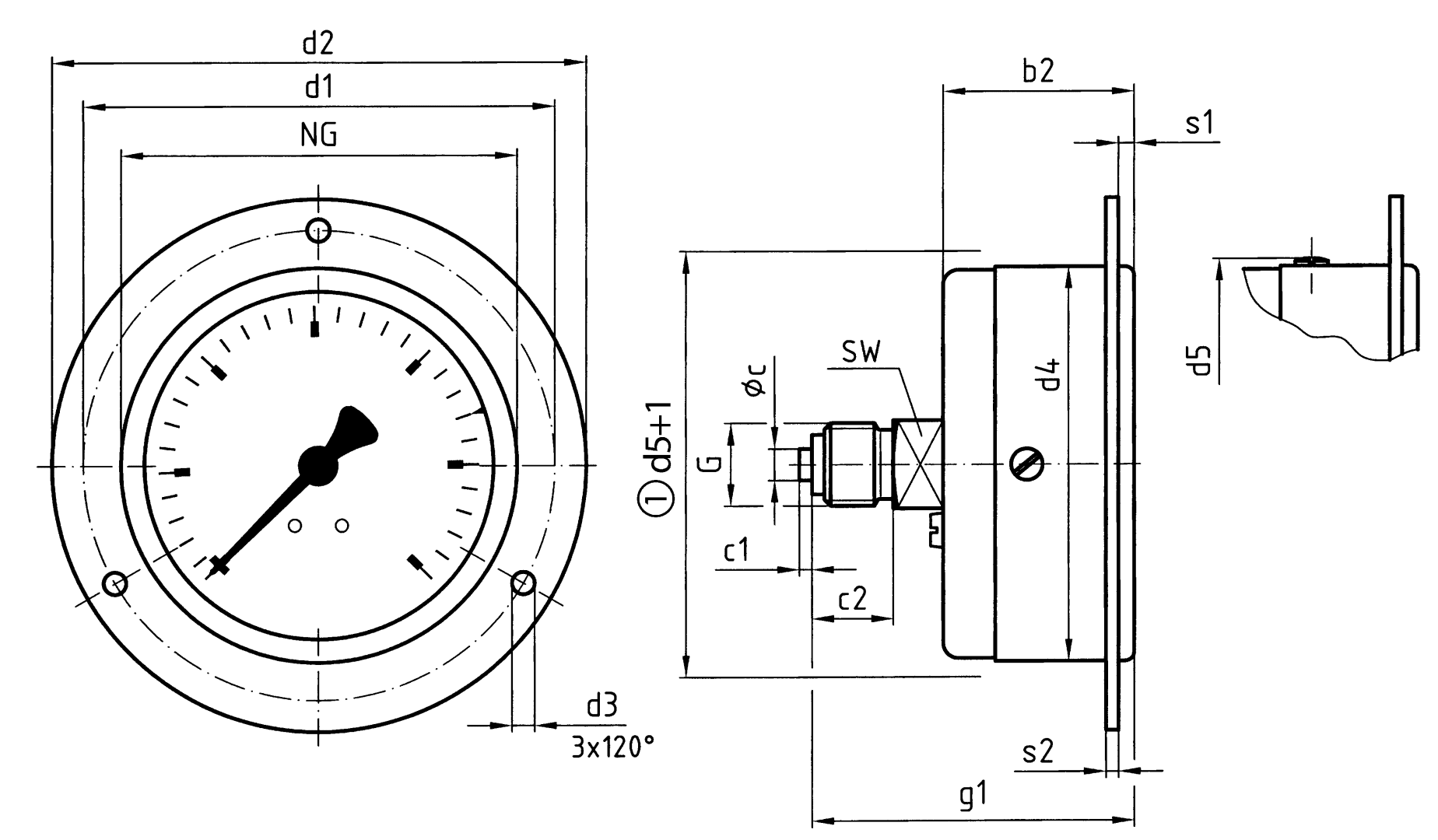
Products Our motto "Technology for Environmental Protection" has long been an inherent part of our product development philosophy and product range. We strive to improve the environment, to make processes which work with greater environmental compatibility and to avoid putting a strain on the environment. We offer you a multitude of innovative solutions, new products and smart concepts. More Informations Industries & Topics Industries & Topics Overview Fuel oil components Fuel oil components Overview Fast and clean oil filter change Avoiding fungal attacks in biofuel More performance with the sintered plastic sieve AFRISO Smart Home AFRISO Smart Home Overview Gateway HG 02 Products Products Overview AFRISOhome App Alexa Smart home applications Smart home applications Overview Leakage security Security Stand-alone applications Stand-alone applications Overview Getting started with AFRIShome Smart Home Craft 4.0 Craft 4.0 Overview OEM-Manifold systems Hydraulic Balancing Hydraulic Balancing Overview VarioQ Vario-DP Tank conversion Hygienic processes AFRISO Smart Home AFRISO Smart Home offers innovative solutions for intelligent home automation. With modern sensors and actuators, you can easily and conveniently control your home. More Informations Service-Center Service-Center Overview Service Contact persons Data exchange formats Catalogs Service-Center Flexible, cost-aware, on schedule, solution-oriented and fast – the AFRISO team always provides the decisive added value. More Informations Training & Events Training & Events Overview Exhibitions Exhibitions Overview SHK+E 2026, Essen IFH Intherm 2026, Nuremberg GET Nord 2026, Hamburg Schulungen & Trainings Schulungen & Trainings Overview Heizen mit flüssigen Brennstoffen Inhouse-Schulung - Heizen mit flüssigen Brennstoffen Inhouse-Schulung Heizölverbraucheranlagen Smart Home Experte Search Industrial technology Mechanical pressure measuring instruments RF50 D231 Images 7 RF50 D231 Rohrfeder-Standardmanometer Typ D2 Variants Documents Info housing ⌀ (nominal size)50 mmConnectionG¼Balignmentcentre backaccuracy class1,6standardEN 837-1 Benefits for pneumatic and heating system applications (NG 40 - 50 - 63)for domestic technology and mechanical engineering applications (NG 80 - 100 - 160)robust steel housingwindow with adjustable reference pointer (NG 80 - 100)with reference pointer on dial (NG 160)Accuracy class 1.6many customised versions available Application For gaseous and liquid media which are not highly viscous, do not crystallise and do not attack copper alloys.! For measuring gas or vapour, observe the table "Selection Criteria as per EN 837-2"! Variants Technical data Technical drawings Downloads Variants RangeMounting typeTypePart number-1/0 bar3-hole fixing, panel mounting bezelRF50 D231850512310/1 bar3-hole fixing, panel mounting bezelRF50 D231850602310/1.6 bar3-hole fixing, panel mounting bezelRF50 D231850612310/2.5 bar3-hole fixing, panel mounting bezelRF50 D231850622310/4 bar3-hole fixing, panel mounting bezelRF50 D231850632310/6 bar3-hole fixing, panel mounting bezelRF50 D231850642310/10 bar3-hole fixing, panel mounting bezelRF50 D231850652310/16 bar3-hole fixing, panel mounting bezelRF50 D231850662310/25 bar3-hole fixing, panel mounting bezelRF50 D231850672310/40 bar3-hole fixing, panel mounting bezelRF50 D231850682310/60 bar3-hole fixing, panel mounting bezelRF50 D231850692310/100 bar3-hole fixing, panel mounting bezelRF50 D231850702310/160 bar3-hole fixing, panel mounting bezelRF50 D231850712310/250 bar3-hole fixing, panel mounting bezelRF50 D231850722310/400 bar3-hole fixing, panel mounting bezelRF50 D23185073231 in-stock items manufactured goods Technical data TypeD2Nominal size50 - 50accuracy class (EN 837-1/6)1,6ranges (EN 837-1/5)see ordering tableapplication areastatic load: ¾ x full scale valuedynamic load: ⅔ x full scale valueshort-term: Full scale valueOperating temperature rangeMedium: max. 60 °CAmbient: -20/+60 °CTemperature performanceIndication error when the temperature of the measuring system deviates from the normal temperature of 20 °C:bei Temperaturzunahme ca. ± 0,4 %/10 K,falling temperature approx. ± 0.4 %/10 Kvom jeweiligen SkalenendwertDegree of protectionIP 32 (EN 60529) Standard design ConnectionBrass, centre backMeasuring elementBourdon tube, Copper alloy≤ 60 bar: "C" type tube> 60 bar: helical tubemovementBrassDialNG 50: Kunststoff, weißScalingD231: D231: dual scale, bar outer, black – psi inner, redPointerNG 50: Kunststoff, schwarzHousingStahlblech, schwarzpush on bezelNG 50: windowNG 50: Kunststoff, eingeclipst Technical drawings Click the corresponding image for detail views, additional information and dimension tables. NG 40/50/63 – centre back connection, 3-hole fixing, panel mounting bezel Dimensions (mm) NG b2∅c c1 c2 d1 d2 d3 d4 d5 g1 G s1 s2 SW 40 26 4 2 10 51 61 3,6 41 45 42,5 G⅛B 2,5 2 12 50 27,5 5 2 13 60 71 3,6 50 54 49 G¼B 2,5 2 14 63 30,3 5 2 13 75 85 3,6 63 66,5 51,3 G¼B 2,5 2 14 Downloads AFRISO_EU-KONFORMITAETSERKLAERUNG_DRUCKGERAETE_DE.PDF Industrial technology PDF Download Montage Manometer Manuals Industrial technology PDF Download Rohrfeder-, Kapselfeder-, Plattenfeder-, Membranfedermanometer für Differenzdruck Manuals Industrial technology PDF Ukrainian German German Related products
AFRISO Smart Home AFRISO Smart Home offers innovative solutions for intelligent home automation. With modern sensors and actuators, you can easily and conveniently control your home. More Informations Service-Center Service-Center Overview Service Contact persons Data exchange formats Catalogs Service-Center Flexible, cost-aware, on schedule, solution-oriented and fast – the AFRISO team always provides the decisive added value. More Informations Training & Events Training & Events Overview Exhibitions Exhibitions Overview SHK+E 2026, Essen IFH Intherm 2026, Nuremberg GET Nord 2026, Hamburg Schulungen & Trainings Schulungen & Trainings Overview Heizen mit flüssigen Brennstoffen Inhouse-Schulung - Heizen mit flüssigen Brennstoffen Inhouse-Schulung Heizölverbraucheranlagen Smart Home Experte Search
Service-Center Flexible, cost-aware, on schedule, solution-oriented and fast – the AFRISO team always provides the decisive added value. More Informations Training & Events Training & Events Overview Exhibitions Exhibitions Overview SHK+E 2026, Essen IFH Intherm 2026, Nuremberg GET Nord 2026, Hamburg Schulungen & Trainings Schulungen & Trainings Overview Heizen mit flüssigen Brennstoffen Inhouse-Schulung - Heizen mit flüssigen Brennstoffen Inhouse-Schulung Heizölverbraucheranlagen Smart Home Experte Search
Images 7 RF50 D231 Rohrfeder-Standardmanometer Typ D2 Variants Documents Info housing ⌀ (nominal size)50 mmConnectionG¼Balignmentcentre backaccuracy class1,6standardEN 837-1 Benefits for pneumatic and heating system applications (NG 40 - 50 - 63)for domestic technology and mechanical engineering applications (NG 80 - 100 - 160)robust steel housingwindow with adjustable reference pointer (NG 80 - 100)with reference pointer on dial (NG 160)Accuracy class 1.6many customised versions available Application For gaseous and liquid media which are not highly viscous, do not crystallise and do not attack copper alloys.! For measuring gas or vapour, observe the table "Selection Criteria as per EN 837-2"! Variants Technical data Technical drawings Downloads Variants RangeMounting typeTypePart number-1/0 bar3-hole fixing, panel mounting bezelRF50 D231850512310/1 bar3-hole fixing, panel mounting bezelRF50 D231850602310/1.6 bar3-hole fixing, panel mounting bezelRF50 D231850612310/2.5 bar3-hole fixing, panel mounting bezelRF50 D231850622310/4 bar3-hole fixing, panel mounting bezelRF50 D231850632310/6 bar3-hole fixing, panel mounting bezelRF50 D231850642310/10 bar3-hole fixing, panel mounting bezelRF50 D231850652310/16 bar3-hole fixing, panel mounting bezelRF50 D231850662310/25 bar3-hole fixing, panel mounting bezelRF50 D231850672310/40 bar3-hole fixing, panel mounting bezelRF50 D231850682310/60 bar3-hole fixing, panel mounting bezelRF50 D231850692310/100 bar3-hole fixing, panel mounting bezelRF50 D231850702310/160 bar3-hole fixing, panel mounting bezelRF50 D231850712310/250 bar3-hole fixing, panel mounting bezelRF50 D231850722310/400 bar3-hole fixing, panel mounting bezelRF50 D23185073231 in-stock items manufactured goods Technical data TypeD2Nominal size50 - 50accuracy class (EN 837-1/6)1,6ranges (EN 837-1/5)see ordering tableapplication areastatic load: ¾ x full scale valuedynamic load: ⅔ x full scale valueshort-term: Full scale valueOperating temperature rangeMedium: max. 60 °CAmbient: -20/+60 °CTemperature performanceIndication error when the temperature of the measuring system deviates from the normal temperature of 20 °C:bei Temperaturzunahme ca. ± 0,4 %/10 K,falling temperature approx. ± 0.4 %/10 Kvom jeweiligen SkalenendwertDegree of protectionIP 32 (EN 60529) Standard design ConnectionBrass, centre backMeasuring elementBourdon tube, Copper alloy≤ 60 bar: "C" type tube> 60 bar: helical tubemovementBrassDialNG 50: Kunststoff, weißScalingD231: D231: dual scale, bar outer, black – psi inner, redPointerNG 50: Kunststoff, schwarzHousingStahlblech, schwarzpush on bezelNG 50: windowNG 50: Kunststoff, eingeclipst Technical drawings Click the corresponding image for detail views, additional information and dimension tables. NG 40/50/63 – centre back connection, 3-hole fixing, panel mounting bezel Dimensions (mm) NG b2∅c c1 c2 d1 d2 d3 d4 d5 g1 G s1 s2 SW 40 26 4 2 10 51 61 3,6 41 45 42,5 G⅛B 2,5 2 12 50 27,5 5 2 13 60 71 3,6 50 54 49 G¼B 2,5 2 14 63 30,3 5 2 13 75 85 3,6 63 66,5 51,3 G¼B 2,5 2 14 Downloads AFRISO_EU-KONFORMITAETSERKLAERUNG_DRUCKGERAETE_DE.PDF Industrial technology PDF Download Montage Manometer Manuals Industrial technology PDF Download Rohrfeder-, Kapselfeder-, Plattenfeder-, Membranfedermanometer für Differenzdruck Manuals Industrial technology PDF Ukrainian German German
Rohrfeder-, Kapselfeder-, Plattenfeder-, Membranfedermanometer für Differenzdruck Manuals Industrial technology PDF Ukrainian German German