Products Our motto "Technology for Environmental Protection" has long been an inherent part of our product development philosophy and product range. We strive to improve the environment, to make processes which work with greater environmental compatibility and to avoid putting a strain on the environment. We offer you a multitude of innovative solutions, new products and smart concepts. More Informations Industries & Topics Industries & Topics Overview Fuel oil components Fuel oil components Overview Fast and clean oil filter change Avoiding fungal attacks in biofuel More performance with the sintered plastic sieve AFRISO Smart Home AFRISO Smart Home Overview Gateway HG 02 Products Products Overview AFRISOhome App Alexa Smart home applications Smart home applications Overview Leakage security Security Stand-alone applications Stand-alone applications Overview Getting started with AFRIShome Smart Home Craft 4.0 Craft 4.0 Overview OEM-Manifold systems Hydraulic Balancing Hydraulic Balancing Overview VarioQ Vario-DP Tank conversion Hygienic processes AFRISO Smart Home AFRISO Smart Home offers innovative solutions for intelligent home automation. With modern sensors and actuators, you can easily and conveniently control your home. More Informations Service-Center Service-Center Overview Service Contact persons Data exchange formats Catalogs Service-Center Flexible, cost-aware, on schedule, solution-oriented and fast – the AFRISO team always provides the decisive added value. More Informations Training & Events Training & Events Overview Exhibitions Exhibitions Overview SHK+E 2026, Essen IFH Intherm 2026, Nuremberg GET Nord 2026, Hamburg Schulungen & Trainings Schulungen & Trainings Overview Heizen mit flüssigen Brennstoffen Inhouse-Schulung - Heizen mit flüssigen Brennstoffen Inhouse-Schulung Heizölverbraucheranlagen Smart Home Experte Search Industrial technology Mechanical pressure measuring instruments RF50ChGly D732 Images 1 RF50ChGly D732 Rohrfeder-Chemiemanometer Typ D7 mit Glyzerinfüllung Variants Documents Info housing ⌀ (nominal size)50 mmConnectionG¼Balignmentbottom backaccuracy class1,6standardEN 837-1 Benefits for chemical and process engineering applicationsmeasuring system fully welded to housingextremely robust designcan be used in case of heavy vibrations and high, dynamic pressure loadstightness-tested with heliumDNV- and GOSSTANDART-certifiedEx version (optional) Application For corrosive gaseous and liquid media which are not highly viscous and do not crystallise; suitable for corrosive environments. For measurements in areas with high vibration levels and high, dynamic pressure loads.! For measuring gas or vapour, observe the table "Selection Criteria as per EN 837-2" (see appendix)! Variants Technical data Technical drawings Downloads Variants RangeMounting typeTypePart number-1/0 bar3-hole fixing, panel mounting bezelRF50ChGly D73285052732-1/0.6 bar3-hole fixing, panel mounting bezelRF50ChGly D73285051732-1/+1.5 bar3-hole fixing, panel mounting bezelRF50ChGly D73285053732-1/+3 bar3-hole fixing, panel mounting bezelRF50ChGly D73285054732-1/+5 bar3-hole fixing, panel mounting bezelRF50ChGly D73285055732-1/+9 bar3-hole fixing, panel mounting bezelRF50ChGly D73285056732-1/+15 bar3-hole fixing, panel mounting bezelRF50ChGly D732850577320/0.6 bar3-hole fixing, panel mounting bezelRF50ChGly D732850597320/1 bar3-hole fixing, panel mounting bezelRF50ChGly D732850607320/1.6 bar3-hole fixing, panel mounting bezelRF50ChGly D732850617320/2.5 bar3-hole fixing, panel mounting bezelRF50ChGly D732850627320/4 bar3-hole fixing, panel mounting bezelRF50ChGly D732850637320/6 bar3-hole fixing, panel mounting bezelRF50ChGly D732850647320/10 bar3-hole fixing, panel mounting bezelRF50ChGly D732850657320/16 bar3-hole fixing, panel mounting bezelRF50ChGly D732850667320/25 bar3-hole fixing, panel mounting bezelRF50ChGly D732850677320/40 bar3-hole fixing, panel mounting bezelRF50ChGly D732850687320/60 bar3-hole fixing, panel mounting bezelRF50ChGly D732850697320/100 bar3-hole fixing, panel mounting bezelRF50ChGly D732850707320/160 bar3-hole fixing, panel mounting bezelRF50ChGly D732850717320/250 bar3-hole fixing, panel mounting bezelRF50ChGly D732850727320/400 bar3-hole fixing, panel mounting bezelRF50ChGly D732850737320/600 bar3-hole fixing, panel mounting bezelRF50ChGly D73285074732 in-stock items manufactured goods Technical data TypeD7Nominal size50 - 50accuracy class (EN 837-1/6)1,6ranges (EN 837-1/5)see ordering tableapplication areastatic load: ¾ x full scale valuedynamic load: ⅔ x full scale valueshort-term: Full scale valueOperating temperature rangeMedium: max. 100 °CAmbient: -20/+60 °CTemperature performanceIndication error when the temperature of the measuring system deviates from the normal temperature of 20 °C:bei Temperaturzunahme ca. ± 0,4 %/10 K,falling temperature approx. ± 0.4 %/10 Kvom jeweiligen SkalenendwertDegree of protectionIP 54 (EN 60529) with housing vent (< 25 bar) Standard design ConnectionStainless steel 316 L, bottom backMeasuring elementBourdon tube, stainless steel 316 Ti/316 L≤ 60 bar: "C" type tube> 60 bar: helical tubetightness-tested with heliummovementStainless steelDialAluminium, weißScaling blackPointerAluminium, schwarzHousingEdelstahl 304, with blow-outbayonet bezelNG 50: Edelstahl 304windowNG 50: Kunststofffilling liquidglycerine (99.5 %) Technical drawings Click the corresponding image for detail views, additional information and dimension tables. NG 50 – bottom back connection, 3-hole fixing, panel mounting bezel Dimensions (mm) NG b∅c c1 c2 d1* d2* d3* D e G g s s2 SW 50 28 5 213 60 70 3,6 53 12,5 G¼B 51 4,5 2,5 14 * Dimensions as per DIN 16063 * Dimensions as per DIN 16063 Downloads ATEX Bescheinigung Manometer Certificates / DIBt approvals Industrial technology PDF English German AFRISO_EU-KONFORMITAETSERKLAERUNG_DRUCKGERAETE_DE.PDF Industrial technology PDF Download Montage Manometer Manuals Industrial technology PDF Download Rohrfeder-, Kapselfeder-, Plattenfeder-, Membranfedermanometer für Differenzdruck Manuals Industrial technology PDF Ukrainian German German RF50CHGLY_D732_850XX732.STP STEP 3D Modell Industrial technology STP Download Related products
AFRISO Smart Home AFRISO Smart Home offers innovative solutions for intelligent home automation. With modern sensors and actuators, you can easily and conveniently control your home. More Informations Service-Center Service-Center Overview Service Contact persons Data exchange formats Catalogs Service-Center Flexible, cost-aware, on schedule, solution-oriented and fast – the AFRISO team always provides the decisive added value. More Informations Training & Events Training & Events Overview Exhibitions Exhibitions Overview SHK+E 2026, Essen IFH Intherm 2026, Nuremberg GET Nord 2026, Hamburg Schulungen & Trainings Schulungen & Trainings Overview Heizen mit flüssigen Brennstoffen Inhouse-Schulung - Heizen mit flüssigen Brennstoffen Inhouse-Schulung Heizölverbraucheranlagen Smart Home Experte Search
Service-Center Flexible, cost-aware, on schedule, solution-oriented and fast – the AFRISO team always provides the decisive added value. More Informations Training & Events Training & Events Overview Exhibitions Exhibitions Overview SHK+E 2026, Essen IFH Intherm 2026, Nuremberg GET Nord 2026, Hamburg Schulungen & Trainings Schulungen & Trainings Overview Heizen mit flüssigen Brennstoffen Inhouse-Schulung - Heizen mit flüssigen Brennstoffen Inhouse-Schulung Heizölverbraucheranlagen Smart Home Experte Search
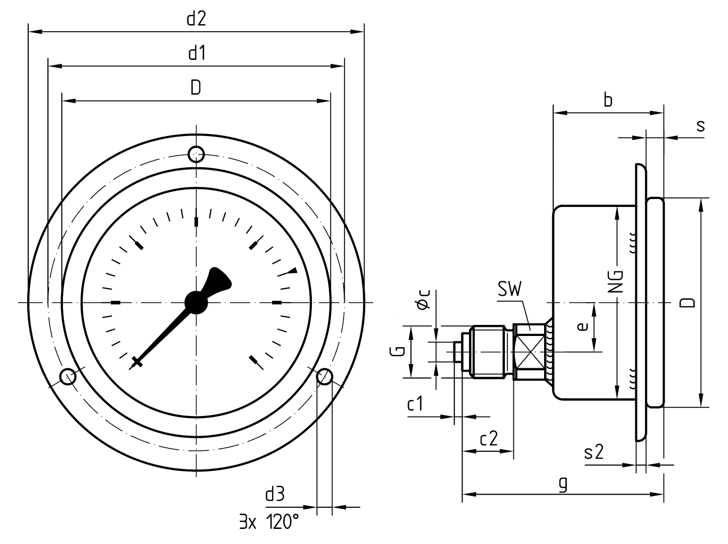
Images 1 RF50ChGly D732 Rohrfeder-Chemiemanometer Typ D7 mit Glyzerinfüllung Variants Documents Info housing ⌀ (nominal size)50 mmConnectionG¼Balignmentbottom backaccuracy class1,6standardEN 837-1 Benefits for chemical and process engineering applicationsmeasuring system fully welded to housingextremely robust designcan be used in case of heavy vibrations and high, dynamic pressure loadstightness-tested with heliumDNV- and GOSSTANDART-certifiedEx version (optional) Application For corrosive gaseous and liquid media which are not highly viscous and do not crystallise; suitable for corrosive environments. For measurements in areas with high vibration levels and high, dynamic pressure loads.! For measuring gas or vapour, observe the table "Selection Criteria as per EN 837-2" (see appendix)! Variants Technical data Technical drawings Downloads Variants RangeMounting typeTypePart number-1/0 bar3-hole fixing, panel mounting bezelRF50ChGly D73285052732-1/0.6 bar3-hole fixing, panel mounting bezelRF50ChGly D73285051732-1/+1.5 bar3-hole fixing, panel mounting bezelRF50ChGly D73285053732-1/+3 bar3-hole fixing, panel mounting bezelRF50ChGly D73285054732-1/+5 bar3-hole fixing, panel mounting bezelRF50ChGly D73285055732-1/+9 bar3-hole fixing, panel mounting bezelRF50ChGly D73285056732-1/+15 bar3-hole fixing, panel mounting bezelRF50ChGly D732850577320/0.6 bar3-hole fixing, panel mounting bezelRF50ChGly D732850597320/1 bar3-hole fixing, panel mounting bezelRF50ChGly D732850607320/1.6 bar3-hole fixing, panel mounting bezelRF50ChGly D732850617320/2.5 bar3-hole fixing, panel mounting bezelRF50ChGly D732850627320/4 bar3-hole fixing, panel mounting bezelRF50ChGly D732850637320/6 bar3-hole fixing, panel mounting bezelRF50ChGly D732850647320/10 bar3-hole fixing, panel mounting bezelRF50ChGly D732850657320/16 bar3-hole fixing, panel mounting bezelRF50ChGly D732850667320/25 bar3-hole fixing, panel mounting bezelRF50ChGly D732850677320/40 bar3-hole fixing, panel mounting bezelRF50ChGly D732850687320/60 bar3-hole fixing, panel mounting bezelRF50ChGly D732850697320/100 bar3-hole fixing, panel mounting bezelRF50ChGly D732850707320/160 bar3-hole fixing, panel mounting bezelRF50ChGly D732850717320/250 bar3-hole fixing, panel mounting bezelRF50ChGly D732850727320/400 bar3-hole fixing, panel mounting bezelRF50ChGly D732850737320/600 bar3-hole fixing, panel mounting bezelRF50ChGly D73285074732 in-stock items manufactured goods Technical data TypeD7Nominal size50 - 50accuracy class (EN 837-1/6)1,6ranges (EN 837-1/5)see ordering tableapplication areastatic load: ¾ x full scale valuedynamic load: ⅔ x full scale valueshort-term: Full scale valueOperating temperature rangeMedium: max. 100 °CAmbient: -20/+60 °CTemperature performanceIndication error when the temperature of the measuring system deviates from the normal temperature of 20 °C:bei Temperaturzunahme ca. ± 0,4 %/10 K,falling temperature approx. ± 0.4 %/10 Kvom jeweiligen SkalenendwertDegree of protectionIP 54 (EN 60529) with housing vent (< 25 bar) Standard design ConnectionStainless steel 316 L, bottom backMeasuring elementBourdon tube, stainless steel 316 Ti/316 L≤ 60 bar: "C" type tube> 60 bar: helical tubetightness-tested with heliummovementStainless steelDialAluminium, weißScaling blackPointerAluminium, schwarzHousingEdelstahl 304, with blow-outbayonet bezelNG 50: Edelstahl 304windowNG 50: Kunststofffilling liquidglycerine (99.5 %) Technical drawings Click the corresponding image for detail views, additional information and dimension tables. NG 50 – bottom back connection, 3-hole fixing, panel mounting bezel Dimensions (mm) NG b∅c c1 c2 d1* d2* d3* D e G g s s2 SW 50 28 5 213 60 70 3,6 53 12,5 G¼B 51 4,5 2,5 14 * Dimensions as per DIN 16063 * Dimensions as per DIN 16063 Downloads ATEX Bescheinigung Manometer Certificates / DIBt approvals Industrial technology PDF English German AFRISO_EU-KONFORMITAETSERKLAERUNG_DRUCKGERAETE_DE.PDF Industrial technology PDF Download Montage Manometer Manuals Industrial technology PDF Download Rohrfeder-, Kapselfeder-, Plattenfeder-, Membranfedermanometer für Differenzdruck Manuals Industrial technology PDF Ukrainian German German RF50CHGLY_D732_850XX732.STP STEP 3D Modell Industrial technology STP Download
Rohrfeder-, Kapselfeder-, Plattenfeder-, Membranfedermanometer für Differenzdruck Manuals Industrial technology PDF Ukrainian German German