Products Our motto "Technology for Environmental Protection" has long been an inherent part of our product development philosophy and product range. We strive to improve the environment, to make processes which work with greater environmental compatibility and to avoid putting a strain on the environment. We offer you a multitude of innovative solutions, new products and smart concepts. More Informations Industries & Topics Industries & Topics Overview Fuel oil components Fuel oil components Overview Fast and clean oil filter change Avoiding fungal attacks in biofuel More performance with the sintered plastic sieve AFRISO Smart Home AFRISO Smart Home Overview Gateway HG 02 Products Products Overview AFRISOhome App Alexa Smart home applications Smart home applications Overview Leakage security Security Stand-alone applications Stand-alone applications Overview Getting started with AFRIShome Smart Home Craft 4.0 Craft 4.0 Overview OEM-Manifold systems Hydraulic Balancing Hydraulic Balancing Overview Vario-DP Tank conversion Hygienic processes AFRISO Smart Home AFRISO Smart Home offers innovative solutions for intelligent home automation. With modern sensors and actuators, you can easily and conveniently control your home. More Informations Service-Center Service-Center Overview Service Contact persons Data exchange formats Catalogs Service-Center Flexible, cost-aware, on schedule, solution-oriented and fast – the AFRISO team always provides the decisive added value. More Informations Training & Events Training & Events Overview Exhibitions Exhibitions Overview SHK+E 2026, Essen IFH Intherm 2026, Nuremberg GET Nord 2026, Hamburg Schulungen & Trainings Schulungen & Trainings Overview Heizen mit flüssigen Brennstoffen Inhouse-Schulung - Heizen mit flüssigen Brennstoffen Inhouse-Schulung Heizölverbraucheranlagen Smart Home Experte Search Industrial technology Mechanical pressure measuring instruments RF63Ch D412 Images 2 RF63Ch D412 Rohrfeder-Chemiemanometer Typ D4 Variants Documents Info housing ⌀ (nominal size)63 mmConnectionG¼Balignmentcentre backaccuracy class1,6standardEN 837-1 Benefits for chemical and process engineering applicationsmeasuring system fully welded to housingextremely robust designfor temperatures of the medium of up to 200 °Ctightness-tested with heliumDNV- and GOSSTANDART-certifiedEx version (optional) Application For corrosive gaseous and liquid media which are not highly viscous and do not crystallise; suitable for corrosive environments.! For measuring gas or vapour, observe the table "Selection Criteria as per EN 837-2"! Variants Technical data Technical drawings Downloads Variants RangeMounting typeTypePart number-1/0 bardirectRF63Ch D41285101412-1/0.6 bardirectRF63Ch D41285102412-1/+1.5 bardirectRF63Ch D41285103412-1/+3 bardirectRF63Ch D41285104412-1/+5 bardirectRF63Ch D41285105412-1/+9 bardirectRF63Ch D41285106412-1/+15 bardirectRF63Ch D412851074120/0.6 bardirectRF63Ch D412851094120/1 bardirectRF63Ch D412851104120/1.6 bardirectRF63Ch D412851114120/2.5 bardirectRF63Ch D412851124120/4 bardirectRF63Ch D412851134120/6 bardirectRF63Ch D412851144120/10 bardirectRF63Ch D412851154120/16 bardirectRF63Ch D412851164120/25 bardirectRF63Ch D412851174120/40 bardirectRF63Ch D412851184120/60 bardirectRF63Ch D412851194120/100 bardirectRF63Ch D412851204120/160 bardirectRF63Ch D412851214120/250 bardirectRF63Ch D412851224120/400 bardirectRF63Ch D412851234120/600 bardirectRF63Ch D412851244120/1 000 bardirectRF63Ch D41285125412 in-stock items manufactured goods Technical data TypeD4Nominal size63 - 63accuracy class (EN 837-1/6)1,6ranges (EN 837-1/5)see ordering tableApplication area NG63static load: ¾ x full scale valuedynamic load: ⅔ x full scale valueshort-term: Full scale valuestatic loaddynamic loadshort-termOperating temperature rangeMedium: max. 200 °CAmbient: -20/+60 °CTemperature performanceIndication error when the temperature of the measuring system deviates from the normal temperature of 20 °C:bei Temperaturzunahme ca. ± 0,4 %/10 K,falling temperature approx. ± 0.4 %/10 Kvom jeweiligen Skalenendwert Standard design ConnectionStainless steel 316 L, centre backG¼B, SW14 (EN 837-1/7.3)Measuring elementBourdon tube, stainless steel 316 Ti/316 L≤ 60 bar: "C" type tube> 60 bar: helical tubetightness-tested with heliummovementStainless steelDialAluminium, weißScaling blackPointerAluminium, schwarzHousingEdelstahl 304, with blow-outbayonet bezelEdelstahl 304windowSicherheitsverbundglas Technical drawings Click the corresponding image for detail views, additional information and dimension tables. Centre back connection Downloads Rohrfeder-Manometer Catalogue options Domestic Technology PDF English German AFRISO_EU-KONFORMITAETSERKLAERUNG_DRUCKGERAETE_DE.PDF Industrial technology PDF Download Montage Manometer Manuals Industrial technology PDF Download Rohrfeder-, Kapselfeder-, Plattenfeder-, Membranfedermanometer für Differenzdruck Manuals Industrial technology PDF Ukrainian German German Related products
AFRISO Smart Home AFRISO Smart Home offers innovative solutions for intelligent home automation. With modern sensors and actuators, you can easily and conveniently control your home. More Informations Service-Center Service-Center Overview Service Contact persons Data exchange formats Catalogs Service-Center Flexible, cost-aware, on schedule, solution-oriented and fast – the AFRISO team always provides the decisive added value. More Informations Training & Events Training & Events Overview Exhibitions Exhibitions Overview SHK+E 2026, Essen IFH Intherm 2026, Nuremberg GET Nord 2026, Hamburg Schulungen & Trainings Schulungen & Trainings Overview Heizen mit flüssigen Brennstoffen Inhouse-Schulung - Heizen mit flüssigen Brennstoffen Inhouse-Schulung Heizölverbraucheranlagen Smart Home Experte Search
Service-Center Flexible, cost-aware, on schedule, solution-oriented and fast – the AFRISO team always provides the decisive added value. More Informations Training & Events Training & Events Overview Exhibitions Exhibitions Overview SHK+E 2026, Essen IFH Intherm 2026, Nuremberg GET Nord 2026, Hamburg Schulungen & Trainings Schulungen & Trainings Overview Heizen mit flüssigen Brennstoffen Inhouse-Schulung - Heizen mit flüssigen Brennstoffen Inhouse-Schulung Heizölverbraucheranlagen Smart Home Experte Search
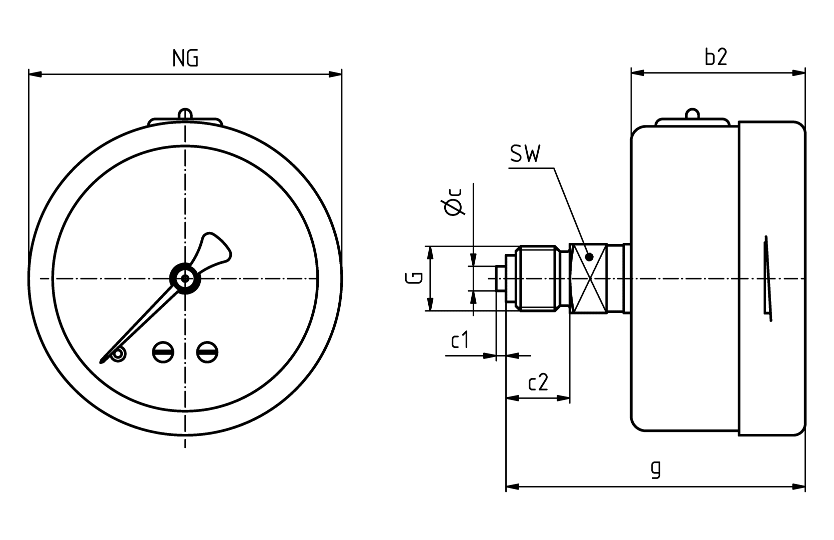
Images 2 RF63Ch D412 Rohrfeder-Chemiemanometer Typ D4 Variants Documents Info housing ⌀ (nominal size)63 mmConnectionG¼Balignmentcentre backaccuracy class1,6standardEN 837-1 Benefits for chemical and process engineering applicationsmeasuring system fully welded to housingextremely robust designfor temperatures of the medium of up to 200 °Ctightness-tested with heliumDNV- and GOSSTANDART-certifiedEx version (optional) Application For corrosive gaseous and liquid media which are not highly viscous and do not crystallise; suitable for corrosive environments.! For measuring gas or vapour, observe the table "Selection Criteria as per EN 837-2"! Variants Technical data Technical drawings Downloads Variants RangeMounting typeTypePart number-1/0 bardirectRF63Ch D41285101412-1/0.6 bardirectRF63Ch D41285102412-1/+1.5 bardirectRF63Ch D41285103412-1/+3 bardirectRF63Ch D41285104412-1/+5 bardirectRF63Ch D41285105412-1/+9 bardirectRF63Ch D41285106412-1/+15 bardirectRF63Ch D412851074120/0.6 bardirectRF63Ch D412851094120/1 bardirectRF63Ch D412851104120/1.6 bardirectRF63Ch D412851114120/2.5 bardirectRF63Ch D412851124120/4 bardirectRF63Ch D412851134120/6 bardirectRF63Ch D412851144120/10 bardirectRF63Ch D412851154120/16 bardirectRF63Ch D412851164120/25 bardirectRF63Ch D412851174120/40 bardirectRF63Ch D412851184120/60 bardirectRF63Ch D412851194120/100 bardirectRF63Ch D412851204120/160 bardirectRF63Ch D412851214120/250 bardirectRF63Ch D412851224120/400 bardirectRF63Ch D412851234120/600 bardirectRF63Ch D412851244120/1 000 bardirectRF63Ch D41285125412 in-stock items manufactured goods Technical data TypeD4Nominal size63 - 63accuracy class (EN 837-1/6)1,6ranges (EN 837-1/5)see ordering tableApplication area NG63static load: ¾ x full scale valuedynamic load: ⅔ x full scale valueshort-term: Full scale valuestatic loaddynamic loadshort-termOperating temperature rangeMedium: max. 200 °CAmbient: -20/+60 °CTemperature performanceIndication error when the temperature of the measuring system deviates from the normal temperature of 20 °C:bei Temperaturzunahme ca. ± 0,4 %/10 K,falling temperature approx. ± 0.4 %/10 Kvom jeweiligen Skalenendwert Standard design ConnectionStainless steel 316 L, centre backG¼B, SW14 (EN 837-1/7.3)Measuring elementBourdon tube, stainless steel 316 Ti/316 L≤ 60 bar: "C" type tube> 60 bar: helical tubetightness-tested with heliummovementStainless steelDialAluminium, weißScaling blackPointerAluminium, schwarzHousingEdelstahl 304, with blow-outbayonet bezelEdelstahl 304windowSicherheitsverbundglas Technical drawings Click the corresponding image for detail views, additional information and dimension tables. Centre back connection Downloads Rohrfeder-Manometer Catalogue options Domestic Technology PDF English German AFRISO_EU-KONFORMITAETSERKLAERUNG_DRUCKGERAETE_DE.PDF Industrial technology PDF Download Montage Manometer Manuals Industrial technology PDF Download Rohrfeder-, Kapselfeder-, Plattenfeder-, Membranfedermanometer für Differenzdruck Manuals Industrial technology PDF Ukrainian German German
Rohrfeder-, Kapselfeder-, Plattenfeder-, Membranfedermanometer für Differenzdruck Manuals Industrial technology PDF Ukrainian German German