Products Our motto "Technology for Environmental Protection" has long been an inherent part of our product development philosophy and product range. We strive to improve the environment, to make processes which work with greater environmental compatibility and to avoid putting a strain on the environment. We offer you a multitude of innovative solutions, new products and smart concepts. More Informations Industries & Topics Industries & Topics Overview Fuel oil components Fuel oil components Overview Fast and clean oil filter change Avoiding fungal attacks in biofuel More performance with the sintered plastic sieve AFRISO Smart Home AFRISO Smart Home Overview Gateway HG 02 Products Products Overview AFRISOhome App Alexa Smart home applications Smart home applications Overview Leakage security Security Stand-alone applications Stand-alone applications Overview Getting started with AFRIShome Smart Home Craft 4.0 Craft 4.0 Overview OEM-Manifold systems Hydraulic Balancing Hydraulic Balancing Overview Vario-DP Tank conversion Hygienic processes AFRISO Smart Home AFRISO Smart Home offers innovative solutions for intelligent home automation. With modern sensors and actuators, you can easily and conveniently control your home. More Informations Service-Center Service-Center Overview Service Contact persons Data exchange formats Catalogs Service-Center Flexible, cost-aware, on schedule, solution-oriented and fast – the AFRISO team always provides the decisive added value. More Informations Training & Events Training & Events Overview Exhibitions Exhibitions Overview SHK+E 2026, Essen IFH Intherm 2026, Nuremberg GET Nord 2026, Hamburg Schulungen & Trainings Schulungen & Trainings Overview Heizen mit flüssigen Brennstoffen Inhouse-Schulung - Heizen mit flüssigen Brennstoffen Inhouse-Schulung Heizölverbraucheranlagen Smart Home Experte Search Industrial technology Mechanical pressure measuring instruments RF63Ch D902 Images 5 RF63Ch D902 Rohrfeder-Chemiemanometer Typ D9 Variants Documents Info housing ⌀ (nominal size)63 mmConnectionG¼Balignmentbottomaccuracy class1,6standardEN 837-1 Benefits for chemical and process engineering applicationsmeasuring system fully welded to housingextremely robust designfor temperatures of the medium of up to 200 °Ctightness-tested with heliumGOSSTANDART-certifiedEx version (optional) Application For corrosive gaseous and liquid media which are not highly viscous and do not crystallise; suitable for corrosive environments.! For measuring gas or vapour, observe the table "Selection Criteria as per EN 837-2"! Variants Technical data Technical drawings Downloads Variants RangeMounting typeTypePart number-1/0 bardirectRF63Ch D90285101902-1/0.6 bardirectRF63Ch D90285102902-1/+1.5 bardirectRF63Ch D90285103902-1/+3 bardirectRF63Ch D90285104902-1/+5 bardirectRF63Ch D90285105902-1/+9 bardirectRF63Ch D90285106902-1/+15 bardirectRF63Ch D902851079020/0.6 bardirectRF63Ch D902851099020/1 bardirectRF63Ch D902851109020/1.6 bardirectRF63Ch D902851119020/2.5 bardirectRF63Ch D902851129020/4 bardirectRF63Ch D902851139020/6 bardirectRF63Ch D902851149020/10 bardirectRF63Ch D902851159020/16 bardirectRF63Ch D902851169020/25 bardirectRF63Ch D902851179020/40 bardirectRF63Ch D902851189020/60 bardirectRF63Ch D902851199020/100 bardirectRF63Ch D902851209020/160 bardirectRF63Ch D902851219020/250 bardirectRF63Ch D902851229020/400 bardirectRF63Ch D902851239020/600 bardirectRF63Ch D902851249020/1 000 bardirectRF63Ch D90285125902 in-stock items manufactured goods Technical data TypeD9Nominal size63 - 63accuracy classEN 837-1/6NG 63: 1,6ranges (EN 837-1/5)see ordering tableapplication areastatic load: ¾ x full scale valuedynamic load: ⅔ x full scale valueshort-term: Full scale valueOperating temperature rangeMediumNG 63: max. 200 °CAmbient: -20/+60 °CTemperature performanceIndication error when the temperature of the measuring system deviates from the normal temperature of 20 °C:bei Temperaturzunahme ca. ± 0,4 %/10 K,falling temperature approx. ± 0.4 %/10 Kvom jeweiligen SkalenendwertDegree of protectionIP 54 (EN 60529) with housing vent (≤ 25 bar) Standard design ConnectionStainless steel 316 L, bottomMeasuring elementBourdon tube, stainless steel 316 Ti/316 L≤ 60 bar: "C" type tube> 60 bar: helical tubetightness-tested with heliummovementStainless steelDialAluminium, weißScaling blackPointerAluminium, schwarzHousingEdelstahl 304, with blow-outbayonet bezelNG 63: Edelstahl 304crimped bezelNG 63: windowNG 63: Sicherheitsverbundglas Technical drawings Click the corresponding image for detail views, additional information and dimension tables. NG 50/63 – bottom connection Dimensions (mm) NG a b∅c c1 c2 D G h s SW 50 10,5 28 5 2 13 53 G¼B 46 4,5 14 63 11,5 32 5 2 13 68 G¼B 53 7 14 Downloads ATEX Bescheinigung Manometer Certificates / DIBt approvals Industrial technology PDF English German Rohrfeder-Manometer Catalogue options Domestic Technology PDF English German AFRISO_EU-KONFORMITAETSERKLAERUNG_DRUCKGERAETE_DE.PDF Industrial technology PDF Download Montage Manometer Manuals Industrial technology PDF Download Rohrfeder-, Kapselfeder-, Plattenfeder-, Membranfedermanometer für Differenzdruck Manuals Industrial technology PDF Ukrainian German German RF63CH_D902_851XX902.STP STEP 3D Modell Industrial technology STP Download Related products
AFRISO Smart Home AFRISO Smart Home offers innovative solutions for intelligent home automation. With modern sensors and actuators, you can easily and conveniently control your home. More Informations Service-Center Service-Center Overview Service Contact persons Data exchange formats Catalogs Service-Center Flexible, cost-aware, on schedule, solution-oriented and fast – the AFRISO team always provides the decisive added value. More Informations Training & Events Training & Events Overview Exhibitions Exhibitions Overview SHK+E 2026, Essen IFH Intherm 2026, Nuremberg GET Nord 2026, Hamburg Schulungen & Trainings Schulungen & Trainings Overview Heizen mit flüssigen Brennstoffen Inhouse-Schulung - Heizen mit flüssigen Brennstoffen Inhouse-Schulung Heizölverbraucheranlagen Smart Home Experte Search
Service-Center Flexible, cost-aware, on schedule, solution-oriented and fast – the AFRISO team always provides the decisive added value. More Informations Training & Events Training & Events Overview Exhibitions Exhibitions Overview SHK+E 2026, Essen IFH Intherm 2026, Nuremberg GET Nord 2026, Hamburg Schulungen & Trainings Schulungen & Trainings Overview Heizen mit flüssigen Brennstoffen Inhouse-Schulung - Heizen mit flüssigen Brennstoffen Inhouse-Schulung Heizölverbraucheranlagen Smart Home Experte Search
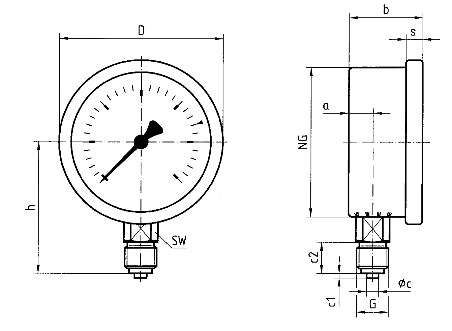
Images 5 RF63Ch D902 Rohrfeder-Chemiemanometer Typ D9 Variants Documents Info housing ⌀ (nominal size)63 mmConnectionG¼Balignmentbottomaccuracy class1,6standardEN 837-1 Benefits for chemical and process engineering applicationsmeasuring system fully welded to housingextremely robust designfor temperatures of the medium of up to 200 °Ctightness-tested with heliumGOSSTANDART-certifiedEx version (optional) Application For corrosive gaseous and liquid media which are not highly viscous and do not crystallise; suitable for corrosive environments.! For measuring gas or vapour, observe the table "Selection Criteria as per EN 837-2"! Variants Technical data Technical drawings Downloads Variants RangeMounting typeTypePart number-1/0 bardirectRF63Ch D90285101902-1/0.6 bardirectRF63Ch D90285102902-1/+1.5 bardirectRF63Ch D90285103902-1/+3 bardirectRF63Ch D90285104902-1/+5 bardirectRF63Ch D90285105902-1/+9 bardirectRF63Ch D90285106902-1/+15 bardirectRF63Ch D902851079020/0.6 bardirectRF63Ch D902851099020/1 bardirectRF63Ch D902851109020/1.6 bardirectRF63Ch D902851119020/2.5 bardirectRF63Ch D902851129020/4 bardirectRF63Ch D902851139020/6 bardirectRF63Ch D902851149020/10 bardirectRF63Ch D902851159020/16 bardirectRF63Ch D902851169020/25 bardirectRF63Ch D902851179020/40 bardirectRF63Ch D902851189020/60 bardirectRF63Ch D902851199020/100 bardirectRF63Ch D902851209020/160 bardirectRF63Ch D902851219020/250 bardirectRF63Ch D902851229020/400 bardirectRF63Ch D902851239020/600 bardirectRF63Ch D902851249020/1 000 bardirectRF63Ch D90285125902 in-stock items manufactured goods Technical data TypeD9Nominal size63 - 63accuracy classEN 837-1/6NG 63: 1,6ranges (EN 837-1/5)see ordering tableapplication areastatic load: ¾ x full scale valuedynamic load: ⅔ x full scale valueshort-term: Full scale valueOperating temperature rangeMediumNG 63: max. 200 °CAmbient: -20/+60 °CTemperature performanceIndication error when the temperature of the measuring system deviates from the normal temperature of 20 °C:bei Temperaturzunahme ca. ± 0,4 %/10 K,falling temperature approx. ± 0.4 %/10 Kvom jeweiligen SkalenendwertDegree of protectionIP 54 (EN 60529) with housing vent (≤ 25 bar) Standard design ConnectionStainless steel 316 L, bottomMeasuring elementBourdon tube, stainless steel 316 Ti/316 L≤ 60 bar: "C" type tube> 60 bar: helical tubetightness-tested with heliummovementStainless steelDialAluminium, weißScaling blackPointerAluminium, schwarzHousingEdelstahl 304, with blow-outbayonet bezelNG 63: Edelstahl 304crimped bezelNG 63: windowNG 63: Sicherheitsverbundglas Technical drawings Click the corresponding image for detail views, additional information and dimension tables. NG 50/63 – bottom connection Dimensions (mm) NG a b∅c c1 c2 D G h s SW 50 10,5 28 5 2 13 53 G¼B 46 4,5 14 63 11,5 32 5 2 13 68 G¼B 53 7 14 Downloads ATEX Bescheinigung Manometer Certificates / DIBt approvals Industrial technology PDF English German Rohrfeder-Manometer Catalogue options Domestic Technology PDF English German AFRISO_EU-KONFORMITAETSERKLAERUNG_DRUCKGERAETE_DE.PDF Industrial technology PDF Download Montage Manometer Manuals Industrial technology PDF Download Rohrfeder-, Kapselfeder-, Plattenfeder-, Membranfedermanometer für Differenzdruck Manuals Industrial technology PDF Ukrainian German German RF63CH_D902_851XX902.STP STEP 3D Modell Industrial technology STP Download
Rohrfeder-, Kapselfeder-, Plattenfeder-, Membranfedermanometer für Differenzdruck Manuals Industrial technology PDF Ukrainian German German