Products Our motto "Technology for Environmental Protection" has long been an inherent part of our product development philosophy and product range. We strive to improve the environment, to make processes which work with greater environmental compatibility and to avoid putting a strain on the environment. We offer you a multitude of innovative solutions, new products and smart concepts. More Informations Industries & Topics Industries & Topics Overview Fuel oil components Fuel oil components Overview Fast and clean oil filter change Avoiding fungal attacks in biofuel More performance with the sintered plastic sieve AFRISO Smart Home AFRISO Smart Home Overview Gateway HG 02 Products Products Overview AFRISOhome App Alexa Smart home applications Smart home applications Overview Leakage security Security Stand-alone applications Stand-alone applications Overview Getting started with AFRIShome Smart Home Craft 4.0 Craft 4.0 Overview OEM-Manifold systems Hydraulic Balancing Hydraulic Balancing Overview VarioQ Vario-DP Tank conversion Hygienic processes AFRISO Smart Home AFRISO Smart Home offers innovative solutions for intelligent home automation. With modern sensors and actuators, you can easily and conveniently control your home. More Informations Service-Center Service-Center Overview Service Contact persons Data exchange formats Catalogs Service-Center Flexible, cost-aware, on schedule, solution-oriented and fast – the AFRISO team always provides the decisive added value. More Informations Training & Events Training & Events Overview Exhibitions Exhibitions Overview SHK+E 2026, Essen IFH Intherm 2026, Nuremberg GET Nord 2026, Hamburg Schulungen & Trainings Schulungen & Trainings Overview Heizen mit flüssigen Brennstoffen Inhouse-Schulung - Heizen mit flüssigen Brennstoffen Inhouse-Schulung Heizölverbraucheranlagen Smart Home Experte Search Industrial technology Mechanical pressure measuring instruments RF63Gly D621 Images 1 RF63Gly D621 Rohrfeder-Glyzerinmanometer Typ D6 Variants Documents Info housing ⌀ (nominal size)63 mmConnectionG¼Balignmentcentre backaccuracy class1,6standardEN 837-1 Benefits can be used in case of heavy vibrations and high, dynamic pressure loadslonger service life due to less wear and corrosion protection of the measuring systemNo steaming up of the inside of the window in case of outdoor applications Application For gaseous and liquid media which are not highly viscous, do not crystallise and do not attack copper alloys. For measurements in areas with high vibration levels and high, dynamic pressure loads. Variants Technical data Technical drawings Downloads Variants RangeMounting typeTypePart number-1/0 bar3-hole fixing, panel mounting bezelRF63Gly D62185101621-1/0.6 bar3-hole fixing, panel mounting bezelRF63Gly D62185102621-1/+1.5 bar3-hole fixing, panel mounting bezelRF63Gly D621851036210/0.6 bar3-hole fixing, panel mounting bezelRF63Gly D621851096210/1 bar3-hole fixing, panel mounting bezelRF63Gly D621851106210/1.6 bar3-hole fixing, panel mounting bezelRF63Gly D621851116210/2.5 bar3-hole fixing, panel mounting bezelRF63Gly D621851126210/4 bar3-hole fixing, panel mounting bezelRF63Gly D621851136210/6 bar3-hole fixing, panel mounting bezelRF63Gly D621851146210/10 bar3-hole fixing, panel mounting bezelRF63Gly D621851156210/16 bar3-hole fixing, panel mounting bezelRF63Gly D621851166210/25 bar3-hole fixing, panel mounting bezelRF63Gly D621851176210/40 bar3-hole fixing, panel mounting bezelRF63Gly D621851186210/60 bar3-hole fixing, panel mounting bezelRF63Gly D621851196210/100 bar3-hole fixing, panel mounting bezelRF63Gly D621851206210/160 bar3-hole fixing, panel mounting bezelRF63Gly D621851216210/250 bar3-hole fixing, panel mounting bezelRF63Gly D621851226210/400 bar3-hole fixing, panel mounting bezelRF63Gly D62185123621 in-stock items manufactured goods Technical data TypeD6Nominal size63 - 63accuracy class (EN 837-1/6)1,6ranges (EN 837-1/5)see ordering tableapplication areastatic load: ¾ x full scale valuedynamic load: ⅔ x full scale valueshort-term: Full scale valueOperating temperature rangeMedium: max. 60 °CAmbient: -20/+60 °CDegree of protectionIP 54 (EN 60529) with housing vent (≤ 25 bar) Standard design ConnectionBrass, centre backMeasuring elementBourdon tube, Copper alloy≤ 60 bar: "C" type tube> 60 bar: helical tubemovementBrassDialNG 63: Aluminium, weißScaling: blackPointerNG 63: Aluminium, schwarzHousingNG 63: Polyamid, schwarzwith blow-outcrimped bezelNG 63: Aluminium, schwarzwindowNG 63: Kunststofffilling liquidglycerine (99.5 %) Technical drawings Click the corresponding image for detail views, additional information and dimension tables. Centre back connection, 3-hole fixing, panel mounting bezel Dimensions (mm) NG b∅c c1 c2 d1 d2 d3 D G g s1 s2 SW 63 32 5 2 1375 85 3,6 68 G¼B 55 5,5 3 14 Downloads Rohrfeder-Manometer Domestic Technology PDF English German AFRISO_EU-KONFORMITAETSERKLAERUNG_DRUCKGERAETE_DE.PDF Industrial technology PDF Download Montage Manometer Manuals Industrial technology PDF Download Rohrfeder-, Kapselfeder-, Plattenfeder-, Membranfedermanometer für Differenzdruck Manuals Industrial technology PDF Ukrainian German German Related products
AFRISO Smart Home AFRISO Smart Home offers innovative solutions for intelligent home automation. With modern sensors and actuators, you can easily and conveniently control your home. More Informations Service-Center Service-Center Overview Service Contact persons Data exchange formats Catalogs Service-Center Flexible, cost-aware, on schedule, solution-oriented and fast – the AFRISO team always provides the decisive added value. More Informations Training & Events Training & Events Overview Exhibitions Exhibitions Overview SHK+E 2026, Essen IFH Intherm 2026, Nuremberg GET Nord 2026, Hamburg Schulungen & Trainings Schulungen & Trainings Overview Heizen mit flüssigen Brennstoffen Inhouse-Schulung - Heizen mit flüssigen Brennstoffen Inhouse-Schulung Heizölverbraucheranlagen Smart Home Experte Search
Service-Center Flexible, cost-aware, on schedule, solution-oriented and fast – the AFRISO team always provides the decisive added value. More Informations Training & Events Training & Events Overview Exhibitions Exhibitions Overview SHK+E 2026, Essen IFH Intherm 2026, Nuremberg GET Nord 2026, Hamburg Schulungen & Trainings Schulungen & Trainings Overview Heizen mit flüssigen Brennstoffen Inhouse-Schulung - Heizen mit flüssigen Brennstoffen Inhouse-Schulung Heizölverbraucheranlagen Smart Home Experte Search
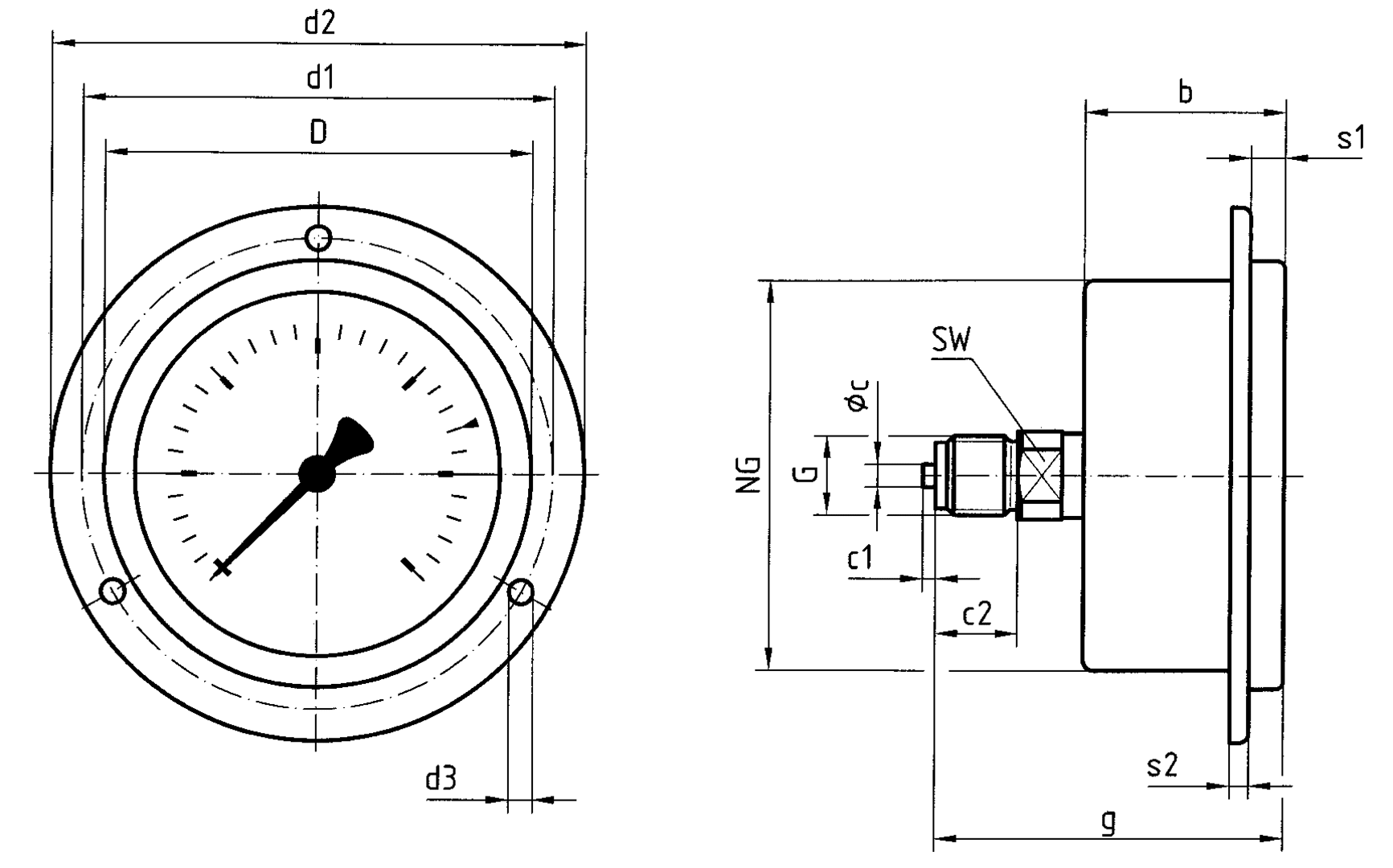
Images 1 RF63Gly D621 Rohrfeder-Glyzerinmanometer Typ D6 Variants Documents Info housing ⌀ (nominal size)63 mmConnectionG¼Balignmentcentre backaccuracy class1,6standardEN 837-1 Benefits can be used in case of heavy vibrations and high, dynamic pressure loadslonger service life due to less wear and corrosion protection of the measuring systemNo steaming up of the inside of the window in case of outdoor applications Application For gaseous and liquid media which are not highly viscous, do not crystallise and do not attack copper alloys. For measurements in areas with high vibration levels and high, dynamic pressure loads. Variants Technical data Technical drawings Downloads Variants RangeMounting typeTypePart number-1/0 bar3-hole fixing, panel mounting bezelRF63Gly D62185101621-1/0.6 bar3-hole fixing, panel mounting bezelRF63Gly D62185102621-1/+1.5 bar3-hole fixing, panel mounting bezelRF63Gly D621851036210/0.6 bar3-hole fixing, panel mounting bezelRF63Gly D621851096210/1 bar3-hole fixing, panel mounting bezelRF63Gly D621851106210/1.6 bar3-hole fixing, panel mounting bezelRF63Gly D621851116210/2.5 bar3-hole fixing, panel mounting bezelRF63Gly D621851126210/4 bar3-hole fixing, panel mounting bezelRF63Gly D621851136210/6 bar3-hole fixing, panel mounting bezelRF63Gly D621851146210/10 bar3-hole fixing, panel mounting bezelRF63Gly D621851156210/16 bar3-hole fixing, panel mounting bezelRF63Gly D621851166210/25 bar3-hole fixing, panel mounting bezelRF63Gly D621851176210/40 bar3-hole fixing, panel mounting bezelRF63Gly D621851186210/60 bar3-hole fixing, panel mounting bezelRF63Gly D621851196210/100 bar3-hole fixing, panel mounting bezelRF63Gly D621851206210/160 bar3-hole fixing, panel mounting bezelRF63Gly D621851216210/250 bar3-hole fixing, panel mounting bezelRF63Gly D621851226210/400 bar3-hole fixing, panel mounting bezelRF63Gly D62185123621 in-stock items manufactured goods Technical data TypeD6Nominal size63 - 63accuracy class (EN 837-1/6)1,6ranges (EN 837-1/5)see ordering tableapplication areastatic load: ¾ x full scale valuedynamic load: ⅔ x full scale valueshort-term: Full scale valueOperating temperature rangeMedium: max. 60 °CAmbient: -20/+60 °CDegree of protectionIP 54 (EN 60529) with housing vent (≤ 25 bar) Standard design ConnectionBrass, centre backMeasuring elementBourdon tube, Copper alloy≤ 60 bar: "C" type tube> 60 bar: helical tubemovementBrassDialNG 63: Aluminium, weißScaling: blackPointerNG 63: Aluminium, schwarzHousingNG 63: Polyamid, schwarzwith blow-outcrimped bezelNG 63: Aluminium, schwarzwindowNG 63: Kunststofffilling liquidglycerine (99.5 %) Technical drawings Click the corresponding image for detail views, additional information and dimension tables. Centre back connection, 3-hole fixing, panel mounting bezel Dimensions (mm) NG b∅c c1 c2 d1 d2 d3 D G g s1 s2 SW 63 32 5 2 1375 85 3,6 68 G¼B 55 5,5 3 14 Downloads Rohrfeder-Manometer Domestic Technology PDF English German AFRISO_EU-KONFORMITAETSERKLAERUNG_DRUCKGERAETE_DE.PDF Industrial technology PDF Download Montage Manometer Manuals Industrial technology PDF Download Rohrfeder-, Kapselfeder-, Plattenfeder-, Membranfedermanometer für Differenzdruck Manuals Industrial technology PDF Ukrainian German German
Rohrfeder-, Kapselfeder-, Plattenfeder-, Membranfedermanometer für Differenzdruck Manuals Industrial technology PDF Ukrainian German German