Products Our motto "Technology for Environmental Protection" has long been an inherent part of our product development philosophy and product range. We strive to improve the environment, to make processes which work with greater environmental compatibility and to avoid putting a strain on the environment. We offer you a multitude of innovative solutions, new products and smart concepts. More Informations Industries & Topics Industries & Topics Overview Fuel oil components Fuel oil components Overview Fast and clean oil filter change Avoiding fungal attacks in biofuel More performance with the sintered plastic sieve AFRISO Smart Home AFRISO Smart Home Overview Gateway HG 02 Products Products Overview AFRISOhome App Alexa Smart home applications Smart home applications Overview Leakage security Security Stand-alone applications Stand-alone applications Overview Getting started with AFRIShome Smart Home Craft 4.0 Craft 4.0 Overview OEM-Manifold systems Hydraulic Balancing Hydraulic Balancing Overview VarioQ Vario-DP Tank conversion Hygienic processes AFRISO Smart Home AFRISO Smart Home offers innovative solutions for intelligent home automation. With modern sensors and actuators, you can easily and conveniently control your home. More Informations Service-Center Service-Center Overview Service Contact persons Data exchange formats Catalogs Service-Center Flexible, cost-aware, on schedule, solution-oriented and fast – the AFRISO team always provides the decisive added value. More Informations Training & Events Training & Events Overview Exhibitions Exhibitions Overview SHK+E 2026, Essen IFH Intherm 2026, Nuremberg GET Nord 2026, Hamburg Schulungen & Trainings Schulungen & Trainings Overview Heizen mit flüssigen Brennstoffen Inhouse-Schulung - Heizen mit flüssigen Brennstoffen Inhouse-Schulung Heizölverbraucheranlagen Smart Home Experte Search Industrial technology Mechanical pressure measuring instruments RF63Gly D731 Images 7 RF63Gly D731 Rohrfeder-Glyzerinmanometer Typ D7 Variants Documents Info housing ⌀ (nominal size)63 mmConnectionG¼Balignmentcentre backaccuracy class1,6standardEN 837-1 Benefits robust stainless steel housingcan be used in case of heavy vibrations and high, dynamic pressure loadslonger service life due to less wear and corrosion protection of the measuring systemNo steaming up of the inside of the window in case of outdoor applications Application For gaseous and liquid media which are not highly viscous, do not crystallise and do not attack copper alloys. For measurements in areas with high vibration levels and high, dynamic pressure loads. Variants Technical data Technical drawings Downloads Variants RangeMounting typeTypePart number-1/0 bar3-hole fixing, panel mounting bezelRF63Gly D73185101731-1/0.6 bar3-hole fixing, panel mounting bezelRF63Gly D73185102731-1/+1.5 bar3-hole fixing, panel mounting bezelRF63Gly D73185103731-1/+3 bar3-hole fixing, panel mounting bezelRF63Gly D73185104731-1/+5 bar3-hole fixing, panel mounting bezelRF63Gly D73185105731-1/+9 bar3-hole fixing, panel mounting bezelRF63Gly D73185106731-1/+15 bar3-hole fixing, panel mounting bezelRF63Gly D731851077310/0.6 bar3-hole fixing, panel mounting bezelRF63Gly D731851097310/1 bar3-hole fixing, panel mounting bezelRF63Gly D731851107310/1.6 bar3-hole fixing, panel mounting bezelRF63Gly D731851117310/2.5 bar3-hole fixing, panel mounting bezelRF63Gly D731851127310/4 bar3-hole fixing, panel mounting bezelRF63Gly D731851137310/6 bar3-hole fixing, panel mounting bezelRF63Gly D731851147310/10 bar3-hole fixing, panel mounting bezelRF63Gly D731851157310/16 bar3-hole fixing, panel mounting bezelRF63Gly D731851167310/25 bar3-hole fixing, panel mounting bezelRF63Gly D731851177310/40 bar3-hole fixing, panel mounting bezelRF63Gly D731851187310/60 bar3-hole fixing, panel mounting bezelRF63Gly D731851197310/100 bar3-hole fixing, panel mounting bezelRF63Gly D731851207310/160 bar3-hole fixing, panel mounting bezelRF63Gly D731851217310/250 bar3-hole fixing, panel mounting bezelRF63Gly D731851227310/315 bar3-hole fixing, panel mounting bezelRF63Gly D731868187310/400 bar3-hole fixing, panel mounting bezelRF63Gly D731851237310/600 bar3-hole fixing, panel mounting bezelRF63Gly D73185124731 in-stock items manufactured goods Technical data TypeD7Nominal size63 - 63accuracy class (EN 837-1/6)1,6ranges (EN 837-1/5)see ordering tableapplication areastatic load: ¾ x full scale valuedynamic load: ⅔ x full scale valueshort-term: Full scale valueOperating temperature rangeMedium: max. 60 °CAmbient: -20/+60 °CDegree of protectionIP 54 (EN 60529) with housing vent (≤ 25 bar) Standard design ConnectionBrass, centre backMeasuring elementBourdon tube≤ 60 bar: "C" type tube> 60 bar: helical tubemovementBrassDialAluminium, weißRF63Gly: dual scale, bar outer, black – psi inner, redPointerAluminium, schwarzHousingEdelstahl 304, with blow-outcrimped bezelEdelstahl 304windowKunststofffilling liquidglycerine (99.5 %) Technical drawings Click the corresponding image for detail views, additional information and dimension tables. NG 50/63 – centre back connection, 3-hole fixing, panel mounting bezel Dimensions (mm) NG b∅c c1 c2 d1 d2 d3 d4 D G g s1 s2 SW 63 30,5 5 2 13 75 85 3,6 64 68 G¼B 53,3 5,5 2 14 Downloads ATEX Bescheinigung Manometer Certificates / DIBt approvals Industrial technology PDF English German Rohrfeder-Manometer Domestic Technology PDF English German AFRISO_EU-KONFORMITAETSERKLAERUNG_DRUCKGERAETE_DE.PDF Industrial technology PDF Download Montage Manometer Manuals Industrial technology PDF Download Rohrfeder-, Kapselfeder-, Plattenfeder-, Membranfedermanometer für Differenzdruck Manuals Industrial technology PDF Ukrainian German German RF63GLY_D731_851XX731.STP STEP 3D Modell Industrial technology STP Download Related products
AFRISO Smart Home AFRISO Smart Home offers innovative solutions for intelligent home automation. With modern sensors and actuators, you can easily and conveniently control your home. More Informations Service-Center Service-Center Overview Service Contact persons Data exchange formats Catalogs Service-Center Flexible, cost-aware, on schedule, solution-oriented and fast – the AFRISO team always provides the decisive added value. More Informations Training & Events Training & Events Overview Exhibitions Exhibitions Overview SHK+E 2026, Essen IFH Intherm 2026, Nuremberg GET Nord 2026, Hamburg Schulungen & Trainings Schulungen & Trainings Overview Heizen mit flüssigen Brennstoffen Inhouse-Schulung - Heizen mit flüssigen Brennstoffen Inhouse-Schulung Heizölverbraucheranlagen Smart Home Experte Search
Service-Center Flexible, cost-aware, on schedule, solution-oriented and fast – the AFRISO team always provides the decisive added value. More Informations Training & Events Training & Events Overview Exhibitions Exhibitions Overview SHK+E 2026, Essen IFH Intherm 2026, Nuremberg GET Nord 2026, Hamburg Schulungen & Trainings Schulungen & Trainings Overview Heizen mit flüssigen Brennstoffen Inhouse-Schulung - Heizen mit flüssigen Brennstoffen Inhouse-Schulung Heizölverbraucheranlagen Smart Home Experte Search
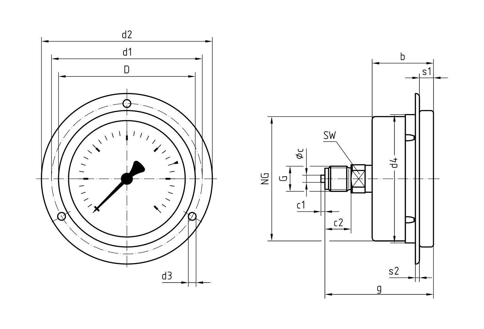
Images 7 RF63Gly D731 Rohrfeder-Glyzerinmanometer Typ D7 Variants Documents Info housing ⌀ (nominal size)63 mmConnectionG¼Balignmentcentre backaccuracy class1,6standardEN 837-1 Benefits robust stainless steel housingcan be used in case of heavy vibrations and high, dynamic pressure loadslonger service life due to less wear and corrosion protection of the measuring systemNo steaming up of the inside of the window in case of outdoor applications Application For gaseous and liquid media which are not highly viscous, do not crystallise and do not attack copper alloys. For measurements in areas with high vibration levels and high, dynamic pressure loads. Variants Technical data Technical drawings Downloads Variants RangeMounting typeTypePart number-1/0 bar3-hole fixing, panel mounting bezelRF63Gly D73185101731-1/0.6 bar3-hole fixing, panel mounting bezelRF63Gly D73185102731-1/+1.5 bar3-hole fixing, panel mounting bezelRF63Gly D73185103731-1/+3 bar3-hole fixing, panel mounting bezelRF63Gly D73185104731-1/+5 bar3-hole fixing, panel mounting bezelRF63Gly D73185105731-1/+9 bar3-hole fixing, panel mounting bezelRF63Gly D73185106731-1/+15 bar3-hole fixing, panel mounting bezelRF63Gly D731851077310/0.6 bar3-hole fixing, panel mounting bezelRF63Gly D731851097310/1 bar3-hole fixing, panel mounting bezelRF63Gly D731851107310/1.6 bar3-hole fixing, panel mounting bezelRF63Gly D731851117310/2.5 bar3-hole fixing, panel mounting bezelRF63Gly D731851127310/4 bar3-hole fixing, panel mounting bezelRF63Gly D731851137310/6 bar3-hole fixing, panel mounting bezelRF63Gly D731851147310/10 bar3-hole fixing, panel mounting bezelRF63Gly D731851157310/16 bar3-hole fixing, panel mounting bezelRF63Gly D731851167310/25 bar3-hole fixing, panel mounting bezelRF63Gly D731851177310/40 bar3-hole fixing, panel mounting bezelRF63Gly D731851187310/60 bar3-hole fixing, panel mounting bezelRF63Gly D731851197310/100 bar3-hole fixing, panel mounting bezelRF63Gly D731851207310/160 bar3-hole fixing, panel mounting bezelRF63Gly D731851217310/250 bar3-hole fixing, panel mounting bezelRF63Gly D731851227310/315 bar3-hole fixing, panel mounting bezelRF63Gly D731868187310/400 bar3-hole fixing, panel mounting bezelRF63Gly D731851237310/600 bar3-hole fixing, panel mounting bezelRF63Gly D73185124731 in-stock items manufactured goods Technical data TypeD7Nominal size63 - 63accuracy class (EN 837-1/6)1,6ranges (EN 837-1/5)see ordering tableapplication areastatic load: ¾ x full scale valuedynamic load: ⅔ x full scale valueshort-term: Full scale valueOperating temperature rangeMedium: max. 60 °CAmbient: -20/+60 °CDegree of protectionIP 54 (EN 60529) with housing vent (≤ 25 bar) Standard design ConnectionBrass, centre backMeasuring elementBourdon tube≤ 60 bar: "C" type tube> 60 bar: helical tubemovementBrassDialAluminium, weißRF63Gly: dual scale, bar outer, black – psi inner, redPointerAluminium, schwarzHousingEdelstahl 304, with blow-outcrimped bezelEdelstahl 304windowKunststofffilling liquidglycerine (99.5 %) Technical drawings Click the corresponding image for detail views, additional information and dimension tables. NG 50/63 – centre back connection, 3-hole fixing, panel mounting bezel Dimensions (mm) NG b∅c c1 c2 d1 d2 d3 d4 D G g s1 s2 SW 63 30,5 5 2 13 75 85 3,6 64 68 G¼B 53,3 5,5 2 14 Downloads ATEX Bescheinigung Manometer Certificates / DIBt approvals Industrial technology PDF English German Rohrfeder-Manometer Domestic Technology PDF English German AFRISO_EU-KONFORMITAETSERKLAERUNG_DRUCKGERAETE_DE.PDF Industrial technology PDF Download Montage Manometer Manuals Industrial technology PDF Download Rohrfeder-, Kapselfeder-, Plattenfeder-, Membranfedermanometer für Differenzdruck Manuals Industrial technology PDF Ukrainian German German RF63GLY_D731_851XX731.STP STEP 3D Modell Industrial technology STP Download
Rohrfeder-, Kapselfeder-, Plattenfeder-, Membranfedermanometer für Differenzdruck Manuals Industrial technology PDF Ukrainian German German