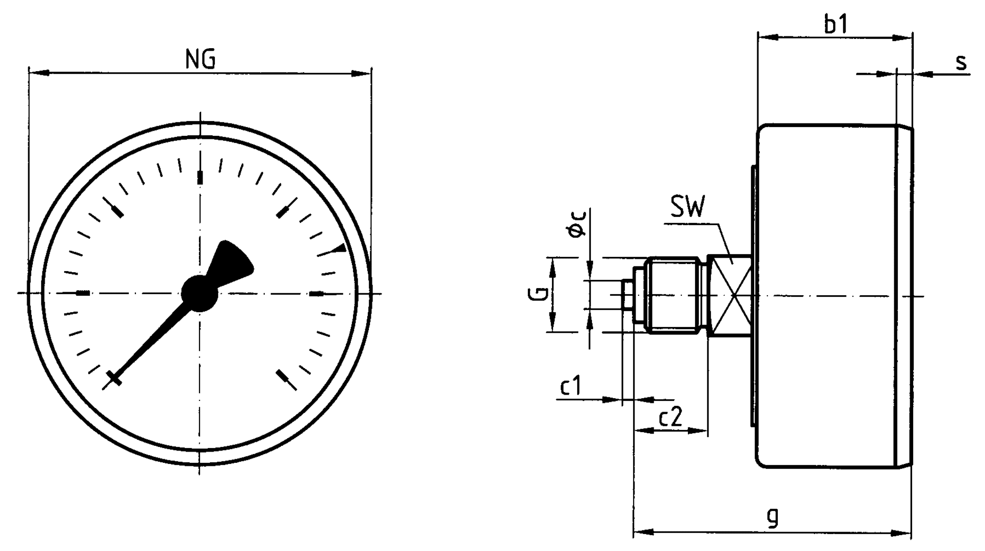
Products Our motto "Technology for Environmental Protection" has long been an inherent part of our product development philosophy and product range. We strive to improve the environment, to make processes which work with greater environmental compatibility and to avoid putting a strain on the environment. We offer you a multitude of innovative solutions, new products and smart concepts. More Informations Industries & Topics Industries & Topics Overview Fuel oil components Fuel oil components Overview Fast and clean oil filter change Avoiding fungal attacks in biofuel More performance with the sintered plastic sieve AFRISO Smart Home AFRISO Smart Home Overview Gateway HG 02 Products Products Overview AFRISOhome App Alexa Smart home applications Smart home applications Overview Leakage security Security Stand-alone applications Stand-alone applications Overview Getting started with AFRIShome Smart Home Craft 4.0 Craft 4.0 Overview OEM-Manifold systems Hydraulic Balancing Hydraulic Balancing Overview VarioQ Vario-DP Tank conversion Hygienic processes AFRISO Smart Home AFRISO Smart Home offers innovative solutions for intelligent home automation. With modern sensors and actuators, you can easily and conveniently control your home. More Informations Service-Center Service-Center Overview Service Contact persons Data exchange formats Catalogs Service-Center Flexible, cost-aware, on schedule, solution-oriented and fast – the AFRISO team always provides the decisive added value. More Informations Training & Events Training & Events Overview Exhibitions Exhibitions Overview SHK+E 2026, Essen IFH Intherm 2026, Nuremberg GET Nord 2026, Hamburg Schulungen & Trainings Schulungen & Trainings Overview Heizen mit flüssigen Brennstoffen Inhouse-Schulung - Heizen mit flüssigen Brennstoffen Inhouse-Schulung Heizölverbraucheranlagen Smart Home Experte Search Industrial technology Mechanical pressure measuring instruments RF63GT D311 Images 2 RF63GT D311 Rohrfeder-Standardmanometer für die Gastechnik Typ D3 Variants Documents Info housing ⌀ (nominal size)63 mmConnectionG¼Balignmentcentre backaccuracy class1,6standardEN 837-1-S2 Benefits Version safety pressure gauge S2 as per EN 837-1dual scale for measurement of different media (option)rear blow-outmany customised versions available Application For gaseous and liquid media which are not highly viscous and do not crystallise. Specially designed for gas technology devices, fittings and installations.! For measuring gas or vapour, these gauges must be used in accordance with the table "Selection Criteria as per EN 837-2" (see appendix)! Variants Technical data Technical drawings Downloads Variants RangeMounting typeTypePart number-1/0 bardirectRF63GT D31185101311GT-1/0.6 bardirectRF63GT D31185102311GT-1/+1.5 bardirectRF63GT D31185103311GT-1/+3 bardirectRF63GT D31185104311GT-1/+5 bardirectRF63GT D31185105311GT-1/+9 bardirectRF63GT D31185106311GT-1/+15 bardirectRF63GT D31185107311GT0/0.6 bardirectRF63GT D31185109311GT0/1 bardirectRF63GT D31185110311GT0/1.6 bardirectRF63GT D31185111311GT0/2.5 bardirectRF63GT D31185112311GT0/4 bardirectRF63GT D31185113311GT0/6 bardirectRF63GT D31185114311GT0/10 bardirectRF63GT D31185115311GT0/16 bardirectRF63GT D31185116311GT0/25 bardirectRF63GT D31185117311GT0/40 bardirectRF63GT D31185118311GT0/60 bardirectRF63GT D31185119311GT0/100 bardirectRF63GT D31185120311GT0/160 bardirectRF63GT D31185121311GT0/250 bardirectRF63GT D31185122311GT0/400 bardirectRF63GT D31185123311GT0/315 bardirectRF63GT D31185129311GT in-stock items manufactured goods Technical data TypeD3Nominal size63 - 63VersionEN 837-1-S2accuracy class (EN 837-1/6)1,6ranges (EN 837-1/5)see ordering tableapplication areastatic load: ¾ x full scale valuedynamic load: ⅔ x full scale valueshort-term: Full scale valueOperating temperature rangeMedium: max. 60 °CAmbient: -20/+60 °CTemperature performanceIndication error when the temperature of the measuring system deviates from the normal temperature of 20 °C:bei Temperaturzunahme ca. ± 0,4 %/10 K,falling temperature approx. ± 0.4 %/10 Kvom jeweiligen SkalenendwertDegree of protectionIP 32 (EN 60529) Standard design ConnectionD311: Brasscentre backMeasuring elementBourdon tubeD311: Copper alloy≤ 40 bar: "C" type tube> 40 bar: helical tubemovementBrassDialAluminium, weißScaling blackPointerAluminium, schwarzHousingEdelstahl 304, with rear blow-outwindowKunststoff, fest eingeschnappt Technical drawings Click the corresponding image for detail views, additional information and dimension tables. Centre back connection Dimensions (mm)NGb1∅cc1c2GgsSW50265213G¼B473,8146329,55213G¼B50,53,714 Downloads Auswahlkriterien und Sicherheitsaspekte für Druckmessgeräte nach EN 837-2 PDF English German AFRISO_EU-KONFORMITAETSERKLAERUNG_DRUCKGERAETE_DE.PDF Industrial technology PDF Download Montage Manometer Manuals Industrial technology PDF Download Rohrfeder-, Kapselfeder-, Plattenfeder-, Membranfedermanometer für Differenzdruck Manuals Industrial technology PDF Ukrainian German German Related products
AFRISO Smart Home AFRISO Smart Home offers innovative solutions for intelligent home automation. With modern sensors and actuators, you can easily and conveniently control your home. More Informations Service-Center Service-Center Overview Service Contact persons Data exchange formats Catalogs Service-Center Flexible, cost-aware, on schedule, solution-oriented and fast – the AFRISO team always provides the decisive added value. More Informations Training & Events Training & Events Overview Exhibitions Exhibitions Overview SHK+E 2026, Essen IFH Intherm 2026, Nuremberg GET Nord 2026, Hamburg Schulungen & Trainings Schulungen & Trainings Overview Heizen mit flüssigen Brennstoffen Inhouse-Schulung - Heizen mit flüssigen Brennstoffen Inhouse-Schulung Heizölverbraucheranlagen Smart Home Experte Search
Service-Center Flexible, cost-aware, on schedule, solution-oriented and fast – the AFRISO team always provides the decisive added value. More Informations Training & Events Training & Events Overview Exhibitions Exhibitions Overview SHK+E 2026, Essen IFH Intherm 2026, Nuremberg GET Nord 2026, Hamburg Schulungen & Trainings Schulungen & Trainings Overview Heizen mit flüssigen Brennstoffen Inhouse-Schulung - Heizen mit flüssigen Brennstoffen Inhouse-Schulung Heizölverbraucheranlagen Smart Home Experte Search
Images 2 RF63GT D311 Rohrfeder-Standardmanometer für die Gastechnik Typ D3 Variants Documents Info housing ⌀ (nominal size)63 mmConnectionG¼Balignmentcentre backaccuracy class1,6standardEN 837-1-S2 Benefits Version safety pressure gauge S2 as per EN 837-1dual scale for measurement of different media (option)rear blow-outmany customised versions available Application For gaseous and liquid media which are not highly viscous and do not crystallise. Specially designed for gas technology devices, fittings and installations.! For measuring gas or vapour, these gauges must be used in accordance with the table "Selection Criteria as per EN 837-2" (see appendix)! Variants Technical data Technical drawings Downloads Variants RangeMounting typeTypePart number-1/0 bardirectRF63GT D31185101311GT-1/0.6 bardirectRF63GT D31185102311GT-1/+1.5 bardirectRF63GT D31185103311GT-1/+3 bardirectRF63GT D31185104311GT-1/+5 bardirectRF63GT D31185105311GT-1/+9 bardirectRF63GT D31185106311GT-1/+15 bardirectRF63GT D31185107311GT0/0.6 bardirectRF63GT D31185109311GT0/1 bardirectRF63GT D31185110311GT0/1.6 bardirectRF63GT D31185111311GT0/2.5 bardirectRF63GT D31185112311GT0/4 bardirectRF63GT D31185113311GT0/6 bardirectRF63GT D31185114311GT0/10 bardirectRF63GT D31185115311GT0/16 bardirectRF63GT D31185116311GT0/25 bardirectRF63GT D31185117311GT0/40 bardirectRF63GT D31185118311GT0/60 bardirectRF63GT D31185119311GT0/100 bardirectRF63GT D31185120311GT0/160 bardirectRF63GT D31185121311GT0/250 bardirectRF63GT D31185122311GT0/400 bardirectRF63GT D31185123311GT0/315 bardirectRF63GT D31185129311GT in-stock items manufactured goods Technical data TypeD3Nominal size63 - 63VersionEN 837-1-S2accuracy class (EN 837-1/6)1,6ranges (EN 837-1/5)see ordering tableapplication areastatic load: ¾ x full scale valuedynamic load: ⅔ x full scale valueshort-term: Full scale valueOperating temperature rangeMedium: max. 60 °CAmbient: -20/+60 °CTemperature performanceIndication error when the temperature of the measuring system deviates from the normal temperature of 20 °C:bei Temperaturzunahme ca. ± 0,4 %/10 K,falling temperature approx. ± 0.4 %/10 Kvom jeweiligen SkalenendwertDegree of protectionIP 32 (EN 60529) Standard design ConnectionD311: Brasscentre backMeasuring elementBourdon tubeD311: Copper alloy≤ 40 bar: "C" type tube> 40 bar: helical tubemovementBrassDialAluminium, weißScaling blackPointerAluminium, schwarzHousingEdelstahl 304, with rear blow-outwindowKunststoff, fest eingeschnappt Technical drawings Click the corresponding image for detail views, additional information and dimension tables. Centre back connection Dimensions (mm)NGb1∅cc1c2GgsSW50265213G¼B473,8146329,55213G¼B50,53,714 Downloads Auswahlkriterien und Sicherheitsaspekte für Druckmessgeräte nach EN 837-2 PDF English German AFRISO_EU-KONFORMITAETSERKLAERUNG_DRUCKGERAETE_DE.PDF Industrial technology PDF Download Montage Manometer Manuals Industrial technology PDF Download Rohrfeder-, Kapselfeder-, Plattenfeder-, Membranfedermanometer für Differenzdruck Manuals Industrial technology PDF Ukrainian German German
Rohrfeder-, Kapselfeder-, Plattenfeder-, Membranfedermanometer für Differenzdruck Manuals Industrial technology PDF Ukrainian German German