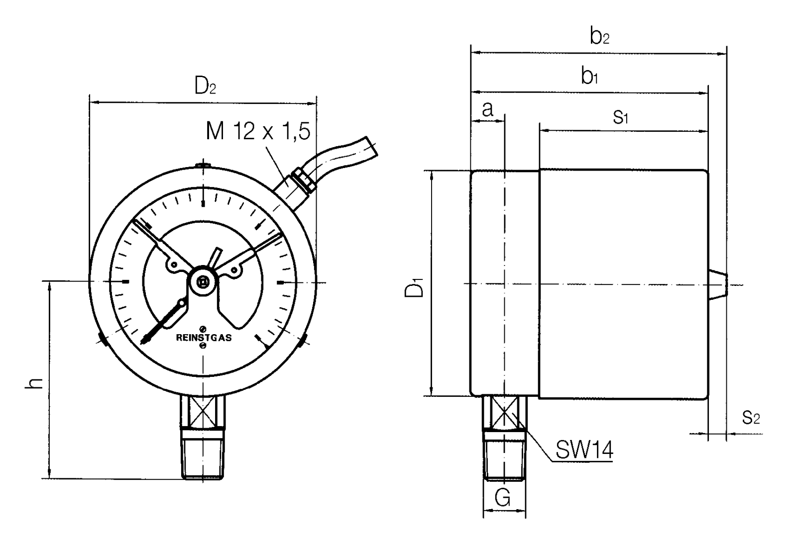
Products Our motto "Technology for Environmental Protection" has long been an inherent part of our product development philosophy and product range. We strive to improve the environment, to make processes which work with greater environmental compatibility and to avoid putting a strain on the environment. We offer you a multitude of innovative solutions, new products and smart concepts. More Informations Industries & Topics Industries & Topics Overview Fuel oil components Fuel oil components Overview Fast and clean oil filter change Avoiding fungal attacks in biofuel More performance with the sintered plastic sieve AFRISO Smart Home AFRISO Smart Home Overview Gateway HG 02 Products Products Overview AFRISOhome App Alexa Smart home applications Smart home applications Overview Leakage security Security Stand-alone applications Stand-alone applications Overview Getting started with AFRIShome Smart Home Craft 4.0 Craft 4.0 Overview OEM-Manifold systems Hydraulic Balancing Hydraulic Balancing Overview VarioQ Vario-DP Tank conversion Hygienic processes AFRISO Smart Home AFRISO Smart Home offers innovative solutions for intelligent home automation. With modern sensors and actuators, you can easily and conveniently control your home. More Informations Service-Center Service-Center Overview Service Contact persons Data exchange formats Catalogs Service-Center Flexible, cost-aware, on schedule, solution-oriented and fast – the AFRISO team always provides the decisive added value. More Informations Training & Events Training & Events Overview Exhibitions Exhibitions Overview SHK+E 2026, Essen IFH Intherm 2026, Nuremberg GET Nord 2026, Hamburg Schulungen & Trainings Schulungen & Trainings Overview Heizen mit flüssigen Brennstoffen Inhouse-Schulung - Heizen mit flüssigen Brennstoffen Inhouse-Schulung Heizölverbraucheranlagen Smart Home Experte Search Industrial technology Mechanical pressure measuring instruments RF63RG IK1 D302 Images 1 RF63RG IK1 D302 Bourdon tube pressure gauge Variants Documents Info housing ⌀ (nominal size)63 mmConnection¼-18 NPTalignmentbottomaccuracy class1,6 Variants Technical data Technical drawings Downloads Variants RangeMounting typeTypePart number-1/0.6 bardirectRF63RG IK1 D30287252302-1/+1.5 bardirectRF63RG IK1 D30287253302-1/+3 bardirectRF63RG IK1 D30287254302-1/+5 bardirectRF63RG IK1 D30287255302-1/+9 bardirectRF63RG IK1 D30287256302-1/+15 bardirectRF63RG IK1 D302872573020/1.6 bardirectRF63RG IK1 D302872613020/2.5 bardirectRF63RG IK1 D302872623020/4 bardirectRF63RG IK1 D302872633020/6 bardirectRF63RG IK1 D302872643020/10 bardirectRF63RG IK1 D302872653020/16 bardirectRF63RG IK1 D302872663020/25 bardirectRF63RG IK1 D302872673020/40 bardirectRF63RG IK1 D302872683020/60 bardirectRF63RG IK1 D302872693020/100 bardirectRF63RG IK1 D302872703020/160 bardirectRF63RG IK1 D302872713020/250 bardirectRF63RG IK1 D302872723020/400 bardirectRF63RG IK1 D30287273302 in-stock items manufactured goods Technical data TypeD3Nominal size63 - 63accuracy class (EN 837-1/6)1,6rangessee ordering tableCalibration mediumNitrogen or dried airapplication areastatic load: ¾ x full scale valuedynamic load: ⅔ x full scale valueshort-term: Full scale valuecontact typesinductive contact (IK)minimum rangeContactIK Single: Medium: max. 150 °CAmbient: -20/+60 °CTemperature performanceIndication error when the temperature of the measuring system deviates from the normal temperature of 20 °C:bei Temperaturzunahme ca. ± 0,4 %/10 K,falling temperature approx. ± 0.4 %/10 Kvom jeweiligen SkalenendwertDegree of protectionIP 32 (EN 60529) Standard design Connectionstainless steel 316 Ti/316 L, bottomMeasuring elementBourdon tube, stainless steel 316 Ti/316 L≤ 60 bar: "C" type tube> 60 bar: helical tubewetted partscleaned,mit Stickstoff gespült,electropolished,Oberflächenrauhigkeit ≤ Ra 0,6 µmmovementStainless steelDialAluminium, weißScaling: blacklabel: ultra-pure gasPointerAluminium, schwarzHousingEdelstahl 304 back blow-outpush on bezelEdelstahl 304, blankwindowKunststoffMagnetic spring contact (MK)Inductive contact (IK)Supply voltageDC 5 V DC 25 VCurrent input≥ 2.1 mASwitching accuracyapprox. 0.5 % of full scale valueOperating temperature range-20/+70 °C or corresponding to the respective measuring instrumentsAdjustment range5–95 % measuring range of gaugeOptionscontact systems with safety integrity level SIL 2 Technical drawings Click the corresponding image for detail views, additional information and dimension tables. Dimensions (mm) NG a b∅c c1 c2 D G h s s1 SW 63 9,5 66 5 2 13 64 G¼B 46 47,5 8 14 Downloads AFRISO_EU-KONFORMITAETSERKLAERUNG_DRUCKGERAETE_DE.PDF Industrial technology PDF Download Montage Manometer Manuals Industrial technology PDF Download Rohrfeder-, Kapselfeder-, Plattenfeder-, Membranfedermanometer für Differenzdruck Manuals Industrial technology PDF Ukrainian German German Related products
AFRISO Smart Home AFRISO Smart Home offers innovative solutions for intelligent home automation. With modern sensors and actuators, you can easily and conveniently control your home. More Informations Service-Center Service-Center Overview Service Contact persons Data exchange formats Catalogs Service-Center Flexible, cost-aware, on schedule, solution-oriented and fast – the AFRISO team always provides the decisive added value. More Informations Training & Events Training & Events Overview Exhibitions Exhibitions Overview SHK+E 2026, Essen IFH Intherm 2026, Nuremberg GET Nord 2026, Hamburg Schulungen & Trainings Schulungen & Trainings Overview Heizen mit flüssigen Brennstoffen Inhouse-Schulung - Heizen mit flüssigen Brennstoffen Inhouse-Schulung Heizölverbraucheranlagen Smart Home Experte Search
Service-Center Flexible, cost-aware, on schedule, solution-oriented and fast – the AFRISO team always provides the decisive added value. More Informations Training & Events Training & Events Overview Exhibitions Exhibitions Overview SHK+E 2026, Essen IFH Intherm 2026, Nuremberg GET Nord 2026, Hamburg Schulungen & Trainings Schulungen & Trainings Overview Heizen mit flüssigen Brennstoffen Inhouse-Schulung - Heizen mit flüssigen Brennstoffen Inhouse-Schulung Heizölverbraucheranlagen Smart Home Experte Search
Images 1 RF63RG IK1 D302 Bourdon tube pressure gauge Variants Documents Info housing ⌀ (nominal size)63 mmConnection¼-18 NPTalignmentbottomaccuracy class1,6 Variants Technical data Technical drawings Downloads Variants RangeMounting typeTypePart number-1/0.6 bardirectRF63RG IK1 D30287252302-1/+1.5 bardirectRF63RG IK1 D30287253302-1/+3 bardirectRF63RG IK1 D30287254302-1/+5 bardirectRF63RG IK1 D30287255302-1/+9 bardirectRF63RG IK1 D30287256302-1/+15 bardirectRF63RG IK1 D302872573020/1.6 bardirectRF63RG IK1 D302872613020/2.5 bardirectRF63RG IK1 D302872623020/4 bardirectRF63RG IK1 D302872633020/6 bardirectRF63RG IK1 D302872643020/10 bardirectRF63RG IK1 D302872653020/16 bardirectRF63RG IK1 D302872663020/25 bardirectRF63RG IK1 D302872673020/40 bardirectRF63RG IK1 D302872683020/60 bardirectRF63RG IK1 D302872693020/100 bardirectRF63RG IK1 D302872703020/160 bardirectRF63RG IK1 D302872713020/250 bardirectRF63RG IK1 D302872723020/400 bardirectRF63RG IK1 D30287273302 in-stock items manufactured goods Technical data TypeD3Nominal size63 - 63accuracy class (EN 837-1/6)1,6rangessee ordering tableCalibration mediumNitrogen or dried airapplication areastatic load: ¾ x full scale valuedynamic load: ⅔ x full scale valueshort-term: Full scale valuecontact typesinductive contact (IK)minimum rangeContactIK Single: Medium: max. 150 °CAmbient: -20/+60 °CTemperature performanceIndication error when the temperature of the measuring system deviates from the normal temperature of 20 °C:bei Temperaturzunahme ca. ± 0,4 %/10 K,falling temperature approx. ± 0.4 %/10 Kvom jeweiligen SkalenendwertDegree of protectionIP 32 (EN 60529) Standard design Connectionstainless steel 316 Ti/316 L, bottomMeasuring elementBourdon tube, stainless steel 316 Ti/316 L≤ 60 bar: "C" type tube> 60 bar: helical tubewetted partscleaned,mit Stickstoff gespült,electropolished,Oberflächenrauhigkeit ≤ Ra 0,6 µmmovementStainless steelDialAluminium, weißScaling: blacklabel: ultra-pure gasPointerAluminium, schwarzHousingEdelstahl 304 back blow-outpush on bezelEdelstahl 304, blankwindowKunststoffMagnetic spring contact (MK)Inductive contact (IK)Supply voltageDC 5 V DC 25 VCurrent input≥ 2.1 mASwitching accuracyapprox. 0.5 % of full scale valueOperating temperature range-20/+70 °C or corresponding to the respective measuring instrumentsAdjustment range5–95 % measuring range of gaugeOptionscontact systems with safety integrity level SIL 2 Technical drawings Click the corresponding image for detail views, additional information and dimension tables. Dimensions (mm) NG a b∅c c1 c2 D G h s s1 SW 63 9,5 66 5 2 13 64 G¼B 46 47,5 8 14 Downloads AFRISO_EU-KONFORMITAETSERKLAERUNG_DRUCKGERAETE_DE.PDF Industrial technology PDF Download Montage Manometer Manuals Industrial technology PDF Download Rohrfeder-, Kapselfeder-, Plattenfeder-, Membranfedermanometer für Differenzdruck Manuals Industrial technology PDF Ukrainian German German
Rohrfeder-, Kapselfeder-, Plattenfeder-, Membranfedermanometer für Differenzdruck Manuals Industrial technology PDF Ukrainian German German