Products Our motto "Technology for Environmental Protection" has long been an inherent part of our product development philosophy and product range. We strive to improve the environment, to make processes which work with greater environmental compatibility and to avoid putting a strain on the environment. We offer you a multitude of innovative solutions, new products and smart concepts. More Informations Industries & Topics Industries & Topics Overview Fuel oil components Fuel oil components Overview Fast and clean oil filter change Avoiding fungal attacks in biofuel More performance with the sintered plastic sieve AFRISO Smart Home AFRISO Smart Home Overview Gateway HG 02 Products Products Overview AFRISOhome App Alexa Smart home applications Smart home applications Overview Leakage security Security Stand-alone applications Stand-alone applications Overview Getting started with AFRIShome Smart Home Craft 4.0 Craft 4.0 Overview OEM-Manifold systems Hydraulic Balancing Hydraulic Balancing Overview Vario-DP Tank conversion Hygienic processes AFRISO Smart Home AFRISO Smart Home offers innovative solutions for intelligent home automation. With modern sensors and actuators, you can easily and conveniently control your home. More Informations Service-Center Service-Center Overview Service Contact persons Data exchange formats Catalogs Service-Center Flexible, cost-aware, on schedule, solution-oriented and fast – the AFRISO team always provides the decisive added value. More Informations Training & Events Training & Events Overview Exhibitions Exhibitions Overview SHK+E 2026, Essen IFH Intherm 2026, Nuremberg GET Nord 2026, Hamburg Schulungen & Trainings Schulungen & Trainings Overview Heizen mit flüssigen Brennstoffen Inhouse-Schulung - Heizen mit flüssigen Brennstoffen Inhouse-Schulung Heizölverbraucheranlagen Smart Home Experte Search Industrial technology Mechanical pressure measuring instruments RF63Si D412 Images 2 RF63Si D412 Rohrfeder-Sicherheitsmanometer Typ D4 Variants Documents Info housing ⌀ (nominal size)63 mmConnectionG¼Balignmentbottom backaccuracy class2,5standardEN 837-1 Benefits Safety housing S3 as per EN 837-1/9.7.2measuring system fully welded to housingtightness-tested with heliumDNV- and GOSSTANDART-certifiedEx version (optional) Application For corrosive gaseous and liquid media which are not highly viscous and do not crystallise; suitable for corrosive environments. This gauge is designed for applications as per EN 837-1/9.7.2. Variants Technical data Technical drawings Downloads Variants RangeMounting typeTypePart number0/600 bardirectRF63Si D412854244120/1 000 bardirectRF63Si D41285425412 in-stock items manufactured goods Technical data TypeD4Nominal size63 - 63accuracy classEN 837-1/6NG 63, ≥ 600 bar: 2,5ranges (EN 837-1/5)see ordering tableNG 100, NG 160static loaddynamic loadshort-termOperating temperature rangeMedium: max. 100 °CAmbient: -20/+60 °CDegree of protectionIP 54 (EN 60529) Standard design ConnectionStainless steel 316 L, bottom backMeasuring elementBourdon tubestainless steel 316 Ti/316 L≤ 60 bar: "C" type tube> 60 bar: helical tubetightness-tested with heliummovementStainless steelDialAluminium, weißScaling blackPointerAluminium, schwarzHousingEdelstahl 304, with solid baffle wall and blow-out (S3)bayonet bezelEdelstahl 304windowSicherheitsverbundglas Technical drawings Click the corresponding image for detail views, additional information and dimension tables. NG 63 – bottom back connection Dimensions (mm) NG b∅c c1 c2 e G g SW6341 5 2 13 18 G¼B 60 14 Downloads Rohrfeder-Manometer Catalogue options Domestic Technology PDF English German AFRISO_EU-KONFORMITAETSERKLAERUNG_DRUCKGERAETE_DE.PDF Industrial technology PDF Download Montage Manometer Manuals Industrial technology PDF Download Rohrfeder-, Kapselfeder-, Plattenfeder-, Membranfedermanometer für Differenzdruck Manuals Industrial technology PDF Ukrainian German German RF63SI_D412_854XX412.STP STEP 3D Modell Industrial technology STP Download Related products
AFRISO Smart Home AFRISO Smart Home offers innovative solutions for intelligent home automation. With modern sensors and actuators, you can easily and conveniently control your home. More Informations Service-Center Service-Center Overview Service Contact persons Data exchange formats Catalogs Service-Center Flexible, cost-aware, on schedule, solution-oriented and fast – the AFRISO team always provides the decisive added value. More Informations Training & Events Training & Events Overview Exhibitions Exhibitions Overview SHK+E 2026, Essen IFH Intherm 2026, Nuremberg GET Nord 2026, Hamburg Schulungen & Trainings Schulungen & Trainings Overview Heizen mit flüssigen Brennstoffen Inhouse-Schulung - Heizen mit flüssigen Brennstoffen Inhouse-Schulung Heizölverbraucheranlagen Smart Home Experte Search
Service-Center Flexible, cost-aware, on schedule, solution-oriented and fast – the AFRISO team always provides the decisive added value. More Informations Training & Events Training & Events Overview Exhibitions Exhibitions Overview SHK+E 2026, Essen IFH Intherm 2026, Nuremberg GET Nord 2026, Hamburg Schulungen & Trainings Schulungen & Trainings Overview Heizen mit flüssigen Brennstoffen Inhouse-Schulung - Heizen mit flüssigen Brennstoffen Inhouse-Schulung Heizölverbraucheranlagen Smart Home Experte Search
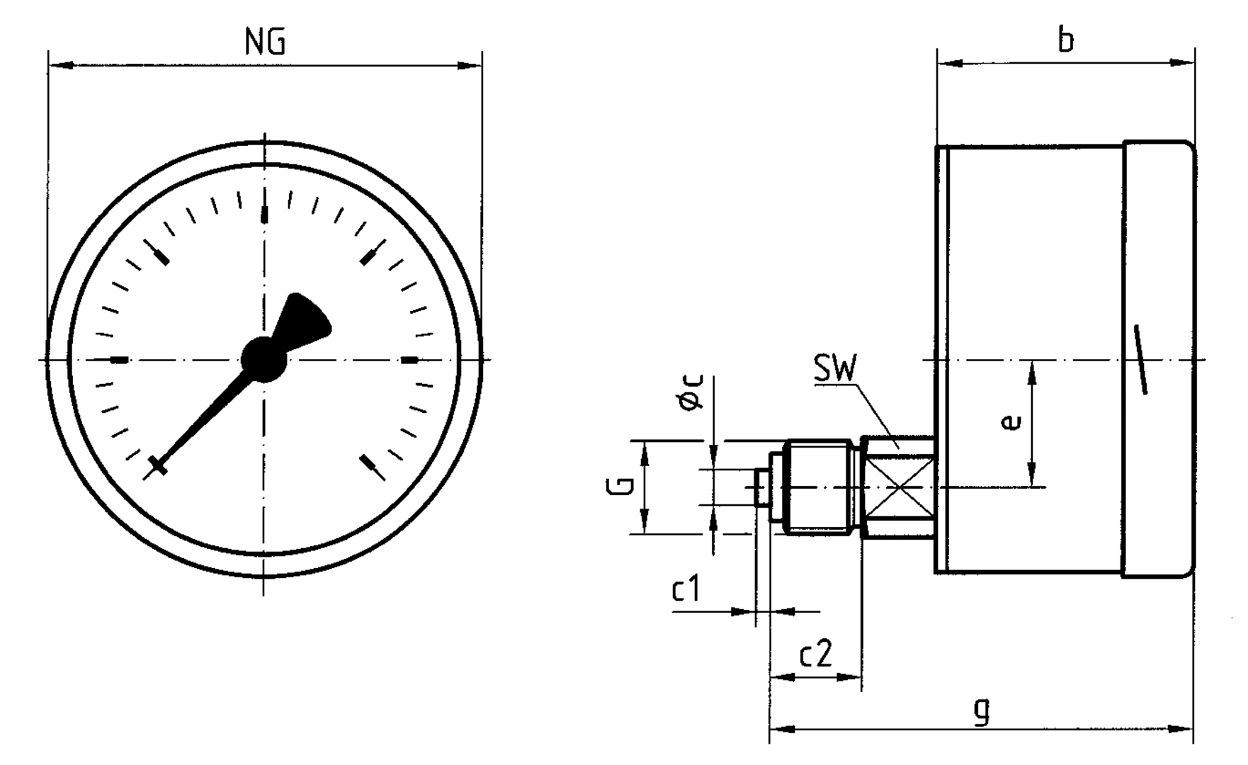
Images 2 RF63Si D412 Rohrfeder-Sicherheitsmanometer Typ D4 Variants Documents Info housing ⌀ (nominal size)63 mmConnectionG¼Balignmentbottom backaccuracy class2,5standardEN 837-1 Benefits Safety housing S3 as per EN 837-1/9.7.2measuring system fully welded to housingtightness-tested with heliumDNV- and GOSSTANDART-certifiedEx version (optional) Application For corrosive gaseous and liquid media which are not highly viscous and do not crystallise; suitable for corrosive environments. This gauge is designed for applications as per EN 837-1/9.7.2. Variants Technical data Technical drawings Downloads Variants RangeMounting typeTypePart number0/600 bardirectRF63Si D412854244120/1 000 bardirectRF63Si D41285425412 in-stock items manufactured goods Technical data TypeD4Nominal size63 - 63accuracy classEN 837-1/6NG 63, ≥ 600 bar: 2,5ranges (EN 837-1/5)see ordering tableNG 100, NG 160static loaddynamic loadshort-termOperating temperature rangeMedium: max. 100 °CAmbient: -20/+60 °CDegree of protectionIP 54 (EN 60529) Standard design ConnectionStainless steel 316 L, bottom backMeasuring elementBourdon tubestainless steel 316 Ti/316 L≤ 60 bar: "C" type tube> 60 bar: helical tubetightness-tested with heliummovementStainless steelDialAluminium, weißScaling blackPointerAluminium, schwarzHousingEdelstahl 304, with solid baffle wall and blow-out (S3)bayonet bezelEdelstahl 304windowSicherheitsverbundglas Technical drawings Click the corresponding image for detail views, additional information and dimension tables. NG 63 – bottom back connection Dimensions (mm) NG b∅c c1 c2 e G g SW6341 5 2 13 18 G¼B 60 14 Downloads Rohrfeder-Manometer Catalogue options Domestic Technology PDF English German AFRISO_EU-KONFORMITAETSERKLAERUNG_DRUCKGERAETE_DE.PDF Industrial technology PDF Download Montage Manometer Manuals Industrial technology PDF Download Rohrfeder-, Kapselfeder-, Plattenfeder-, Membranfedermanometer für Differenzdruck Manuals Industrial technology PDF Ukrainian German German RF63SI_D412_854XX412.STP STEP 3D Modell Industrial technology STP Download
Rohrfeder-, Kapselfeder-, Plattenfeder-, Membranfedermanometer für Differenzdruck Manuals Industrial technology PDF Ukrainian German German