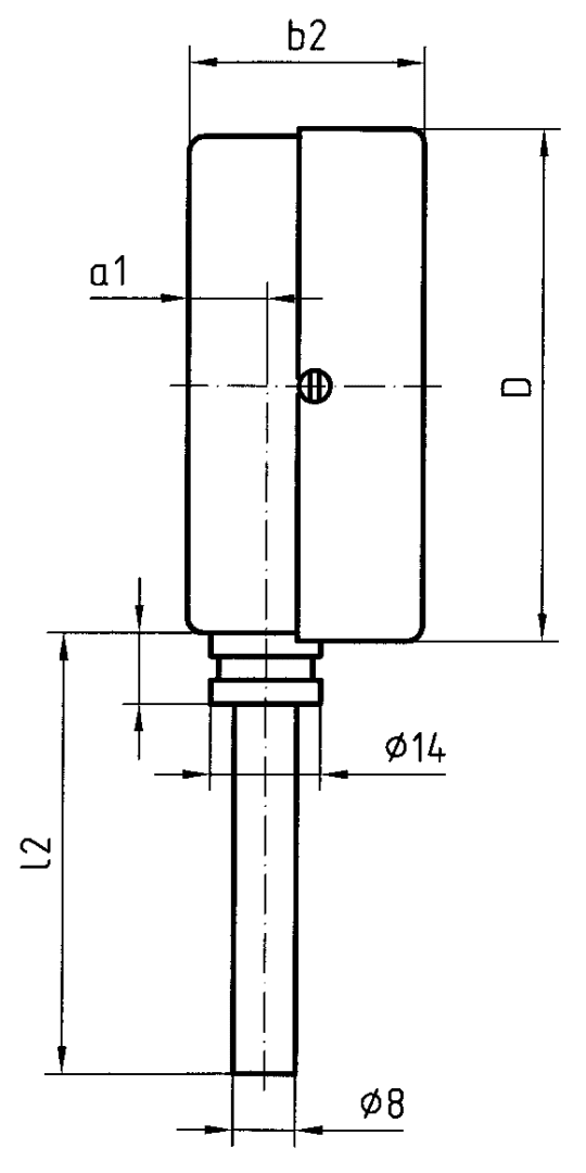
Products Our motto "Technology for Environmental Protection" has long been an inherent part of our product development philosophy and product range. We strive to improve the environment, to make processes which work with greater environmental compatibility and to avoid putting a strain on the environment. We offer you a multitude of innovative solutions, new products and smart concepts. More Informations Industries & Topics Industries & Topics Overview Fuel oil components Fuel oil components Overview Fast and clean oil filter change Avoiding fungal attacks in biofuel More performance with the sintered plastic sieve AFRISO Smart Home AFRISO Smart Home Overview Gateway HG 02 Products Products Overview AFRISOhome App Alexa Smart home applications Smart home applications Overview Leakage security Security Stand-alone applications Stand-alone applications Overview Getting started with AFRIShome Smart Home Craft 4.0 Craft 4.0 Overview OEM-Manifold systems Hydraulic Balancing Hydraulic Balancing Overview Vario-DP Tank conversion Hygienic processes AFRISO Smart Home AFRISO Smart Home offers innovative solutions for intelligent home automation. With modern sensors and actuators, you can easily and conveniently control your home. More Informations Service-Center Service-Center Overview Service Contact persons Data exchange formats Catalogs Service-Center Flexible, cost-aware, on schedule, solution-oriented and fast – the AFRISO team always provides the decisive added value. More Informations Training & Events Training & Events Overview Exhibitions Exhibitions Overview SHK+E 2026, Essen IFH Intherm 2026, Nuremberg GET Nord 2026, Hamburg Schulungen & Trainings Schulungen & Trainings Overview Heizen mit flüssigen Brennstoffen Inhouse-Schulung - Heizen mit flüssigen Brennstoffen Inhouse-Schulung Heizölverbraucheranlagen Smart Home Experte Search Industrial technology Temperature measuring instruments / temperature controllers BiTh 63 E D302 Images 5 BiTh 63 E D302 Bimetall-Edelstahlthermometer Variants Benefits suitable for use in mechanical engineering, plant engineering, process engineering or food industryideal for hygienic processesaccuracy class 1 as per EN 13190for temperatures of the medium of up to 160 °Cwith adapter ring for thermowell Ø 18 mm Application For corrosive media. Suitable for a great range of industrial applications. Variants Technical data Technical drawings Variants Typehousing ⌀mounting positionConnectionRangeFor thermowell with length L1Stem length L1TypeTypePart no.BiTh 63 E63 mmbottomplain-20/+60 °C63 mmBiTh 63 ED30266107302BiTh 63 E63 mmbottomplain-20/+60 °C100 mmBiTh 63 ED30266108302BiTh 63 E63 mmbottomplain-20/+60 °C150 mmBiTh 63 ED30266109302BiTh 63 E63 mmbottomplain-20/+60 °C200 mmBiTh 63 ED30266110302 in-stock items manufactured goods Technical data TypeD3Nominal size63 - 63measuring elementBimetal helixaccuracy class1 (EN 13190)ranges °C-20/+60 °CApplication area (EN 13190)continuous load: Measuring rangeshort-term: RangeOperating pressure at thermowell(not included in scope of delivery)max. 25 bar max.Degree of protectionIP 43 (EN 60529) Standard design ConnectionStem: Stainless steel 316 L, ∅ 8 mmStem: plainmounting positionbottomDialAluminium, weißScaling blackPointerAluminium, schwarzHousingEdelstahl 304push on bezelEdelstahl 304windowInstrumentenglas Technical drawings Click the corresponding image for detail views, additional information and dimension tables. bottom connection, plain Dimensions (mm) NG Da1b2l2 63 63103467 63 63103467 63 63103467 100 1001036104 100 1001036104 100 1001036104 100 1001036104 Related products
AFRISO Smart Home AFRISO Smart Home offers innovative solutions for intelligent home automation. With modern sensors and actuators, you can easily and conveniently control your home. More Informations Service-Center Service-Center Overview Service Contact persons Data exchange formats Catalogs Service-Center Flexible, cost-aware, on schedule, solution-oriented and fast – the AFRISO team always provides the decisive added value. More Informations Training & Events Training & Events Overview Exhibitions Exhibitions Overview SHK+E 2026, Essen IFH Intherm 2026, Nuremberg GET Nord 2026, Hamburg Schulungen & Trainings Schulungen & Trainings Overview Heizen mit flüssigen Brennstoffen Inhouse-Schulung - Heizen mit flüssigen Brennstoffen Inhouse-Schulung Heizölverbraucheranlagen Smart Home Experte Search
Service-Center Flexible, cost-aware, on schedule, solution-oriented and fast – the AFRISO team always provides the decisive added value. More Informations Training & Events Training & Events Overview Exhibitions Exhibitions Overview SHK+E 2026, Essen IFH Intherm 2026, Nuremberg GET Nord 2026, Hamburg Schulungen & Trainings Schulungen & Trainings Overview Heizen mit flüssigen Brennstoffen Inhouse-Schulung - Heizen mit flüssigen Brennstoffen Inhouse-Schulung Heizölverbraucheranlagen Smart Home Experte Search
Images 5 BiTh 63 E D302 Bimetall-Edelstahlthermometer Variants Benefits suitable for use in mechanical engineering, plant engineering, process engineering or food industryideal for hygienic processesaccuracy class 1 as per EN 13190for temperatures of the medium of up to 160 °Cwith adapter ring for thermowell Ø 18 mm Application For corrosive media. Suitable for a great range of industrial applications. Variants Technical data Technical drawings Variants Typehousing ⌀mounting positionConnectionRangeFor thermowell with length L1Stem length L1TypeTypePart no.BiTh 63 E63 mmbottomplain-20/+60 °C63 mmBiTh 63 ED30266107302BiTh 63 E63 mmbottomplain-20/+60 °C100 mmBiTh 63 ED30266108302BiTh 63 E63 mmbottomplain-20/+60 °C150 mmBiTh 63 ED30266109302BiTh 63 E63 mmbottomplain-20/+60 °C200 mmBiTh 63 ED30266110302 in-stock items manufactured goods Technical data TypeD3Nominal size63 - 63measuring elementBimetal helixaccuracy class1 (EN 13190)ranges °C-20/+60 °CApplication area (EN 13190)continuous load: Measuring rangeshort-term: RangeOperating pressure at thermowell(not included in scope of delivery)max. 25 bar max.Degree of protectionIP 43 (EN 60529) Standard design ConnectionStem: Stainless steel 316 L, ∅ 8 mmStem: plainmounting positionbottomDialAluminium, weißScaling blackPointerAluminium, schwarzHousingEdelstahl 304push on bezelEdelstahl 304windowInstrumentenglas Technical drawings Click the corresponding image for detail views, additional information and dimension tables. bottom connection, plain Dimensions (mm) NG Da1b2l2 63 63103467 63 63103467 63 63103467 100 1001036104 100 1001036104 100 1001036104 100 1001036104