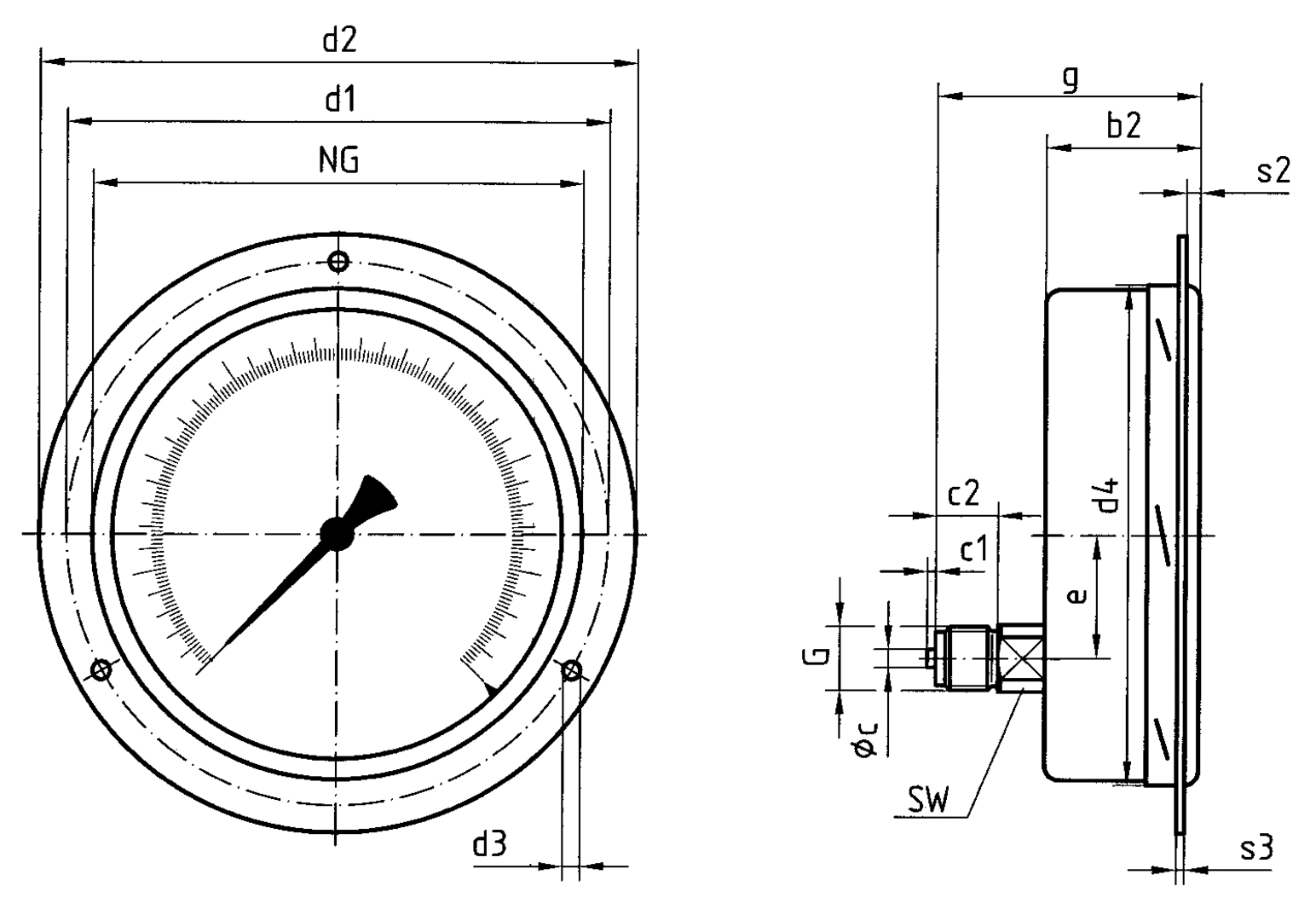
Products Our motto "Technology for Environmental Protection" has long been an inherent part of our product development philosophy and product range. We strive to improve the environment, to make processes which work with greater environmental compatibility and to avoid putting a strain on the environment. We offer you a multitude of innovative solutions, new products and smart concepts. More Informations Industries & Topics Industries & Topics Overview Fuel oil components Fuel oil components Overview Fast and clean oil filter change Avoiding fungal attacks in biofuel More performance with the sintered plastic sieve AFRISO Smart Home AFRISO Smart Home Overview Gateway HG 02 Products Products Overview AFRISOhome App Alexa Smart home applications Smart home applications Overview Leakage security Security Stand-alone applications Stand-alone applications Overview Getting started with AFRIShome Smart Home Craft 4.0 Craft 4.0 Overview OEM-Manifold systems Hydraulic Balancing Hydraulic Balancing Overview Vario-DP Tank conversion Hygienic processes AFRISO Smart Home AFRISO Smart Home offers innovative solutions for intelligent home automation. With modern sensors and actuators, you can easily and conveniently control your home. More Informations Service-Center Service-Center Overview Service Contact persons Data exchange formats Catalogs Service-Center Flexible, cost-aware, on schedule, solution-oriented and fast – the AFRISO team always provides the decisive added value. More Informations Training & Events Training & Events Overview Exhibitions Exhibitions Overview SHK+E 2026, Essen IFH Intherm 2026, Nuremberg GET Nord 2026, Hamburg Schulungen & Trainings Schulungen & Trainings Overview Heizen mit flüssigen Brennstoffen Inhouse-Schulung - Heizen mit flüssigen Brennstoffen Inhouse-Schulung Heizölverbraucheranlagen Smart Home Experte Search Industrial technology Mechanical pressure measuring instruments RF160ChF D432 Images 1 RF160ChF D432 Rohrfeder-Feinmessmanometer Typ D4 Variants Documents Info housing ⌀ (nominal size)160 mmConnectionG½Balignmentbottom backaccuracy class0,6standardEN 837-1 Variants Technical data Technical drawings Downloads Variants RangeMounting typeTypePart number-1/0 bar3-hole fixing, panel mounting bezelRF160ChF D43285701432-1/0.6 bar3-hole fixing, panel mounting bezelRF160ChF D43285702432-1/+1.5 bar3-hole fixing, panel mounting bezelRF160ChF D43285703432-1/+3 bar3-hole fixing, panel mounting bezelRF160ChF D43285704432-1/+5 bar3-hole fixing, panel mounting bezelRF160ChF D43285705432-1/+9 bar3-hole fixing, panel mounting bezelRF160ChF D43285706432-1/+15 bar3-hole fixing, panel mounting bezelRF160ChF D432857074320/0.6 bar3-hole fixing, panel mounting bezelRF160ChF D432857094320/1 bar3-hole fixing, panel mounting bezelRF160ChF D432857104320/1.6 bar3-hole fixing, panel mounting bezelRF160ChF D432857114320/2.5 bar3-hole fixing, panel mounting bezelRF160ChF D432857124320/4 bar3-hole fixing, panel mounting bezelRF160ChF D432857134320/6 bar3-hole fixing, panel mounting bezelRF160ChF D432857144320/10 bar3-hole fixing, panel mounting bezelRF160ChF D432857154320/16 bar3-hole fixing, panel mounting bezelRF160ChF D432857164320/25 bar3-hole fixing, panel mounting bezelRF160ChF D432857174320/40 bar3-hole fixing, panel mounting bezelRF160ChF D432857184320/60 bar3-hole fixing, panel mounting bezelRF160ChF D432857194320/100 bar3-hole fixing, panel mounting bezelRF160ChF D432857204320/160 bar3-hole fixing, panel mounting bezelRF160ChF D432857214320/250 bar3-hole fixing, panel mounting bezelRF160ChF D432857224320/400 bar3-hole fixing, panel mounting bezelRF160ChF D43285723432 in-stock items manufactured goods Technical data TypeD4Nominal size160 - 160accuracy class (EN 837-1/6)0,6rangessee ordering tableapplication areastatic load: ¾ x full scale valuedynamic load: ⅔ x full scale valueshort-term: Full scale valueOperating temperature rangeAmbient: -20/+60 °CDegree of protectionIP 54 (EN 60529) Standard design Connectionstainless steel 316 Ti/316 L, bottom backMeasuring elementBourdon tube≤ 60 bar: "C" type tube, stainless steel 316 Ti/316 L> 60 bar: helical tube, stainless steel 316 Ti/316 LmovementBrass/nickel silver, jewel bearingDialAluminium, weißScaling blackNG 160: knife edge pointerAluminium, schwarzHousingEdelstahl 304bayonet bezelEdelstahl 304windowKunststoff (PMMA) Technical drawings Click the corresponding image for detail views, additional information and dimension tables. NG 160 – bottom back connection, 3-hole fixing, panel mounting bezel Dimensions (mm) NG b2∅c c1 c2 d1* d2 d3* d4 e G g s2 s3 SW 160 50 6 3 20 178 196 5,8 164 44,5 G½B 82 4 2 22 * Dimensions as per DIN 16070 * Dimensions as per DIN 16070 Downloads ATEX Bescheinigung Manometer Certificates / DIBt approvals Industrial technology PDF English German AFRISO_EU-KONFORMITAETSERKLAERUNG_DRUCKGERAETE_DE.PDF Industrial technology PDF Download Montage Manometer Manuals Industrial technology PDF Download Rohrfeder-, Kapselfeder-, Plattenfeder-, Membranfedermanometer für Differenzdruck Manuals Industrial technology PDF Ukrainian German German Related products
AFRISO Smart Home AFRISO Smart Home offers innovative solutions for intelligent home automation. With modern sensors and actuators, you can easily and conveniently control your home. More Informations Service-Center Service-Center Overview Service Contact persons Data exchange formats Catalogs Service-Center Flexible, cost-aware, on schedule, solution-oriented and fast – the AFRISO team always provides the decisive added value. More Informations Training & Events Training & Events Overview Exhibitions Exhibitions Overview SHK+E 2026, Essen IFH Intherm 2026, Nuremberg GET Nord 2026, Hamburg Schulungen & Trainings Schulungen & Trainings Overview Heizen mit flüssigen Brennstoffen Inhouse-Schulung - Heizen mit flüssigen Brennstoffen Inhouse-Schulung Heizölverbraucheranlagen Smart Home Experte Search
Service-Center Flexible, cost-aware, on schedule, solution-oriented and fast – the AFRISO team always provides the decisive added value. More Informations Training & Events Training & Events Overview Exhibitions Exhibitions Overview SHK+E 2026, Essen IFH Intherm 2026, Nuremberg GET Nord 2026, Hamburg Schulungen & Trainings Schulungen & Trainings Overview Heizen mit flüssigen Brennstoffen Inhouse-Schulung - Heizen mit flüssigen Brennstoffen Inhouse-Schulung Heizölverbraucheranlagen Smart Home Experte Search
Images 1 RF160ChF D432 Rohrfeder-Feinmessmanometer Typ D4 Variants Documents Info housing ⌀ (nominal size)160 mmConnectionG½Balignmentbottom backaccuracy class0,6standardEN 837-1 Variants Technical data Technical drawings Downloads Variants RangeMounting typeTypePart number-1/0 bar3-hole fixing, panel mounting bezelRF160ChF D43285701432-1/0.6 bar3-hole fixing, panel mounting bezelRF160ChF D43285702432-1/+1.5 bar3-hole fixing, panel mounting bezelRF160ChF D43285703432-1/+3 bar3-hole fixing, panel mounting bezelRF160ChF D43285704432-1/+5 bar3-hole fixing, panel mounting bezelRF160ChF D43285705432-1/+9 bar3-hole fixing, panel mounting bezelRF160ChF D43285706432-1/+15 bar3-hole fixing, panel mounting bezelRF160ChF D432857074320/0.6 bar3-hole fixing, panel mounting bezelRF160ChF D432857094320/1 bar3-hole fixing, panel mounting bezelRF160ChF D432857104320/1.6 bar3-hole fixing, panel mounting bezelRF160ChF D432857114320/2.5 bar3-hole fixing, panel mounting bezelRF160ChF D432857124320/4 bar3-hole fixing, panel mounting bezelRF160ChF D432857134320/6 bar3-hole fixing, panel mounting bezelRF160ChF D432857144320/10 bar3-hole fixing, panel mounting bezelRF160ChF D432857154320/16 bar3-hole fixing, panel mounting bezelRF160ChF D432857164320/25 bar3-hole fixing, panel mounting bezelRF160ChF D432857174320/40 bar3-hole fixing, panel mounting bezelRF160ChF D432857184320/60 bar3-hole fixing, panel mounting bezelRF160ChF D432857194320/100 bar3-hole fixing, panel mounting bezelRF160ChF D432857204320/160 bar3-hole fixing, panel mounting bezelRF160ChF D432857214320/250 bar3-hole fixing, panel mounting bezelRF160ChF D432857224320/400 bar3-hole fixing, panel mounting bezelRF160ChF D43285723432 in-stock items manufactured goods Technical data TypeD4Nominal size160 - 160accuracy class (EN 837-1/6)0,6rangessee ordering tableapplication areastatic load: ¾ x full scale valuedynamic load: ⅔ x full scale valueshort-term: Full scale valueOperating temperature rangeAmbient: -20/+60 °CDegree of protectionIP 54 (EN 60529) Standard design Connectionstainless steel 316 Ti/316 L, bottom backMeasuring elementBourdon tube≤ 60 bar: "C" type tube, stainless steel 316 Ti/316 L> 60 bar: helical tube, stainless steel 316 Ti/316 LmovementBrass/nickel silver, jewel bearingDialAluminium, weißScaling blackNG 160: knife edge pointerAluminium, schwarzHousingEdelstahl 304bayonet bezelEdelstahl 304windowKunststoff (PMMA) Technical drawings Click the corresponding image for detail views, additional information and dimension tables. NG 160 – bottom back connection, 3-hole fixing, panel mounting bezel Dimensions (mm) NG b2∅c c1 c2 d1* d2 d3* d4 e G g s2 s3 SW 160 50 6 3 20 178 196 5,8 164 44,5 G½B 82 4 2 22 * Dimensions as per DIN 16070 * Dimensions as per DIN 16070 Downloads ATEX Bescheinigung Manometer Certificates / DIBt approvals Industrial technology PDF English German AFRISO_EU-KONFORMITAETSERKLAERUNG_DRUCKGERAETE_DE.PDF Industrial technology PDF Download Montage Manometer Manuals Industrial technology PDF Download Rohrfeder-, Kapselfeder-, Plattenfeder-, Membranfedermanometer für Differenzdruck Manuals Industrial technology PDF Ukrainian German German
Rohrfeder-, Kapselfeder-, Plattenfeder-, Membranfedermanometer für Differenzdruck Manuals Industrial technology PDF Ukrainian German German