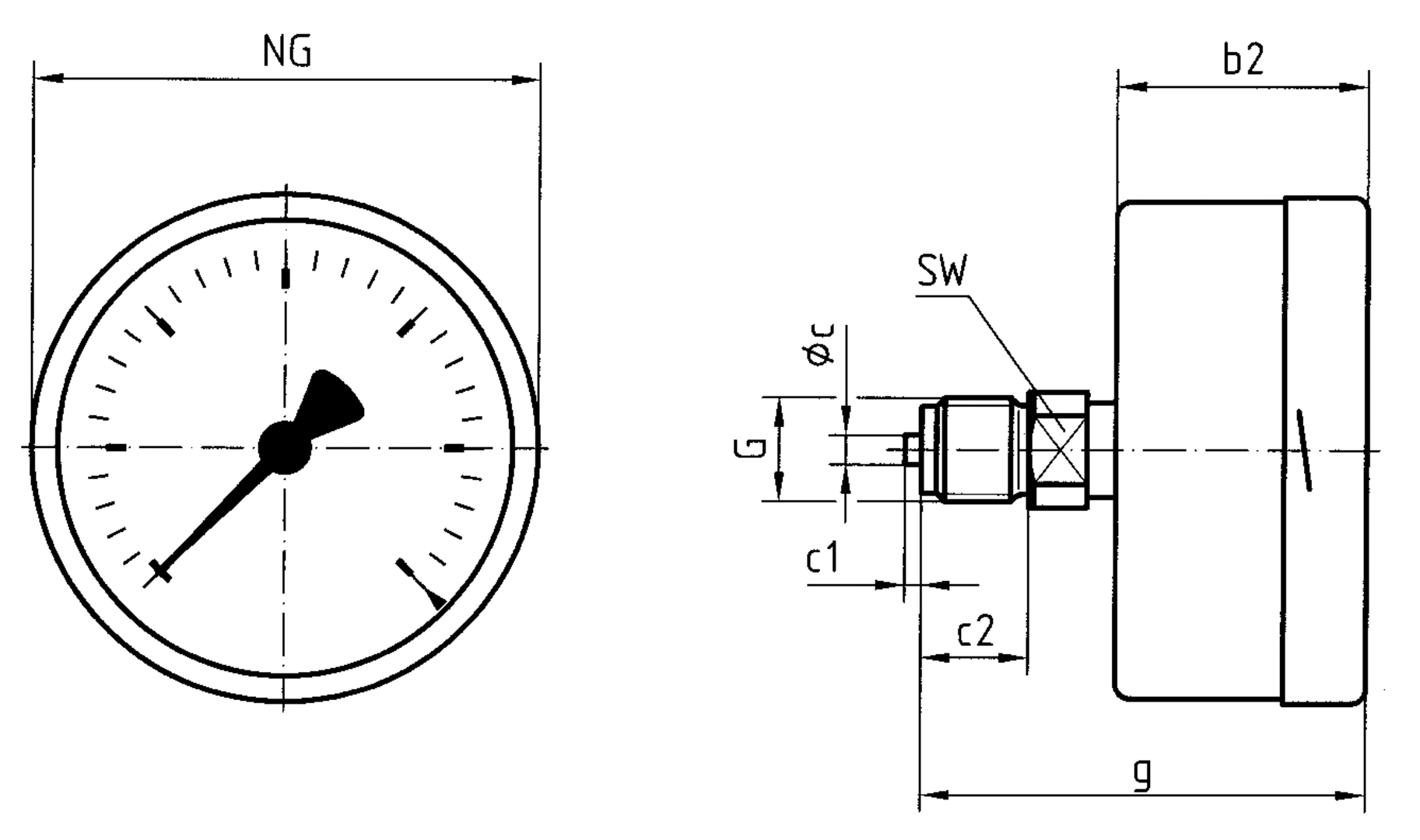
Produkte Unser Leitmotiv „Technik für Umweltschutz“ steht im Mittelpunkt der Produktentwicklung und prägt so schon lange einen sehr großen Teil des Produktsortiments. Mehr Informationen Branchen & Themen Branchen & Themen Übersicht Heizölkomponenten Heizölkomponenten Übersicht Schneller, sauberer Ölfilterwechsel Pilzgefahr bei Bioheizöl vermeiden Mehr Leistung beim Standard-Sikusieb AFRISO Smart Home AFRISO Smart Home Übersicht Gateway HG 02 Sensoren und Aktoren Sensoren und Aktoren Übersicht Gateway Produkte Sicherheit Komfort Raumklima AFRISOhome App Alexa Smart Home Anwendungen Smart Home Anwendungen Übersicht Intelligente Fußbodenheizung Leckagesicherheit Komfortable Heizkörperregelung Sicherheit Stand-Alone Anwendungen Stand-Alone Anwendungen Übersicht Smart Home Einstieg Alarmanlage Einbruchschutz Raumklima Wasserleckage-Detektion Handwerk 4.0 Handwerk 4.0 Übersicht EUROLYZER® CAPBs®-Sets CAPBs®-Sets Übersicht App Wasseranalyse Leitungsprüfung Druckmessung Heizungstechnik Konzentrationsmessung Temperatur BLUELYZER C1 OEM-Verteilersysteme Hydraulischer Abgleich Hydraulischer Abgleich Übersicht VarioQ Vario-DP Tankumnutzung Hygienische Prozesse AFRISO Smart Home Ob für die Themen Raumklima, Komfort oder Sicherheit – AFRISO Smart Home bietet aufeinander abgestimmte und umfassende Lösungen für die individuelle funkbasierte Gebäudeautomation. Mehr Informationen Service-Center Service-Center Übersicht Geräte-Service Servicestellen Gasanalyse Handwerkersuche Ansprechpartner Datenaustauschformate Kataloge Service-Center Flexibel, kostenbewusst, termintreu und lösungsorientiert steht Ihnen das AFRISO Team zur Seite. Wählen Sie hier Ihren direkten Ansprechpartner aus. Mehr Informationen Schulungen & Events Schulungen & Events Übersicht Messen Messen Übersicht SHK+E 2026, Essen IFH Intherm 2026, Nürnberg GET Nord 2026, Hamburg Schulungen & Trainings Schulungen & Trainings Übersicht Heizen mit flüssigen Brennstoffen Tankschutz und Leckschutzauskleidung Inhouse-Schulung - Heizen mit flüssigen Brennstoffen Inhouse-Schulung Heizölverbraucheranlagen Smart Home Experte Smart Home Basisschulung Smart Home Inhouse-Schulung Suche Industrietechnik Mechanische Druckmessgeräte KP63 D411 Bilder 3 KP63 D411 Kapselfeder-Standardmanometer Typ D4 Ausführungen Betriebsanleitung Video Info Gehäuse-⌀ (Nenngröße)63 mmAnschlussG¼BAusrichtungaxialGenauigkeitsklasse1,6NormEN 837-3 Benefits mit Nullpunktkorrekturoptional 10-fach über- und/oder unterdrucksicherextrem niedrige Messbereiche ab 0/6 mbarGOSSTANDART-zertifiziert Anwendung Für gasförmige, trockene Medien, die Kupferlegierungen nicht angreifen.! Bei Medium Gas oder Dampf unbedingt Tabelle „Auswahlkriterien gemäß EN 837-2“ (s. Anhang) beachten! Ausführungen Technische Daten Technische Zeichnungen Downloads Optionen Video Ausführungen AnzeigebereichEinbauartTypArtikelnummer-25/0 mbardirektKP63 D41135004411-40/0 mbardirektKP63 D41135005411-60/0 mbardirektKP63 D41135006411-100/0 mbardirektKP63 D41135007411-160/0 mbardirektKP63 D41135008411-250/0 mbardirektKP63 D41135009411-400/0 mbardirektKP63 D41135010411-600/0 mbardirektKP63 D41135011411-1 000/0 mbardirektKP63 D411350124110/25 mbardirektKP63 D411350164110/40 mbardirektKP63 D411350174110/60 mbardirektKP63 D411350184110/100 mbardirektKP63 D411350194110/160 mbardirektKP63 D411350204110/250 mbardirektKP63 D411350214110/400 mbardirektKP63 D411350224110/600 mbardirektKP63 D411350234110/1 000 mbardirektKP63 D41135024411 Lagerware Fertigungsware Technische Daten TypD4Nenngröße63 - 63Genauigkeitsklasse (EN 837-3/6)1,6Anzeigebereiche (EN 837-3/5)siehe BestelltabelleVerwendungsbereichruhende Belastung: Skalenendwertdynamische Belastung: 0,9 x SkalenendwertÜberlastsicherheit: 1,3 x SkalenendwertTemperatureinsatzbereichMedium: max. 60 °CUmgebung: -20/+60 °CTemperaturverhaltenAnzeigefehler bei Abweichung von der Normaltemperatur 20 °C am Messsystem:bei Temperaturzunahme ca. ± 0,6 %/10 K,bei Temperaturabnahme ca. ± 0,6 %/10 Kvom jeweiligen SkalenendwertSchutzartNG 63: IP 33 (EN 60529) Standardausführung AnschlussMessing, axialMessgliedKapselfeder, CuBe-LegierungZeigerwerkMessingNullpunktkorrekturfrontseitigDichtungNBR (Perbunan)ZifferblattAluminium, weißSkalierung schwarzZeigerAluminium, schwarzGehäuseEdelstahl 304BajonettringEdelstahl 304SichtscheibeD411: Instrumentenglas Technische Zeichnungen Für Detailansichten, Zusatzinformationen und Maßtabellen bitte auf das jeweilige Bild klicken. Anschluss axial Maße (mm)NGb2∅cc1c2GgSW63375213G¼B6014100496320G½B8122160506320G½B8222 Downloads EU-Konformitätserklärung Druckgeräte Konformitätserklärungen PDF Herunterladen AFRISO_KAPSELFEDER-STANDARDMANOMETER-TYP-D4_DEU_DEU_20260210_000610455.PDF Datenblätter Industrietechnik PDF Englisch Deutsch ATEX Bescheinigung Manometer Zertifikate / DIBt-Zulassungen Industrietechnik PDF Englisch Deutsch Montage Manometer Betriebsanleitungen Industrietechnik PDF Herunterladen Rohrfeder-, Kapselfeder-, Plattenfeder-, Membranfedermanometer für Differenzdruck Betriebsanleitungen Industrietechnik PDF Ukrainisch Deutsch Deutsch KP63_D411_350XX411.STP STEP 3D Modell Industrietechnik STP Herunterladen Optionen Optionen für Kapselfeder-Manometer Abb. Bezeichnung Anschlussstutzen vernickelt NG 63 | 38084 Drosselschraube Messing NG 63 Bohrung wahlweise 0,3 – 0,5 – 0,7 mm (bitte angeben) | 38097 3-Lochfrontflansch Edelstahl 304 poliert NG 63 | 37608 Befestigungsrand hinten Edelstahl 304 trowalisiert NG 63 | 38048 rote Markierung auf Zifferblatt NG 63 | 38184 1 Markenzeiger rot NG 63 SD von außen verstellbar mit Schraubendreher | 38115 1 Markenzeiger rot NG 63 DK von außen verstellbar mit Drehknopf | 38188 Sichtscheibe Sicherheitsverbundglas NG 63 | 38072 Klischeeerstellung je Skala und Farbe NG 63 Skalengestaltung nach EN 837-1, andere auf Anfrage | 38153 Zusatzfarbe NG 63 | 38165 3-Lochfrontflansch (Bajonett) Edelstahl 304 poliert NG 63 zur werkseitigen Montage | 38054 Video zugehörige Produkte
AFRISO Smart Home Ob für die Themen Raumklima, Komfort oder Sicherheit – AFRISO Smart Home bietet aufeinander abgestimmte und umfassende Lösungen für die individuelle funkbasierte Gebäudeautomation. Mehr Informationen Service-Center Service-Center Übersicht Geräte-Service Servicestellen Gasanalyse Handwerkersuche Ansprechpartner Datenaustauschformate Kataloge Service-Center Flexibel, kostenbewusst, termintreu und lösungsorientiert steht Ihnen das AFRISO Team zur Seite. Wählen Sie hier Ihren direkten Ansprechpartner aus. Mehr Informationen Schulungen & Events Schulungen & Events Übersicht Messen Messen Übersicht SHK+E 2026, Essen IFH Intherm 2026, Nürnberg GET Nord 2026, Hamburg Schulungen & Trainings Schulungen & Trainings Übersicht Heizen mit flüssigen Brennstoffen Tankschutz und Leckschutzauskleidung Inhouse-Schulung - Heizen mit flüssigen Brennstoffen Inhouse-Schulung Heizölverbraucheranlagen Smart Home Experte Smart Home Basisschulung Smart Home Inhouse-Schulung Suche
Service-Center Flexibel, kostenbewusst, termintreu und lösungsorientiert steht Ihnen das AFRISO Team zur Seite. Wählen Sie hier Ihren direkten Ansprechpartner aus. Mehr Informationen Schulungen & Events Schulungen & Events Übersicht Messen Messen Übersicht SHK+E 2026, Essen IFH Intherm 2026, Nürnberg GET Nord 2026, Hamburg Schulungen & Trainings Schulungen & Trainings Übersicht Heizen mit flüssigen Brennstoffen Tankschutz und Leckschutzauskleidung Inhouse-Schulung - Heizen mit flüssigen Brennstoffen Inhouse-Schulung Heizölverbraucheranlagen Smart Home Experte Smart Home Basisschulung Smart Home Inhouse-Schulung Suche
Bilder 3 KP63 D411 Kapselfeder-Standardmanometer Typ D4 Ausführungen Betriebsanleitung Video Info Gehäuse-⌀ (Nenngröße)63 mmAnschlussG¼BAusrichtungaxialGenauigkeitsklasse1,6NormEN 837-3 Benefits mit Nullpunktkorrekturoptional 10-fach über- und/oder unterdrucksicherextrem niedrige Messbereiche ab 0/6 mbarGOSSTANDART-zertifiziert Anwendung Für gasförmige, trockene Medien, die Kupferlegierungen nicht angreifen.! Bei Medium Gas oder Dampf unbedingt Tabelle „Auswahlkriterien gemäß EN 837-2“ (s. Anhang) beachten! Ausführungen Technische Daten Technische Zeichnungen Downloads Optionen Video Ausführungen AnzeigebereichEinbauartTypArtikelnummer-25/0 mbardirektKP63 D41135004411-40/0 mbardirektKP63 D41135005411-60/0 mbardirektKP63 D41135006411-100/0 mbardirektKP63 D41135007411-160/0 mbardirektKP63 D41135008411-250/0 mbardirektKP63 D41135009411-400/0 mbardirektKP63 D41135010411-600/0 mbardirektKP63 D41135011411-1 000/0 mbardirektKP63 D411350124110/25 mbardirektKP63 D411350164110/40 mbardirektKP63 D411350174110/60 mbardirektKP63 D411350184110/100 mbardirektKP63 D411350194110/160 mbardirektKP63 D411350204110/250 mbardirektKP63 D411350214110/400 mbardirektKP63 D411350224110/600 mbardirektKP63 D411350234110/1 000 mbardirektKP63 D41135024411 Lagerware Fertigungsware Technische Daten TypD4Nenngröße63 - 63Genauigkeitsklasse (EN 837-3/6)1,6Anzeigebereiche (EN 837-3/5)siehe BestelltabelleVerwendungsbereichruhende Belastung: Skalenendwertdynamische Belastung: 0,9 x SkalenendwertÜberlastsicherheit: 1,3 x SkalenendwertTemperatureinsatzbereichMedium: max. 60 °CUmgebung: -20/+60 °CTemperaturverhaltenAnzeigefehler bei Abweichung von der Normaltemperatur 20 °C am Messsystem:bei Temperaturzunahme ca. ± 0,6 %/10 K,bei Temperaturabnahme ca. ± 0,6 %/10 Kvom jeweiligen SkalenendwertSchutzartNG 63: IP 33 (EN 60529) Standardausführung AnschlussMessing, axialMessgliedKapselfeder, CuBe-LegierungZeigerwerkMessingNullpunktkorrekturfrontseitigDichtungNBR (Perbunan)ZifferblattAluminium, weißSkalierung schwarzZeigerAluminium, schwarzGehäuseEdelstahl 304BajonettringEdelstahl 304SichtscheibeD411: Instrumentenglas Technische Zeichnungen Für Detailansichten, Zusatzinformationen und Maßtabellen bitte auf das jeweilige Bild klicken. Anschluss axial Maße (mm)NGb2∅cc1c2GgSW63375213G¼B6014100496320G½B8122160506320G½B8222 Downloads EU-Konformitätserklärung Druckgeräte Konformitätserklärungen PDF Herunterladen AFRISO_KAPSELFEDER-STANDARDMANOMETER-TYP-D4_DEU_DEU_20260210_000610455.PDF Datenblätter Industrietechnik PDF Englisch Deutsch ATEX Bescheinigung Manometer Zertifikate / DIBt-Zulassungen Industrietechnik PDF Englisch Deutsch Montage Manometer Betriebsanleitungen Industrietechnik PDF Herunterladen Rohrfeder-, Kapselfeder-, Plattenfeder-, Membranfedermanometer für Differenzdruck Betriebsanleitungen Industrietechnik PDF Ukrainisch Deutsch Deutsch KP63_D411_350XX411.STP STEP 3D Modell Industrietechnik STP Herunterladen Optionen Optionen für Kapselfeder-Manometer Abb. Bezeichnung Anschlussstutzen vernickelt NG 63 | 38084 Drosselschraube Messing NG 63 Bohrung wahlweise 0,3 – 0,5 – 0,7 mm (bitte angeben) | 38097 3-Lochfrontflansch Edelstahl 304 poliert NG 63 | 37608 Befestigungsrand hinten Edelstahl 304 trowalisiert NG 63 | 38048 rote Markierung auf Zifferblatt NG 63 | 38184 1 Markenzeiger rot NG 63 SD von außen verstellbar mit Schraubendreher | 38115 1 Markenzeiger rot NG 63 DK von außen verstellbar mit Drehknopf | 38188 Sichtscheibe Sicherheitsverbundglas NG 63 | 38072 Klischeeerstellung je Skala und Farbe NG 63 Skalengestaltung nach EN 837-1, andere auf Anfrage | 38153 Zusatzfarbe NG 63 | 38165 3-Lochfrontflansch (Bajonett) Edelstahl 304 poliert NG 63 zur werkseitigen Montage | 38054 Video
AFRISO_KAPSELFEDER-STANDARDMANOMETER-TYP-D4_DEU_DEU_20260210_000610455.PDF Datenblätter Industrietechnik PDF Englisch Deutsch
Rohrfeder-, Kapselfeder-, Plattenfeder-, Membranfedermanometer für Differenzdruck Betriebsanleitungen Industrietechnik PDF Ukrainisch Deutsch Deutsch