Produkte Unser Leitmotiv „Technik für Umweltschutz“ steht im Mittelpunkt der Produktentwicklung und prägt so schon lange einen sehr großen Teil des Produktsortiments. Mehr Informationen Branchen & Themen Branchen & Themen Übersicht Heizölkomponenten Heizölkomponenten Übersicht Schneller, sauberer Ölfilterwechsel Pilzgefahr bei Bioheizöl vermeiden Mehr Leistung beim Standard-Sikusieb AFRISO Smart Home AFRISO Smart Home Übersicht Gateway HG 02 Sensoren und Aktoren Sensoren und Aktoren Übersicht Gateway Produkte Sicherheit Komfort Raumklima AFRISOhome App Alexa Smart Home Anwendungen Smart Home Anwendungen Übersicht Intelligente Fußbodenheizung Leckagesicherheit Komfortable Heizkörperregelung Sicherheit Stand-Alone Anwendungen Stand-Alone Anwendungen Übersicht Smart Home Einstieg Alarmanlage Einbruchschutz Raumklima Wasserleckage-Detektion AFRISOcloud AFRISOcloud Übersicht Überwachung von Behältern & Tanks Überwachung von Abscheideranlagen Handwerk 4.0 Handwerk 4.0 Übersicht EUROLYZER® CAPBs®-Sets CAPBs®-Sets Übersicht App Wasseranalyse Leitungsprüfung Druckmessung Heizungstechnik Konzentrationsmessung Temperatur BLUELYZER® C1 OEM-Verteilersysteme Hydraulischer Abgleich Hydraulischer Abgleich Übersicht VarioQ Vario-DP Tankumnutzung Hygienische Prozesse AFRISO Smart Home Ob für die Themen Raumklima, Komfort oder Sicherheit – AFRISO Smart Home bietet aufeinander abgestimmte und umfassende Lösungen für die individuelle funkbasierte Gebäudeautomation. Mehr Informationen Service-Center Service-Center Übersicht Geräte-Service Servicestellen Gasanalyse Handwerkersuche Ansprechpartner Datenaustauschformate Kataloge Service-Center Flexibel, kostenbewusst, termintreu und lösungsorientiert steht Ihnen das AFRISO Team zur Seite. Wählen Sie hier Ihren direkten Ansprechpartner aus. Mehr Informationen Schulungen & Events Schulungen & Events Übersicht Messen Messen Übersicht UNITI expo GET Nord 2026, Hamburg Schulungen & Trainings Schulungen & Trainings Übersicht Ölinstallationen / AwsV Kooperationsschulung Heizen mit flüssigen Brennstoffen Tankschutz und Leckschutzauskleidung Inhouse-Schulung - Heizen mit flüssigen Brennstoffen Inhouse-Schulung Heizölverbraucheranlagen Smart Home Experte Smart Home Basisschulung Smart Home Inhouse-Schulung Suche Industrietechnik Mechanische Druckmessgeräte KP80 D351 Link kopiert! Bilder 1 KP80 D351 Kapselfeder-Standardmanometer Typ D3 Ausführungen Betriebsanleitungen Video Info Gehäuse-⌀ (Nenngröße)80 mmAnschlussG½BAusrichtungaxialGenauigkeitsklasse1,6NormEN 837-3 Benefits mit Nullpunktkorrekturideal zur Messung von niedrigen DruckbereichenGOSSTANDART-zertifiziert Anwendung Für gasförmige, trockene Medien, die Kupferlegierungen nicht angreifen.! Bei Medium Gas oder Dampf unbedingt Tabelle „Auswahlkriterien gemäß EN 837-2“ (s. Anhang) beachten! Ausführungen Technische Daten Technische Zeichnungen Downloads Optionen Video Ausführungen AnzeigebereichEinbauartTypArtikelnummer-25/0 mbar3-Kantfrontring mit BügelbefestigungKP80 D35135054351-40/0 mbar3-Kantfrontring mit BügelbefestigungKP80 D35135055351-60/0 mbar3-Kantfrontring mit BügelbefestigungKP80 D35135056351-100/0 mbar3-Kantfrontring mit BügelbefestigungKP80 D35135057351-160/0 mbar3-Kantfrontring mit BügelbefestigungKP80 D35135058351-250/0 mbar3-Kantfrontring mit BügelbefestigungKP80 D35135059351-400/0 mbar3-Kantfrontring mit BügelbefestigungKP80 D35135060351-600/0 mbar3-Kantfrontring mit BügelbefestigungKP80 D35135061351-1 000/0 mbar3-Kantfrontring mit BügelbefestigungKP80 D351350623510/25 mbar3-Kantfrontring mit BügelbefestigungKP80 D351350663510/40 mbar3-Kantfrontring mit BügelbefestigungKP80 D351350673510/60 mbar3-Kantfrontring mit BügelbefestigungKP80 D351350683510/100 mbar3-Kantfrontring mit BügelbefestigungKP80 D351350693510/160 mbar3-Kantfrontring mit BügelbefestigungKP80 D351350703510/250 mbar3-Kantfrontring mit BügelbefestigungKP80 D351350713510/400 mbar3-Kantfrontring mit BügelbefestigungKP80 D351350723510/600 mbar3-Kantfrontring mit BügelbefestigungKP80 D351350733510/1 000 mbar3-Kantfrontring mit BügelbefestigungKP80 D35135074351 Lagerware Fertigungsware Technische Daten TypD3Nenngröße80Genauigkeitsklasse (EN 837-3/6)1,6Anzeigebereiche (EN 837-3/5)siehe BestelltabelleVerwendungsbereichruhende Belastung: Skalenendwertdynamische Belastung: 0,9 x SkalenendwertÜberlastsicherheit: 1,3 x SkalenendwertTemperatureinsatzbereichMedium: max. 60 °CUmgebung: -20/+60 °CTemperaturverhaltenAnzeigefehler bei Abweichung von der Normaltemperatur 20 °C am Messsystem:bei Temperaturzunahme ca. ± 0,6 %/10 K,bei Temperaturabnahme ca. ± 0,6 %/10 Kvom jeweiligen SkalenendwertSchutzartNG 80: IP 33 (EN 60529) Standardausführung AnschlussMessing, axialMessgliedKapselfeder, CuBe-LegierungZeigerwerkMessingNullpunktkorrekturfrontseitigDichtungNBR (Perbunan)ZifferblattAluminium, weißSkalierung schwarzZeigerAluminium, schwarzGehäuseEdelstahl 304SichtscheibeKunststoff, eingeclipst Technische Zeichnungen Für Detailansichten, Zusatzinformationen und Maßtabellen bitte auf das jeweilige Bild klicken. Anschluss axial, 3-Kantfrontring mit Bügelbefestigung NG 80/100 Maße (mm)NGb4∅cc1c2d5d6d7Gg3s5SW8046,56320868183G½B784,522100476320107101105G½B794,522 Downloads Zifferblätter für Manometer – Teilstrichabstände Technische Information PDF Englisch Deutsch EU-Konformitätserklärung Druckgeräte Konformitätserklärungen PDF Herunterladen Montage Manometer Betriebsanleitungen Industrietechnik PDF Herunterladen Rohrfeder-, Kapselfeder-, Plattenfeder-, Membranfedermanometer für Differenzdruck Betriebsanleitungen Industrietechnik PDF Ukrainisch Deutsch Deutsch Optionen Optionen für Kapselfeder-Manometer Abb. Bezeichnung Anschlussstutzen vernickelt NG 80 | 38085 Drosselschraube Edelstahl 316 Ti NG 80 Bohrung wahlweise 0,3 – 0,5 – 0,7 mm (bitte angeben) | 38104 Gehäuse Edelstahl 304 poliert NG 80 | 37612 rote Markierung auf Zifferblatt NG 80 | 38185 1 Markenzeiger rot NG 80 SD von außen verstellbar mit Schraubendreher | 38116 1 Markenzeiger rot NG 80 DK von außen verstellbar mit Drehknopf | 38189 Mediumberührte Teile öl- und fettfrei gereinigt NG 80 Aufdruck „öl- und fettfrei“ | 37616 Klischeeerstellung je Skala und Farbe NG 80 Skalengestaltung nach EN 837-1, andere auf Anfrage | 38154 Zusatzfarbe NG 80 | 38166 Video zugehörige Produkte
AFRISO Smart Home Ob für die Themen Raumklima, Komfort oder Sicherheit – AFRISO Smart Home bietet aufeinander abgestimmte und umfassende Lösungen für die individuelle funkbasierte Gebäudeautomation. Mehr Informationen Service-Center Service-Center Übersicht Geräte-Service Servicestellen Gasanalyse Handwerkersuche Ansprechpartner Datenaustauschformate Kataloge Service-Center Flexibel, kostenbewusst, termintreu und lösungsorientiert steht Ihnen das AFRISO Team zur Seite. Wählen Sie hier Ihren direkten Ansprechpartner aus. Mehr Informationen Schulungen & Events Schulungen & Events Übersicht Messen Messen Übersicht UNITI expo GET Nord 2026, Hamburg Schulungen & Trainings Schulungen & Trainings Übersicht Ölinstallationen / AwsV Kooperationsschulung Heizen mit flüssigen Brennstoffen Tankschutz und Leckschutzauskleidung Inhouse-Schulung - Heizen mit flüssigen Brennstoffen Inhouse-Schulung Heizölverbraucheranlagen Smart Home Experte Smart Home Basisschulung Smart Home Inhouse-Schulung Suche
Service-Center Flexibel, kostenbewusst, termintreu und lösungsorientiert steht Ihnen das AFRISO Team zur Seite. Wählen Sie hier Ihren direkten Ansprechpartner aus. Mehr Informationen Schulungen & Events Schulungen & Events Übersicht Messen Messen Übersicht UNITI expo GET Nord 2026, Hamburg Schulungen & Trainings Schulungen & Trainings Übersicht Ölinstallationen / AwsV Kooperationsschulung Heizen mit flüssigen Brennstoffen Tankschutz und Leckschutzauskleidung Inhouse-Schulung - Heizen mit flüssigen Brennstoffen Inhouse-Schulung Heizölverbraucheranlagen Smart Home Experte Smart Home Basisschulung Smart Home Inhouse-Schulung Suche
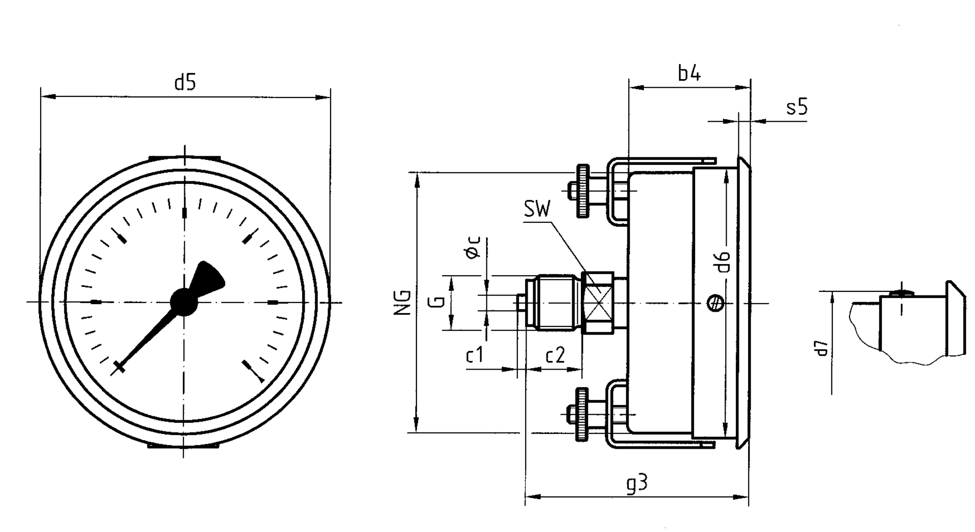
Bilder 1 KP80 D351 Kapselfeder-Standardmanometer Typ D3 Ausführungen Betriebsanleitungen Video Info Gehäuse-⌀ (Nenngröße)80 mmAnschlussG½BAusrichtungaxialGenauigkeitsklasse1,6NormEN 837-3 Benefits mit Nullpunktkorrekturideal zur Messung von niedrigen DruckbereichenGOSSTANDART-zertifiziert Anwendung Für gasförmige, trockene Medien, die Kupferlegierungen nicht angreifen.! Bei Medium Gas oder Dampf unbedingt Tabelle „Auswahlkriterien gemäß EN 837-2“ (s. Anhang) beachten! Ausführungen Technische Daten Technische Zeichnungen Downloads Optionen Video Ausführungen AnzeigebereichEinbauartTypArtikelnummer-25/0 mbar3-Kantfrontring mit BügelbefestigungKP80 D35135054351-40/0 mbar3-Kantfrontring mit BügelbefestigungKP80 D35135055351-60/0 mbar3-Kantfrontring mit BügelbefestigungKP80 D35135056351-100/0 mbar3-Kantfrontring mit BügelbefestigungKP80 D35135057351-160/0 mbar3-Kantfrontring mit BügelbefestigungKP80 D35135058351-250/0 mbar3-Kantfrontring mit BügelbefestigungKP80 D35135059351-400/0 mbar3-Kantfrontring mit BügelbefestigungKP80 D35135060351-600/0 mbar3-Kantfrontring mit BügelbefestigungKP80 D35135061351-1 000/0 mbar3-Kantfrontring mit BügelbefestigungKP80 D351350623510/25 mbar3-Kantfrontring mit BügelbefestigungKP80 D351350663510/40 mbar3-Kantfrontring mit BügelbefestigungKP80 D351350673510/60 mbar3-Kantfrontring mit BügelbefestigungKP80 D351350683510/100 mbar3-Kantfrontring mit BügelbefestigungKP80 D351350693510/160 mbar3-Kantfrontring mit BügelbefestigungKP80 D351350703510/250 mbar3-Kantfrontring mit BügelbefestigungKP80 D351350713510/400 mbar3-Kantfrontring mit BügelbefestigungKP80 D351350723510/600 mbar3-Kantfrontring mit BügelbefestigungKP80 D351350733510/1 000 mbar3-Kantfrontring mit BügelbefestigungKP80 D35135074351 Lagerware Fertigungsware Technische Daten TypD3Nenngröße80Genauigkeitsklasse (EN 837-3/6)1,6Anzeigebereiche (EN 837-3/5)siehe BestelltabelleVerwendungsbereichruhende Belastung: Skalenendwertdynamische Belastung: 0,9 x SkalenendwertÜberlastsicherheit: 1,3 x SkalenendwertTemperatureinsatzbereichMedium: max. 60 °CUmgebung: -20/+60 °CTemperaturverhaltenAnzeigefehler bei Abweichung von der Normaltemperatur 20 °C am Messsystem:bei Temperaturzunahme ca. ± 0,6 %/10 K,bei Temperaturabnahme ca. ± 0,6 %/10 Kvom jeweiligen SkalenendwertSchutzartNG 80: IP 33 (EN 60529) Standardausführung AnschlussMessing, axialMessgliedKapselfeder, CuBe-LegierungZeigerwerkMessingNullpunktkorrekturfrontseitigDichtungNBR (Perbunan)ZifferblattAluminium, weißSkalierung schwarzZeigerAluminium, schwarzGehäuseEdelstahl 304SichtscheibeKunststoff, eingeclipst Technische Zeichnungen Für Detailansichten, Zusatzinformationen und Maßtabellen bitte auf das jeweilige Bild klicken. Anschluss axial, 3-Kantfrontring mit Bügelbefestigung NG 80/100 Maße (mm)NGb4∅cc1c2d5d6d7Gg3s5SW8046,56320868183G½B784,522100476320107101105G½B794,522 Downloads Zifferblätter für Manometer – Teilstrichabstände Technische Information PDF Englisch Deutsch EU-Konformitätserklärung Druckgeräte Konformitätserklärungen PDF Herunterladen Montage Manometer Betriebsanleitungen Industrietechnik PDF Herunterladen Rohrfeder-, Kapselfeder-, Plattenfeder-, Membranfedermanometer für Differenzdruck Betriebsanleitungen Industrietechnik PDF Ukrainisch Deutsch Deutsch Optionen Optionen für Kapselfeder-Manometer Abb. Bezeichnung Anschlussstutzen vernickelt NG 80 | 38085 Drosselschraube Edelstahl 316 Ti NG 80 Bohrung wahlweise 0,3 – 0,5 – 0,7 mm (bitte angeben) | 38104 Gehäuse Edelstahl 304 poliert NG 80 | 37612 rote Markierung auf Zifferblatt NG 80 | 38185 1 Markenzeiger rot NG 80 SD von außen verstellbar mit Schraubendreher | 38116 1 Markenzeiger rot NG 80 DK von außen verstellbar mit Drehknopf | 38189 Mediumberührte Teile öl- und fettfrei gereinigt NG 80 Aufdruck „öl- und fettfrei“ | 37616 Klischeeerstellung je Skala und Farbe NG 80 Skalengestaltung nach EN 837-1, andere auf Anfrage | 38154 Zusatzfarbe NG 80 | 38166 Video
Rohrfeder-, Kapselfeder-, Plattenfeder-, Membranfedermanometer für Differenzdruck Betriebsanleitungen Industrietechnik PDF Ukrainisch Deutsch Deutsch