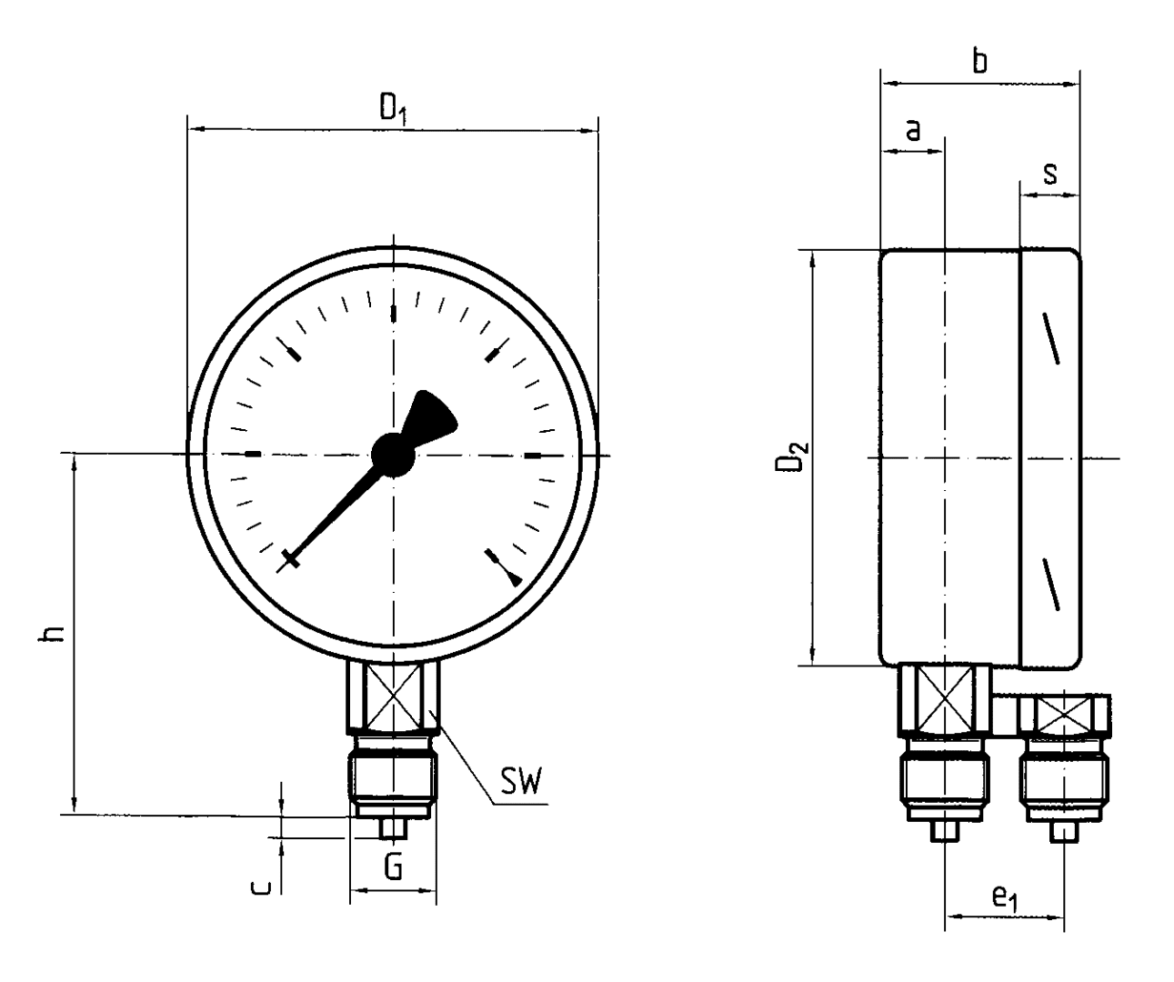
Produkte Unser Leitmotiv „Technik für Umweltschutz“ steht im Mittelpunkt der Produktentwicklung und prägt so schon lange einen sehr großen Teil des Produktsortiments. Mehr Informationen Branchen & Themen Branchen & Themen Übersicht Heizölkomponenten Heizölkomponenten Übersicht Schneller, sauberer Ölfilterwechsel Pilzgefahr bei Bioheizöl vermeiden Mehr Leistung beim Standard-Sikusieb AFRISO Smart Home AFRISO Smart Home Übersicht Gateway HG 02 Sensoren und Aktoren Sensoren und Aktoren Übersicht Gateway Produkte Sicherheit Komfort Raumklima AFRISOhome App Alexa Smart Home Anwendungen Smart Home Anwendungen Übersicht Intelligente Fußbodenheizung Leckagesicherheit Komfortable Heizkörperregelung Sicherheit Stand-Alone Anwendungen Stand-Alone Anwendungen Übersicht Smart Home Einstieg Alarmanlage Einbruchschutz Raumklima Wasserleckage-Detektion Handwerk 4.0 Handwerk 4.0 Übersicht EUROLYZER® CAPBs®-Sets CAPBs®-Sets Übersicht App Wasseranalyse Leitungsprüfung Druckmessung Heizungstechnik Konzentrationsmessung Temperatur BLUELYZER® C1 OEM-Verteilersysteme Hydraulischer Abgleich Hydraulischer Abgleich Übersicht VarioQ Vario-DP Tankumnutzung Hygienische Prozesse AFRISO Smart Home Ob für die Themen Raumklima, Komfort oder Sicherheit – AFRISO Smart Home bietet aufeinander abgestimmte und umfassende Lösungen für die individuelle funkbasierte Gebäudeautomation. Mehr Informationen Service-Center Service-Center Übersicht Geräte-Service Servicestellen Gasanalyse Handwerkersuche Ansprechpartner Datenaustauschformate Kataloge Service-Center Flexible, cost-aware, on schedule, solution-oriented and fast – the AFRISO team always provides the decisive added value. Mehr Informationen Schulungen & Events Schulungen & Events Übersicht Messen Messen Übersicht SHK+E 2026, Essen IFH Intherm 2026, Nürnberg GET Nord 2026, Hamburg Schulungen & Trainings Schulungen & Trainings Übersicht Heizen mit flüssigen Brennstoffen Tankschutz und Leckschutzauskleidung Inhouse-Schulung - Heizen mit flüssigen Brennstoffen Inhouse-Schulung Heizölverbraucheranlagen Smart Home Experte Smart Home Basisschulung Smart Home Inhouse-Schulung Suche Industrietechnik Mechanische Druckmessgeräte KP100Dif D401 Bilder 2 KP100Dif D401 Kapselfeder-Standardmanometer für Differenzdruck Typ D4 Ausführungen Betriebsanleitung Video Benefits Messung kleinster Differenzdrückerobuste Ausführungstatische Drücke bis 400 mbardirekte Anzeige des Differenzdruckesviele kundenspezifische Ausführungen lieferbar Anwendung Zur Differenzdruckmessung bei nicht aggressiven gasförmigen, trockenen Medien. Besonders geeignet zur Filterverlustmessung in der Klima- und Lüftungstechnik.! Bei Medium Gas oder Dampf unbedingt Tabelle „Auswahlkriterien gemäß EN 837-2“ (s. Anhang) beachten! Ausführungen Technische Daten Technische Zeichnungen Downloads Video Ausführungen Gehäuse-⌀GehäuseGenauigkeitsklasseAnschlussAusrichtungAnzeigebereichTypArt.-Nr.KP100DifD401100 mmEdelstahl 3044,02 x G½B0/6 mbarKP100Dif D40135563401KP100DifD401100 mmEdelstahl 3044,02 x G½B0/10 mbarKP100Dif D40135564401KP100DifD401100 mmEdelstahl 3044,02 x G½B0/16 mbarKP100Dif D40135565401 Lagerware Fertigungsware Technische Daten TypD4Nenngröße100 - 100FunktionDer „Plus“-Druck (= hoher Druck) gelangt in das Innere der Kapselfeder. Der „Minus“-Druck (= niedriger Druck) gelangt in das Innere des druckdichten Gehäuses. Die so entstehende Druckdifferenz bewirkt eine Verformung der Kapselfeder und erzeugt den Messweg. Dieser wird auf das Zeigerwerk übertragen. Der Differenzdruck wird mit einem Zeiger direkt angezeigt.GenauigkeitsklasseEN 837-3/6≤ 0/16 mbar: 4,0Anzeigebereiche (EN 837-3/5)siehe BestelltabelleVerwendungsbereichruhende Belastung: Skalenendwertdynamische Belastung: 0,9 x SkalenendwertÜberdrucksicherheitSkalenendwertmaximaler statischer Druck400 mbarTemperatureinsatzbereichMedium: max. 60 °CUmgebung: -20/+60 °CTemperaturverhaltenAnzeigefehler bei Abweichung von der Normaltemperatur 20 °C am Messsystem:bei Temperaturzunahme ca. ± 0,6 %/10 K,bei Temperaturabnahme ca. ± 0,6 %/10 Kvom jeweiligen SkalenendwertSchutzartIP 66 (EN 60529) Standardausführung AnschlussEdelstahl 316 Ti/316 L: radial, parallel hintereinander2 x G½B, SW22 (EN 837-3/7.3)Messglied (mediumberührt)Kapselfeder, CuBe-LegierungZeigerwerk (mediumberührt)MessingNullpunktkorrekturfrontseitigDichtung (mediumberührt)NBR (Perbunan)Zifferblatt (mediumberührt)Aluminium, weißSkalierung schwarzZeiger (mediumberührt)Aluminium, schwarzGehäuse (mediumberührt)Edelstahl 304BajonettringEdelstahl 304Sichtscheibe (mediumberührt)Kunststoff (PMMA) Technische Zeichnungen Für Detailansichten, Zusatzinformationen und Maßtabellen bitte auf das jeweilige Bild klicken. NG 100/160 – Anschluss radial Maße (mm)NGabcD1D2e1GhsSW100164931019932G½B8620221601649316115932G½B1182022 Downloads EU-Konformitätserklärung Druckgeräte Konformitätserklärungen PDF Herunterladen AFRISO_KAPSELFEDER-STANDARDMANOMETER-FUER-DIFFERENZDRUCK-TYP-D4_DEU_DEU_20260210_004751859.PDF Datenblätter Industrietechnik PDF Englisch Deutsch Montage Manometer Betriebsanleitungen Industrietechnik PDF Herunterladen Rohrfeder-, Kapselfeder-, Plattenfeder-, Membranfedermanometer für Differenzdruck Betriebsanleitungen Industrietechnik PDF Ukrainisch Deutsch Deutsch Video zugehörige Produkte
AFRISO Smart Home Ob für die Themen Raumklima, Komfort oder Sicherheit – AFRISO Smart Home bietet aufeinander abgestimmte und umfassende Lösungen für die individuelle funkbasierte Gebäudeautomation. Mehr Informationen Service-Center Service-Center Übersicht Geräte-Service Servicestellen Gasanalyse Handwerkersuche Ansprechpartner Datenaustauschformate Kataloge Service-Center Flexible, cost-aware, on schedule, solution-oriented and fast – the AFRISO team always provides the decisive added value. Mehr Informationen Schulungen & Events Schulungen & Events Übersicht Messen Messen Übersicht SHK+E 2026, Essen IFH Intherm 2026, Nürnberg GET Nord 2026, Hamburg Schulungen & Trainings Schulungen & Trainings Übersicht Heizen mit flüssigen Brennstoffen Tankschutz und Leckschutzauskleidung Inhouse-Schulung - Heizen mit flüssigen Brennstoffen Inhouse-Schulung Heizölverbraucheranlagen Smart Home Experte Smart Home Basisschulung Smart Home Inhouse-Schulung Suche
Service-Center Flexible, cost-aware, on schedule, solution-oriented and fast – the AFRISO team always provides the decisive added value. Mehr Informationen Schulungen & Events Schulungen & Events Übersicht Messen Messen Übersicht SHK+E 2026, Essen IFH Intherm 2026, Nürnberg GET Nord 2026, Hamburg Schulungen & Trainings Schulungen & Trainings Übersicht Heizen mit flüssigen Brennstoffen Tankschutz und Leckschutzauskleidung Inhouse-Schulung - Heizen mit flüssigen Brennstoffen Inhouse-Schulung Heizölverbraucheranlagen Smart Home Experte Smart Home Basisschulung Smart Home Inhouse-Schulung Suche
Bilder 2 KP100Dif D401 Kapselfeder-Standardmanometer für Differenzdruck Typ D4 Ausführungen Betriebsanleitung Video Benefits Messung kleinster Differenzdrückerobuste Ausführungstatische Drücke bis 400 mbardirekte Anzeige des Differenzdruckesviele kundenspezifische Ausführungen lieferbar Anwendung Zur Differenzdruckmessung bei nicht aggressiven gasförmigen, trockenen Medien. Besonders geeignet zur Filterverlustmessung in der Klima- und Lüftungstechnik.! Bei Medium Gas oder Dampf unbedingt Tabelle „Auswahlkriterien gemäß EN 837-2“ (s. Anhang) beachten! Ausführungen Technische Daten Technische Zeichnungen Downloads Video Ausführungen Gehäuse-⌀GehäuseGenauigkeitsklasseAnschlussAusrichtungAnzeigebereichTypArt.-Nr.KP100DifD401100 mmEdelstahl 3044,02 x G½B0/6 mbarKP100Dif D40135563401KP100DifD401100 mmEdelstahl 3044,02 x G½B0/10 mbarKP100Dif D40135564401KP100DifD401100 mmEdelstahl 3044,02 x G½B0/16 mbarKP100Dif D40135565401 Lagerware Fertigungsware Technische Daten TypD4Nenngröße100 - 100FunktionDer „Plus“-Druck (= hoher Druck) gelangt in das Innere der Kapselfeder. Der „Minus“-Druck (= niedriger Druck) gelangt in das Innere des druckdichten Gehäuses. Die so entstehende Druckdifferenz bewirkt eine Verformung der Kapselfeder und erzeugt den Messweg. Dieser wird auf das Zeigerwerk übertragen. Der Differenzdruck wird mit einem Zeiger direkt angezeigt.GenauigkeitsklasseEN 837-3/6≤ 0/16 mbar: 4,0Anzeigebereiche (EN 837-3/5)siehe BestelltabelleVerwendungsbereichruhende Belastung: Skalenendwertdynamische Belastung: 0,9 x SkalenendwertÜberdrucksicherheitSkalenendwertmaximaler statischer Druck400 mbarTemperatureinsatzbereichMedium: max. 60 °CUmgebung: -20/+60 °CTemperaturverhaltenAnzeigefehler bei Abweichung von der Normaltemperatur 20 °C am Messsystem:bei Temperaturzunahme ca. ± 0,6 %/10 K,bei Temperaturabnahme ca. ± 0,6 %/10 Kvom jeweiligen SkalenendwertSchutzartIP 66 (EN 60529) Standardausführung AnschlussEdelstahl 316 Ti/316 L: radial, parallel hintereinander2 x G½B, SW22 (EN 837-3/7.3)Messglied (mediumberührt)Kapselfeder, CuBe-LegierungZeigerwerk (mediumberührt)MessingNullpunktkorrekturfrontseitigDichtung (mediumberührt)NBR (Perbunan)Zifferblatt (mediumberührt)Aluminium, weißSkalierung schwarzZeiger (mediumberührt)Aluminium, schwarzGehäuse (mediumberührt)Edelstahl 304BajonettringEdelstahl 304Sichtscheibe (mediumberührt)Kunststoff (PMMA) Technische Zeichnungen Für Detailansichten, Zusatzinformationen und Maßtabellen bitte auf das jeweilige Bild klicken. NG 100/160 – Anschluss radial Maße (mm)NGabcD1D2e1GhsSW100164931019932G½B8620221601649316115932G½B1182022 Downloads EU-Konformitätserklärung Druckgeräte Konformitätserklärungen PDF Herunterladen AFRISO_KAPSELFEDER-STANDARDMANOMETER-FUER-DIFFERENZDRUCK-TYP-D4_DEU_DEU_20260210_004751859.PDF Datenblätter Industrietechnik PDF Englisch Deutsch Montage Manometer Betriebsanleitungen Industrietechnik PDF Herunterladen Rohrfeder-, Kapselfeder-, Plattenfeder-, Membranfedermanometer für Differenzdruck Betriebsanleitungen Industrietechnik PDF Ukrainisch Deutsch Deutsch Video
AFRISO_KAPSELFEDER-STANDARDMANOMETER-FUER-DIFFERENZDRUCK-TYP-D4_DEU_DEU_20260210_004751859.PDF Datenblätter Industrietechnik PDF Englisch Deutsch
Rohrfeder-, Kapselfeder-, Plattenfeder-, Membranfedermanometer für Differenzdruck Betriebsanleitungen Industrietechnik PDF Ukrainisch Deutsch Deutsch