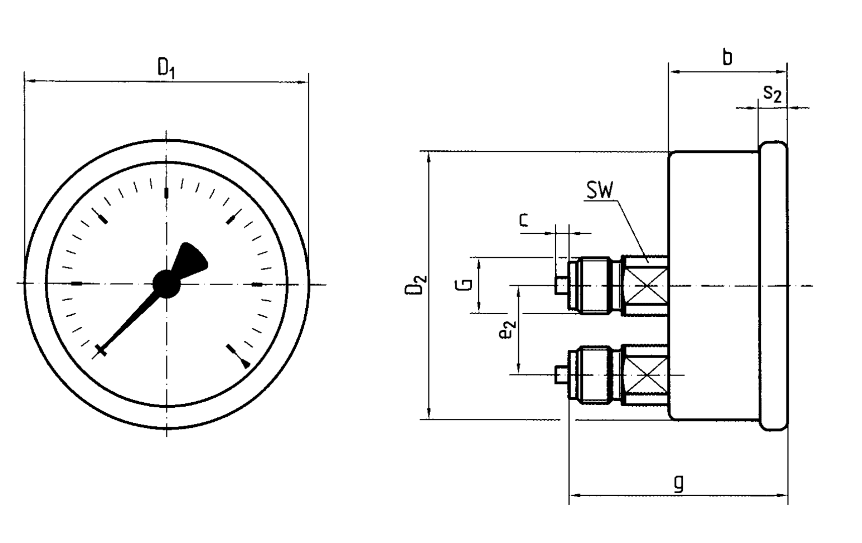
Produkte Unser Leitmotiv „Technik für Umweltschutz“ steht im Mittelpunkt der Produktentwicklung und prägt so schon lange einen sehr großen Teil des Produktsortiments. Mehr Informationen Branchen & Themen Branchen & Themen Übersicht Heizölkomponenten Heizölkomponenten Übersicht Schneller, sauberer Ölfilterwechsel Pilzgefahr bei Bioheizöl vermeiden Mehr Leistung beim Standard-Sikusieb AFRISO Smart Home AFRISO Smart Home Übersicht Gateway HG 02 Sensoren und Aktoren Sensoren und Aktoren Übersicht Gateway Produkte Sicherheit Komfort Raumklima AFRISOhome App Alexa Smart Home Anwendungen Smart Home Anwendungen Übersicht Intelligente Fußbodenheizung Leckagesicherheit Komfortable Heizkörperregelung Sicherheit Stand-Alone Anwendungen Stand-Alone Anwendungen Übersicht Smart Home Einstieg Alarmanlage Einbruchschutz Raumklima Wasserleckage-Detektion AFRISOcloud AFRISOcloud Übersicht Überwachung von Behältern & Tanks Überwachung von Abscheideranlagen Handwerk 4.0 Handwerk 4.0 Übersicht EUROLYZER® CAPBs®-Sets CAPBs®-Sets Übersicht App Wasseranalyse Leitungsprüfung Druckmessung Heizungstechnik Konzentrationsmessung Temperatur BLUELYZER® C1 OEM-Verteilersysteme Hydraulischer Abgleich Hydraulischer Abgleich Übersicht VarioQ Vario-DP Tankumnutzung Hygienische Prozesse AFRISO Smart Home Ob für die Themen Raumklima, Komfort oder Sicherheit – AFRISO Smart Home bietet aufeinander abgestimmte und umfassende Lösungen für die individuelle funkbasierte Gebäudeautomation. Mehr Informationen Service-Center Service-Center Übersicht Geräte-Service Servicestellen Gasanalyse Handwerkersuche Ansprechpartner Datenaustauschformate Kataloge Service-Center Flexibel, kostenbewusst, termintreu und lösungsorientiert steht Ihnen das AFRISO Team zur Seite. Wählen Sie hier Ihren direkten Ansprechpartner aus. Mehr Informationen Schulungen & Events Schulungen & Events Übersicht Messen Messen Übersicht UNITI expo 2026, Stuttgart GET Nord 2026, Hamburg Schulungen & Trainings Schulungen & Trainings Übersicht Ölinstallationen / AwsV Kooperationsschulung Heizen mit flüssigen Brennstoffen Tankschutz und Leckschutzauskleidung Inhouse-Schulung - Heizen mit flüssigen Brennstoffen Inhouse-Schulung Heizölverbraucheranlagen Smart Home Experte Smart Home Basisschulung Smart Home Inhouse-Schulung Suche Industrietechnik Mechanische Druckmessgeräte KP63Dif D911 Link kopiert! Bilder 6 KP63Dif D911 Kapselfeder-Standardmanometer für Differenzdruck Typ D9 Ausführungen Betriebsanleitungen Video Benefits Messung kleinster Differenzdrückerobuste Ausführungstatische Drücke bis 400 mbardirekte Anzeige des Differenzdruckesviele kundenspezifische Ausführungen lieferbar Anwendung Zur Differenzdruckmessung bei nicht aggressiven gasförmigen, trockenen Medien. Besonders geeignet zur Filterverlustmessung in der Klima- und Lüftungstechnik.! Bei Medium Gas oder Dampf unbedingt Tabelle „Auswahlkriterien gemäß EN 837-2“ (s. Anhang) beachten! Ausführungen Technische Daten Technische Zeichnungen Downloads Video Ausführungen Gehäuse-⌀GehäuseGenauigkeitsklasseAnschlussAusrichtungAnzeigebereichTypArt.-Nr.KP63DifD91163 mmEdelstahl 3044,02 x G¼B0/16 mbarKP63Dif D91135515911KP63DifD91163 mmEdelstahl 3041,62 x G¼B0/25 mbarKP63Dif D91135516911KP63DifD91163 mmEdelstahl 3041,62 x G¼B0/40 mbarKP63Dif D91135517911KP63DifD91163 mmEdelstahl 3041,62 x G¼B0/60 mbarKP63Dif D91135518911KP63DifD91163 mmEdelstahl 3041,62 x G¼B0/100 mbarKP63Dif D91135519911KP63DifD91163 mmEdelstahl 3041,62 x G¼B0/160 mbarKP63Dif D91135520911KP63DifD91163 mmEdelstahl 3041,62 x G¼B0/250 mbarKP63Dif D91135521911KP63DifD91163 mmEdelstahl 3041,62 x G¼B0/400 mbarKP63Dif D91135522911 Lagerware Fertigungsware Technische Daten TypD9Nenngröße63FunktionDer „Plus“-Druck (= hoher Druck) gelangt in das Innere der Kapselfeder. Der „Minus“-Druck (= niedriger Druck) gelangt in das Innere des druckdichten Gehäuses. Die so entstehende Druckdifferenz bewirkt eine Verformung der Kapselfeder und erzeugt den Messweg. Dieser wird auf das Zeigerwerk übertragen. Der Differenzdruck wird mit einem Zeiger direkt angezeigt.Genauigkeitsklasse (EN 837-3/6)4,0Anzeigebereiche (EN 837-3/5)siehe BestelltabelleVerwendungsbereichruhende Belastung: Skalenendwertdynamische Belastung: 0,9 x SkalenendwertÜberdrucksicherheitSkalenendwertmaximaler statischer Druck400 mbarTemperatureinsatzbereichMedium: max. 60 °CUmgebung: -20/+60 °CTemperaturverhaltenAnzeigefehler bei Abweichung von der Normaltemperatur 20 °C am Messsystem:bei Temperaturzunahme ca. ± 0,6 %/10 K,bei Temperaturabnahme ca. ± 0,6 %/10 Kvom jeweiligen SkalenendwertSchutzartIP 66 (EN 60529) Standardausführung AnschlussMessing, axial, parallel untereinanderMessglied (mediumberührt)Kapselfeder, CuBe-LegierungZeigerwerk (mediumberührt)MessingNullpunktkorrekturfrontseitigDichtung (mediumberührt)NBR (Perbunan)Zifferblatt (mediumberührt)Aluminium, schwarzSkalierung schwarzZeiger (mediumberührt)Aluminium, schwarzGehäuse (mediumberührt)Edelstahl 304BajonettringEdelstahl 304Sichtscheibe (mediumberührt)Kunststoff (PMMA) Technische Zeichnungen Für Detailansichten, Zusatzinformationen und Maßtabellen bitte auf das jeweilige Bild klicken. NG 63 – Anschluss axial Maße (mm)NGbcD1D2e2gGs2SW6330,5268622053G¼B614 Downloads Zifferblätter für Manometer – Teilstrichabstände Technische Information PDF Englisch Deutsch EU-Konformitätserklärung Druckgeräte Konformitätserklärungen PDF Herunterladen Montage Manometer Betriebsanleitungen Industrietechnik PDF Herunterladen Rohrfeder-, Kapselfeder-, Plattenfeder-, Membranfedermanometer für Differenzdruck Betriebsanleitungen Industrietechnik PDF Ukrainisch Deutsch Deutsch Video zugehörige Produkte
AFRISO Smart Home Ob für die Themen Raumklima, Komfort oder Sicherheit – AFRISO Smart Home bietet aufeinander abgestimmte und umfassende Lösungen für die individuelle funkbasierte Gebäudeautomation. Mehr Informationen Service-Center Service-Center Übersicht Geräte-Service Servicestellen Gasanalyse Handwerkersuche Ansprechpartner Datenaustauschformate Kataloge Service-Center Flexibel, kostenbewusst, termintreu und lösungsorientiert steht Ihnen das AFRISO Team zur Seite. Wählen Sie hier Ihren direkten Ansprechpartner aus. Mehr Informationen Schulungen & Events Schulungen & Events Übersicht Messen Messen Übersicht UNITI expo 2026, Stuttgart GET Nord 2026, Hamburg Schulungen & Trainings Schulungen & Trainings Übersicht Ölinstallationen / AwsV Kooperationsschulung Heizen mit flüssigen Brennstoffen Tankschutz und Leckschutzauskleidung Inhouse-Schulung - Heizen mit flüssigen Brennstoffen Inhouse-Schulung Heizölverbraucheranlagen Smart Home Experte Smart Home Basisschulung Smart Home Inhouse-Schulung Suche
Service-Center Flexibel, kostenbewusst, termintreu und lösungsorientiert steht Ihnen das AFRISO Team zur Seite. Wählen Sie hier Ihren direkten Ansprechpartner aus. Mehr Informationen Schulungen & Events Schulungen & Events Übersicht Messen Messen Übersicht UNITI expo 2026, Stuttgart GET Nord 2026, Hamburg Schulungen & Trainings Schulungen & Trainings Übersicht Ölinstallationen / AwsV Kooperationsschulung Heizen mit flüssigen Brennstoffen Tankschutz und Leckschutzauskleidung Inhouse-Schulung - Heizen mit flüssigen Brennstoffen Inhouse-Schulung Heizölverbraucheranlagen Smart Home Experte Smart Home Basisschulung Smart Home Inhouse-Schulung Suche
Bilder 6 KP63Dif D911 Kapselfeder-Standardmanometer für Differenzdruck Typ D9 Ausführungen Betriebsanleitungen Video Benefits Messung kleinster Differenzdrückerobuste Ausführungstatische Drücke bis 400 mbardirekte Anzeige des Differenzdruckesviele kundenspezifische Ausführungen lieferbar Anwendung Zur Differenzdruckmessung bei nicht aggressiven gasförmigen, trockenen Medien. Besonders geeignet zur Filterverlustmessung in der Klima- und Lüftungstechnik.! Bei Medium Gas oder Dampf unbedingt Tabelle „Auswahlkriterien gemäß EN 837-2“ (s. Anhang) beachten! Ausführungen Technische Daten Technische Zeichnungen Downloads Video Ausführungen Gehäuse-⌀GehäuseGenauigkeitsklasseAnschlussAusrichtungAnzeigebereichTypArt.-Nr.KP63DifD91163 mmEdelstahl 3044,02 x G¼B0/16 mbarKP63Dif D91135515911KP63DifD91163 mmEdelstahl 3041,62 x G¼B0/25 mbarKP63Dif D91135516911KP63DifD91163 mmEdelstahl 3041,62 x G¼B0/40 mbarKP63Dif D91135517911KP63DifD91163 mmEdelstahl 3041,62 x G¼B0/60 mbarKP63Dif D91135518911KP63DifD91163 mmEdelstahl 3041,62 x G¼B0/100 mbarKP63Dif D91135519911KP63DifD91163 mmEdelstahl 3041,62 x G¼B0/160 mbarKP63Dif D91135520911KP63DifD91163 mmEdelstahl 3041,62 x G¼B0/250 mbarKP63Dif D91135521911KP63DifD91163 mmEdelstahl 3041,62 x G¼B0/400 mbarKP63Dif D91135522911 Lagerware Fertigungsware Technische Daten TypD9Nenngröße63FunktionDer „Plus“-Druck (= hoher Druck) gelangt in das Innere der Kapselfeder. Der „Minus“-Druck (= niedriger Druck) gelangt in das Innere des druckdichten Gehäuses. Die so entstehende Druckdifferenz bewirkt eine Verformung der Kapselfeder und erzeugt den Messweg. Dieser wird auf das Zeigerwerk übertragen. Der Differenzdruck wird mit einem Zeiger direkt angezeigt.Genauigkeitsklasse (EN 837-3/6)4,0Anzeigebereiche (EN 837-3/5)siehe BestelltabelleVerwendungsbereichruhende Belastung: Skalenendwertdynamische Belastung: 0,9 x SkalenendwertÜberdrucksicherheitSkalenendwertmaximaler statischer Druck400 mbarTemperatureinsatzbereichMedium: max. 60 °CUmgebung: -20/+60 °CTemperaturverhaltenAnzeigefehler bei Abweichung von der Normaltemperatur 20 °C am Messsystem:bei Temperaturzunahme ca. ± 0,6 %/10 K,bei Temperaturabnahme ca. ± 0,6 %/10 Kvom jeweiligen SkalenendwertSchutzartIP 66 (EN 60529) Standardausführung AnschlussMessing, axial, parallel untereinanderMessglied (mediumberührt)Kapselfeder, CuBe-LegierungZeigerwerk (mediumberührt)MessingNullpunktkorrekturfrontseitigDichtung (mediumberührt)NBR (Perbunan)Zifferblatt (mediumberührt)Aluminium, schwarzSkalierung schwarzZeiger (mediumberührt)Aluminium, schwarzGehäuse (mediumberührt)Edelstahl 304BajonettringEdelstahl 304Sichtscheibe (mediumberührt)Kunststoff (PMMA) Technische Zeichnungen Für Detailansichten, Zusatzinformationen und Maßtabellen bitte auf das jeweilige Bild klicken. NG 63 – Anschluss axial Maße (mm)NGbcD1D2e2gGs2SW6330,5268622053G¼B614 Downloads Zifferblätter für Manometer – Teilstrichabstände Technische Information PDF Englisch Deutsch EU-Konformitätserklärung Druckgeräte Konformitätserklärungen PDF Herunterladen Montage Manometer Betriebsanleitungen Industrietechnik PDF Herunterladen Rohrfeder-, Kapselfeder-, Plattenfeder-, Membranfedermanometer für Differenzdruck Betriebsanleitungen Industrietechnik PDF Ukrainisch Deutsch Deutsch Video
Rohrfeder-, Kapselfeder-, Plattenfeder-, Membranfedermanometer für Differenzdruck Betriebsanleitungen Industrietechnik PDF Ukrainisch Deutsch Deutsch