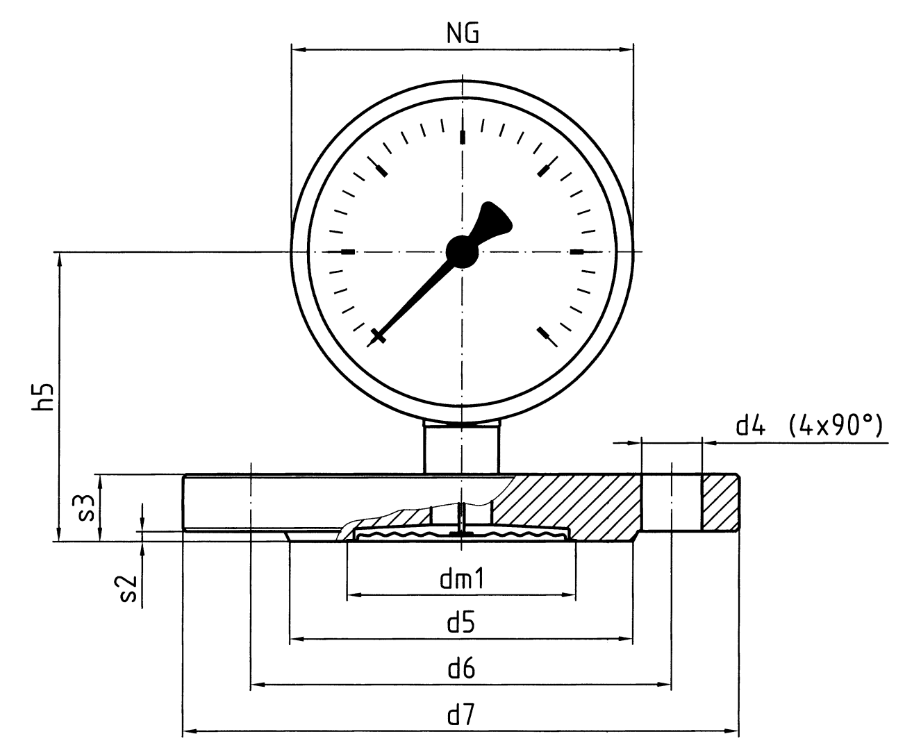
Produkte Unser Leitmotiv „Technik für Umweltschutz“ steht im Mittelpunkt der Produktentwicklung und prägt so schon lange einen sehr großen Teil des Produktsortiments. Mehr Informationen Branchen & Themen Branchen & Themen Übersicht Heizölkomponenten Heizölkomponenten Übersicht Schneller, sauberer Ölfilterwechsel Pilzgefahr bei Bioheizöl vermeiden Mehr Leistung beim Standard-Sikusieb AFRISO Smart Home AFRISO Smart Home Übersicht Gateway HG 02 Sensoren und Aktoren Sensoren und Aktoren Übersicht Gateway Produkte Sicherheit Komfort Raumklima AFRISOhome App Alexa Smart Home Anwendungen Smart Home Anwendungen Übersicht Intelligente Fußbodenheizung Leckagesicherheit Komfortable Heizkörperregelung Sicherheit Stand-Alone Anwendungen Stand-Alone Anwendungen Übersicht Smart Home Einstieg Alarmanlage Einbruchschutz Raumklima Wasserleckage-Detektion AFRISOcloud AFRISOcloud Übersicht Überwachung von Behältern & Tanks Überwachung von Abscheideranlagen Handwerk 4.0 Handwerk 4.0 Übersicht EUROLYZER® CAPBs®-Sets CAPBs®-Sets Übersicht App Wasseranalyse Leitungsprüfung Druckmessung Heizungstechnik Konzentrationsmessung Temperatur BLUELYZER® C1 OEM-Verteilersysteme Hydraulischer Abgleich Hydraulischer Abgleich Übersicht VarioQ Vario-DP Tankumnutzung Hygienische Prozesse AFRISO Smart Home Ob für die Themen Raumklima, Komfort oder Sicherheit – AFRISO Smart Home bietet aufeinander abgestimmte und umfassende Lösungen für die individuelle funkbasierte Gebäudeautomation. Mehr Informationen Service-Center Service-Center Übersicht Geräte-Service Servicestellen Gasanalyse Handwerkersuche Ansprechpartner Datenaustauschformate Kataloge Service-Center Flexibel, kostenbewusst, termintreu und lösungsorientiert steht Ihnen das AFRISO Team zur Seite. Wählen Sie hier Ihren direkten Ansprechpartner aus. Mehr Informationen Schulungen & Events Schulungen & Events Übersicht Messen Messen Übersicht UNITI expo 2026, Stuttgart GET Nord 2026, Hamburg Schulungen & Trainings Schulungen & Trainings Übersicht Ölinstallationen / AwsV Kooperationsschulung Heizen mit flüssigen Brennstoffen Tankschutz und Leckschutzauskleidung Inhouse-Schulung - Heizen mit flüssigen Brennstoffen Inhouse-Schulung Heizölverbraucheranlagen Smart Home Experte Smart Home Basisschulung Smart Home Inhouse-Schulung Suche Industrietechnik Mechanische Druckmessgeräte PF100FL D402 Link kopiert! Bilder 1 PF100FL D402 Plattenfeder-Edelstahlmanometer Typ D4 Ausführungen Betriebsanleitungen Video Info Gehäuse-⌀ (Nenngröße)100 mmGenauigkeitsklasse1,6NormEN 837-3 Benefits robuste und kompakte Bauformverschiedende Prozessanschlüsse möglichfrontbündige Varianten ohne Übertragungsflüssigkeitdichtungsfrei im mediumberührten Bereich durch VerschweißenGOSSTANDART-zertifiziert Anwendung Für gasförmige und flüssige, aggressive Medien, auch in aggressiver Umgebung. Mit offenem Anschlussflansch auch für viskose und verunreinigte Medien, mit hygienischen Anschlüssen speziell geeignet für pharmazeutische Prozesse. Bei Medium Gas oder Dampf unbedingt Tabelle „Auswahlkriterien gemäß EN 837-2“ (s. Anhang) beachten! Ausführungen Technische Daten Technische Zeichnungen Downloads Video Ausführungen AnzeigebereichEinbauartTypArtikelnummer0/0.6 bardirektPF100FL D402889504020/1 bardirektPF100FL D402889514020/1.6 bardirektPF100FL D402889524020/2.5 bardirektPF100FL D402889534020/4 bardirektPF100FL D402889544020/6 bardirektPF100FL D402889554020/10 bardirektPF100FL D402889564020/16 bardirektPF100FL D402889574020/25 bardirektPF100FL D40288958402 Lagerware Fertigungsware Technische Daten TypD4Nenngröße100Genauigkeitsklasse (EN 837-3/6)1,6Anzeigebereiche (EN 837-3/5)siehe BestelltabelleVerwendungsbereichruhende Belastung: Skalenendwertdynamische Belastung: 0,9 x SkalenendwertÜberdrucksicherheit≤ 6 bar: mind. 5 x FS≥ 10 bar: max. 40 barTemperatureinsatzbereichMedium: max. 100 °CUmgebung: -20/+60 °CTemperaturverhaltenAnzeigefehler bei Abweichung von der Normaltemperatur 20 °C am Messsystem:bei Temperaturzunahme ca. ± 0,8 %/10 K,bei Temperaturabnahme ca. ± 0,8 %/10 Kvom jeweiligen SkalenendwertSchutzartIP 54 (EN 60529) Standardausführung AnschlussEdelstahl 316 Ti/316 L, radialfrontbündiger Anschlussflansch, EN 1092-1unterer MessflanschEdelstahl 316 Ti/316 Loberer MessflanschEdelstahl 316 LMessgliedPlattenfeder≤ 2,5 bar: Edelstahl 316 Ti/316 L≥ 4 bar: DurathermZeigerwerkEdelstahlZifferblattAluminium, weißSkalierung schwarzZeigerAluminium, schwarzGehäuseEdelstahl 304, mit DruckentlastungsöffnungBajonettringEdelstahl 304SichtscheibeSicherheitsverbundglas Technische Zeichnungen Für Detailansichten, Zusatzinformationen und Maßtabellen bitte auf das jeweilige Bild klicken. frontbündiger Anschlussflansch nach EN 1092-1/B 1 DN 50/PN 40, 0/100 mbar bis 0/25 bar Maße (mm)Maße (mm)NGd4d5d6d7dm1h5s2s31004x∅1810212516568863201604x∅1810212516568117320 Downloads Zifferblätter für Manometer – Teilstrichabstände Technische Information PDF Englisch Deutsch EU-Konformitätserklärung Druckgeräte Konformitätserklärungen PDF Herunterladen ATEX Bescheinigung Manometer Zertifikate / DIBt-Zulassungen Industrietechnik PDF Englisch Deutsch Plattenfeder-Edelstahlmanometer Typ D4 Katalog-Optionen Industrietechnik PDF Englisch Deutsch Montage Manometer Betriebsanleitungen Industrietechnik PDF Herunterladen Rohrfeder-, Kapselfeder-, Plattenfeder-, Membranfedermanometer für Differenzdruck Betriebsanleitungen Industrietechnik PDF Ukrainisch Deutsch Deutsch PF100FL_D402_889XX402.STP STEP 3D Modell Industrietechnik STP Herunterladen Video zugehörige Produkte
AFRISO Smart Home Ob für die Themen Raumklima, Komfort oder Sicherheit – AFRISO Smart Home bietet aufeinander abgestimmte und umfassende Lösungen für die individuelle funkbasierte Gebäudeautomation. Mehr Informationen Service-Center Service-Center Übersicht Geräte-Service Servicestellen Gasanalyse Handwerkersuche Ansprechpartner Datenaustauschformate Kataloge Service-Center Flexibel, kostenbewusst, termintreu und lösungsorientiert steht Ihnen das AFRISO Team zur Seite. Wählen Sie hier Ihren direkten Ansprechpartner aus. Mehr Informationen Schulungen & Events Schulungen & Events Übersicht Messen Messen Übersicht UNITI expo 2026, Stuttgart GET Nord 2026, Hamburg Schulungen & Trainings Schulungen & Trainings Übersicht Ölinstallationen / AwsV Kooperationsschulung Heizen mit flüssigen Brennstoffen Tankschutz und Leckschutzauskleidung Inhouse-Schulung - Heizen mit flüssigen Brennstoffen Inhouse-Schulung Heizölverbraucheranlagen Smart Home Experte Smart Home Basisschulung Smart Home Inhouse-Schulung Suche
Service-Center Flexibel, kostenbewusst, termintreu und lösungsorientiert steht Ihnen das AFRISO Team zur Seite. Wählen Sie hier Ihren direkten Ansprechpartner aus. Mehr Informationen Schulungen & Events Schulungen & Events Übersicht Messen Messen Übersicht UNITI expo 2026, Stuttgart GET Nord 2026, Hamburg Schulungen & Trainings Schulungen & Trainings Übersicht Ölinstallationen / AwsV Kooperationsschulung Heizen mit flüssigen Brennstoffen Tankschutz und Leckschutzauskleidung Inhouse-Schulung - Heizen mit flüssigen Brennstoffen Inhouse-Schulung Heizölverbraucheranlagen Smart Home Experte Smart Home Basisschulung Smart Home Inhouse-Schulung Suche
Bilder 1 PF100FL D402 Plattenfeder-Edelstahlmanometer Typ D4 Ausführungen Betriebsanleitungen Video Info Gehäuse-⌀ (Nenngröße)100 mmGenauigkeitsklasse1,6NormEN 837-3 Benefits robuste und kompakte Bauformverschiedende Prozessanschlüsse möglichfrontbündige Varianten ohne Übertragungsflüssigkeitdichtungsfrei im mediumberührten Bereich durch VerschweißenGOSSTANDART-zertifiziert Anwendung Für gasförmige und flüssige, aggressive Medien, auch in aggressiver Umgebung. Mit offenem Anschlussflansch auch für viskose und verunreinigte Medien, mit hygienischen Anschlüssen speziell geeignet für pharmazeutische Prozesse. Bei Medium Gas oder Dampf unbedingt Tabelle „Auswahlkriterien gemäß EN 837-2“ (s. Anhang) beachten! Ausführungen Technische Daten Technische Zeichnungen Downloads Video Ausführungen AnzeigebereichEinbauartTypArtikelnummer0/0.6 bardirektPF100FL D402889504020/1 bardirektPF100FL D402889514020/1.6 bardirektPF100FL D402889524020/2.5 bardirektPF100FL D402889534020/4 bardirektPF100FL D402889544020/6 bardirektPF100FL D402889554020/10 bardirektPF100FL D402889564020/16 bardirektPF100FL D402889574020/25 bardirektPF100FL D40288958402 Lagerware Fertigungsware Technische Daten TypD4Nenngröße100Genauigkeitsklasse (EN 837-3/6)1,6Anzeigebereiche (EN 837-3/5)siehe BestelltabelleVerwendungsbereichruhende Belastung: Skalenendwertdynamische Belastung: 0,9 x SkalenendwertÜberdrucksicherheit≤ 6 bar: mind. 5 x FS≥ 10 bar: max. 40 barTemperatureinsatzbereichMedium: max. 100 °CUmgebung: -20/+60 °CTemperaturverhaltenAnzeigefehler bei Abweichung von der Normaltemperatur 20 °C am Messsystem:bei Temperaturzunahme ca. ± 0,8 %/10 K,bei Temperaturabnahme ca. ± 0,8 %/10 Kvom jeweiligen SkalenendwertSchutzartIP 54 (EN 60529) Standardausführung AnschlussEdelstahl 316 Ti/316 L, radialfrontbündiger Anschlussflansch, EN 1092-1unterer MessflanschEdelstahl 316 Ti/316 Loberer MessflanschEdelstahl 316 LMessgliedPlattenfeder≤ 2,5 bar: Edelstahl 316 Ti/316 L≥ 4 bar: DurathermZeigerwerkEdelstahlZifferblattAluminium, weißSkalierung schwarzZeigerAluminium, schwarzGehäuseEdelstahl 304, mit DruckentlastungsöffnungBajonettringEdelstahl 304SichtscheibeSicherheitsverbundglas Technische Zeichnungen Für Detailansichten, Zusatzinformationen und Maßtabellen bitte auf das jeweilige Bild klicken. frontbündiger Anschlussflansch nach EN 1092-1/B 1 DN 50/PN 40, 0/100 mbar bis 0/25 bar Maße (mm)Maße (mm)NGd4d5d6d7dm1h5s2s31004x∅1810212516568863201604x∅1810212516568117320 Downloads Zifferblätter für Manometer – Teilstrichabstände Technische Information PDF Englisch Deutsch EU-Konformitätserklärung Druckgeräte Konformitätserklärungen PDF Herunterladen ATEX Bescheinigung Manometer Zertifikate / DIBt-Zulassungen Industrietechnik PDF Englisch Deutsch Plattenfeder-Edelstahlmanometer Typ D4 Katalog-Optionen Industrietechnik PDF Englisch Deutsch Montage Manometer Betriebsanleitungen Industrietechnik PDF Herunterladen Rohrfeder-, Kapselfeder-, Plattenfeder-, Membranfedermanometer für Differenzdruck Betriebsanleitungen Industrietechnik PDF Ukrainisch Deutsch Deutsch PF100FL_D402_889XX402.STP STEP 3D Modell Industrietechnik STP Herunterladen Video
Rohrfeder-, Kapselfeder-, Plattenfeder-, Membranfedermanometer für Differenzdruck Betriebsanleitungen Industrietechnik PDF Ukrainisch Deutsch Deutsch