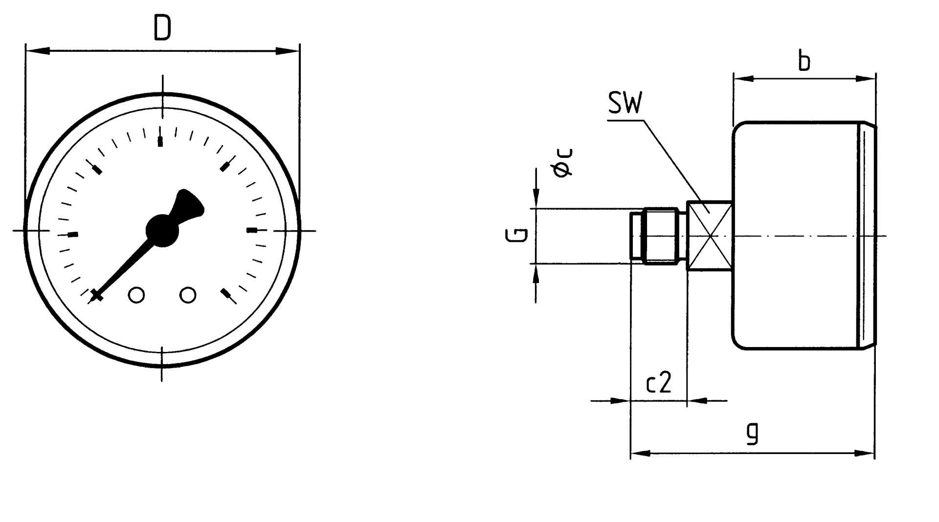
Produkte Unser Leitmotiv „Technik für Umweltschutz“ steht im Mittelpunkt der Produktentwicklung und prägt so schon lange einen sehr großen Teil des Produktsortiments. Mehr Informationen Branchen & Themen Branchen & Themen Übersicht Heizölkomponenten Heizölkomponenten Übersicht Schneller, sauberer Ölfilterwechsel Pilzgefahr bei Bioheizöl vermeiden Mehr Leistung beim Standard-Sikusieb AFRISO Smart Home AFRISO Smart Home Übersicht Gateway HG 02 Sensoren und Aktoren Sensoren und Aktoren Übersicht Gateway Produkte Sicherheit Komfort Raumklima AFRISOhome App Alexa Smart Home Anwendungen Smart Home Anwendungen Übersicht Intelligente Fußbodenheizung Leckagesicherheit Komfortable Heizkörperregelung Sicherheit Stand-Alone Anwendungen Stand-Alone Anwendungen Übersicht Smart Home Einstieg Alarmanlage Einbruchschutz Raumklima Wasserleckage-Detektion Handwerk 4.0 Handwerk 4.0 Übersicht EUROLYZER® CAPBs®-Sets CAPBs®-Sets Übersicht App Wasseranalyse Leitungsprüfung Druckmessung Heizungstechnik Konzentrationsmessung Temperatur BLUELYZER C1 OEM-Verteilersysteme Hydraulischer Abgleich Hydraulischer Abgleich Übersicht VarioQ Vario-DP Tankumnutzung Hygienische Prozesse AFRISO Smart Home Ob für die Themen Raumklima, Komfort oder Sicherheit – AFRISO Smart Home bietet aufeinander abgestimmte und umfassende Lösungen für die individuelle funkbasierte Gebäudeautomation. Mehr Informationen Service-Center Service-Center Übersicht Geräte-Service Servicestellen Gasanalyse Handwerkersuche Ansprechpartner Datenaustauschformate Kataloge Service-Center Flexibel, kostenbewusst, termintreu und lösungsorientiert steht Ihnen das AFRISO Team zur Seite. Wählen Sie hier Ihren direkten Ansprechpartner aus. Mehr Informationen Schulungen & Events Schulungen & Events Übersicht Messen Messen Übersicht SHK+E 2026, Essen IFH Intherm 2026, Nürnberg GET Nord 2026, Hamburg Schulungen & Trainings Schulungen & Trainings Übersicht Heizen mit flüssigen Brennstoffen Tankschutz und Leckschutzauskleidung Inhouse-Schulung - Heizen mit flüssigen Brennstoffen Inhouse-Schulung Heizölverbraucheranlagen Smart Home Experte Smart Home Basisschulung Smart Home Inhouse-Schulung Suche Industrietechnik Mechanische Druckmessgeräte RF40Gly D611 Bilder 4 RF40Gly D611 Rohrfeder-Glyzerinmanometer Typ D6 Ausführungen Betriebsanleitung Video Info Gehäuse-⌀ (Nenngröße)40 mmAnschlussG⅛BAusrichtungaxialGenauigkeitsklasse1,6NormEN 837-1 Benefits einsetzbar bei starken Vibrationen und hohen dynamischen Druckbelastungenlängere Lebensdauer durch geringeren Verschleiß und Korrosionsschutz des Messsystemskein Beschlagen der Sichtscheibe von innen bei Einsatz im Freien Anwendung Für gasförmige und flüssige, nicht hochviskose und nicht kristallisierende Medien, die Kupferlegierungen nicht angreifen. Für Messstellen mit starken Vibrationen und hohen dynamischen Druckbelastungen. Ausführungen Technische Daten Technische Zeichnungen Downloads Video Ausführungen AnzeigebereichEinbauartTypArtikelnummer-1/0 bardirektRF40Gly D611850016110/1 bardirektRF40Gly D611850106110/1.6 bardirektRF40Gly D611850116110/2.5 bardirektRF40Gly D611850126110/4 bardirektRF40Gly D611850136110/6 bardirektRF40Gly D611850146110/10 bardirektRF40Gly D611850156110/16 bardirektRF40Gly D611850166110/25 bardirektRF40Gly D611850176110/40 bardirektRF40Gly D611850186110/60 bardirektRF40Gly D611850196110/100 bardirektRF40Gly D611850206110/160 bardirektRF40Gly D611850216110/250 bardirektRF40Gly D611850226110/400 bardirektRF40Gly D61185023611 Lagerware Fertigungsware Technische Daten TypD6Nenngröße40 - 40Genauigkeitsklasse (EN 837-1/6)1,6Anzeigebereiche (EN 837-1/5)siehe BestelltabelleVerwendungsbereichruhende Belastung: ¾ x Skalenendwertdynamische Belastung: ⅔ x Skalenendwertkurzzeitig: SkalenendwertTemperatureinsatzbereichMedium: max. 60 °CUmgebung: -20/+60 °CSchutzartIP 54 (EN 60529) bei Gehäuseentlüftung (≤ 25 bar) Standardausführung AnschlussMessing, axialMessgliedRohrfeder, Kupferlegierung≤ 60 bar: Kreisformfeder> 60 bar: SchraubenformfederZeigerwerkMessingZifferblattNG 40: Kunststoff, weißSkalierung: schwarzZeigerNG 40: Kunststoff, schwarzGehäuseNG 40: Kunststoff (ABS), schwarzmit DruckentlastungsöffnungBördelringNG 40: SichtscheibeNG 40: Kunststoff, mit Gehäuse ultraschallverschweißtFüllflüssigkeitGlyzerin (99,5 %) Technische Zeichnungen Für Detailansichten, Zusatzinformationen und Maßtabellen bitte auf das jeweilige Bild klicken. NG 40 – Anschluss axial Maße (mm)NGb∅cc2DGgSW402541040G⅛B4312 Downloads AFRISO_ROHRFEDER-GLYZERINMANOMETER-TYP-D6_DEU_DEU_20260210_001118873.PDF Datenblätter Industrietechnik PDF Englisch Deutsch Rohrfeder-Manometer Katalog-Optionen Haustechnik PDF Englisch Deutsch AFRISO_EU-KONFORMITAETSERKLAERUNG_DRUCKGERAETE_DE.PDF Prüfbescheinigungen Industrietechnik PDF Herunterladen Montage Manometer Betriebsanleitungen Industrietechnik PDF Herunterladen Rohrfeder-, Kapselfeder-, Plattenfeder-, Membranfedermanometer für Differenzdruck Betriebsanleitungen Industrietechnik PDF Ukrainisch Deutsch Deutsch Video zugehörige Produkte
AFRISO Smart Home Ob für die Themen Raumklima, Komfort oder Sicherheit – AFRISO Smart Home bietet aufeinander abgestimmte und umfassende Lösungen für die individuelle funkbasierte Gebäudeautomation. Mehr Informationen Service-Center Service-Center Übersicht Geräte-Service Servicestellen Gasanalyse Handwerkersuche Ansprechpartner Datenaustauschformate Kataloge Service-Center Flexibel, kostenbewusst, termintreu und lösungsorientiert steht Ihnen das AFRISO Team zur Seite. Wählen Sie hier Ihren direkten Ansprechpartner aus. Mehr Informationen Schulungen & Events Schulungen & Events Übersicht Messen Messen Übersicht SHK+E 2026, Essen IFH Intherm 2026, Nürnberg GET Nord 2026, Hamburg Schulungen & Trainings Schulungen & Trainings Übersicht Heizen mit flüssigen Brennstoffen Tankschutz und Leckschutzauskleidung Inhouse-Schulung - Heizen mit flüssigen Brennstoffen Inhouse-Schulung Heizölverbraucheranlagen Smart Home Experte Smart Home Basisschulung Smart Home Inhouse-Schulung Suche
Service-Center Flexibel, kostenbewusst, termintreu und lösungsorientiert steht Ihnen das AFRISO Team zur Seite. Wählen Sie hier Ihren direkten Ansprechpartner aus. Mehr Informationen Schulungen & Events Schulungen & Events Übersicht Messen Messen Übersicht SHK+E 2026, Essen IFH Intherm 2026, Nürnberg GET Nord 2026, Hamburg Schulungen & Trainings Schulungen & Trainings Übersicht Heizen mit flüssigen Brennstoffen Tankschutz und Leckschutzauskleidung Inhouse-Schulung - Heizen mit flüssigen Brennstoffen Inhouse-Schulung Heizölverbraucheranlagen Smart Home Experte Smart Home Basisschulung Smart Home Inhouse-Schulung Suche
Bilder 4 RF40Gly D611 Rohrfeder-Glyzerinmanometer Typ D6 Ausführungen Betriebsanleitung Video Info Gehäuse-⌀ (Nenngröße)40 mmAnschlussG⅛BAusrichtungaxialGenauigkeitsklasse1,6NormEN 837-1 Benefits einsetzbar bei starken Vibrationen und hohen dynamischen Druckbelastungenlängere Lebensdauer durch geringeren Verschleiß und Korrosionsschutz des Messsystemskein Beschlagen der Sichtscheibe von innen bei Einsatz im Freien Anwendung Für gasförmige und flüssige, nicht hochviskose und nicht kristallisierende Medien, die Kupferlegierungen nicht angreifen. Für Messstellen mit starken Vibrationen und hohen dynamischen Druckbelastungen. Ausführungen Technische Daten Technische Zeichnungen Downloads Video Ausführungen AnzeigebereichEinbauartTypArtikelnummer-1/0 bardirektRF40Gly D611850016110/1 bardirektRF40Gly D611850106110/1.6 bardirektRF40Gly D611850116110/2.5 bardirektRF40Gly D611850126110/4 bardirektRF40Gly D611850136110/6 bardirektRF40Gly D611850146110/10 bardirektRF40Gly D611850156110/16 bardirektRF40Gly D611850166110/25 bardirektRF40Gly D611850176110/40 bardirektRF40Gly D611850186110/60 bardirektRF40Gly D611850196110/100 bardirektRF40Gly D611850206110/160 bardirektRF40Gly D611850216110/250 bardirektRF40Gly D611850226110/400 bardirektRF40Gly D61185023611 Lagerware Fertigungsware Technische Daten TypD6Nenngröße40 - 40Genauigkeitsklasse (EN 837-1/6)1,6Anzeigebereiche (EN 837-1/5)siehe BestelltabelleVerwendungsbereichruhende Belastung: ¾ x Skalenendwertdynamische Belastung: ⅔ x Skalenendwertkurzzeitig: SkalenendwertTemperatureinsatzbereichMedium: max. 60 °CUmgebung: -20/+60 °CSchutzartIP 54 (EN 60529) bei Gehäuseentlüftung (≤ 25 bar) Standardausführung AnschlussMessing, axialMessgliedRohrfeder, Kupferlegierung≤ 60 bar: Kreisformfeder> 60 bar: SchraubenformfederZeigerwerkMessingZifferblattNG 40: Kunststoff, weißSkalierung: schwarzZeigerNG 40: Kunststoff, schwarzGehäuseNG 40: Kunststoff (ABS), schwarzmit DruckentlastungsöffnungBördelringNG 40: SichtscheibeNG 40: Kunststoff, mit Gehäuse ultraschallverschweißtFüllflüssigkeitGlyzerin (99,5 %) Technische Zeichnungen Für Detailansichten, Zusatzinformationen und Maßtabellen bitte auf das jeweilige Bild klicken. NG 40 – Anschluss axial Maße (mm)NGb∅cc2DGgSW402541040G⅛B4312 Downloads AFRISO_ROHRFEDER-GLYZERINMANOMETER-TYP-D6_DEU_DEU_20260210_001118873.PDF Datenblätter Industrietechnik PDF Englisch Deutsch Rohrfeder-Manometer Katalog-Optionen Haustechnik PDF Englisch Deutsch AFRISO_EU-KONFORMITAETSERKLAERUNG_DRUCKGERAETE_DE.PDF Prüfbescheinigungen Industrietechnik PDF Herunterladen Montage Manometer Betriebsanleitungen Industrietechnik PDF Herunterladen Rohrfeder-, Kapselfeder-, Plattenfeder-, Membranfedermanometer für Differenzdruck Betriebsanleitungen Industrietechnik PDF Ukrainisch Deutsch Deutsch Video
AFRISO_ROHRFEDER-GLYZERINMANOMETER-TYP-D6_DEU_DEU_20260210_001118873.PDF Datenblätter Industrietechnik PDF Englisch Deutsch
AFRISO_EU-KONFORMITAETSERKLAERUNG_DRUCKGERAETE_DE.PDF Prüfbescheinigungen Industrietechnik PDF Herunterladen
Rohrfeder-, Kapselfeder-, Plattenfeder-, Membranfedermanometer für Differenzdruck Betriebsanleitungen Industrietechnik PDF Ukrainisch Deutsch Deutsch