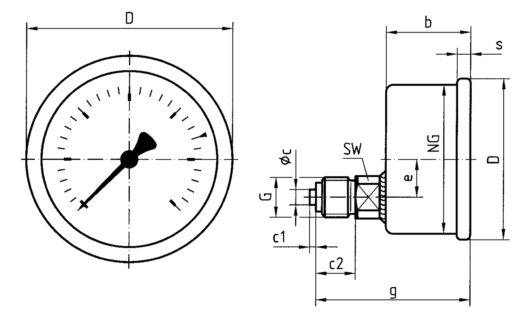
Produkte Unser Leitmotiv „Technik für Umweltschutz“ steht im Mittelpunkt der Produktentwicklung und prägt so schon lange einen sehr großen Teil des Produktsortiments. Mehr Informationen Branchen & Themen Branchen & Themen Übersicht Heizölkomponenten Heizölkomponenten Übersicht Schneller, sauberer Ölfilterwechsel Pilzgefahr bei Bioheizöl vermeiden Mehr Leistung beim Standard-Sikusieb AFRISO Smart Home AFRISO Smart Home Übersicht Gateway HG 02 Sensoren und Aktoren Sensoren und Aktoren Übersicht Gateway Produkte Sicherheit Komfort Raumklima AFRISOhome App Alexa Smart Home Anwendungen Smart Home Anwendungen Übersicht Intelligente Fußbodenheizung Leckagesicherheit Komfortable Heizkörperregelung Sicherheit Stand-Alone Anwendungen Stand-Alone Anwendungen Übersicht Smart Home Einstieg Alarmanlage Einbruchschutz Raumklima Wasserleckage-Detektion AFRISOcloud AFRISOcloud Übersicht Überwachung von Behältern & Tanks Überwachung von Abscheideranlagen Handwerk 4.0 Handwerk 4.0 Übersicht EUROLYZER® CAPBs®-Sets CAPBs®-Sets Übersicht App Wasseranalyse Leitungsprüfung Druckmessung Heizungstechnik Konzentrationsmessung Temperatur BLUELYZER® C1 OEM-Verteilersysteme Hydraulischer Abgleich Hydraulischer Abgleich Übersicht VarioQ Vario-DP Tankumnutzung Hygienische Prozesse AFRISO Smart Home Ob für die Themen Raumklima, Komfort oder Sicherheit – AFRISO Smart Home bietet aufeinander abgestimmte und umfassende Lösungen für die individuelle funkbasierte Gebäudeautomation. Mehr Informationen Service-Center Service-Center Übersicht Geräte-Service Servicestellen Gasanalyse Handwerkersuche Ansprechpartner Datenaustauschformate Kataloge Service-Center Flexibel, kostenbewusst, termintreu und lösungsorientiert steht Ihnen das AFRISO Team zur Seite. Wählen Sie hier Ihren direkten Ansprechpartner aus. Mehr Informationen Schulungen & Events Schulungen & Events Übersicht Messen Messen Übersicht UNITI expo 2026, Stuttgart GET Nord 2026, Hamburg Schulungen & Trainings Schulungen & Trainings Übersicht Ölinstallationen / AwsV Kooperationsschulung Heizen mit flüssigen Brennstoffen Tankschutz und Leckschutzauskleidung Inhouse-Schulung - Heizen mit flüssigen Brennstoffen Inhouse-Schulung Heizölverbraucheranlagen Smart Home Experte Smart Home Basisschulung Smart Home Inhouse-Schulung Suche Industrietechnik Mechanische Druckmessgeräte RF50Ch D912 Link kopiert! Bilder 2 RF50Ch D912 Rohrfeder-Chemiemanometer Typ D9 Ausführungen Betriebsanleitungen Video Info Gehäuse-⌀ (Nenngröße)50 mmAnschlussG¼BAusrichtungaxial exzentrischGenauigkeitsklasse1,6NormEN 837-1 Benefits für Chemie- und Verfahrenstechnikvoll verschweißtes Messsystem und Gehäuseextrem robuste KonstruktionMediumtemperaturen bis 150 ˚C bzw. 200 ˚Cmit Helium dichtheitsgeprüftGOSSTANDART-zertifiziertEx-Ausführung (optional) Anwendung Für gasförmige und flüssige, aggressive, nicht hochviskose und nicht kristallisierende Medien, auch in aggressiver Umgebung.! Bei Medium Gas oder Dampf unbedingt Tabelle „Auswahlkriterien gemäß EN 837-2“ (s. Anhang) beachten! Ausführungen Technische Daten Technische Zeichnungen Downloads Video Ausführungen AnzeigebereichEinbauartTypArtikelnummer-1/0 bardirektRF50Ch D91285051912-1/0.6 bardirektRF50Ch D91285052912-1/+1.5 bardirektRF50Ch D91285053912-1/+3 bardirektRF50Ch D91285054912-1/+5 bardirektRF50Ch D91285055912-1/+9 bardirektRF50Ch D91285056912-1/+15 bardirektRF50Ch D912850579120/0.6 bardirektRF50Ch D912850599120/1 bardirektRF50Ch D912850609120/1.6 bardirektRF50Ch D912850619120/2.5 bardirektRF50Ch D912850629120/4 bardirektRF50Ch D912850639120/6 bardirektRF50Ch D912850649120/10 bardirektRF50Ch D912850659120/16 bardirektRF50Ch D912850669120/25 bardirektRF50Ch D912850679120/40 bardirektRF50Ch D912850689120/60 bardirektRF50Ch D912850699120/100 bardirektRF50Ch D912850709120/160 bardirektRF50Ch D912850719120/250 bardirektRF50Ch D912850729120/400 bardirektRF50Ch D912850739120/600 bardirektRF50Ch D91285074912 Lagerware Fertigungsware Technische Daten TypD9Nenngröße50GenauigkeitsklasseEN 837-1/6NG 50: 1,6Anzeigebereiche (EN 837-1/5)siehe BestelltabelleVerwendungsbereichruhende Belastung: ¾ x Skalenendwertdynamische Belastung: ⅔ x Skalenendwertkurzzeitig: SkalenendwertTemperatureinsatzbereichMediumNG 50: max. 150 °CUmgebung: -20/+60 °CTemperaturverhaltenAnzeigefehler bei Abweichung von der Normaltemperatur 20 °C am Messsystem:bei Temperaturzunahme ca. ± 0,4 %/10 K,bei Temperaturabnahme ca. ± 0,4 %/10 Kvom jeweiligen SkalenendwertSchutzartIP 54 (EN 60529) bei Gehäuseentlüftung (≤ 25 bar) Standardausführung AnschlussEdelstahl 316 L, axial exzentrischMessgliedRohrfeder, Edelstahl 316 Ti/316 L≤ 60 bar: Kreisformfeder> 60 bar: Schraubenformfederdichtheitsgeprüft mit HeliumZeigerwerkEdelstahlZifferblattAluminium, weißSkalierung schwarzZeigerAluminium, schwarzGehäuseEdelstahl 304, mit DruckentlastungsöffnungBajonettringNG 50: NG 50: Edelstahl 304SichtscheibeNG 50: Kunststoff Technische Zeichnungen Für Detailansichten, Zusatzinformationen und Maßtabellen bitte auf das jeweilige Bild klicken. NG 50 – Anschluss axial exzentrisch Maße (mm)NGb∅cc1c2DeGgsSW502852135312,5G¼B514,514 Downloads Zifferblätter für Manometer – Teilstrichabstände Technische Information PDF Englisch Deutsch EU-Konformitätserklärung Druckgeräte Konformitätserklärungen PDF Herunterladen ATEX Bescheinigung Manometer Zertifikate / DIBt-Zulassungen Industrietechnik PDF Englisch Deutsch Rohrfeder-Manometer Katalog-Optionen Haustechnik PDF Englisch Deutsch Montage Manometer Betriebsanleitungen Industrietechnik PDF Herunterladen Rohrfeder-, Kapselfeder-, Plattenfeder-, Membranfedermanometer für Differenzdruck Betriebsanleitungen Industrietechnik PDF Ukrainisch Deutsch Deutsch RF50CH_D912_850XX912.STP STEP 3D Modell Industrietechnik STP Herunterladen Video zugehörige Produkte
AFRISO Smart Home Ob für die Themen Raumklima, Komfort oder Sicherheit – AFRISO Smart Home bietet aufeinander abgestimmte und umfassende Lösungen für die individuelle funkbasierte Gebäudeautomation. Mehr Informationen Service-Center Service-Center Übersicht Geräte-Service Servicestellen Gasanalyse Handwerkersuche Ansprechpartner Datenaustauschformate Kataloge Service-Center Flexibel, kostenbewusst, termintreu und lösungsorientiert steht Ihnen das AFRISO Team zur Seite. Wählen Sie hier Ihren direkten Ansprechpartner aus. Mehr Informationen Schulungen & Events Schulungen & Events Übersicht Messen Messen Übersicht UNITI expo 2026, Stuttgart GET Nord 2026, Hamburg Schulungen & Trainings Schulungen & Trainings Übersicht Ölinstallationen / AwsV Kooperationsschulung Heizen mit flüssigen Brennstoffen Tankschutz und Leckschutzauskleidung Inhouse-Schulung - Heizen mit flüssigen Brennstoffen Inhouse-Schulung Heizölverbraucheranlagen Smart Home Experte Smart Home Basisschulung Smart Home Inhouse-Schulung Suche
Service-Center Flexibel, kostenbewusst, termintreu und lösungsorientiert steht Ihnen das AFRISO Team zur Seite. Wählen Sie hier Ihren direkten Ansprechpartner aus. Mehr Informationen Schulungen & Events Schulungen & Events Übersicht Messen Messen Übersicht UNITI expo 2026, Stuttgart GET Nord 2026, Hamburg Schulungen & Trainings Schulungen & Trainings Übersicht Ölinstallationen / AwsV Kooperationsschulung Heizen mit flüssigen Brennstoffen Tankschutz und Leckschutzauskleidung Inhouse-Schulung - Heizen mit flüssigen Brennstoffen Inhouse-Schulung Heizölverbraucheranlagen Smart Home Experte Smart Home Basisschulung Smart Home Inhouse-Schulung Suche
Bilder 2 RF50Ch D912 Rohrfeder-Chemiemanometer Typ D9 Ausführungen Betriebsanleitungen Video Info Gehäuse-⌀ (Nenngröße)50 mmAnschlussG¼BAusrichtungaxial exzentrischGenauigkeitsklasse1,6NormEN 837-1 Benefits für Chemie- und Verfahrenstechnikvoll verschweißtes Messsystem und Gehäuseextrem robuste KonstruktionMediumtemperaturen bis 150 ˚C bzw. 200 ˚Cmit Helium dichtheitsgeprüftGOSSTANDART-zertifiziertEx-Ausführung (optional) Anwendung Für gasförmige und flüssige, aggressive, nicht hochviskose und nicht kristallisierende Medien, auch in aggressiver Umgebung.! Bei Medium Gas oder Dampf unbedingt Tabelle „Auswahlkriterien gemäß EN 837-2“ (s. Anhang) beachten! Ausführungen Technische Daten Technische Zeichnungen Downloads Video Ausführungen AnzeigebereichEinbauartTypArtikelnummer-1/0 bardirektRF50Ch D91285051912-1/0.6 bardirektRF50Ch D91285052912-1/+1.5 bardirektRF50Ch D91285053912-1/+3 bardirektRF50Ch D91285054912-1/+5 bardirektRF50Ch D91285055912-1/+9 bardirektRF50Ch D91285056912-1/+15 bardirektRF50Ch D912850579120/0.6 bardirektRF50Ch D912850599120/1 bardirektRF50Ch D912850609120/1.6 bardirektRF50Ch D912850619120/2.5 bardirektRF50Ch D912850629120/4 bardirektRF50Ch D912850639120/6 bardirektRF50Ch D912850649120/10 bardirektRF50Ch D912850659120/16 bardirektRF50Ch D912850669120/25 bardirektRF50Ch D912850679120/40 bardirektRF50Ch D912850689120/60 bardirektRF50Ch D912850699120/100 bardirektRF50Ch D912850709120/160 bardirektRF50Ch D912850719120/250 bardirektRF50Ch D912850729120/400 bardirektRF50Ch D912850739120/600 bardirektRF50Ch D91285074912 Lagerware Fertigungsware Technische Daten TypD9Nenngröße50GenauigkeitsklasseEN 837-1/6NG 50: 1,6Anzeigebereiche (EN 837-1/5)siehe BestelltabelleVerwendungsbereichruhende Belastung: ¾ x Skalenendwertdynamische Belastung: ⅔ x Skalenendwertkurzzeitig: SkalenendwertTemperatureinsatzbereichMediumNG 50: max. 150 °CUmgebung: -20/+60 °CTemperaturverhaltenAnzeigefehler bei Abweichung von der Normaltemperatur 20 °C am Messsystem:bei Temperaturzunahme ca. ± 0,4 %/10 K,bei Temperaturabnahme ca. ± 0,4 %/10 Kvom jeweiligen SkalenendwertSchutzartIP 54 (EN 60529) bei Gehäuseentlüftung (≤ 25 bar) Standardausführung AnschlussEdelstahl 316 L, axial exzentrischMessgliedRohrfeder, Edelstahl 316 Ti/316 L≤ 60 bar: Kreisformfeder> 60 bar: Schraubenformfederdichtheitsgeprüft mit HeliumZeigerwerkEdelstahlZifferblattAluminium, weißSkalierung schwarzZeigerAluminium, schwarzGehäuseEdelstahl 304, mit DruckentlastungsöffnungBajonettringNG 50: NG 50: Edelstahl 304SichtscheibeNG 50: Kunststoff Technische Zeichnungen Für Detailansichten, Zusatzinformationen und Maßtabellen bitte auf das jeweilige Bild klicken. NG 50 – Anschluss axial exzentrisch Maße (mm)NGb∅cc1c2DeGgsSW502852135312,5G¼B514,514 Downloads Zifferblätter für Manometer – Teilstrichabstände Technische Information PDF Englisch Deutsch EU-Konformitätserklärung Druckgeräte Konformitätserklärungen PDF Herunterladen ATEX Bescheinigung Manometer Zertifikate / DIBt-Zulassungen Industrietechnik PDF Englisch Deutsch Rohrfeder-Manometer Katalog-Optionen Haustechnik PDF Englisch Deutsch Montage Manometer Betriebsanleitungen Industrietechnik PDF Herunterladen Rohrfeder-, Kapselfeder-, Plattenfeder-, Membranfedermanometer für Differenzdruck Betriebsanleitungen Industrietechnik PDF Ukrainisch Deutsch Deutsch RF50CH_D912_850XX912.STP STEP 3D Modell Industrietechnik STP Herunterladen Video
Rohrfeder-, Kapselfeder-, Plattenfeder-, Membranfedermanometer für Differenzdruck Betriebsanleitungen Industrietechnik PDF Ukrainisch Deutsch Deutsch