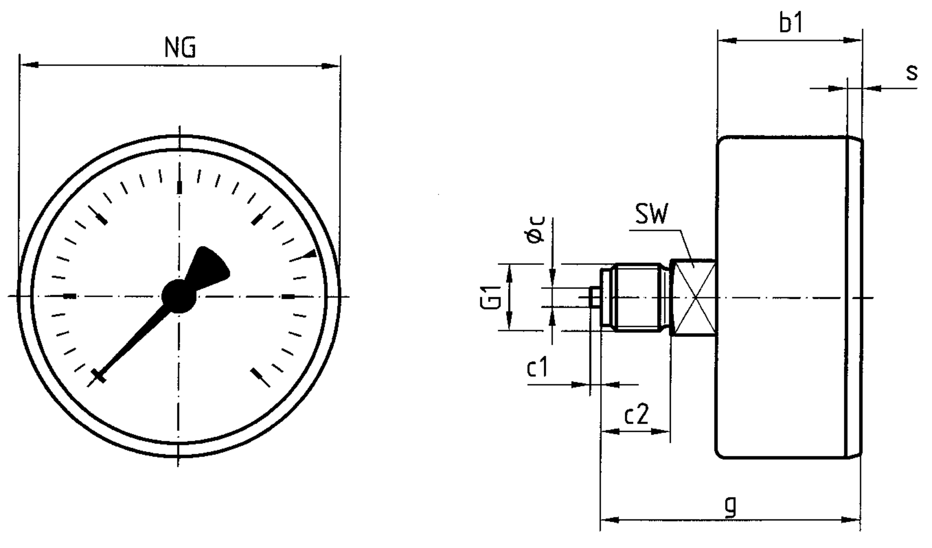
Produkte Unser Leitmotiv „Technik für Umweltschutz“ steht im Mittelpunkt der Produktentwicklung und prägt so schon lange einen sehr großen Teil des Produktsortiments. Mehr Informationen Branchen & Themen Branchen & Themen Übersicht Heizölkomponenten Heizölkomponenten Übersicht Schneller, sauberer Ölfilterwechsel Pilzgefahr bei Bioheizöl vermeiden Mehr Leistung beim Standard-Sikusieb AFRISO Smart Home AFRISO Smart Home Übersicht Gateway HG 02 Sensoren und Aktoren Sensoren und Aktoren Übersicht Gateway Produkte Sicherheit Komfort Raumklima AFRISOhome App Alexa Smart Home Anwendungen Smart Home Anwendungen Übersicht Intelligente Fußbodenheizung Leckagesicherheit Komfortable Heizkörperregelung Sicherheit Stand-Alone Anwendungen Stand-Alone Anwendungen Übersicht Smart Home Einstieg Alarmanlage Einbruchschutz Raumklima Wasserleckage-Detektion AFRISOcloud AFRISOcloud Übersicht Überwachung von Behältern & Tanks Überwachung von Abscheideranlagen Handwerk 4.0 Handwerk 4.0 Übersicht EUROLYZER® CAPBs®-Sets CAPBs®-Sets Übersicht App Wasseranalyse Leitungsprüfung Druckmessung Heizungstechnik Konzentrationsmessung Temperatur BLUELYZER® C1 OEM-Verteilersysteme Hydraulischer Abgleich Hydraulischer Abgleich Übersicht VarioQ Vario-DP Tankumnutzung Hygienische Prozesse AFRISO Smart Home Ob für die Themen Raumklima, Komfort oder Sicherheit – AFRISO Smart Home bietet aufeinander abgestimmte und umfassende Lösungen für die individuelle funkbasierte Gebäudeautomation. Mehr Informationen Service-Center Service-Center Übersicht Geräte-Service Servicestellen Gasanalyse Handwerkersuche Ansprechpartner Datenaustauschformate Kataloge Service-Center Flexibel, kostenbewusst, termintreu und lösungsorientiert steht Ihnen das AFRISO Team zur Seite. Wählen Sie hier Ihren direkten Ansprechpartner aus. Mehr Informationen Schulungen & Events Schulungen & Events Übersicht Messen Messen Übersicht UNITI expo 2026, Stuttgart GET Nord 2026, Hamburg Schulungen & Trainings Schulungen & Trainings Übersicht Ölinstallationen / AwsV Kooperationsschulung Heizen mit flüssigen Brennstoffen Tankschutz und Leckschutzauskleidung Inhouse-Schulung - Heizen mit flüssigen Brennstoffen Inhouse-Schulung Heizölverbraucheranlagen Smart Home Experte Smart Home Basisschulung Smart Home Inhouse-Schulung Suche Industrietechnik Mechanische Druckmessgeräte RF63 D111 Link kopiert! Bilder 5 RF63 D111 Rohrfeder-Standardmanometer Typ D1 Ausführungen Betriebsanleitungen Video Info Gehäuse-⌀ (Nenngröße)63 mmAnschlussG¼BAusrichtungaxialGenauigkeitsklasse1,6NormEN 837-1 Benefits für Pneumatik, HeizungstechnikAusführung nach EN 837-1Genauigkeitsklasse 1,6korrosionsfestes, hochschlagfestes Kunststoffgehäuseviele kundenspezifische Ausführungen lieferbar Anwendung Für gasförmige und flüssige, nicht hochviskose und nicht kristallisierende Medien, die Kupferlegierungen nicht angreifen.! Bei Medium Gas oder Dampf unbedingt Tabelle „Auswahlkriterien gemäß EN 837-2“ beachten! Ausführungen Technische Daten Technische Zeichnungen Downloads Video Ausführungen AnzeigebereichEinbauartTypArtikelnummer-1/0 bardirektRF63 D11185101111-1/0.6 bardirektRF63 D11185102111-1/+1.5 bardirektRF63 D11185103111-1/+3 bardirektRF63 D11185104111-1/+5 bardirektRF63 D11185105111-1/+9 bardirektRF63 D11185106111-1/+15 bardirektRF63 D111851071110/0.6 bardirektRF63 D111851091110/1 bardirektRF63 D111851101110/1.6 bardirektRF63 D111851111110/2.5 bardirektRF63 D111851121110/4 bardirektRF63 D111851131110/6 bardirektRF63 D111851141110/10 bardirektRF63 D111851151110/16 bardirektRF63 D111851161110/25 bardirektRF63 D111851171110/40 bardirektRF63 D111851181110/60 bardirektRF63 D111851191110/100 bardirektRF63 D111851201110/160 bardirektRF63 D111851211110/250 bardirektRF63 D111851221110/400 bardirektRF63 D11185123111 Lagerware Fertigungsware Technische Daten TypD1Nenngröße63Genauigkeitsklasse (EN 837-1/6)1,6Anzeigebereiche (EN 837-1/5)siehe BestelltabelleVerwendungsbereichruhende Belastung: ¾ x Skalenendwertdynamische Belastung: ⅔ x Skalenendwertkurzzeitig: SkalenendwertTemperatureinsatzbereichMedium: max. 60 °CUmgebung: -20/+60 °CTemperaturverhaltenAnzeigefehler bei Abweichung von der Normaltemperatur 20 °C am Messsystem:bei Temperaturzunahme ca. ± 0,4 %/10 K,bei Temperaturabnahme ca. ± 0,4 %/10 Kvom jeweiligen SkalenendwertSchutzartIP 32 (EN 60529) Standardausführung AnschlussMessing, axialMessgliedRohrfeder, Kupferlegierung≤ 60 bar: Kreisformfeder> 60 bar: SchraubenformfederZeigerwerkMessingZifferblattKunststoff, weißSkalierung schwarzZeigerKunststoff, schwarzGehäuseABS, schwarz, hochschlag- und korrosionsfestSichtscheibeKunststoff, eingeclipstNG 63: Technische Zeichnungen Für Detailansichten, Zusatzinformationen und Maßtabellen bitte auf das jeweilige Bild klicken. NG 40/50/63 – Anschluss axial Maße (mm)NGb1∅cc1c2gG1sSW4025421041,5G⅛B3125027,1521347,1G¼B3,8146330,4521350,4G¼B3,714 Downloads Zifferblätter für Manometer – Teilstrichabstände Technische Information PDF Englisch Deutsch EU-Konformitätserklärung Druckgeräte Konformitätserklärungen PDF Herunterladen Montage Manometer Betriebsanleitungen Industrietechnik PDF Herunterladen Rohrfeder-, Kapselfeder-, Plattenfeder-, Membranfedermanometer für Differenzdruck Betriebsanleitungen Industrietechnik PDF Ukrainisch Deutsch Deutsch Video zugehörige Produkte
AFRISO Smart Home Ob für die Themen Raumklima, Komfort oder Sicherheit – AFRISO Smart Home bietet aufeinander abgestimmte und umfassende Lösungen für die individuelle funkbasierte Gebäudeautomation. Mehr Informationen Service-Center Service-Center Übersicht Geräte-Service Servicestellen Gasanalyse Handwerkersuche Ansprechpartner Datenaustauschformate Kataloge Service-Center Flexibel, kostenbewusst, termintreu und lösungsorientiert steht Ihnen das AFRISO Team zur Seite. Wählen Sie hier Ihren direkten Ansprechpartner aus. Mehr Informationen Schulungen & Events Schulungen & Events Übersicht Messen Messen Übersicht UNITI expo 2026, Stuttgart GET Nord 2026, Hamburg Schulungen & Trainings Schulungen & Trainings Übersicht Ölinstallationen / AwsV Kooperationsschulung Heizen mit flüssigen Brennstoffen Tankschutz und Leckschutzauskleidung Inhouse-Schulung - Heizen mit flüssigen Brennstoffen Inhouse-Schulung Heizölverbraucheranlagen Smart Home Experte Smart Home Basisschulung Smart Home Inhouse-Schulung Suche
Service-Center Flexibel, kostenbewusst, termintreu und lösungsorientiert steht Ihnen das AFRISO Team zur Seite. Wählen Sie hier Ihren direkten Ansprechpartner aus. Mehr Informationen Schulungen & Events Schulungen & Events Übersicht Messen Messen Übersicht UNITI expo 2026, Stuttgart GET Nord 2026, Hamburg Schulungen & Trainings Schulungen & Trainings Übersicht Ölinstallationen / AwsV Kooperationsschulung Heizen mit flüssigen Brennstoffen Tankschutz und Leckschutzauskleidung Inhouse-Schulung - Heizen mit flüssigen Brennstoffen Inhouse-Schulung Heizölverbraucheranlagen Smart Home Experte Smart Home Basisschulung Smart Home Inhouse-Schulung Suche
Bilder 5 RF63 D111 Rohrfeder-Standardmanometer Typ D1 Ausführungen Betriebsanleitungen Video Info Gehäuse-⌀ (Nenngröße)63 mmAnschlussG¼BAusrichtungaxialGenauigkeitsklasse1,6NormEN 837-1 Benefits für Pneumatik, HeizungstechnikAusführung nach EN 837-1Genauigkeitsklasse 1,6korrosionsfestes, hochschlagfestes Kunststoffgehäuseviele kundenspezifische Ausführungen lieferbar Anwendung Für gasförmige und flüssige, nicht hochviskose und nicht kristallisierende Medien, die Kupferlegierungen nicht angreifen.! Bei Medium Gas oder Dampf unbedingt Tabelle „Auswahlkriterien gemäß EN 837-2“ beachten! Ausführungen Technische Daten Technische Zeichnungen Downloads Video Ausführungen AnzeigebereichEinbauartTypArtikelnummer-1/0 bardirektRF63 D11185101111-1/0.6 bardirektRF63 D11185102111-1/+1.5 bardirektRF63 D11185103111-1/+3 bardirektRF63 D11185104111-1/+5 bardirektRF63 D11185105111-1/+9 bardirektRF63 D11185106111-1/+15 bardirektRF63 D111851071110/0.6 bardirektRF63 D111851091110/1 bardirektRF63 D111851101110/1.6 bardirektRF63 D111851111110/2.5 bardirektRF63 D111851121110/4 bardirektRF63 D111851131110/6 bardirektRF63 D111851141110/10 bardirektRF63 D111851151110/16 bardirektRF63 D111851161110/25 bardirektRF63 D111851171110/40 bardirektRF63 D111851181110/60 bardirektRF63 D111851191110/100 bardirektRF63 D111851201110/160 bardirektRF63 D111851211110/250 bardirektRF63 D111851221110/400 bardirektRF63 D11185123111 Lagerware Fertigungsware Technische Daten TypD1Nenngröße63Genauigkeitsklasse (EN 837-1/6)1,6Anzeigebereiche (EN 837-1/5)siehe BestelltabelleVerwendungsbereichruhende Belastung: ¾ x Skalenendwertdynamische Belastung: ⅔ x Skalenendwertkurzzeitig: SkalenendwertTemperatureinsatzbereichMedium: max. 60 °CUmgebung: -20/+60 °CTemperaturverhaltenAnzeigefehler bei Abweichung von der Normaltemperatur 20 °C am Messsystem:bei Temperaturzunahme ca. ± 0,4 %/10 K,bei Temperaturabnahme ca. ± 0,4 %/10 Kvom jeweiligen SkalenendwertSchutzartIP 32 (EN 60529) Standardausführung AnschlussMessing, axialMessgliedRohrfeder, Kupferlegierung≤ 60 bar: Kreisformfeder> 60 bar: SchraubenformfederZeigerwerkMessingZifferblattKunststoff, weißSkalierung schwarzZeigerKunststoff, schwarzGehäuseABS, schwarz, hochschlag- und korrosionsfestSichtscheibeKunststoff, eingeclipstNG 63: Technische Zeichnungen Für Detailansichten, Zusatzinformationen und Maßtabellen bitte auf das jeweilige Bild klicken. NG 40/50/63 – Anschluss axial Maße (mm)NGb1∅cc1c2gG1sSW4025421041,5G⅛B3125027,1521347,1G¼B3,8146330,4521350,4G¼B3,714 Downloads Zifferblätter für Manometer – Teilstrichabstände Technische Information PDF Englisch Deutsch EU-Konformitätserklärung Druckgeräte Konformitätserklärungen PDF Herunterladen Montage Manometer Betriebsanleitungen Industrietechnik PDF Herunterladen Rohrfeder-, Kapselfeder-, Plattenfeder-, Membranfedermanometer für Differenzdruck Betriebsanleitungen Industrietechnik PDF Ukrainisch Deutsch Deutsch Video
Rohrfeder-, Kapselfeder-, Plattenfeder-, Membranfedermanometer für Differenzdruck Betriebsanleitungen Industrietechnik PDF Ukrainisch Deutsch Deutsch