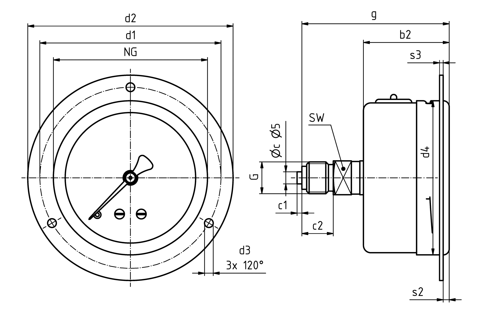
Produkte Unser Leitmotiv „Technik für Umweltschutz“ steht im Mittelpunkt der Produktentwicklung und prägt so schon lange einen sehr großen Teil des Produktsortiments. Mehr Informationen Branchen & Themen Branchen & Themen Übersicht Heizölkomponenten Heizölkomponenten Übersicht Schneller, sauberer Ölfilterwechsel Pilzgefahr bei Bioheizöl vermeiden Mehr Leistung beim Standard-Sikusieb AFRISO Smart Home AFRISO Smart Home Übersicht Gateway HG 02 Sensoren und Aktoren Sensoren und Aktoren Übersicht Gateway Produkte Sicherheit Komfort Raumklima AFRISOhome App Alexa Smart Home Anwendungen Smart Home Anwendungen Übersicht Intelligente Fußbodenheizung Leckagesicherheit Komfortable Heizkörperregelung Sicherheit Stand-Alone Anwendungen Stand-Alone Anwendungen Übersicht Smart Home Einstieg Alarmanlage Einbruchschutz Raumklima Wasserleckage-Detektion AFRISOcloud AFRISOcloud Übersicht Überwachung von Behältern & Tanks Überwachung von Abscheideranlagen Handwerk 4.0 Handwerk 4.0 Übersicht EUROLYZER® CAPBs®-Sets CAPBs®-Sets Übersicht App Wasseranalyse Leitungsprüfung Druckmessung Heizungstechnik Konzentrationsmessung Temperatur BLUELYZER® C1 OEM-Verteilersysteme Hydraulischer Abgleich Hydraulischer Abgleich Übersicht VarioQ Vario-DP Tankumnutzung Hygienische Prozesse AFRISO Smart Home Ob für die Themen Raumklima, Komfort oder Sicherheit – AFRISO Smart Home bietet aufeinander abgestimmte und umfassende Lösungen für die individuelle funkbasierte Gebäudeautomation. Mehr Informationen Service-Center Service-Center Übersicht Geräte-Service Servicestellen Gasanalyse Handwerkersuche Ansprechpartner Datenaustauschformate Kataloge Service-Center Flexibel, kostenbewusst, termintreu und lösungsorientiert steht Ihnen das AFRISO Team zur Seite. Wählen Sie hier Ihren direkten Ansprechpartner aus. Mehr Informationen Schulungen & Events Schulungen & Events Übersicht Messen Messen Übersicht UNITI expo 2026, Stuttgart GET Nord 2026, Hamburg Schulungen & Trainings Schulungen & Trainings Übersicht Ölinstallationen / AwsV Kooperationsschulung Heizen mit flüssigen Brennstoffen Tankschutz und Leckschutzauskleidung Inhouse-Schulung - Heizen mit flüssigen Brennstoffen Inhouse-Schulung Heizölverbraucheranlagen Smart Home Experte Smart Home Basisschulung Smart Home Inhouse-Schulung Suche Industrietechnik Mechanische Druckmessgeräte RF63Ch D432 Link kopiert! Bilder 2 RF63Ch D432 Rohrfeder-Chemiemanometer Typ D4 Ausführungen Betriebsanleitungen Video Info Gehäuse-⌀ (Nenngröße)63 mmAnschlussG¼BAusrichtungaxialGenauigkeitsklasse1,6NormEN 837-1 Benefits für Chemie- und Verfahrenstechnikvoll verschweißtes Messsystem und Gehäuseextrem robuste Konstruktionfür Mediumtemperaturen bis 200 ˚Cmit Helium dichtheitsgeprüftDNV- und GOSSTANDART-zertifiziertEx-Ausführung (optional) Anwendung Für gasförmige und flüssige, aggressive, nicht hochviskose und nicht kristallisierende Medien, auch in aggressiver Umgebung.! Bei Medium Gas oder Dampf unbedingt Tabelle „Auswahlkriterien gemäß EN 837-2“ (s. Anhang) beachten! Ausführungen Technische Daten Technische Zeichnungen Downloads Video Ausführungen AnzeigebereichEinbauartTypArtikelnummer-1/0 bar3-LochfrontflanschRF63Ch D43285101432-1/0.6 bar3-LochfrontflanschRF63Ch D43285102432-1/+1.5 bar3-LochfrontflanschRF63Ch D43285103432-1/+3 bar3-LochfrontflanschRF63Ch D43285104432-1/+5 bar3-LochfrontflanschRF63Ch D43285105432-1/+9 bar3-LochfrontflanschRF63Ch D43285106432-1/+15 bar3-LochfrontflanschRF63Ch D432851074320/0.6 bar3-LochfrontflanschRF63Ch D432851094320/1 bar3-LochfrontflanschRF63Ch D432851104320/1.6 bar3-LochfrontflanschRF63Ch D432851114320/2.5 bar3-LochfrontflanschRF63Ch D432851124320/4 bar3-LochfrontflanschRF63Ch D432851134320/6 bar3-LochfrontflanschRF63Ch D432851144320/10 bar3-LochfrontflanschRF63Ch D432851154320/16 bar3-LochfrontflanschRF63Ch D432851164320/25 bar3-LochfrontflanschRF63Ch D432851174320/40 bar3-LochfrontflanschRF63Ch D432851184320/60 bar3-LochfrontflanschRF63Ch D432851194320/100 bar3-LochfrontflanschRF63Ch D432851204320/160 bar3-LochfrontflanschRF63Ch D432851214320/250 bar3-LochfrontflanschRF63Ch D432851224320/400 bar3-LochfrontflanschRF63Ch D432851234320/600 bar3-LochfrontflanschRF63Ch D432851244320/1 000 bar3-LochfrontflanschRF63Ch D43285125432 Lagerware Fertigungsware Technische Daten TypD4Nenngröße63Genauigkeitsklasse (EN 837-1/6)1,6Anzeigebereiche (EN 837-1/5)siehe BestelltabelleVerwendungsbereich NG63ruhende Belastung: ¾ x Skalenendwertdynamische Belastung: ⅔ x Skalenendwertkurzzeitig: Skalenendwertruhende Belastungdynamische BelastungkurzzeitigTemperatureinsatzbereichMedium: max. 200 °CUmgebung: -20/+60 °CTemperaturverhaltenAnzeigefehler bei Abweichung von der Normaltemperatur 20 °C am Messsystem:bei Temperaturzunahme ca. ± 0,4 %/10 K,bei Temperaturabnahme ca. ± 0,4 %/10 Kvom jeweiligen Skalenendwert Standardausführung AnschlussEdelstahl 316 L, axialG¼B, SW14 (EN 837-1/7.3)MessgliedRohrfeder, Edelstahl 316 Ti/316 L≤ 60 bar: Kreisformfeder> 60 bar: Schraubenformfederdichtheitsgeprüft mit HeliumZeigerwerkEdelstahlZifferblattAluminium, weißSkalierung schwarzZeigerAluminium, schwarzGehäuseEdelstahl 304, mit DruckentlastungsöffnungBajonettringEdelstahl 304SichtscheibeSicherheitsverbundglas Technische Zeichnungen Für Detailansichten, Zusatzinformationen und Maßtabellen bitte auf das jeweilige Bild klicken. Anschluss axial, 3-Lochfrontflansch Downloads Zifferblätter für Manometer – Teilstrichabstände Technische Information PDF Englisch Deutsch EU-Konformitätserklärung Druckgeräte Konformitätserklärungen PDF Herunterladen Rohrfeder-Manometer Katalog-Optionen Haustechnik PDF Englisch Deutsch Montage Manometer Betriebsanleitungen Industrietechnik PDF Herunterladen Rohrfeder-, Kapselfeder-, Plattenfeder-, Membranfedermanometer für Differenzdruck Betriebsanleitungen Industrietechnik PDF Ukrainisch Deutsch Deutsch Video zugehörige Produkte
AFRISO Smart Home Ob für die Themen Raumklima, Komfort oder Sicherheit – AFRISO Smart Home bietet aufeinander abgestimmte und umfassende Lösungen für die individuelle funkbasierte Gebäudeautomation. Mehr Informationen Service-Center Service-Center Übersicht Geräte-Service Servicestellen Gasanalyse Handwerkersuche Ansprechpartner Datenaustauschformate Kataloge Service-Center Flexibel, kostenbewusst, termintreu und lösungsorientiert steht Ihnen das AFRISO Team zur Seite. Wählen Sie hier Ihren direkten Ansprechpartner aus. Mehr Informationen Schulungen & Events Schulungen & Events Übersicht Messen Messen Übersicht UNITI expo 2026, Stuttgart GET Nord 2026, Hamburg Schulungen & Trainings Schulungen & Trainings Übersicht Ölinstallationen / AwsV Kooperationsschulung Heizen mit flüssigen Brennstoffen Tankschutz und Leckschutzauskleidung Inhouse-Schulung - Heizen mit flüssigen Brennstoffen Inhouse-Schulung Heizölverbraucheranlagen Smart Home Experte Smart Home Basisschulung Smart Home Inhouse-Schulung Suche
Service-Center Flexibel, kostenbewusst, termintreu und lösungsorientiert steht Ihnen das AFRISO Team zur Seite. Wählen Sie hier Ihren direkten Ansprechpartner aus. Mehr Informationen Schulungen & Events Schulungen & Events Übersicht Messen Messen Übersicht UNITI expo 2026, Stuttgart GET Nord 2026, Hamburg Schulungen & Trainings Schulungen & Trainings Übersicht Ölinstallationen / AwsV Kooperationsschulung Heizen mit flüssigen Brennstoffen Tankschutz und Leckschutzauskleidung Inhouse-Schulung - Heizen mit flüssigen Brennstoffen Inhouse-Schulung Heizölverbraucheranlagen Smart Home Experte Smart Home Basisschulung Smart Home Inhouse-Schulung Suche
Bilder 2 RF63Ch D432 Rohrfeder-Chemiemanometer Typ D4 Ausführungen Betriebsanleitungen Video Info Gehäuse-⌀ (Nenngröße)63 mmAnschlussG¼BAusrichtungaxialGenauigkeitsklasse1,6NormEN 837-1 Benefits für Chemie- und Verfahrenstechnikvoll verschweißtes Messsystem und Gehäuseextrem robuste Konstruktionfür Mediumtemperaturen bis 200 ˚Cmit Helium dichtheitsgeprüftDNV- und GOSSTANDART-zertifiziertEx-Ausführung (optional) Anwendung Für gasförmige und flüssige, aggressive, nicht hochviskose und nicht kristallisierende Medien, auch in aggressiver Umgebung.! Bei Medium Gas oder Dampf unbedingt Tabelle „Auswahlkriterien gemäß EN 837-2“ (s. Anhang) beachten! Ausführungen Technische Daten Technische Zeichnungen Downloads Video Ausführungen AnzeigebereichEinbauartTypArtikelnummer-1/0 bar3-LochfrontflanschRF63Ch D43285101432-1/0.6 bar3-LochfrontflanschRF63Ch D43285102432-1/+1.5 bar3-LochfrontflanschRF63Ch D43285103432-1/+3 bar3-LochfrontflanschRF63Ch D43285104432-1/+5 bar3-LochfrontflanschRF63Ch D43285105432-1/+9 bar3-LochfrontflanschRF63Ch D43285106432-1/+15 bar3-LochfrontflanschRF63Ch D432851074320/0.6 bar3-LochfrontflanschRF63Ch D432851094320/1 bar3-LochfrontflanschRF63Ch D432851104320/1.6 bar3-LochfrontflanschRF63Ch D432851114320/2.5 bar3-LochfrontflanschRF63Ch D432851124320/4 bar3-LochfrontflanschRF63Ch D432851134320/6 bar3-LochfrontflanschRF63Ch D432851144320/10 bar3-LochfrontflanschRF63Ch D432851154320/16 bar3-LochfrontflanschRF63Ch D432851164320/25 bar3-LochfrontflanschRF63Ch D432851174320/40 bar3-LochfrontflanschRF63Ch D432851184320/60 bar3-LochfrontflanschRF63Ch D432851194320/100 bar3-LochfrontflanschRF63Ch D432851204320/160 bar3-LochfrontflanschRF63Ch D432851214320/250 bar3-LochfrontflanschRF63Ch D432851224320/400 bar3-LochfrontflanschRF63Ch D432851234320/600 bar3-LochfrontflanschRF63Ch D432851244320/1 000 bar3-LochfrontflanschRF63Ch D43285125432 Lagerware Fertigungsware Technische Daten TypD4Nenngröße63Genauigkeitsklasse (EN 837-1/6)1,6Anzeigebereiche (EN 837-1/5)siehe BestelltabelleVerwendungsbereich NG63ruhende Belastung: ¾ x Skalenendwertdynamische Belastung: ⅔ x Skalenendwertkurzzeitig: Skalenendwertruhende Belastungdynamische BelastungkurzzeitigTemperatureinsatzbereichMedium: max. 200 °CUmgebung: -20/+60 °CTemperaturverhaltenAnzeigefehler bei Abweichung von der Normaltemperatur 20 °C am Messsystem:bei Temperaturzunahme ca. ± 0,4 %/10 K,bei Temperaturabnahme ca. ± 0,4 %/10 Kvom jeweiligen Skalenendwert Standardausführung AnschlussEdelstahl 316 L, axialG¼B, SW14 (EN 837-1/7.3)MessgliedRohrfeder, Edelstahl 316 Ti/316 L≤ 60 bar: Kreisformfeder> 60 bar: Schraubenformfederdichtheitsgeprüft mit HeliumZeigerwerkEdelstahlZifferblattAluminium, weißSkalierung schwarzZeigerAluminium, schwarzGehäuseEdelstahl 304, mit DruckentlastungsöffnungBajonettringEdelstahl 304SichtscheibeSicherheitsverbundglas Technische Zeichnungen Für Detailansichten, Zusatzinformationen und Maßtabellen bitte auf das jeweilige Bild klicken. Anschluss axial, 3-Lochfrontflansch Downloads Zifferblätter für Manometer – Teilstrichabstände Technische Information PDF Englisch Deutsch EU-Konformitätserklärung Druckgeräte Konformitätserklärungen PDF Herunterladen Rohrfeder-Manometer Katalog-Optionen Haustechnik PDF Englisch Deutsch Montage Manometer Betriebsanleitungen Industrietechnik PDF Herunterladen Rohrfeder-, Kapselfeder-, Plattenfeder-, Membranfedermanometer für Differenzdruck Betriebsanleitungen Industrietechnik PDF Ukrainisch Deutsch Deutsch Video
Rohrfeder-, Kapselfeder-, Plattenfeder-, Membranfedermanometer für Differenzdruck Betriebsanleitungen Industrietechnik PDF Ukrainisch Deutsch Deutsch