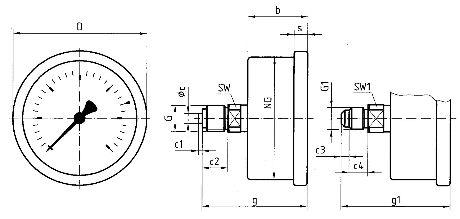
Produkte Unser Leitmotiv „Technik für Umweltschutz“ steht im Mittelpunkt der Produktentwicklung und prägt so schon lange einen sehr großen Teil des Produktsortiments. Mehr Informationen Branchen & Themen Branchen & Themen Übersicht Heizölkomponenten Heizölkomponenten Übersicht Schneller, sauberer Ölfilterwechsel Pilzgefahr bei Bioheizöl vermeiden Mehr Leistung beim Standard-Sikusieb AFRISO Smart Home AFRISO Smart Home Übersicht Gateway HG 02 Sensoren und Aktoren Sensoren und Aktoren Übersicht Gateway Produkte Sicherheit Komfort Raumklima AFRISOhome App Alexa Smart Home Anwendungen Smart Home Anwendungen Übersicht Intelligente Fußbodenheizung Leckagesicherheit Komfortable Heizkörperregelung Sicherheit Stand-Alone Anwendungen Stand-Alone Anwendungen Übersicht Smart Home Einstieg Alarmanlage Einbruchschutz Raumklima Wasserleckage-Detektion Handwerk 4.0 Handwerk 4.0 Übersicht EUROLYZER® CAPBs®-Sets CAPBs®-Sets Übersicht App Wasseranalyse Leitungsprüfung Druckmessung Heizungstechnik Konzentrationsmessung Temperatur BLUELYZER C1 OEM-Verteilersysteme Hydraulischer Abgleich Hydraulischer Abgleich Übersicht VarioQ Vario-DP Tankumnutzung Hygienische Prozesse AFRISO Smart Home Ob für die Themen Raumklima, Komfort oder Sicherheit – AFRISO Smart Home bietet aufeinander abgestimmte und umfassende Lösungen für die individuelle funkbasierte Gebäudeautomation. Mehr Informationen Service-Center Service-Center Übersicht Geräte-Service Servicestellen Gasanalyse Handwerkersuche Ansprechpartner Datenaustauschformate Kataloge Service-Center Flexibel, kostenbewusst, termintreu und lösungsorientiert steht Ihnen das AFRISO Team zur Seite. Wählen Sie hier Ihren direkten Ansprechpartner aus. Mehr Informationen Schulungen & Events Schulungen & Events Übersicht Messen Messen Übersicht SHK+E 2026, Essen IFH Intherm 2026, Nürnberg GET Nord 2026, Hamburg Schulungen & Trainings Schulungen & Trainings Übersicht Heizen mit flüssigen Brennstoffen Tankschutz und Leckschutzauskleidung Inhouse-Schulung - Heizen mit flüssigen Brennstoffen Inhouse-Schulung Heizölverbraucheranlagen Smart Home Experte Smart Home Basisschulung Smart Home Inhouse-Schulung Suche Industrietechnik Mechanische Druckmessgeräte RF63KTGly D711 Bilder 2 RF63KTGly D711 Rohrfeder-Standardmanometer für die Kältetechnik Typ D7 mit Glyzerinfüllung Ausführungen Betriebsanleitung Video Info Gehäuse-⌀ (Nenngröße)63 mmAnschluss7/16-20 UNFAusrichtungaxialGenauigkeitsklasse1,6 Benefits einsetzbar bei starken Vibrationen und hohen dynamischen Druckbelastungenlängere Lebensdauer durch geringeren Verschleiß und Korrosionsschutz des Messsystemsverschiedene Kältemittel messbar durch MehrfachskalenDNV- und GOSSTANDART-zertifiziert Anwendung Zur gleichzeitigen Messung von Dampfdrücken und -temperaturen in der Kältetechnik.! Bei Medium Gas oder Dampf unbedingt Tabelle „Auswahlkriterien gemäß EN 837-2“ (s. Anhang) beachten! Ausführungen Technische Daten Technische Zeichnungen Downloads Video Ausführungen AnzeigebereichEinbauartTypArtikelnummer-1/+9 bardirektRF63KTGly D71185130711-1/+12.5 bardirektRF63KTGly D71185131711-1/+15 bardirektRF63KTGly D71185132711-1/+24 bardirektRF63KTGly D71185133711-1/+30 bardirektRF63KTGly D71185134711 Lagerware Fertigungsware Technische Daten TypD7Nenngröße63 - 63GenauigkeitsklasseEN 837-1/6NG 63: 1,6Anzeigebereiche-1/+9 barTemperaturskalenfür Kältemittel: R 134a,R 290,R 404A,R 407A,R 507,R 744Verwendungsbereichruhende Belastung: ¾ x Skalenendwertdynamische Belastung: ⅔ x Skalenendwertkurzzeitig: SkalenendwertTemperatureinsatzbereichMedium: gemäß KältemittelUmgebung: -20/+60 °CTemperaturverhaltenAnzeigefehler bei Abweichung von der Normaltemperatur 20 °C am Messsystem:bei Temperaturzunahme ca. ± 0,4 %/10 K,bei Temperaturabnahme ca. ± 0,4 %/10 Kvom jeweiligen SkalenendwertSchutzartIP 54 (EN 60529) bei Gehäuseentlüftung (≤ 25 bar) Standardausführung AnschlussMessing, axial7/16-20 UNFMessgliedRohrfeder, KupferlegierungKreisformfederZeigerwerkMessingZifferblattAluminium, weißDruckskalierung schwarzTemperaturskalierung farbigZeigerAluminium, schwarzGehäuseEdelstahl 304, mit DruckentlastungsöffnungBördelringEdelstahl 304SichtscheibeKunststoffFüllflüssigkeitGlyzerin (99,5 %) Technische Zeichnungen Für Detailansichten, Zusatzinformationen und Maßtabellen bitte auf das jeweilige Bild klicken. Anschluss axial Maße (mm)NGb∅cc1c2c3c4Dgg1GG1sSWSW16330,5521349,56853,555,5G¼B7/16-20 UNF714148033,5632049,58565,558,5G½B7/16-20 UNF7221410033,5632049,510665,558,5G½B7/16-20 UNF72214 Downloads EU-Konformitätserklärung Druckgeräte Konformitätserklärungen PDF Herunterladen AFRISO_ROHRFEDER-STANDARDMANOMETER-FUER-DIE-KAELTETECHNIK-TYP-D7-MIT-GLYZERINFUELLUNG_DEU_DEU_20260210_000925974.PDF Datenblätter Industrietechnik PDF Englisch Deutsch Montage Manometer Betriebsanleitungen Industrietechnik PDF Herunterladen Rohrfeder-, Kapselfeder-, Plattenfeder-, Membranfedermanometer für Differenzdruck Betriebsanleitungen Industrietechnik PDF Ukrainisch Deutsch Deutsch Video zugehörige Produkte
AFRISO Smart Home Ob für die Themen Raumklima, Komfort oder Sicherheit – AFRISO Smart Home bietet aufeinander abgestimmte und umfassende Lösungen für die individuelle funkbasierte Gebäudeautomation. Mehr Informationen Service-Center Service-Center Übersicht Geräte-Service Servicestellen Gasanalyse Handwerkersuche Ansprechpartner Datenaustauschformate Kataloge Service-Center Flexibel, kostenbewusst, termintreu und lösungsorientiert steht Ihnen das AFRISO Team zur Seite. Wählen Sie hier Ihren direkten Ansprechpartner aus. Mehr Informationen Schulungen & Events Schulungen & Events Übersicht Messen Messen Übersicht SHK+E 2026, Essen IFH Intherm 2026, Nürnberg GET Nord 2026, Hamburg Schulungen & Trainings Schulungen & Trainings Übersicht Heizen mit flüssigen Brennstoffen Tankschutz und Leckschutzauskleidung Inhouse-Schulung - Heizen mit flüssigen Brennstoffen Inhouse-Schulung Heizölverbraucheranlagen Smart Home Experte Smart Home Basisschulung Smart Home Inhouse-Schulung Suche
Service-Center Flexibel, kostenbewusst, termintreu und lösungsorientiert steht Ihnen das AFRISO Team zur Seite. Wählen Sie hier Ihren direkten Ansprechpartner aus. Mehr Informationen Schulungen & Events Schulungen & Events Übersicht Messen Messen Übersicht SHK+E 2026, Essen IFH Intherm 2026, Nürnberg GET Nord 2026, Hamburg Schulungen & Trainings Schulungen & Trainings Übersicht Heizen mit flüssigen Brennstoffen Tankschutz und Leckschutzauskleidung Inhouse-Schulung - Heizen mit flüssigen Brennstoffen Inhouse-Schulung Heizölverbraucheranlagen Smart Home Experte Smart Home Basisschulung Smart Home Inhouse-Schulung Suche
Bilder 2 RF63KTGly D711 Rohrfeder-Standardmanometer für die Kältetechnik Typ D7 mit Glyzerinfüllung Ausführungen Betriebsanleitung Video Info Gehäuse-⌀ (Nenngröße)63 mmAnschluss7/16-20 UNFAusrichtungaxialGenauigkeitsklasse1,6 Benefits einsetzbar bei starken Vibrationen und hohen dynamischen Druckbelastungenlängere Lebensdauer durch geringeren Verschleiß und Korrosionsschutz des Messsystemsverschiedene Kältemittel messbar durch MehrfachskalenDNV- und GOSSTANDART-zertifiziert Anwendung Zur gleichzeitigen Messung von Dampfdrücken und -temperaturen in der Kältetechnik.! Bei Medium Gas oder Dampf unbedingt Tabelle „Auswahlkriterien gemäß EN 837-2“ (s. Anhang) beachten! Ausführungen Technische Daten Technische Zeichnungen Downloads Video Ausführungen AnzeigebereichEinbauartTypArtikelnummer-1/+9 bardirektRF63KTGly D71185130711-1/+12.5 bardirektRF63KTGly D71185131711-1/+15 bardirektRF63KTGly D71185132711-1/+24 bardirektRF63KTGly D71185133711-1/+30 bardirektRF63KTGly D71185134711 Lagerware Fertigungsware Technische Daten TypD7Nenngröße63 - 63GenauigkeitsklasseEN 837-1/6NG 63: 1,6Anzeigebereiche-1/+9 barTemperaturskalenfür Kältemittel: R 134a,R 290,R 404A,R 407A,R 507,R 744Verwendungsbereichruhende Belastung: ¾ x Skalenendwertdynamische Belastung: ⅔ x Skalenendwertkurzzeitig: SkalenendwertTemperatureinsatzbereichMedium: gemäß KältemittelUmgebung: -20/+60 °CTemperaturverhaltenAnzeigefehler bei Abweichung von der Normaltemperatur 20 °C am Messsystem:bei Temperaturzunahme ca. ± 0,4 %/10 K,bei Temperaturabnahme ca. ± 0,4 %/10 Kvom jeweiligen SkalenendwertSchutzartIP 54 (EN 60529) bei Gehäuseentlüftung (≤ 25 bar) Standardausführung AnschlussMessing, axial7/16-20 UNFMessgliedRohrfeder, KupferlegierungKreisformfederZeigerwerkMessingZifferblattAluminium, weißDruckskalierung schwarzTemperaturskalierung farbigZeigerAluminium, schwarzGehäuseEdelstahl 304, mit DruckentlastungsöffnungBördelringEdelstahl 304SichtscheibeKunststoffFüllflüssigkeitGlyzerin (99,5 %) Technische Zeichnungen Für Detailansichten, Zusatzinformationen und Maßtabellen bitte auf das jeweilige Bild klicken. Anschluss axial Maße (mm)NGb∅cc1c2c3c4Dgg1GG1sSWSW16330,5521349,56853,555,5G¼B7/16-20 UNF714148033,5632049,58565,558,5G½B7/16-20 UNF7221410033,5632049,510665,558,5G½B7/16-20 UNF72214 Downloads EU-Konformitätserklärung Druckgeräte Konformitätserklärungen PDF Herunterladen AFRISO_ROHRFEDER-STANDARDMANOMETER-FUER-DIE-KAELTETECHNIK-TYP-D7-MIT-GLYZERINFUELLUNG_DEU_DEU_20260210_000925974.PDF Datenblätter Industrietechnik PDF Englisch Deutsch Montage Manometer Betriebsanleitungen Industrietechnik PDF Herunterladen Rohrfeder-, Kapselfeder-, Plattenfeder-, Membranfedermanometer für Differenzdruck Betriebsanleitungen Industrietechnik PDF Ukrainisch Deutsch Deutsch Video
AFRISO_ROHRFEDER-STANDARDMANOMETER-FUER-DIE-KAELTETECHNIK-TYP-D7-MIT-GLYZERINFUELLUNG_DEU_DEU_20260210_000925974.PDF Datenblätter Industrietechnik PDF Englisch Deutsch
Rohrfeder-, Kapselfeder-, Plattenfeder-, Membranfedermanometer für Differenzdruck Betriebsanleitungen Industrietechnik PDF Ukrainisch Deutsch Deutsch