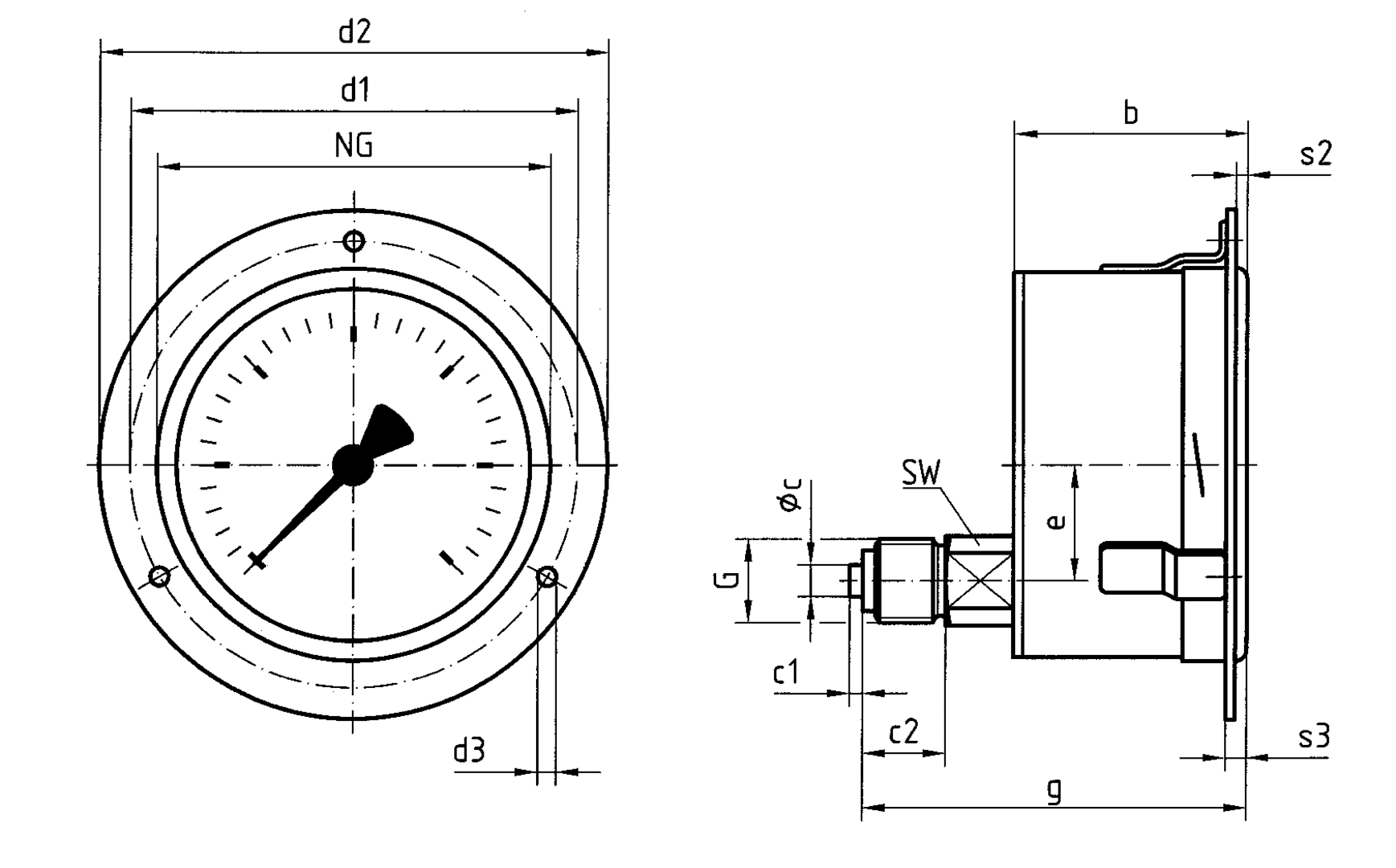
Produkte Unser Leitmotiv „Technik für Umweltschutz“ steht im Mittelpunkt der Produktentwicklung und prägt so schon lange einen sehr großen Teil des Produktsortiments. Mehr Informationen Branchen & Themen Branchen & Themen Übersicht Heizölkomponenten Heizölkomponenten Übersicht Schneller, sauberer Ölfilterwechsel Pilzgefahr bei Bioheizöl vermeiden Mehr Leistung beim Standard-Sikusieb AFRISO Smart Home AFRISO Smart Home Übersicht Gateway HG 02 Sensoren und Aktoren Sensoren und Aktoren Übersicht Gateway Produkte Sicherheit Komfort Raumklima AFRISOhome App Alexa Smart Home Anwendungen Smart Home Anwendungen Übersicht Intelligente Fußbodenheizung Leckagesicherheit Komfortable Heizkörperregelung Sicherheit Stand-Alone Anwendungen Stand-Alone Anwendungen Übersicht Smart Home Einstieg Alarmanlage Einbruchschutz Raumklima Wasserleckage-Detektion AFRISOcloud AFRISOcloud Übersicht Überwachung von Behältern & Tanks Überwachung von Abscheideranlagen Handwerk 4.0 Handwerk 4.0 Übersicht EUROLYZER® CAPBs®-Sets CAPBs®-Sets Übersicht App Wasseranalyse Leitungsprüfung Druckmessung Heizungstechnik Konzentrationsmessung Temperatur BLUELYZER® C1 OEM-Verteilersysteme Hydraulischer Abgleich Hydraulischer Abgleich Übersicht VarioQ Vario-DP Tankumnutzung Hygienische Prozesse AFRISO Smart Home Ob für die Themen Raumklima, Komfort oder Sicherheit – AFRISO Smart Home bietet aufeinander abgestimmte und umfassende Lösungen für die individuelle funkbasierte Gebäudeautomation. Mehr Informationen Service-Center Service-Center Übersicht Geräte-Service Servicestellen Gasanalyse Handwerkersuche Ansprechpartner Datenaustauschformate Kataloge Service-Center Flexibel, kostenbewusst, termintreu und lösungsorientiert steht Ihnen das AFRISO Team zur Seite. Wählen Sie hier Ihren direkten Ansprechpartner aus. Mehr Informationen Schulungen & Events Schulungen & Events Übersicht Messen Messen Übersicht UNITI expo 2026, Stuttgart GET Nord 2026, Hamburg Schulungen & Trainings Schulungen & Trainings Übersicht Ölinstallationen / AwsV Kooperationsschulung Heizen mit flüssigen Brennstoffen Tankschutz und Leckschutzauskleidung Inhouse-Schulung - Heizen mit flüssigen Brennstoffen Inhouse-Schulung Heizölverbraucheranlagen Smart Home Experte Smart Home Basisschulung Smart Home Inhouse-Schulung Suche Industrietechnik Mechanische Druckmessgeräte RF63Si D432 Link kopiert! Bilder 2 RF63Si D432 Rohrfeder-Sicherheitsmanometer Typ D4 Ausführungen Betriebsanleitungen Video Info Gehäuse-⌀ (Nenngröße)63 mmAnschlussG¼BAusrichtungaxial exzentrischGenauigkeitsklasse2,5NormEN 837-1 Benefits Sicherheitsgehäuse S3 nach EN 837-1/9.7.2voll verschweißtes Messsystemmit Helium dichtheitsgeprüftDNV- und GOSSTANDART-zertifiziertEx-Ausführung (optional) Anwendung Für gasförmige und flüssige, aggressive, nicht hochviskose und nicht kristallisierende Medien, auch in aggressiver Umgebung. Für Anwendungsfälle nach Anforderungen gemäß EN 837-1/9.7.2. Ausführungen Technische Daten Technische Zeichnungen Downloads Video Ausführungen AnzeigebereichEinbauartTypArtikelnummer0/600 bar3-LochfrontflanschRF63Si D432854244320/1 000 bar3-LochfrontflanschRF63Si D43285425432 Lagerware Fertigungsware Technische Daten TypD4Nenngröße63GenauigkeitsklasseEN 837-1/6NG 63, ≥ 600 bar: 2,5Anzeigebereiche (EN 837-1/5)siehe BestelltabelleNG 100, NG 160ruhende Belastungdynamische BelastungkurzzeitigTemperatureinsatzbereichMedium: max. 100 °CUmgebung: -20/+60 °CSchutzartIP 54 (EN 60529) Standardausführung AnschlussEdelstahl 316 L, axial exzentrischMessgliedRohrfederEdelstahl 316 Ti/316 L≤ 60 bar: Kreisformfeder> 60 bar: Schraubenformfederdichtheitsgeprüft mit HeliumZeigerwerkEdelstahlZifferblattAluminium, weißSkalierung schwarzZeigerAluminium, schwarzGehäuseEdelstahl 304, mit bruchsicherer Trennwand und ausblasbarer Rückwand (S3)BajonettringEdelstahl 304SichtscheibeSicherheitsverbundglas Technische Zeichnungen Für Detailansichten, Zusatzinformationen und Maßtabellen bitte auf das jeweilige Bild klicken. NG 63 – Anschluss axial exzentrisch, 3-Lochfrontflansch Maße (mm)NGb∅cc1c2d1d2d3eGgs2s3SW6341521375853,618G¼B603514 Downloads Zifferblätter für Manometer – Teilstrichabstände Technische Information PDF Englisch Deutsch Auswahlkriterien und Sicherheitsaspekte für Druckmessgeräte nach EN 837-2 Technische Information PDF Englisch Deutsch EU-Konformitätserklärung Druckgeräte Konformitätserklärungen PDF Herunterladen Rohrfeder-Manometer Katalog-Optionen Haustechnik PDF Englisch Deutsch Montage Manometer Betriebsanleitungen Industrietechnik PDF Herunterladen Rohrfeder-, Kapselfeder-, Plattenfeder-, Membranfedermanometer für Differenzdruck Betriebsanleitungen Industrietechnik PDF Ukrainisch Deutsch Deutsch RF63SI_D432_854XX432.STP STEP 3D Modell Industrietechnik STP Herunterladen Video zugehörige Produkte
AFRISO Smart Home Ob für die Themen Raumklima, Komfort oder Sicherheit – AFRISO Smart Home bietet aufeinander abgestimmte und umfassende Lösungen für die individuelle funkbasierte Gebäudeautomation. Mehr Informationen Service-Center Service-Center Übersicht Geräte-Service Servicestellen Gasanalyse Handwerkersuche Ansprechpartner Datenaustauschformate Kataloge Service-Center Flexibel, kostenbewusst, termintreu und lösungsorientiert steht Ihnen das AFRISO Team zur Seite. Wählen Sie hier Ihren direkten Ansprechpartner aus. Mehr Informationen Schulungen & Events Schulungen & Events Übersicht Messen Messen Übersicht UNITI expo 2026, Stuttgart GET Nord 2026, Hamburg Schulungen & Trainings Schulungen & Trainings Übersicht Ölinstallationen / AwsV Kooperationsschulung Heizen mit flüssigen Brennstoffen Tankschutz und Leckschutzauskleidung Inhouse-Schulung - Heizen mit flüssigen Brennstoffen Inhouse-Schulung Heizölverbraucheranlagen Smart Home Experte Smart Home Basisschulung Smart Home Inhouse-Schulung Suche
Service-Center Flexibel, kostenbewusst, termintreu und lösungsorientiert steht Ihnen das AFRISO Team zur Seite. Wählen Sie hier Ihren direkten Ansprechpartner aus. Mehr Informationen Schulungen & Events Schulungen & Events Übersicht Messen Messen Übersicht UNITI expo 2026, Stuttgart GET Nord 2026, Hamburg Schulungen & Trainings Schulungen & Trainings Übersicht Ölinstallationen / AwsV Kooperationsschulung Heizen mit flüssigen Brennstoffen Tankschutz und Leckschutzauskleidung Inhouse-Schulung - Heizen mit flüssigen Brennstoffen Inhouse-Schulung Heizölverbraucheranlagen Smart Home Experte Smart Home Basisschulung Smart Home Inhouse-Schulung Suche
Bilder 2 RF63Si D432 Rohrfeder-Sicherheitsmanometer Typ D4 Ausführungen Betriebsanleitungen Video Info Gehäuse-⌀ (Nenngröße)63 mmAnschlussG¼BAusrichtungaxial exzentrischGenauigkeitsklasse2,5NormEN 837-1 Benefits Sicherheitsgehäuse S3 nach EN 837-1/9.7.2voll verschweißtes Messsystemmit Helium dichtheitsgeprüftDNV- und GOSSTANDART-zertifiziertEx-Ausführung (optional) Anwendung Für gasförmige und flüssige, aggressive, nicht hochviskose und nicht kristallisierende Medien, auch in aggressiver Umgebung. Für Anwendungsfälle nach Anforderungen gemäß EN 837-1/9.7.2. Ausführungen Technische Daten Technische Zeichnungen Downloads Video Ausführungen AnzeigebereichEinbauartTypArtikelnummer0/600 bar3-LochfrontflanschRF63Si D432854244320/1 000 bar3-LochfrontflanschRF63Si D43285425432 Lagerware Fertigungsware Technische Daten TypD4Nenngröße63GenauigkeitsklasseEN 837-1/6NG 63, ≥ 600 bar: 2,5Anzeigebereiche (EN 837-1/5)siehe BestelltabelleNG 100, NG 160ruhende Belastungdynamische BelastungkurzzeitigTemperatureinsatzbereichMedium: max. 100 °CUmgebung: -20/+60 °CSchutzartIP 54 (EN 60529) Standardausführung AnschlussEdelstahl 316 L, axial exzentrischMessgliedRohrfederEdelstahl 316 Ti/316 L≤ 60 bar: Kreisformfeder> 60 bar: Schraubenformfederdichtheitsgeprüft mit HeliumZeigerwerkEdelstahlZifferblattAluminium, weißSkalierung schwarzZeigerAluminium, schwarzGehäuseEdelstahl 304, mit bruchsicherer Trennwand und ausblasbarer Rückwand (S3)BajonettringEdelstahl 304SichtscheibeSicherheitsverbundglas Technische Zeichnungen Für Detailansichten, Zusatzinformationen und Maßtabellen bitte auf das jeweilige Bild klicken. NG 63 – Anschluss axial exzentrisch, 3-Lochfrontflansch Maße (mm)NGb∅cc1c2d1d2d3eGgs2s3SW6341521375853,618G¼B603514 Downloads Zifferblätter für Manometer – Teilstrichabstände Technische Information PDF Englisch Deutsch Auswahlkriterien und Sicherheitsaspekte für Druckmessgeräte nach EN 837-2 Technische Information PDF Englisch Deutsch EU-Konformitätserklärung Druckgeräte Konformitätserklärungen PDF Herunterladen Rohrfeder-Manometer Katalog-Optionen Haustechnik PDF Englisch Deutsch Montage Manometer Betriebsanleitungen Industrietechnik PDF Herunterladen Rohrfeder-, Kapselfeder-, Plattenfeder-, Membranfedermanometer für Differenzdruck Betriebsanleitungen Industrietechnik PDF Ukrainisch Deutsch Deutsch RF63SI_D432_854XX432.STP STEP 3D Modell Industrietechnik STP Herunterladen Video
Auswahlkriterien und Sicherheitsaspekte für Druckmessgeräte nach EN 837-2 Technische Information PDF Englisch Deutsch
Rohrfeder-, Kapselfeder-, Plattenfeder-, Membranfedermanometer für Differenzdruck Betriebsanleitungen Industrietechnik PDF Ukrainisch Deutsch Deutsch