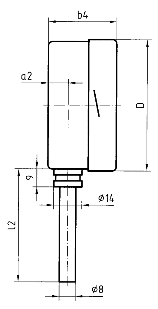
Produkte Unser Leitmotiv „Technik für Umweltschutz“ steht im Mittelpunkt der Produktentwicklung und prägt so schon lange einen sehr großen Teil des Produktsortiments. Mehr Informationen Branchen & Themen Branchen & Themen Übersicht Heizölkomponenten Heizölkomponenten Übersicht Schneller, sauberer Ölfilterwechsel Pilzgefahr bei Bioheizöl vermeiden Mehr Leistung beim Standard-Sikusieb AFRISO Smart Home AFRISO Smart Home Übersicht Gateway HG 02 Sensoren und Aktoren Sensoren und Aktoren Übersicht Gateway Produkte Sicherheit Komfort Raumklima AFRISOhome App Alexa Smart Home Anwendungen Smart Home Anwendungen Übersicht Intelligente Fußbodenheizung Leckagesicherheit Komfortable Heizkörperregelung Sicherheit Stand-Alone Anwendungen Stand-Alone Anwendungen Übersicht Smart Home Einstieg Alarmanlage Einbruchschutz Raumklima Wasserleckage-Detektion Handwerk 4.0 Handwerk 4.0 Übersicht EUROLYZER® CAPBs®-Sets CAPBs®-Sets Übersicht App Wasseranalyse Leitungsprüfung Druckmessung Heizungstechnik Konzentrationsmessung Temperatur BLUELYZER® C1 OEM-Verteilersysteme Hydraulischer Abgleich Hydraulischer Abgleich Übersicht VarioQ Vario-DP Tankumnutzung Hygienische Prozesse AFRISO Smart Home Ob für die Themen Raumklima, Komfort oder Sicherheit – AFRISO Smart Home bietet aufeinander abgestimmte und umfassende Lösungen für die individuelle funkbasierte Gebäudeautomation. Mehr Informationen Service-Center Service-Center Übersicht Geräte-Service Servicestellen Gasanalyse Handwerkersuche Ansprechpartner Datenaustauschformate Kataloge Service-Center Flexible, cost-aware, on schedule, solution-oriented and fast – the AFRISO team always provides the decisive added value. Mehr Informationen Schulungen & Events Schulungen & Events Übersicht Messen Messen Übersicht SHK+E 2026, Essen IFH Intherm 2026, Nürnberg GET Nord 2026, Hamburg Schulungen & Trainings Schulungen & Trainings Übersicht Heizen mit flüssigen Brennstoffen Tankschutz und Leckschutzauskleidung Inhouse-Schulung - Heizen mit flüssigen Brennstoffen Inhouse-Schulung Heizölverbraucheranlagen Smart Home Experte Smart Home Basisschulung Smart Home Inhouse-Schulung Suche Industrietechnik Temperaturmess- / Regelgeräte BiTh 63 Ch D402 Bilder 4 BiTh 63 Ch D402 Bimetall-Chemiethermometer Ausführungen Betriebsanleitung Video Benefits ideal für hygienische ProzesseGenauigkeitsklasse 1 nach EN 13190für Mediumtemperaturen bis 160 ˚CProzessanschluss axial oder radial oder Gewinde für verschiedene Schutzrohre Anwendung Für aggressive Medien. Für hohe messtechnische Anforderungen z. B. in der Chemie, Verfahrenstechnik oder Lebensmittelindustrie. Ausführungen Technische Daten Technische Zeichnungen Downloads Video Ausführungen TypGehäuse-⌀AnschlusslageAnzeigebereichfür Schutzrohr mit Schaftlänge L1TypTypArt.-Nr.BiTh 63 Ch63 mmradial-20/+60 °C63 mmBiTh 63 ChD40266607402BiTh 63 Ch63 mmradial-20/+60 °C100 mmBiTh 63 ChD40266608402BiTh 63 Ch63 mmradial-20/+60 °C150 mmBiTh 63 ChD40266609402BiTh 63 Ch63 mmradial-20/+60 °C200 mmBiTh 63 ChD40266610402 Lagerware Fertigungsware Technische Daten TypD4Nenngröße63 - 63MesselementBimetallwendelGenauigkeitsklasse1 (EN 13190)Anzeigebereiche °C-20/+60 °CVerwendungsbereichDauerbelastung: Skalenendwertkurzzeitig: 1,1 x SkalenendwertBetriebsdruck am Tauchrohrmax. 6 barSchutzartIP 65 (EN 60529) Standardausführung AnschlussTauchrohr: Edelstahl 316 Ti, ∅ 8 mm, glattAnschlusslageradialZifferblattAluminium, weißSkalierung schwarzZeigerAluminium, schwarzGehäuseEdelstahl 304BajonettringEdelstahl 304SichtscheibeInstrumentenglas Technische Zeichnungen Für Detailansichten, Zusatzinformationen und Maßtabellen bitte auf das jeweilige Bild klicken. Anschluss radial, glatt Maße (mm)NGa2b4Dl26315,54563676315,545631046315,545631546315,5456320410017,549,51006710017,549,510010410017,549,510015410017,549,510020416015,5481606716015,54816010416015,54816015416015,548160204 Downloads AFRISO_BIMETALL-CHEMIETHERMOMETER_DEU_DEU_20260209_235636510.PDF Datenblätter Industrietechnik PDF Englisch Deutsch Video zugehörige Produkte
AFRISO Smart Home Ob für die Themen Raumklima, Komfort oder Sicherheit – AFRISO Smart Home bietet aufeinander abgestimmte und umfassende Lösungen für die individuelle funkbasierte Gebäudeautomation. Mehr Informationen Service-Center Service-Center Übersicht Geräte-Service Servicestellen Gasanalyse Handwerkersuche Ansprechpartner Datenaustauschformate Kataloge Service-Center Flexible, cost-aware, on schedule, solution-oriented and fast – the AFRISO team always provides the decisive added value. Mehr Informationen Schulungen & Events Schulungen & Events Übersicht Messen Messen Übersicht SHK+E 2026, Essen IFH Intherm 2026, Nürnberg GET Nord 2026, Hamburg Schulungen & Trainings Schulungen & Trainings Übersicht Heizen mit flüssigen Brennstoffen Tankschutz und Leckschutzauskleidung Inhouse-Schulung - Heizen mit flüssigen Brennstoffen Inhouse-Schulung Heizölverbraucheranlagen Smart Home Experte Smart Home Basisschulung Smart Home Inhouse-Schulung Suche
Service-Center Flexible, cost-aware, on schedule, solution-oriented and fast – the AFRISO team always provides the decisive added value. Mehr Informationen Schulungen & Events Schulungen & Events Übersicht Messen Messen Übersicht SHK+E 2026, Essen IFH Intherm 2026, Nürnberg GET Nord 2026, Hamburg Schulungen & Trainings Schulungen & Trainings Übersicht Heizen mit flüssigen Brennstoffen Tankschutz und Leckschutzauskleidung Inhouse-Schulung - Heizen mit flüssigen Brennstoffen Inhouse-Schulung Heizölverbraucheranlagen Smart Home Experte Smart Home Basisschulung Smart Home Inhouse-Schulung Suche
Bilder 4 BiTh 63 Ch D402 Bimetall-Chemiethermometer Ausführungen Betriebsanleitung Video Benefits ideal für hygienische ProzesseGenauigkeitsklasse 1 nach EN 13190für Mediumtemperaturen bis 160 ˚CProzessanschluss axial oder radial oder Gewinde für verschiedene Schutzrohre Anwendung Für aggressive Medien. Für hohe messtechnische Anforderungen z. B. in der Chemie, Verfahrenstechnik oder Lebensmittelindustrie. Ausführungen Technische Daten Technische Zeichnungen Downloads Video Ausführungen TypGehäuse-⌀AnschlusslageAnzeigebereichfür Schutzrohr mit Schaftlänge L1TypTypArt.-Nr.BiTh 63 Ch63 mmradial-20/+60 °C63 mmBiTh 63 ChD40266607402BiTh 63 Ch63 mmradial-20/+60 °C100 mmBiTh 63 ChD40266608402BiTh 63 Ch63 mmradial-20/+60 °C150 mmBiTh 63 ChD40266609402BiTh 63 Ch63 mmradial-20/+60 °C200 mmBiTh 63 ChD40266610402 Lagerware Fertigungsware Technische Daten TypD4Nenngröße63 - 63MesselementBimetallwendelGenauigkeitsklasse1 (EN 13190)Anzeigebereiche °C-20/+60 °CVerwendungsbereichDauerbelastung: Skalenendwertkurzzeitig: 1,1 x SkalenendwertBetriebsdruck am Tauchrohrmax. 6 barSchutzartIP 65 (EN 60529) Standardausführung AnschlussTauchrohr: Edelstahl 316 Ti, ∅ 8 mm, glattAnschlusslageradialZifferblattAluminium, weißSkalierung schwarzZeigerAluminium, schwarzGehäuseEdelstahl 304BajonettringEdelstahl 304SichtscheibeInstrumentenglas Technische Zeichnungen Für Detailansichten, Zusatzinformationen und Maßtabellen bitte auf das jeweilige Bild klicken. Anschluss radial, glatt Maße (mm)NGa2b4Dl26315,54563676315,545631046315,545631546315,5456320410017,549,51006710017,549,510010410017,549,510015410017,549,510020416015,5481606716015,54816010416015,54816015416015,548160204 Downloads AFRISO_BIMETALL-CHEMIETHERMOMETER_DEU_DEU_20260209_235636510.PDF Datenblätter Industrietechnik PDF Englisch Deutsch Video
AFRISO_BIMETALL-CHEMIETHERMOMETER_DEU_DEU_20260209_235636510.PDF Datenblätter Industrietechnik PDF Englisch Deutsch