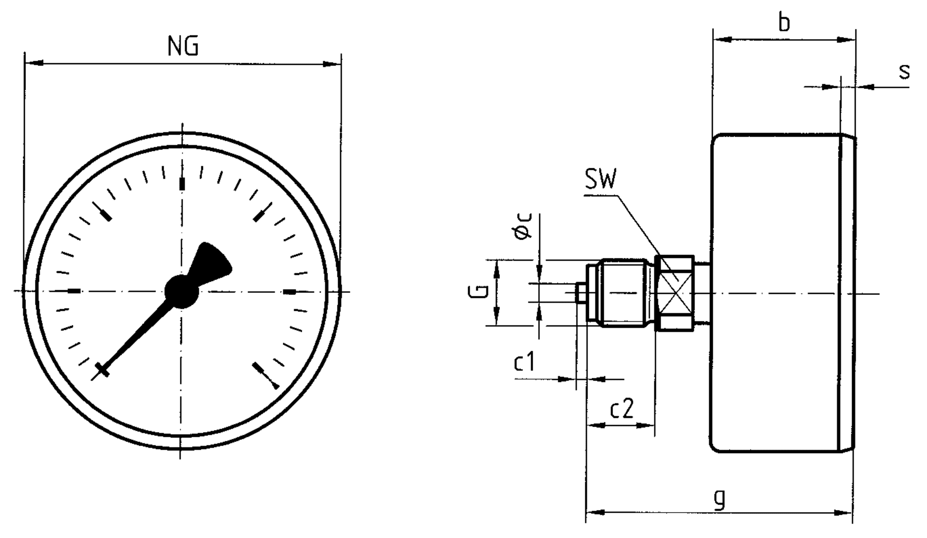
Produkte Unser Leitmotiv „Technik für Umweltschutz“ steht im Mittelpunkt der Produktentwicklung und prägt so schon lange einen sehr großen Teil des Produktsortiments. Mehr Informationen Branchen & Themen Branchen & Themen Übersicht Heizölkomponenten Heizölkomponenten Übersicht Schneller, sauberer Ölfilterwechsel Pilzgefahr bei Bioheizöl vermeiden Mehr Leistung beim Standard-Sikusieb AFRISO Smart Home AFRISO Smart Home Übersicht Gateway HG 02 Sensoren und Aktoren Sensoren und Aktoren Übersicht Gateway Produkte Sicherheit Komfort Raumklima AFRISOhome App Alexa Smart Home Anwendungen Smart Home Anwendungen Übersicht Intelligente Fußbodenheizung Leckagesicherheit Komfortable Heizkörperregelung Sicherheit Stand-Alone Anwendungen Stand-Alone Anwendungen Übersicht Smart Home Einstieg Alarmanlage Einbruchschutz Raumklima Wasserleckage-Detektion AFRISOcloud AFRISOcloud Übersicht Überwachung von Behältern & Tanks Überwachung von Abscheideranlagen Handwerk 4.0 Handwerk 4.0 Übersicht EUROLYZER® CAPBs®-Sets CAPBs®-Sets Übersicht App Wasseranalyse Leitungsprüfung Druckmessung Heizungstechnik Konzentrationsmessung Temperatur BLUELYZER® C1 OEM-Verteilersysteme Hydraulischer Abgleich Hydraulischer Abgleich Übersicht VarioQ Vario-DP Tankumnutzung Hygienische Prozesse AFRISO Smart Home Ob für die Themen Raumklima, Komfort oder Sicherheit – AFRISO Smart Home bietet aufeinander abgestimmte und umfassende Lösungen für die individuelle funkbasierte Gebäudeautomation. Mehr Informationen Service-Center Service-Center Übersicht Geräte-Service Servicestellen Gasanalyse Handwerkersuche Ansprechpartner Datenaustauschformate Kataloge Service-Center Flexibel, kostenbewusst, termintreu und lösungsorientiert steht Ihnen das AFRISO Team zur Seite. Wählen Sie hier Ihren direkten Ansprechpartner aus. Mehr Informationen Schulungen & Events Schulungen & Events Übersicht Messen Messen Übersicht UNITI expo 2026, Stuttgart GET Nord 2026, Hamburg Schulungen & Trainings Schulungen & Trainings Übersicht Ölinstallationen / AwsV Kooperationsschulung Heizen mit flüssigen Brennstoffen Tankschutz und Leckschutzauskleidung Inhouse-Schulung - Heizen mit flüssigen Brennstoffen Inhouse-Schulung Heizölverbraucheranlagen Smart Home Experte Smart Home Basisschulung Smart Home Inhouse-Schulung Suche Industrietechnik Mechanische Druckmessgeräte KP100 D311 Link kopiert! Bilder 3 KP100 D311 Kapselfeder-Standardmanometer Typ D3 Ausführungen Betriebsanleitungen Video Info Gehäuse-⌀ (Nenngröße)100 mmAnschlussG½BAusrichtungaxialGenauigkeitsklasse1,6NormEN 837-3 Benefits mit Nullpunktkorrekturideal zur Messung von niedrigen DruckbereichenGOSSTANDART-zertifiziert Anwendung Für gasförmige, trockene Medien, die Kupferlegierungen nicht angreifen.! Bei Medium Gas oder Dampf unbedingt Tabelle „Auswahlkriterien gemäß EN 837-2“ (s. Anhang) beachten! Ausführungen Technische Daten Technische Zeichnungen Downloads Optionen Video Ausführungen AnzeigebereichEinbauartTypArtikelnummer-25/0 mbardirektKP100 D31135104311-40/0 mbardirektKP100 D31135105311-60/0 mbardirektKP100 D31135106311-100/0 mbardirektKP100 D31135107311-160/0 mbardirektKP100 D31135108311-250/0 mbardirektKP100 D31135109311-400/0 mbardirektKP100 D31135110311-600/0 mbardirektKP100 D31135111311-1 000/0 mbardirektKP100 D311351123110/25 mbardirektKP100 D311351163110/40 mbardirektKP100 D311351173110/60 mbardirektKP100 D311351183110/100 mbardirektKP100 D311351193110/160 mbardirektKP100 D311351203110/250 mbardirektKP100 D311351213110/400 mbardirektKP100 D311351223110/600 mbardirektKP100 D311351233110/1 000 mbardirektKP100 D31135124311 Lagerware Fertigungsware Technische Daten TypD3Nenngröße100Genauigkeitsklasse (EN 837-3/6)1,6Anzeigebereiche (EN 837-3/5)siehe BestelltabelleVerwendungsbereichruhende Belastung: Skalenendwertdynamische Belastung: 0,9 x SkalenendwertÜberlastsicherheit: 1,3 x SkalenendwertTemperatureinsatzbereichMedium: max. 60 °CUmgebung: -20/+60 °CTemperaturverhaltenAnzeigefehler bei Abweichung von der Normaltemperatur 20 °C am Messsystem:bei Temperaturzunahme ca. ± 0,6 %/10 K,bei Temperaturabnahme ca. ± 0,6 %/10 Kvom jeweiligen SkalenendwertSchutzartNG 100: IP 44 (EN 60529) Standardausführung AnschlussMessing, axialMessgliedKapselfeder, CuBe-LegierungZeigerwerkMessingNullpunktkorrekturfrontseitigDichtungNBR (Perbunan)ZifferblattAluminium, weißSkalierung schwarzZeigerAluminium, schwarzGehäuseEdelstahl 304SichtscheibeKunststoff, eingeclipst Technische Zeichnungen Für Detailansichten, Zusatzinformationen und Maßtabellen bitte auf das jeweilige Bild klicken. Anschluss axial Maße (mm)NGb∅cc1c2GgsSW6333,75213G¼B56,73,7148043,36320G½B75,33,822100446320G½B763,522 Downloads Zifferblätter für Manometer – Teilstrichabstände Technische Information PDF Englisch Deutsch EU-Konformitätserklärung Druckgeräte Konformitätserklärungen PDF Herunterladen Montage Manometer Betriebsanleitungen Industrietechnik PDF Herunterladen Rohrfeder-, Kapselfeder-, Plattenfeder-, Membranfedermanometer für Differenzdruck Betriebsanleitungen Industrietechnik PDF Ukrainisch Deutsch Deutsch Optionen Optionen für Kapselfeder-Manometer Abb. Bezeichnung Genauigkeitsklasse 1,0 NG 100 | 38180 Anschlussstutzen vernickelt NG 100 | 38086 Drosselschraube Messing NG 100 Bohrung wahlweise 0,3 – 0,5 – 0,7 mm (bitte angeben) | 38099 3-Lochfrontflansch Edelstahl 304 poliert NG 100 | 37609 Befestigungsrand hinten Edelstahl 304 trowalisiert NG 100 | 38050 Gehäuse Edelstahl 304 poliert NG 100 | 37613 rote Markierung auf Zifferblatt NG 100 | 38186 1 Markenzeiger rot NG 100 SD von außen verstellbar mit Schraubendreher | 38117 1 Markenzeiger rot NG 100 DK von außen verstellbar mit Drehknopf | 38190 Klischeeerstellung je Skala und Farbe NG 100 Skalengestaltung nach EN 837-1, andere auf Anfrage | 38155 Zusatzfarbe NG 100 | 38167 3-Lochfrontflansch (Bajonett) Edelstahl 304 poliert NG 100 zur werkseitigen Montage | 38056 Video zugehörige Produkte
AFRISO Smart Home Ob für die Themen Raumklima, Komfort oder Sicherheit – AFRISO Smart Home bietet aufeinander abgestimmte und umfassende Lösungen für die individuelle funkbasierte Gebäudeautomation. Mehr Informationen Service-Center Service-Center Übersicht Geräte-Service Servicestellen Gasanalyse Handwerkersuche Ansprechpartner Datenaustauschformate Kataloge Service-Center Flexibel, kostenbewusst, termintreu und lösungsorientiert steht Ihnen das AFRISO Team zur Seite. Wählen Sie hier Ihren direkten Ansprechpartner aus. Mehr Informationen Schulungen & Events Schulungen & Events Übersicht Messen Messen Übersicht UNITI expo 2026, Stuttgart GET Nord 2026, Hamburg Schulungen & Trainings Schulungen & Trainings Übersicht Ölinstallationen / AwsV Kooperationsschulung Heizen mit flüssigen Brennstoffen Tankschutz und Leckschutzauskleidung Inhouse-Schulung - Heizen mit flüssigen Brennstoffen Inhouse-Schulung Heizölverbraucheranlagen Smart Home Experte Smart Home Basisschulung Smart Home Inhouse-Schulung Suche
Service-Center Flexibel, kostenbewusst, termintreu und lösungsorientiert steht Ihnen das AFRISO Team zur Seite. Wählen Sie hier Ihren direkten Ansprechpartner aus. Mehr Informationen Schulungen & Events Schulungen & Events Übersicht Messen Messen Übersicht UNITI expo 2026, Stuttgart GET Nord 2026, Hamburg Schulungen & Trainings Schulungen & Trainings Übersicht Ölinstallationen / AwsV Kooperationsschulung Heizen mit flüssigen Brennstoffen Tankschutz und Leckschutzauskleidung Inhouse-Schulung - Heizen mit flüssigen Brennstoffen Inhouse-Schulung Heizölverbraucheranlagen Smart Home Experte Smart Home Basisschulung Smart Home Inhouse-Schulung Suche
Bilder 3 KP100 D311 Kapselfeder-Standardmanometer Typ D3 Ausführungen Betriebsanleitungen Video Info Gehäuse-⌀ (Nenngröße)100 mmAnschlussG½BAusrichtungaxialGenauigkeitsklasse1,6NormEN 837-3 Benefits mit Nullpunktkorrekturideal zur Messung von niedrigen DruckbereichenGOSSTANDART-zertifiziert Anwendung Für gasförmige, trockene Medien, die Kupferlegierungen nicht angreifen.! Bei Medium Gas oder Dampf unbedingt Tabelle „Auswahlkriterien gemäß EN 837-2“ (s. Anhang) beachten! Ausführungen Technische Daten Technische Zeichnungen Downloads Optionen Video Ausführungen AnzeigebereichEinbauartTypArtikelnummer-25/0 mbardirektKP100 D31135104311-40/0 mbardirektKP100 D31135105311-60/0 mbardirektKP100 D31135106311-100/0 mbardirektKP100 D31135107311-160/0 mbardirektKP100 D31135108311-250/0 mbardirektKP100 D31135109311-400/0 mbardirektKP100 D31135110311-600/0 mbardirektKP100 D31135111311-1 000/0 mbardirektKP100 D311351123110/25 mbardirektKP100 D311351163110/40 mbardirektKP100 D311351173110/60 mbardirektKP100 D311351183110/100 mbardirektKP100 D311351193110/160 mbardirektKP100 D311351203110/250 mbardirektKP100 D311351213110/400 mbardirektKP100 D311351223110/600 mbardirektKP100 D311351233110/1 000 mbardirektKP100 D31135124311 Lagerware Fertigungsware Technische Daten TypD3Nenngröße100Genauigkeitsklasse (EN 837-3/6)1,6Anzeigebereiche (EN 837-3/5)siehe BestelltabelleVerwendungsbereichruhende Belastung: Skalenendwertdynamische Belastung: 0,9 x SkalenendwertÜberlastsicherheit: 1,3 x SkalenendwertTemperatureinsatzbereichMedium: max. 60 °CUmgebung: -20/+60 °CTemperaturverhaltenAnzeigefehler bei Abweichung von der Normaltemperatur 20 °C am Messsystem:bei Temperaturzunahme ca. ± 0,6 %/10 K,bei Temperaturabnahme ca. ± 0,6 %/10 Kvom jeweiligen SkalenendwertSchutzartNG 100: IP 44 (EN 60529) Standardausführung AnschlussMessing, axialMessgliedKapselfeder, CuBe-LegierungZeigerwerkMessingNullpunktkorrekturfrontseitigDichtungNBR (Perbunan)ZifferblattAluminium, weißSkalierung schwarzZeigerAluminium, schwarzGehäuseEdelstahl 304SichtscheibeKunststoff, eingeclipst Technische Zeichnungen Für Detailansichten, Zusatzinformationen und Maßtabellen bitte auf das jeweilige Bild klicken. Anschluss axial Maße (mm)NGb∅cc1c2GgsSW6333,75213G¼B56,73,7148043,36320G½B75,33,822100446320G½B763,522 Downloads Zifferblätter für Manometer – Teilstrichabstände Technische Information PDF Englisch Deutsch EU-Konformitätserklärung Druckgeräte Konformitätserklärungen PDF Herunterladen Montage Manometer Betriebsanleitungen Industrietechnik PDF Herunterladen Rohrfeder-, Kapselfeder-, Plattenfeder-, Membranfedermanometer für Differenzdruck Betriebsanleitungen Industrietechnik PDF Ukrainisch Deutsch Deutsch Optionen Optionen für Kapselfeder-Manometer Abb. Bezeichnung Genauigkeitsklasse 1,0 NG 100 | 38180 Anschlussstutzen vernickelt NG 100 | 38086 Drosselschraube Messing NG 100 Bohrung wahlweise 0,3 – 0,5 – 0,7 mm (bitte angeben) | 38099 3-Lochfrontflansch Edelstahl 304 poliert NG 100 | 37609 Befestigungsrand hinten Edelstahl 304 trowalisiert NG 100 | 38050 Gehäuse Edelstahl 304 poliert NG 100 | 37613 rote Markierung auf Zifferblatt NG 100 | 38186 1 Markenzeiger rot NG 100 SD von außen verstellbar mit Schraubendreher | 38117 1 Markenzeiger rot NG 100 DK von außen verstellbar mit Drehknopf | 38190 Klischeeerstellung je Skala und Farbe NG 100 Skalengestaltung nach EN 837-1, andere auf Anfrage | 38155 Zusatzfarbe NG 100 | 38167 3-Lochfrontflansch (Bajonett) Edelstahl 304 poliert NG 100 zur werkseitigen Montage | 38056 Video
Rohrfeder-, Kapselfeder-, Plattenfeder-, Membranfedermanometer für Differenzdruck Betriebsanleitungen Industrietechnik PDF Ukrainisch Deutsch Deutsch